A/C compressor not kicking in

Tiny
RILEYB1971
  • MEMBER
  • 1994 BUICK LESABRE
  • 3.8L
  • 6 CYL
  • 2WD
  • AUTOMATIC
  • 125,000 MILES
Fuse good. Freon level good. Could it be A/C Clutch Relay Switch? If so where is that located on the car listed above?
Saturday, April 25th, 2020 AT 10:30 AM

5 Replies

Tiny
KASEKENNY
  • MECHANIC
  • 18,907 POSTS
It could be the relay. However, when you say the pressure is good, what are the high and low side pressure just to confirm we are okay? If you are not using a gauge set then let's see if we can rent them from a parts store because we have to confirm this before we go much further.

https://www.2carpros.com/articles/re-charge-an-air-conditioner-system

I attached the location of the relay and its operation. Let me know and we can go from there. Thanks
Was this
answer
helpful?
Yes
No
Monday, March 22nd, 2021 AT 1:16 PM
Tiny
ASEMASTER6371
  • MECHANIC
  • 52,796 POSTS
Good afternoon,

What is the high and low side pressures while the engine is off?

https://www.2carpros.com/articles/car-air-conditioner-not-working-or-is-weak

What are the pressures when the compressor kicks on, if possible?

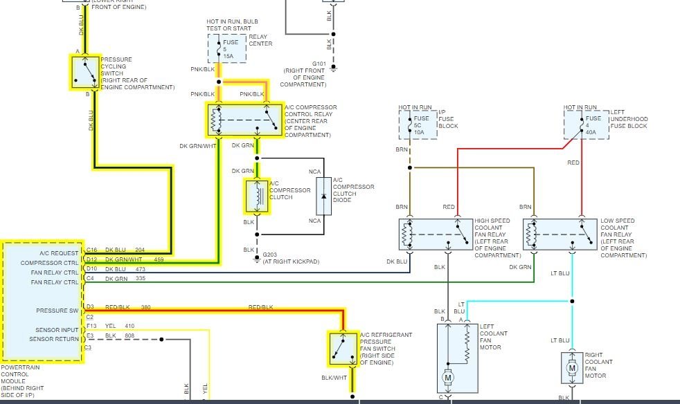
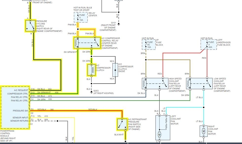
I attached a wiring diagram for you to view. We need to do some checks. Do you have a test light to do some testing?

https://www.2carpros.com/articles/how-to-check-wiring

Roy
Was this
answer
helpful?
Yes
No
Monday, March 22nd, 2021 AT 1:16 PM
Tiny
RILEYB1971
  • MEMBER
  • 3 POSTS
As power to compressor just won't kick in.
Was this
answer
helpful?
Yes
No
Monday, March 22nd, 2021 AT 1:16 PM
Tiny
ASEMASTER6371
  • MECHANIC
  • 52,796 POSTS
If you have power to the compressor then the compressor itself is bad and needs to be replaced.

https://www.2carpros.com/articles/replace-air-conditioner-compressor

Roy
Was this
answer
helpful?
Yes
No
Monday, March 22nd, 2021 AT 1:16 PM
Tiny
KASEKENNY
  • MECHANIC
  • 18,907 POSTS
So if you are saying that there is power at the compressor on the green wire as Roy shows then the compressor or at least coil is the issue. The relay, control module and wiring is all there to deliver voltage to the compressor when it needs to be engaged. If there is power there, then that is all working but the compressor is not.

https://www.2carpros.com/articles/replace-air-conditioner-compressor
Was this
answer
helpful?
Yes
No
Monday, March 22nd, 2021 AT 1:16 PM

Please login or register to post a reply.