Blowing air conditioner relay

Tiny
PHREDDY
  • MEMBER
  • 1994 BUICK LESABRE
  • 3.8L
  • 6 CYL
  • FWD
  • AUTOMATIC
  • 130,000 MILES
My air conditioner will work on every speed but high. I replaced the air conditioner relay under the hood, but it blew again after a week.
Sunday, July 10th, 2016 AT 1:58 PM

8 Replies

Tiny
WRENCHTECH
  • MECHANIC
  • 20,761 POSTS
Check fuse #3 in the under hood fuse box (30amp).
Was this
answer
helpful?
Yes
No
Monday, March 22nd, 2021 AT 2:43 PM
Tiny
PHREDDY
  • MEMBER
  • 9 POSTS
I did check those fuses and they were good.
Was this
answer
helpful?
Yes
No
Monday, March 22nd, 2021 AT 2:43 PM
Tiny
WRENCHTECH
  • MECHANIC
  • 20,761 POSTS
Test for power and ground at the motor and see which one is missing.
Was this
answer
helpful?
Yes
No
Monday, March 22nd, 2021 AT 2:43 PM
Tiny
PHREDDY
  • MEMBER
  • 9 POSTS
All working
Was this
answer
helpful?
Yes
No
Monday, March 22nd, 2021 AT 2:43 PM
Tiny
WRENCHTECH
  • MECHANIC
  • 20,761 POSTS
OK, so if you have both power and ground at the motor, you have a bad motor.
Was this
answer
helpful?
Yes
No
Monday, March 22nd, 2021 AT 2:43 PM
Tiny
PHREDDY
  • MEMBER
  • 9 POSTS
But the motor works on every speed but high and something is causing the relay to blow on high
Was this
answer
helpful?
Yes
No
Monday, March 22nd, 2021 AT 2:43 PM
Tiny
WRENCHTECH
  • MECHANIC
  • 20,761 POSTS
You don't "blow" relays. You have something else going on there and the circuit needs to be tested following a wiring diagram. I think your testing has been flawed from the beginning here. It looks like it's time to get some local electrical help
Was this
answer
helpful?
Yes
No
Monday, March 22nd, 2021 AT 2:43 PM
Tiny
KASEKENNY
  • MECHANIC
  • 18,907 POSTS
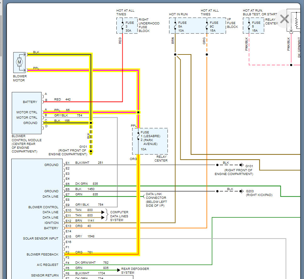
Just to add to this on how to test this system if the relay is failing. First of all, you said that the A/C relay is "blowing" but I assume you are talking about the blower control module shown below in the wiring diagram?

This is not a traditional relay so if you replaced this and the blower motor started working again on high then clearly that is what is failing.

Now we need to know why. The most likely cause of this is a short in the supply voltage or the HVAC module. However, even this is unlikely, and I suspect you just got a faulty relay.

If it were me, I would replace it again and if this fails again, we can do more testing.

If that is the case and it does fail, you need to measure voltage on all the wiring at the relay with the engine off and then when the engine is on, and the blower is on each speed.

https://www.2carpros.com/articles/how-to-check-wiring

Basically, the voltage on the motor control circuit Gry/blk wire, should increase as the speed increases. The Feedback wire is the voltage that returns to the HVAC module to tell it what speed the relay has the motor spinning.

Please run through this info and let us know what you find with it, and we will be able to determine what the failure is that is causing the relay to fail.

Thanks
Was this
answer
helpful?
Yes
No
Thursday, October 14th, 2021 AT 4:13 PM

Please login or register to post a reply.