A/C does not blow cold air?

Tiny
GRANDMA10
  • MEMBER
  • 1999 LINCOLN TOWN CAR
  • 4.6L
  • V8
  • 2WD
  • AUTOMATIC
  • 290,000 MILES
Had a mechanic check A/C. He put Freon in but still wouldn't blow cold. He checked the rest of the system and said to get this (picture below) replaced and we'd try again.
I don't have access to him anymore.
3 questions: name of part, is it something I can replace (have basic repair knowledge) and if that doesn't work, what is my next step?
Thank you.
Thursday, April 17th, 2025 AT 12:48 PM

15 Replies

Tiny
STEVE W.
  • MECHANIC
  • 15,697 POSTS
I'm sorry, the image didn't make it through. From the description it sounds like he probably put a charge in it with dye added and the part shows signs of the dye. However, once we can see it the rest is likely an easy answer.
Was this
answer
helpful?
Yes
No
Thursday, April 17th, 2025 AT 4:42 PM
Tiny
KEN L
  • MASTER CERTIFIED MECHANIC
  • 55,488 POSTS
The image upload works, can I ask which phone you have?
Was this
answer
helpful?
Yes
No
Saturday, April 19th, 2025 AT 9:55 AM
Tiny
GRANDMA10
  • MEMBER
  • 6 POSTS
I have a Galaxy s21. Just sent in an email to Ken L. Thank you so much.
Was this
answer
helpful?
Yes
No
Saturday, April 19th, 2025 AT 1:40 PM
Tiny
KEN L
  • MASTER CERTIFIED MECHANIC
  • 55,488 POSTS
Hmm, the file you sent me is a. Heif file from an apple phone? This is why it will not upload.
Was this
answer
helpful?
Yes
No
Sunday, April 20th, 2025 AT 11:11 AM
Tiny
STEVE W.
  • MECHANIC
  • 15,697 POSTS
HEIF is one of the Android image defaults on that phone as well. Unfortunately, it is sort of an orphan these days. The easy solution for now would be to switch the format the phone saves in to make sharing easier as very few programs support HEIF, HEIC natively due to the pricing. To do that you tap the settings icon and look for the Save or Storage option, then in there you should find the option to change from HEIF to Jpeg. That will also make it so social media will display it faster as well.
Was this
answer
helpful?
Yes
No
+1
Sunday, April 20th, 2025 AT 12:39 PM
Tiny
GRANDMA10
  • MEMBER
  • 6 POSTS
Reformatting and then then I'll try send pic again.
Was this
answer
helpful?
Yes
No
Monday, April 21st, 2025 AT 1:53 PM
Tiny
KEN L
  • MASTER CERTIFIED MECHANIC
  • 55,488 POSTS
Sounds good, sorry for the inconvenience.
Was this
answer
helpful?
Yes
No
Tuesday, April 22nd, 2025 AT 10:32 AM
Tiny
GRANDMA10
  • MEMBER
  • 6 POSTS
Okay. I think I got it switched to jpeg.
Was this
answer
helpful?
Yes
No
Tuesday, April 22nd, 2025 AT 12:29 PM
Tiny
STEVE W.
  • MECHANIC
  • 15,697 POSTS
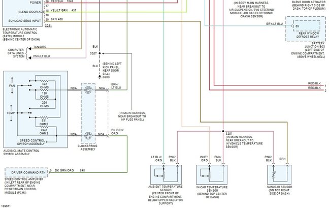
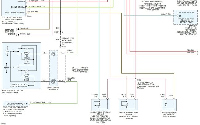
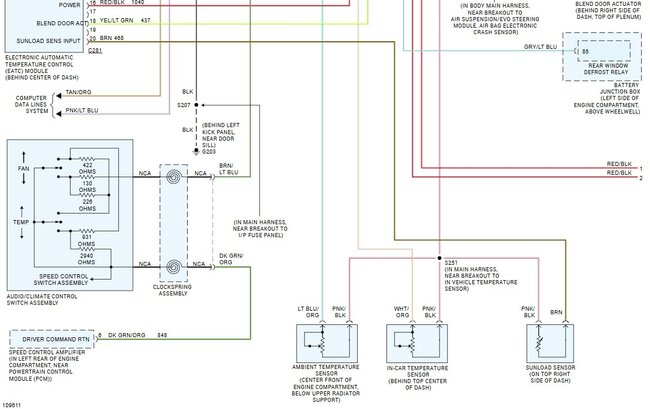
That is the high pressure cut off switch F58Z19D594A. Should have 4 wires going to it. Easy to change but also very easy to test if it's the problem. To test it you just need a short piece of wire that you can bend into a U shape. It's basically 2 pressure switches that toggle when the pressure is high in the system. One toggles closed and turns on the high-speed fan circuit for cooling and the other toggles open to turn off the AC compressor clutch. To test it you simply unplug it, then take the wire and look at the wire colors on the outside of the plug. You want the Pink with light blue stripe and the Black with yellow stripe wires. Jumper those two pins in the harness connector with the short wire. Test if the AC now works. If it does that switch is bad. That switch goes onto a fitting that has a valve in it that is supposed to seal if it is removed, that allows the switch to be changed without recovering the refrigerant, BUT being this is a 99 and that switch hasn't been removed I'm not going to say it still works as it should. However all you should need to do is disconnect the connector and unscrew the switch, the valve should seal as you remove it, then you screw on the replacement and connect it. In theory all of that can be done without any loss of R134a.
Was this
answer
helpful?
Yes
No
Tuesday, April 22nd, 2025 AT 1:19 PM
Tiny
GRANDMA10
  • MEMBER
  • 6 POSTS
Thank you so much! I'll test it and see what's going on. Then I'll let you know how it went. It's the last car my daddy gave me. He always gave me the old one after he bought him a new one. He was a Lincoln man! I'm doing everything I can to keep her running.
Was this
answer
helpful?
Yes
No
Wednesday, April 23rd, 2025 AT 2:23 PM
Tiny
STEVE W.
  • MECHANIC
  • 15,697 POSTS
Please keep us informed. That is the last generation of the TC and it's also one of the last built at the Wixom plant. I preferred the boxier version of the 2nd generation myself. Those when set up a limo always looked good.
Was this
answer
helpful?
Yes
No
+2
Wednesday, April 23rd, 2025 AT 4:23 PM
Tiny
GRANDMA10
  • MEMBER
  • 6 POSTS
A/C still blows hot when I jumped it. Not sure if freon is still in it. I'm going to replace the switch. Can I put freon in or does it have to be someone certified? Trying to keep Bessie going for my 12 year old granddaughter who loves her as much as I do. Thanks for all the comments to help me.
Was this
answer
helpful?
Yes
No
Monday, April 28th, 2025 AT 4:12 PM
Tiny
STEVE W.
  • MECHANIC
  • 15,697 POSTS
If the jumper didn't cause it to operate then it's likely not that switch. I assume the compressor on the front of the engine didn't start working. There is a second switch that also controls the compressor.
However If you would like to continue testing, I'd like to start at the basics, just in case the shop skipped a step or just missed a failed part. First I'd like you to test the fuses, looking at them really doesn't tell you if they are good anymore. Most of them we can say are good because they power other systems as well and you are not saying those are a problem. The only one that is concerning is fuse 6 It provides power to the control module and the clutch control circuit. To test it you need a simple test light. We can test the fuse and the other control switch right in the same connection you jumped before. Use the test light and touch it to the pin where the pink and light blue wire is with the key on, if the fuse, switch and wiring are good it should light. That would tell you that the clutch cycling switch is okay, and that is another compressor control. If it tests good then the next thing I would do is verify the charge in the system. If he had to add R134 the first time it's possible it has a leak but I would think he checked that before adding any, but it's the next step. Then the A/C relay. To see if that is getting the signal to turn on and that it actually is. Let me know how far you and your grandchild want to dig though, A/C work can be frustrating.
Was this
answer
helpful?
Yes
No
+1
Tuesday, April 29th, 2025 AT 5:46 AM
Tiny
GRANDMA10
  • MEMBER
  • 6 POSTS
Thank you, Steve. I'll get on it this weekend and let you know how it goes. My granddaughter said thank you for helping Bessie!
Was this
answer
helpful?
Yes
No
Tuesday, April 29th, 2025 AT 6:23 PM
Tiny
STEVE W.
  • MECHANIC
  • 15,697 POSTS
You are both very welcome. The next testing would be to verify you have R134 in it, for that you can usually find gauge sets as loaner tools at parts stores. We have a few guides on that process.
Was this
answer
helpful?
Yes
No
+1
Tuesday, April 29th, 2025 AT 6:57 PM

Please login or register to post a reply.