Wednesday, July 2nd, 2025 AT 9:30 PM
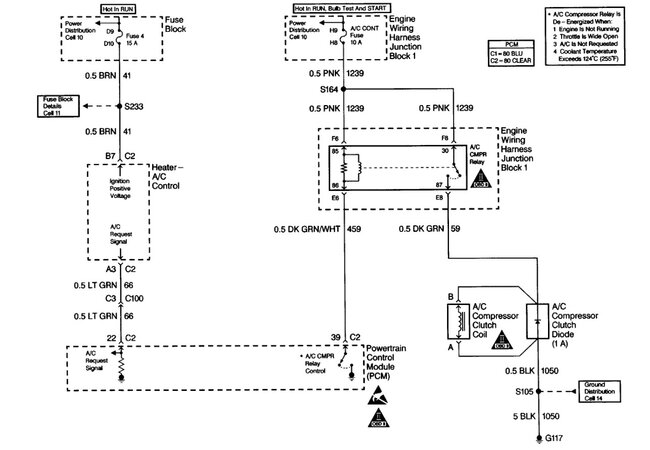
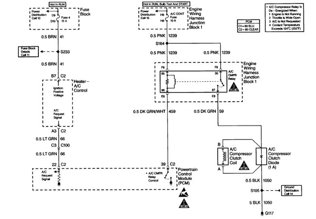
I checked the freon and it show 0 on my gauge so I put 12oz of freon in and I start the engine and the compressor clutch start back working the needle on the gauge went up to like 53 or 60 PSI and the compressor clutch stop engaging again so then I connect a jumper wire from the compressor to the battery and the compressor clutch start working again when I last check the pressure on the gauge it show around 25 PSI is the freon still low? Why will it not engage on its own? What all I need to check? At 75°F outside. The vent inside the vehicle air is like 19°F, I hope you can understand it because I am trying to explain it the best I know how.



