Friday, May 8th, 2020 AT 10:18 AM
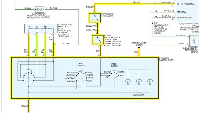
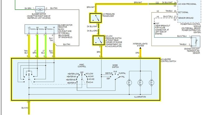
So recently I did a timing belt job on my car listed above and I discharged the A/C system and when I was ready to put refrigerant back in it the A/C clutch wasn’t kicking on. So I ended up jumping the relay and it turned on and now the system is fully charged. But my A/C clutch still isn’t turning on by itself. I swapped the relay and still nothing. I checked the fuses and it’s all good. I also replaced the low pressure switch on it and I’m still getting nothing. Any advice on what I should do next? It seems that the only way the A/C clutch turns on is when I jump the relay.






