AC not working properly after new compressor installation

Tiny
THINKING
  • MEMBER
  • 1998 CHEVROLET SUBURBAN
  • 5.7L
  • V8
  • 4WD
  • AUTOMATIC
  • 228,000 MILES
After having a new AC compressor installed by a professional shop, one day the AC button would no longer turn on the AC. The blower switch had been failing as some resistors would not easily select the set blower speeds. Other than that, the control head worked fine. All blend doors, as well as the heater core, had been replaced in 2011. There were no other apparent issues with the controls. The shop diagnosed the control head as the problem. They ordered a 'certified' used unit and then a second one. Neither unit worked. Then, after reassuring me again that the control head may not be the only problem, they ordered a new AC Delco unit, put it in, ran it fifteen minutes until it stopped working, emitting an odor. I was not there so I do not know where the odor came from nor what it was like though the shop said it smelled burned. This had never occurred before. I had checked all fuses, relays.

I trusted them to make a proper diagnosis prior to parts replacement. They made me pay for the 'blown' part to get my truck back. I am not happy with their misdiagnosis.

How should I proceed to diagnose this issue? The blower operates fine. The AC will not turn on and the blend doors will not work. All air flows out the bottom. I appreciate any insights. I am a competent basic mechanic handling fuel and brake lines, fuel pumps and tanks, u-joints, brake systems etc. I can manage a multi-meter and have some basic grasp of this. Help!
Sunday, June 30th, 2019 AT 6:41 PM

6 Replies

Tiny
KEN L
  • MASTER CERTIFIED MECHANIC
  • 55,512 POSTS
Hello,

It sounds like the compressor clutch coil is bad causing the issues. Can you replace any blown fuses and then remove the wire from the compressor to see if the system works correctly except for not blowing cold air? AC Delco compressor?
Was this
answer
helpful?
Yes
No
Tuesday, July 2nd, 2019 AT 3:40 PM
Tiny
THINKING
  • MEMBER
  • 4 POSTS
Thank you. How will the compressor come on if the AC switch on the control head does not light when pushed in? Is the light on the switch activated by the 'running' compressor? I will give this a try today. Thanks again.
Was this
answer
helpful?
Yes
No
Wednesday, July 3rd, 2019 AT 7:14 AM
Tiny
THINKING
  • MEMBER
  • 4 POSTS
This is not an AC Delco compressor. It is a Gamma compressor from china. Which wire should I remove, the one on the rear or the one on the top front?
Was this
answer
helpful?
Yes
No
Wednesday, July 3rd, 2019 AT 10:31 AM
Tiny
KEN L
  • MASTER CERTIFIED MECHANIC
  • 55,512 POSTS
Both, the compressor will not come on we are just trying to see if the fuse blows and if all the controls work correctly. If they do I would replace the compressor. here is a guide to help walk you through the steps:

https://www.2carpros.com/articles/replace-air-conditioner-compressor

Please run down this guide and report back.
Was this
answer
helpful?
Yes
No
-1
Wednesday, July 3rd, 2019 AT 11:53 AM
Tiny
THINKING
  • MEMBER
  • 4 POSTS
In discussions from the shop, which I wrote in the area above about why your answer was not helpful, they said the odor came from the control head which 'blew' after 15 minutes of run time. They want to pull the dash, steering column, etc to troubleshoot each actuator, check the wiring harness, etc. This appears to be an expensive fishing expedition costing about $700.00 to $900.00 or more just for the diagnosis. Could you provide a proper course of action for me to follow?

By the way, I do not have any fuses or relays blown as a result of anything happening from the time before replacing the compressor up to now. No blown fuses or relays. So, what do you think 'blew' and why is it not operational? Thank you very much for all of your help.
Was this
answer
helpful?
Yes
No
Thursday, July 4th, 2019 AT 11:34 AM
Tiny
KEN L
  • MASTER CERTIFIED MECHANIC
  • 55,512 POSTS
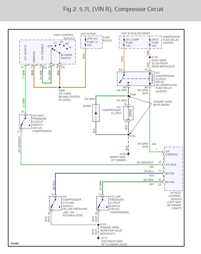
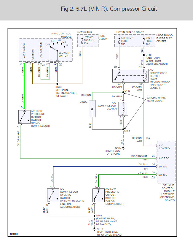
So can I ask what is working and what it not? here are the AC and compressor wiring diagrams so you can see how the system works. Did the problem happen right after the compressor installation? Something is making the system overheat like a bad ground. this guide will show you how to test the connections to ground:

https://www.2carpros.com/articles/how-to-check-wiring

Check out the diagrams (below). Please let us know what happens.
Was this
answer
helpful?
Yes
No
Thursday, July 4th, 2019 AT 2:07 PM

Please login or register to post a reply.