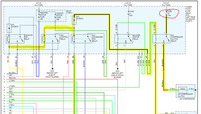
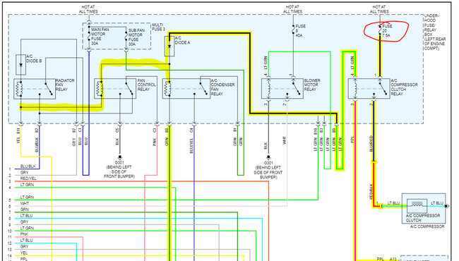
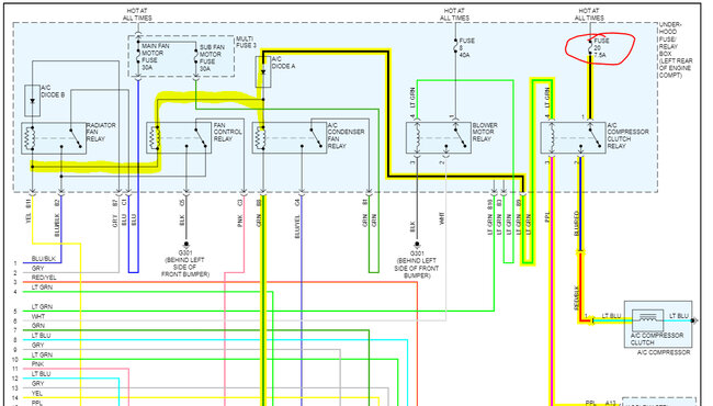
Sunday, May 28th, 2023 AT 3:07 PM
Had to put a new A/C system on the car. The old compressor had metal shavings, so I replaced the compressor expansion valve, pressure switch and lines and condenser. Now the clutch won't kick in, can't seem to find issue has new relay also and checked fuses.









