A/C not cycling, where is ground connection for these relays?

Tiny
LEMOS
  • MEMBER
  • 1993 CHRYSLER LE BARON
  • 3.0L
  • V6
  • 2WD
  • AUTOMATIC
  • 129,000 MILES
A/C clutch will not engage, clutch relay powered by engine fan relay. No ground contact on both fan relay and clutch relay. Where is ground connection for these relays?
Tuesday, July 20th, 2021 AT 12:02 PM

3 Replies

Tiny
SQM
  • MECHANIC
  • 6,383 POSTS
Hello,

Does the clutch engages intermittently or none at all?
You might have already checked it, but make sure your A/C system is charged properly.

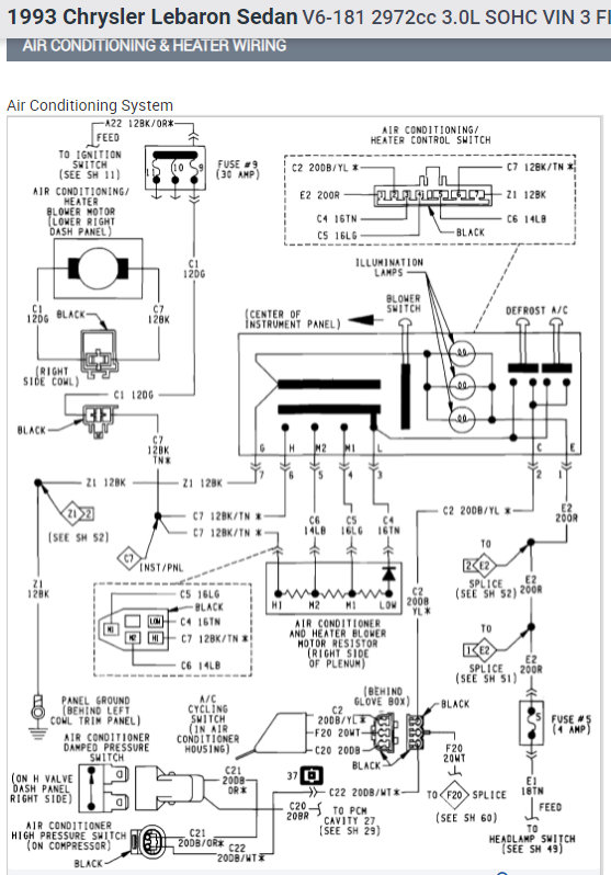
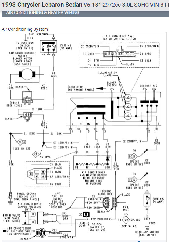
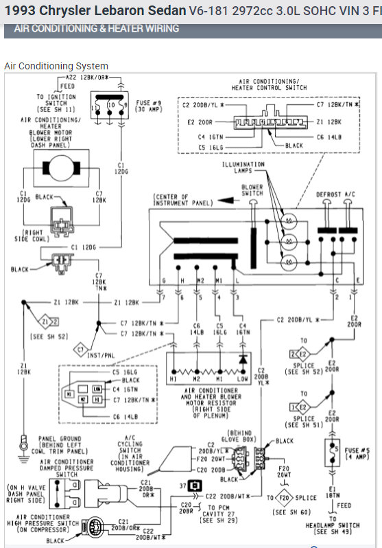
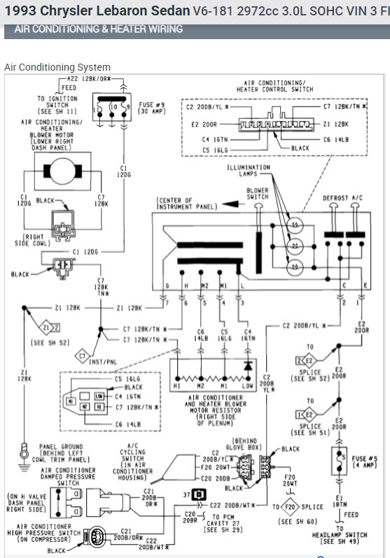
I have attached the wiring diagrams for the A/C system. Also included diagnostics and replacement procedure for your reference.

You might find these articles helpful with checking the wiring:

https://www.2carpros.com/articles/how-to-use-a-test-light-circuit-tester
https://www.2carpros.com/articles/how-to-use-a-voltmeter
https://www.2carpros.com/articles/how-to-check-wiring

Here are couple of helpful articles on AC system:

https://www.2carpros.com/articles/how-a-car-air-conditioner-works
https://www.2carpros.com/articles/car-air-conditioner-not-working-or-is-weak

Please let me know if you need any other information of if you have any questions.

Thank you.
Was this
answer
helpful?
Yes
No
Tuesday, July 20th, 2021 AT 12:47 PM
Tiny
LEMOS
  • MEMBER
  • 2 POSTS
I converted this system from r12 to r134. All parts are new and work. Circuits are all complete except the ground for the fan and clutch relays. The wires for these relays go to the PCM (ECM). By powering up system and jumping the engine fan relay to ground the fan engages and 12 volts transfers to the clutch relay as it should. I have also replaced the PCM with no improvement. I am missing the ground for these two relays. Back to original question "where is ground for the fan and clutch relays"?
Was this
answer
helpful?
Yes
No
Tuesday, July 20th, 2021 AT 6:55 PM
Tiny
MASTER ASE TECH
  • MECHANIC
  • 82 POSTS
Hi,

The ground for the relays themselves is actually the PCM. The PCM sends a ground signal to the relays and they energize the loads. The ground for the Fans themselves is the upper left of the engine.
If the PCM is not grounding the relays to activate them, then the PCM may be getting a signal from one of the sensors so that the PCM logic would indicate to de-energize the relays. Some instances of that would be
WOT- Wide open throttle
Overheating -the PCM shuts off the AC if the engine temp or transmission temp is too high.
A/C over pressure sensor--- Your car may or may not have an over pressure sensor located in the high side of the A/C system, or located on backside the compressor itself.
Was this
answer
helpful?
Yes
No
+1
Thursday, July 22nd, 2021 AT 12:21 PM

Please login or register to post a reply.