A/C clutch cycles on and off fast

Tiny
TERRY SMARR
  • MEMBER
  • 1997 CHEVROLET BLAZER
  • 4.3L
  • 6 CYL
  • 2WD
  • AUTOMATIC
  • 166,000 MILES
System is full and I have changed the low pressure switch and the relays. I need to know how to change the high pressure switch on the back of the compressor?
Saturday, September 12th, 2020 AT 6:53 AM

9 Replies

Tiny
ASEMASTER6371
  • MECHANIC
  • 52,796 POSTS
Good morning,

The compressor will have to be removed to change the switch.

How do you know it is bad? It is a normally closed switch. Remove the wires and jump the connector. If the problem continues, then that is not the issue.

https://www.2carpros.com/articles/car-air-conditioner-not-working-or-is-weak

What are the Freon pressures? Low Freon pressure will cause this issue.

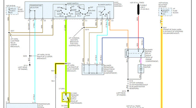
I attached a wiring diagram for you of the system.

https://www.2carpros.com/articles/how-to-check-wiring

https://www.2carpros.com/articles/how-to-check-an-electrical-relay-and-wiring-control-circuit

Roy
Was this
answer
helpful?
Yes
No
Saturday, September 12th, 2020 AT 7:27 AM
Tiny
TERRY SMARR
  • MEMBER
  • 6 POSTS
Because I have replaced everything but the switch on the back of the compressor and the reason why I haven't changed it yet is because I don't want to mess anything up on the compressor. It will cost me $200.00 + to replace it.
Was this
answer
helpful?
Yes
No
Sunday, September 13th, 2020 AT 3:15 PM
Tiny
ASEMASTER6371
  • MECHANIC
  • 52,796 POSTS
That is a normally closed switch. There should be power on both wires when the key is on.

What about the Freon pressures?

Roy
Was this
answer
helpful?
Yes
No
Sunday, September 13th, 2020 AT 3:18 PM
Tiny
TERRY SMARR
  • MEMBER
  • 6 POSTS
When I say everything has been changed I mean everything. And Freon is full.
Was this
answer
helpful?
Yes
No
Sunday, September 13th, 2020 AT 5:17 PM
Tiny
ASEMASTER6371
  • MECHANIC
  • 52,796 POSTS
Okay, I understand.

If the pressure on the high side is too high, the high pressure switch will open and shut down the compressor until the pressure lowers.

Roy
Was this
answer
helpful?
Yes
No
Sunday, September 13th, 2020 AT 5:40 PM
Tiny
TERRY SMARR
  • MEMBER
  • 6 POSTS
Okay, thank you for your response. But all I want to know is how do I change the pressure switch on the back of my A/C compressor? And to answer your question again the system is full I had the dealership remove and refill my system and everything but the compressor and pressure switch on the compressor has been replaced. The compressor is fine I have had it checked 2 times. All that's left is that switch.
Was this
answer
helpful?
Yes
No
Sunday, September 13th, 2020 AT 7:45 PM
Tiny
ASEMASTER6371
  • MECHANIC
  • 52,796 POSTS
Okay, got it.

The A/C Freon must be recovered from the system. Then remove the connector for the switch. Then, there is a snap ring that needs to be removed and once it is out, the switch pulls out.

The new one pushes in and install the snap ring and the connector.

Then the system needs to be evacuated for 1 hour and charges with the proper amount of Freon. Hopefully it will solve your issue.

https://www.2carpros.com/articles/re-charge-an-air-conditioner-system

If it does not, feel free to come back and let me know so we can continue.

Roy
Was this
answer
helpful?
Yes
No
Monday, September 14th, 2020 AT 4:58 AM
Tiny
TERRY SMARR
  • MEMBER
  • 6 POSTS
Cool, thank you.
Was this
answer
helpful?
Yes
No
Monday, September 14th, 2020 AT 8:35 AM
Tiny
ASEMASTER6371
  • MECHANIC
  • 52,796 POSTS
You are welcome.

Always glad to help.

Roy
Was this
answer
helpful?
Yes
No
Monday, September 14th, 2020 AT 9:39 AM

Please login or register to post a reply.