A/C control button

Tiny
MAX NGUYEN
  • MEMBER
  • 1996 ACURA INTEGRA
  • 1.8L
  • 4 CYL
  • FWD
  • AUTOMATIC
  • 81,000 MILES
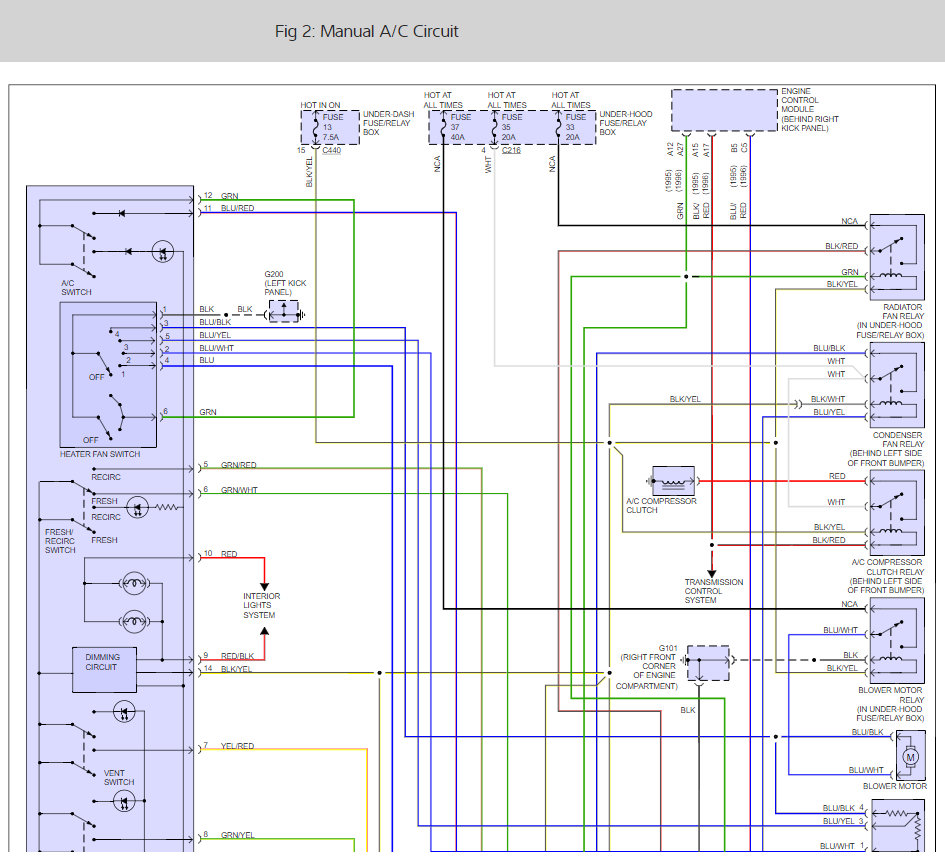
The A/C control button had no power. The fuses are good but no lights on button and no fan running. Any idea?
Wednesday, September 20th, 2017 AT 3:41 AM

1 Reply

Tiny
KEN L
  • MASTER CERTIFIED MECHANIC
  • 55,488 POSTS
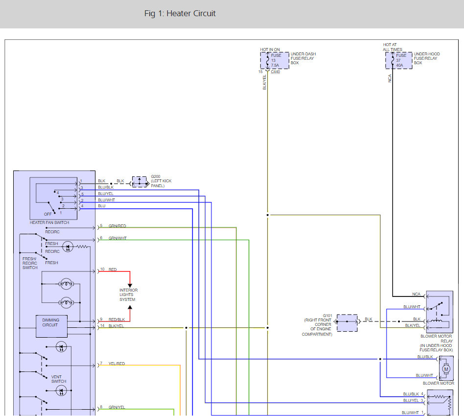
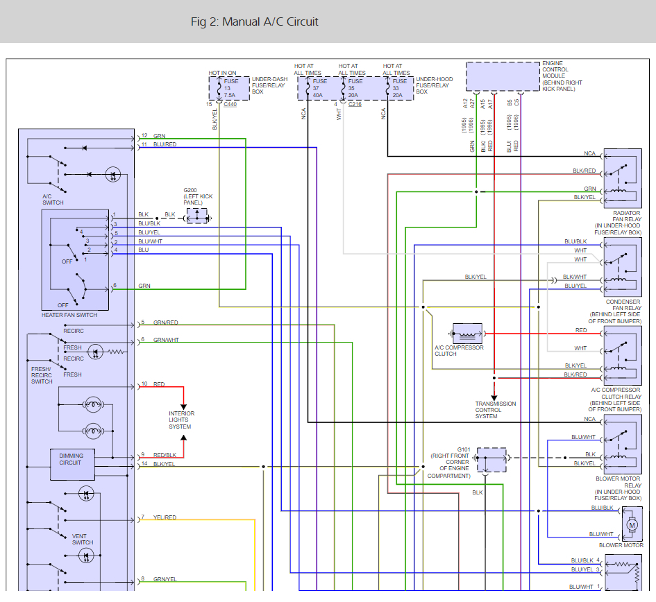
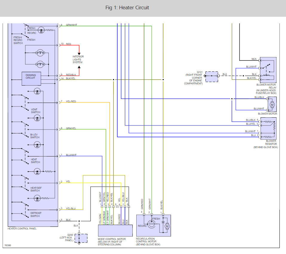
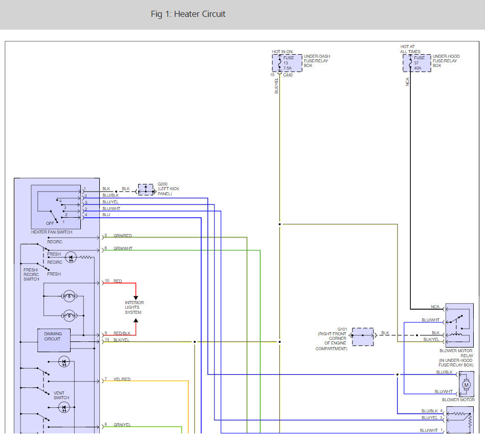
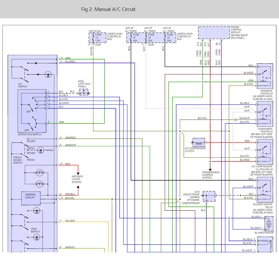
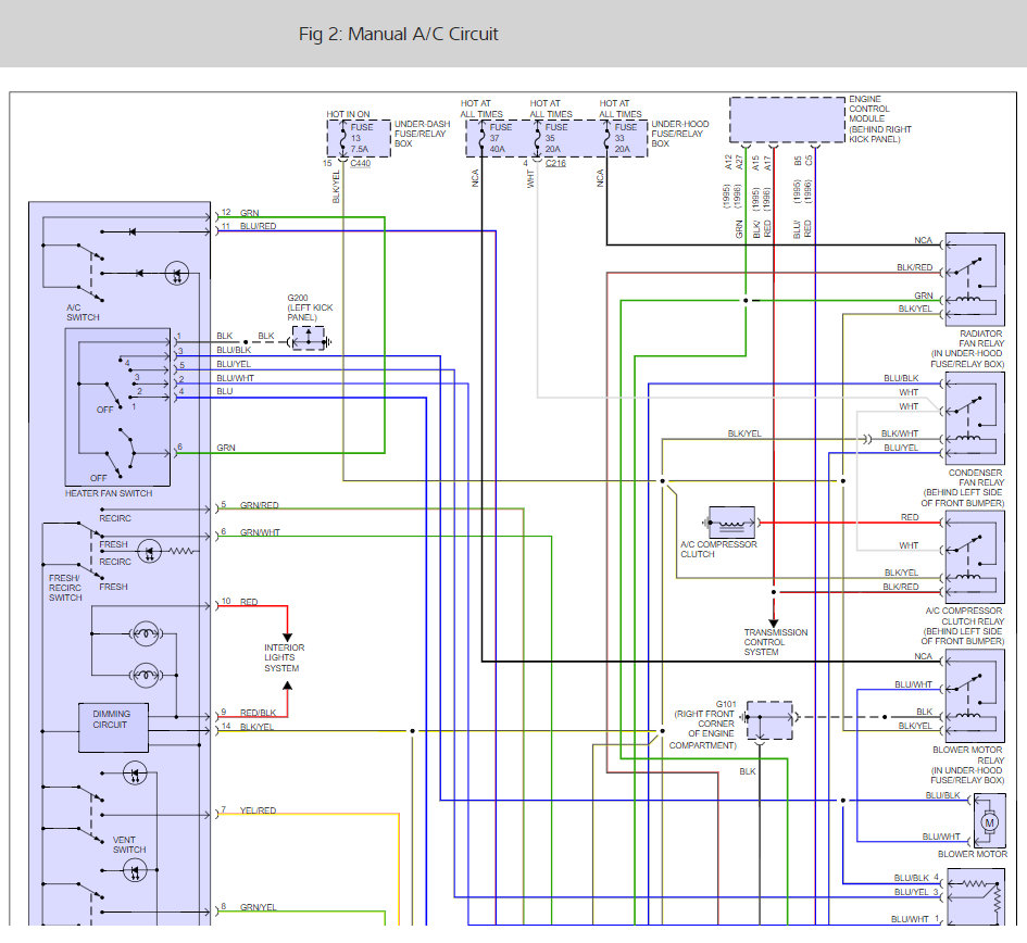
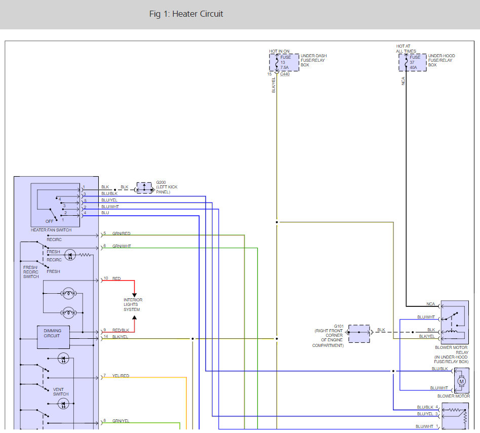
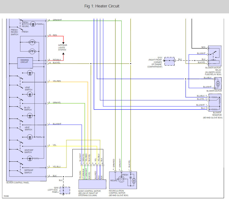
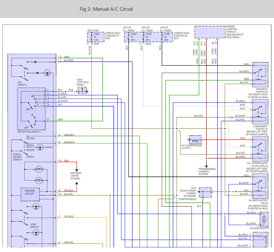
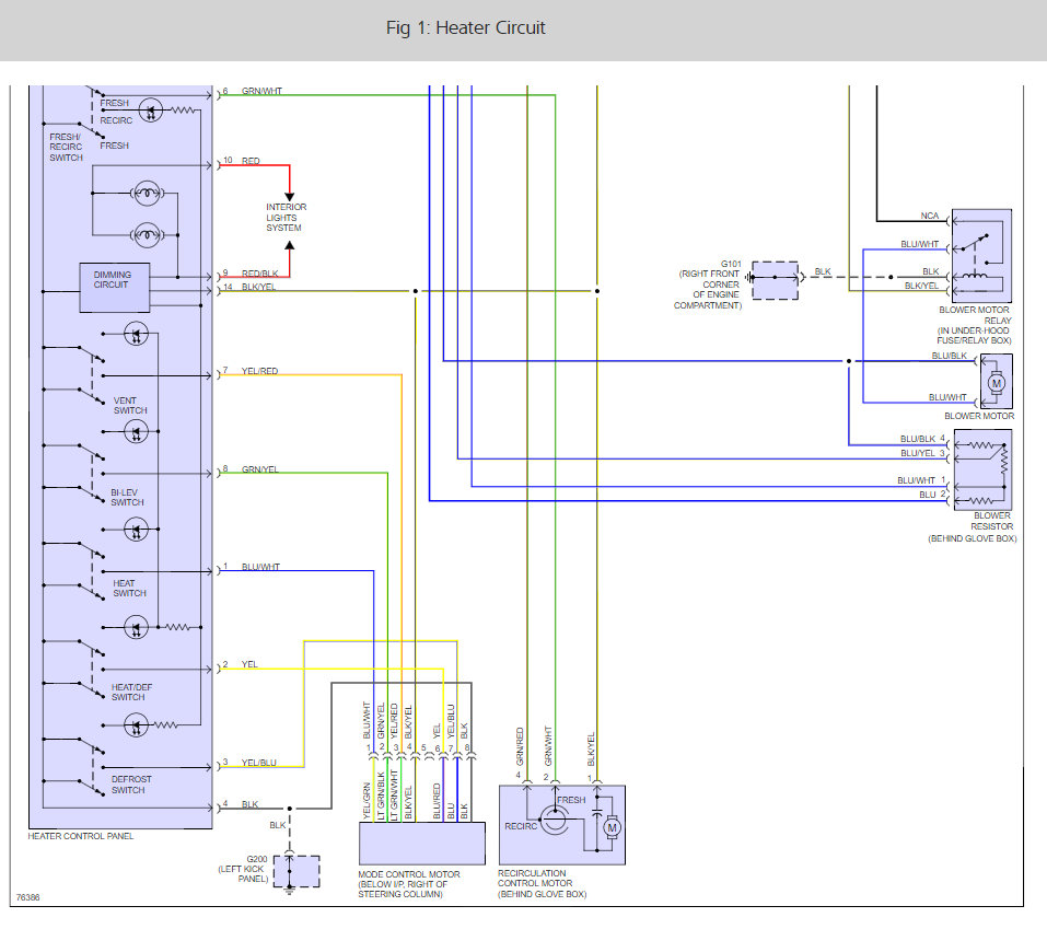
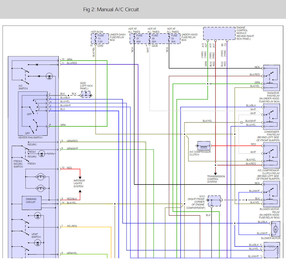
It sounds like you still might have a fuse out because there are several that run the system. If they are okay then there is a control relay that can be out.

Here are some guides and diagrams so we can do some simple testing and get the problem fixed:

https://www.2carpros.com/articles/how-to-check-a-car-fuse

and

https://www.2carpros.com/articles/how-to-check-an-electrical-relay-and-wiring-control-circuit

and

https://www.2carpros.com/articles/how-to-use-a-test-light-circuit-tester

Check to see where you lose the power.

Was this
answer
helpful?
Yes
No
Thursday, September 21st, 2017 AT 11:57 AM

Please login or register to post a reply.