HVAC (heater AC) wiring diagrams please?

Tiny
ALENA VILLA
  • MEMBER
  • 2014 CHEVROLET SILVERADO
  • 5.3L
  • V8
  • 4WD
  • AUTOMATIC
  • 70,000 MILES
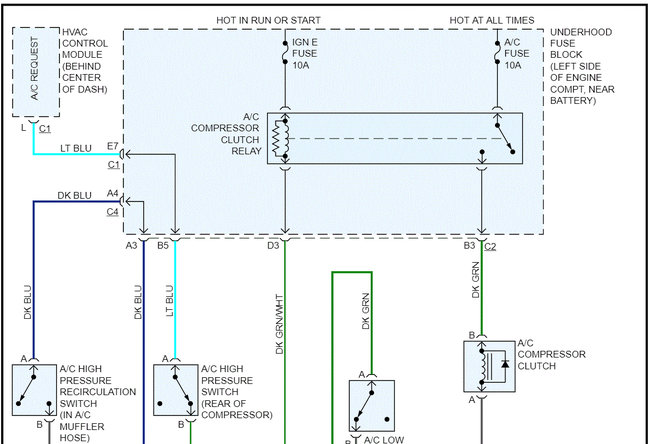
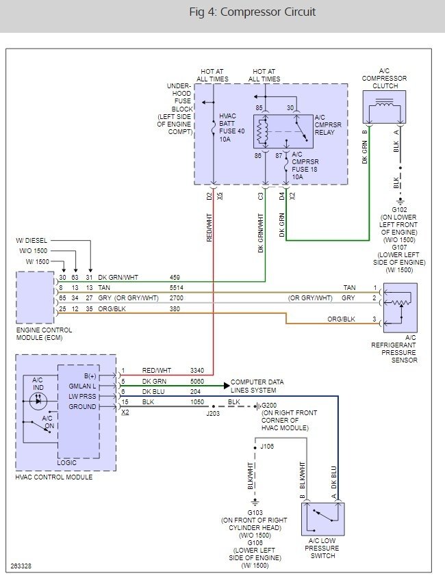
Have an issue with A/C not working. So far I’ve checked fuses, relay, changed the compressor with new one, replaced the pressure switch at the compressor, done a Freon flush and refill. A/C is still not working, would appreciate any tips as to what else could be causing the problem. Thanks!
Saturday, April 3rd, 2021 AT 11:12 AM

34 Replies

Tiny
ASEMASTER6371
  • MECHANIC
  • 52,796 POSTS
Good morning,

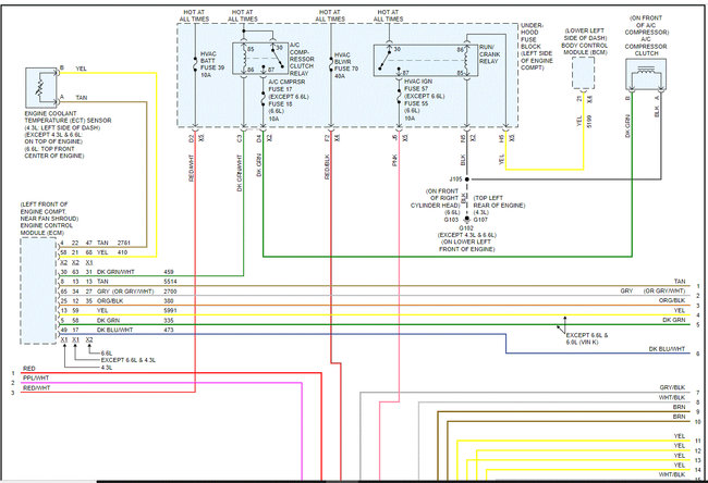
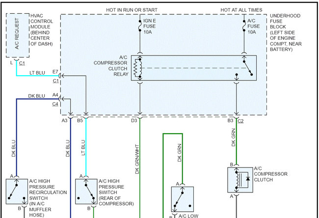
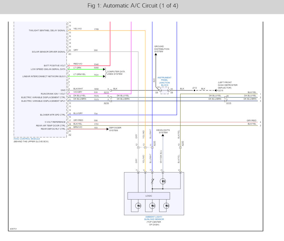
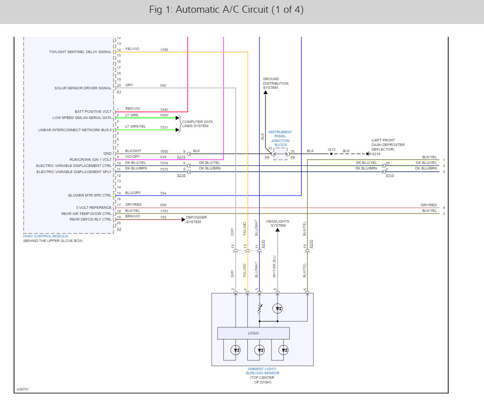
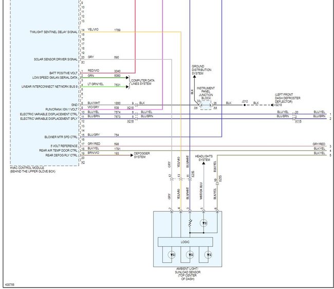
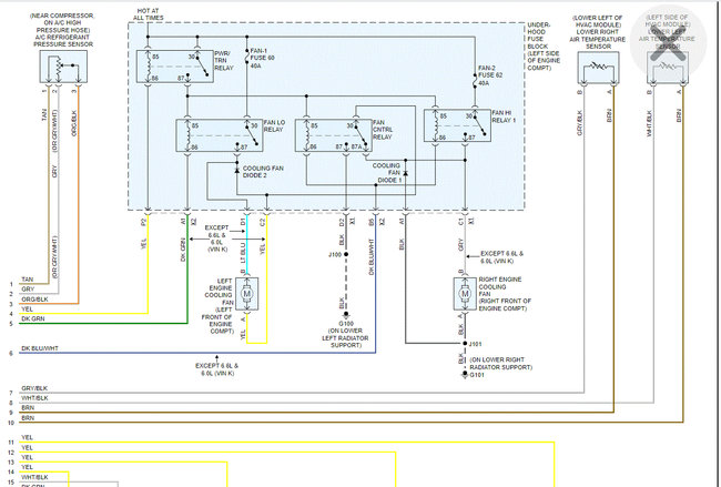
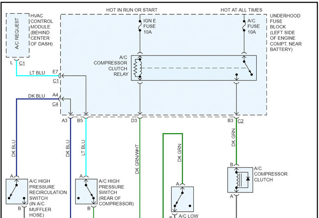
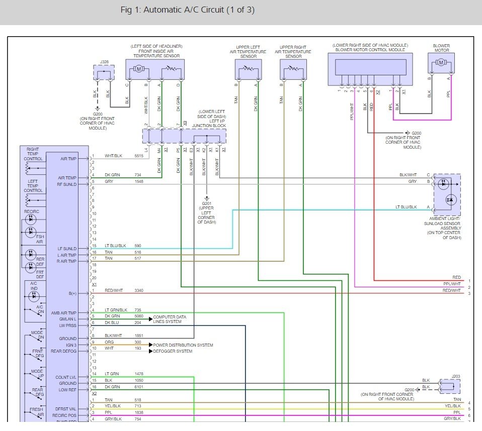
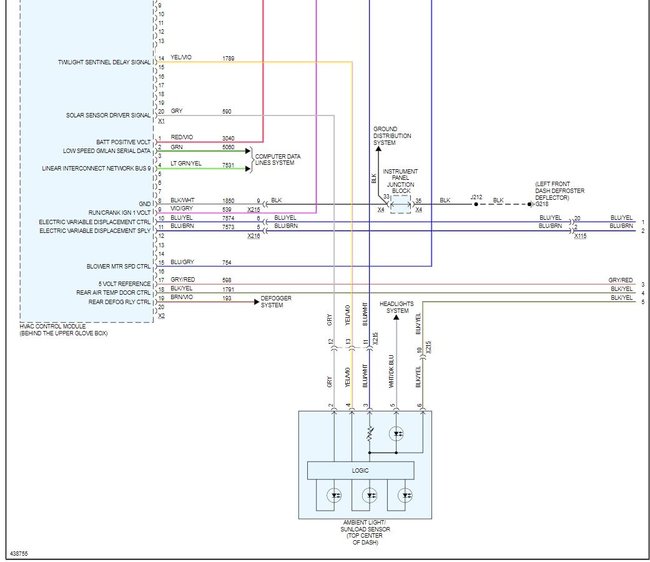
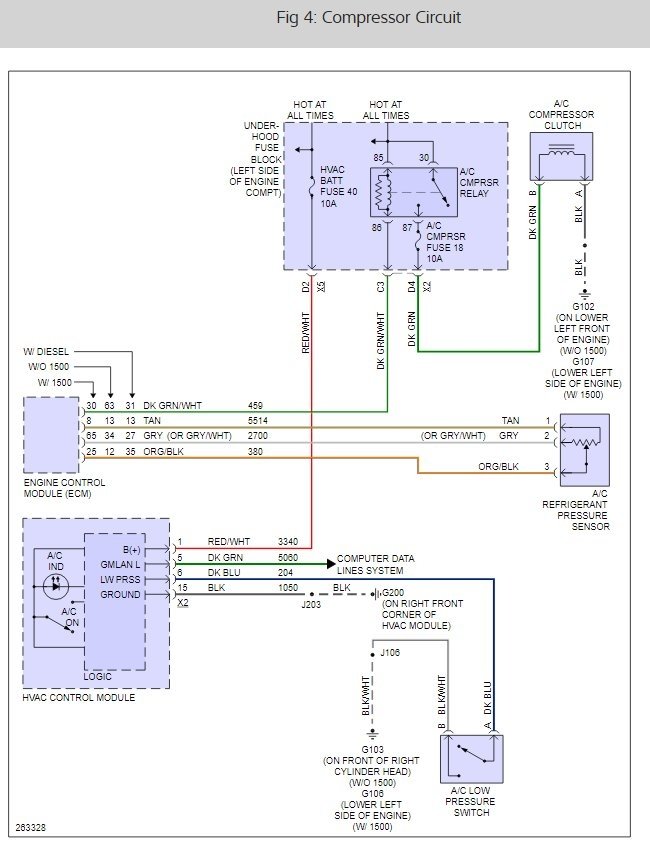
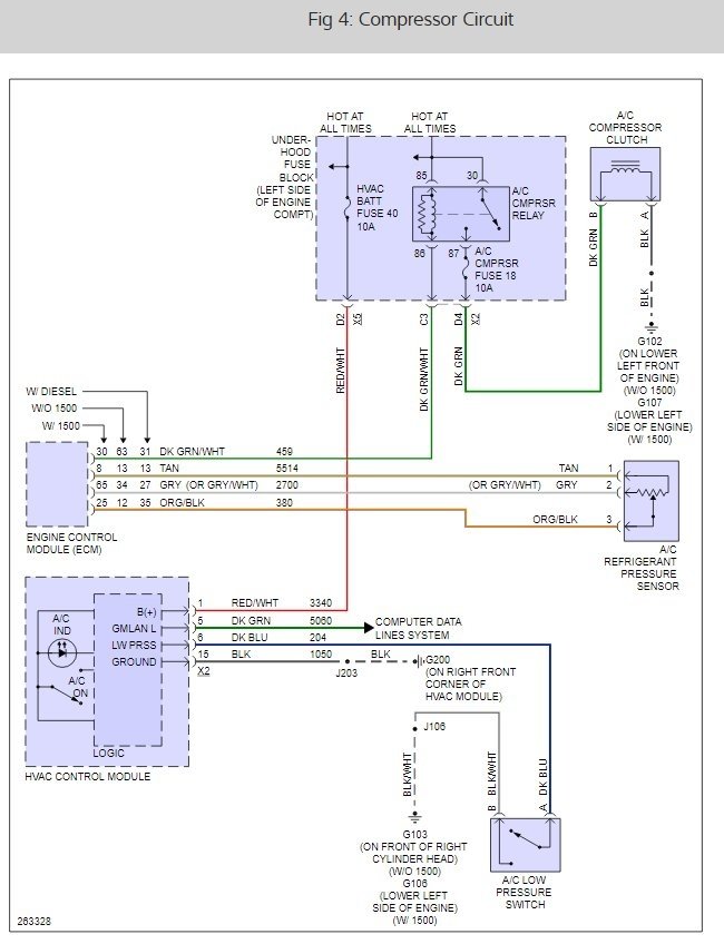
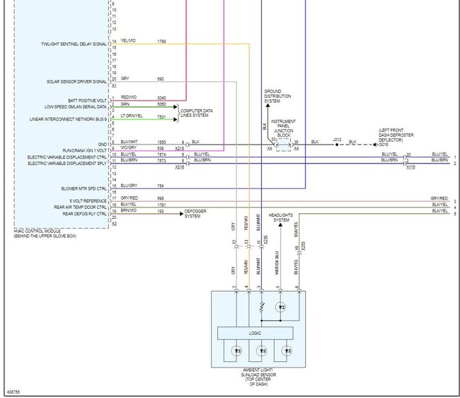
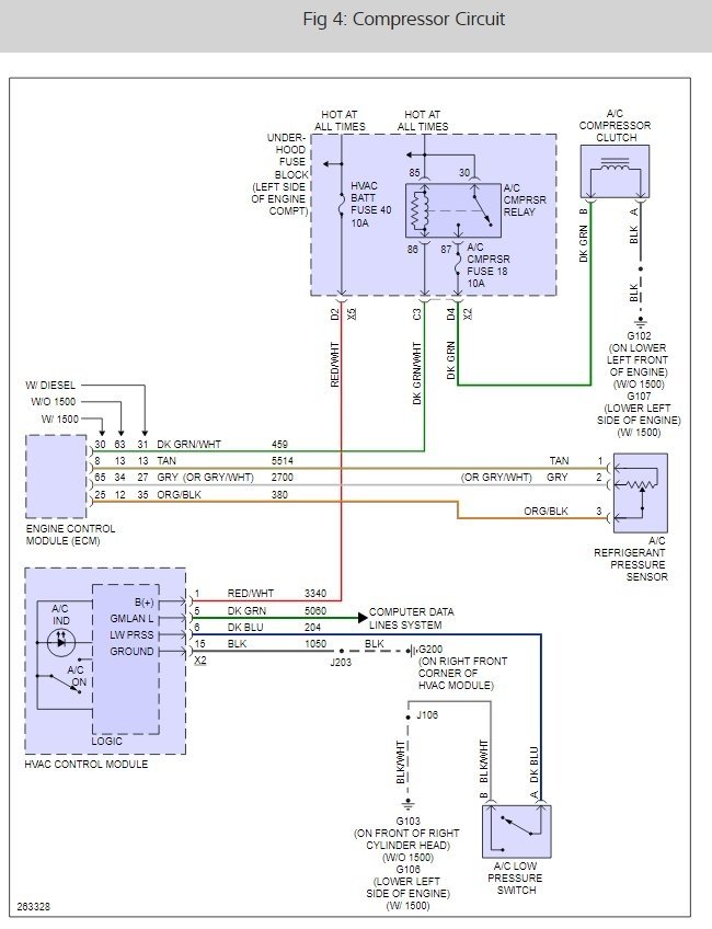
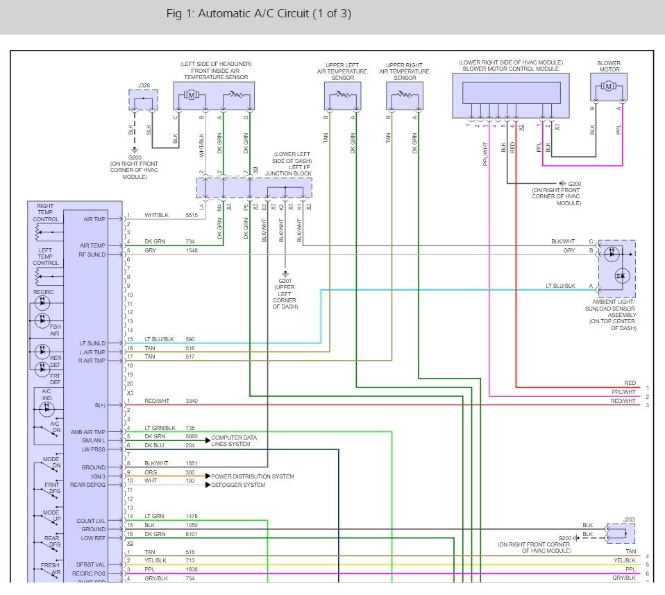
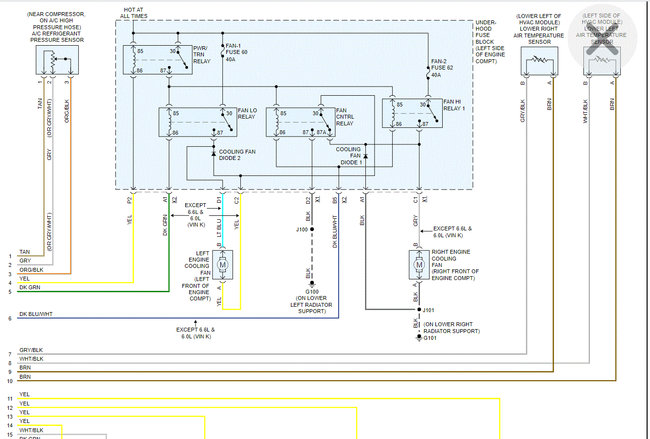
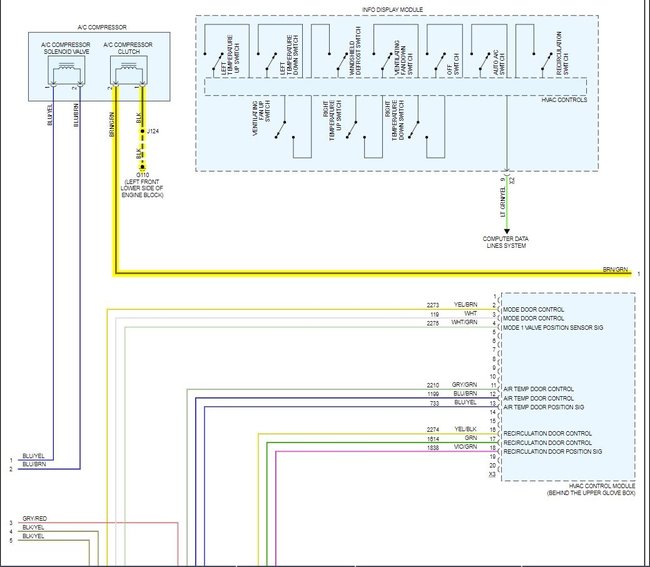
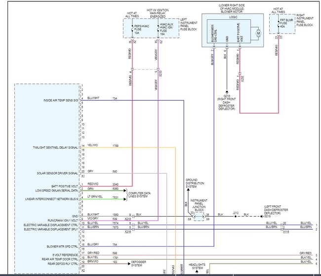
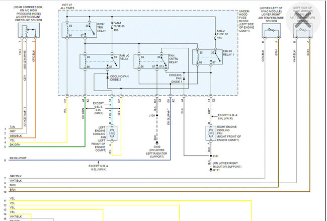
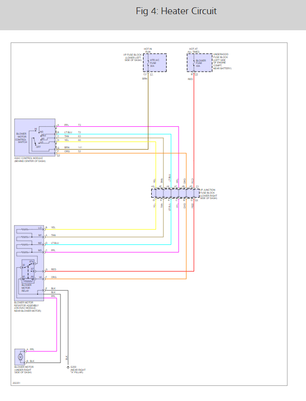
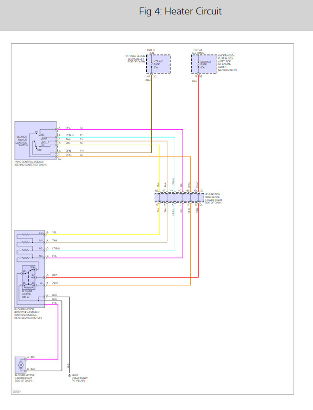
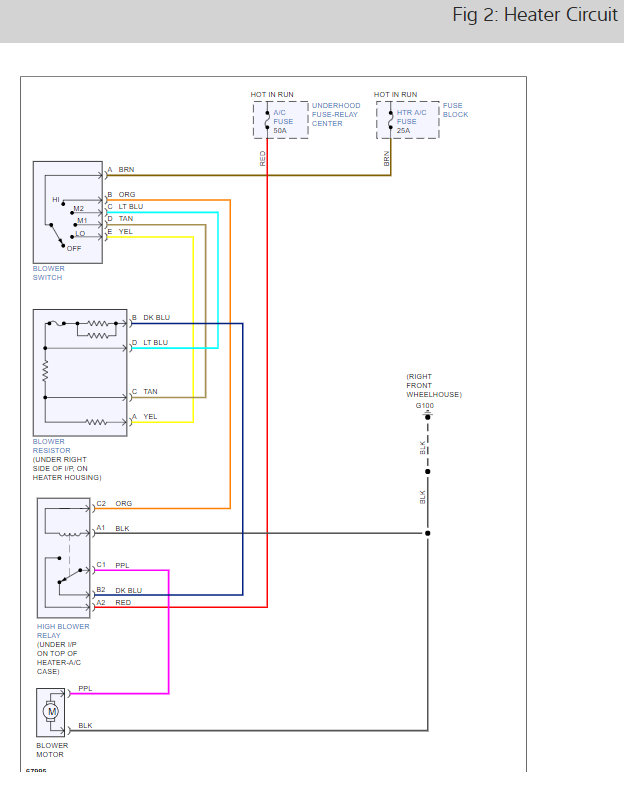
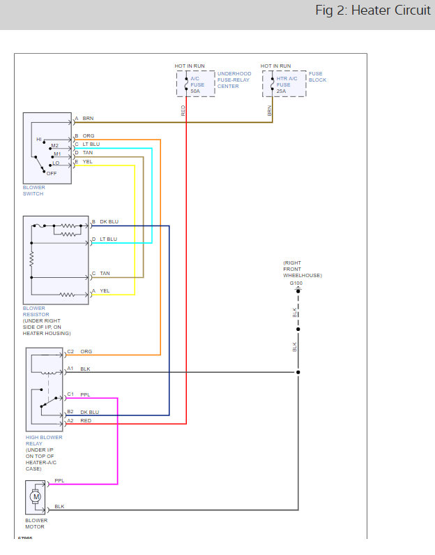
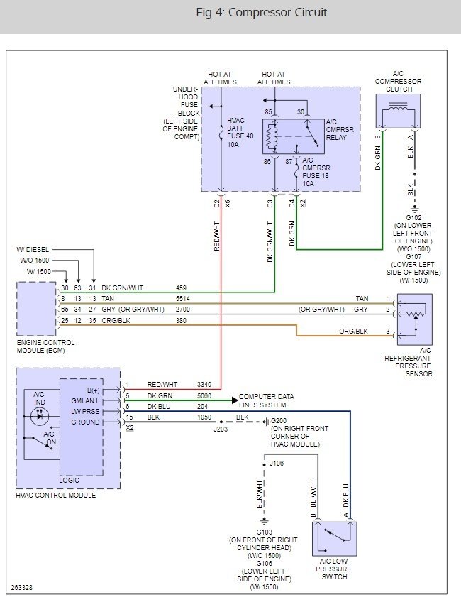
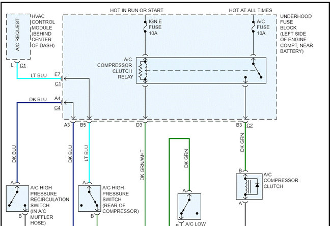
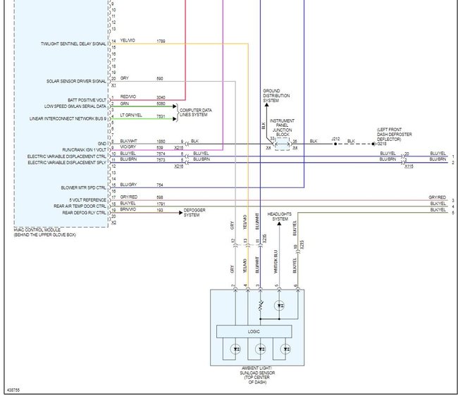
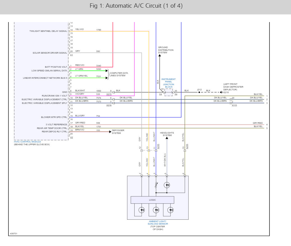
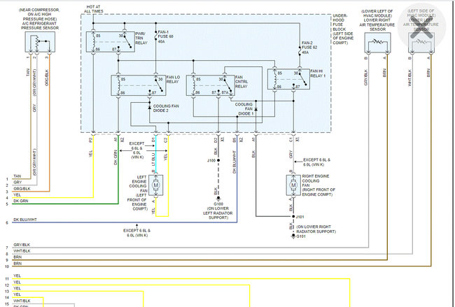
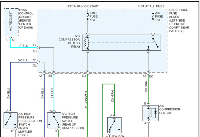
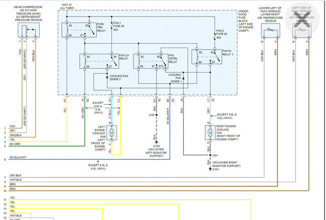
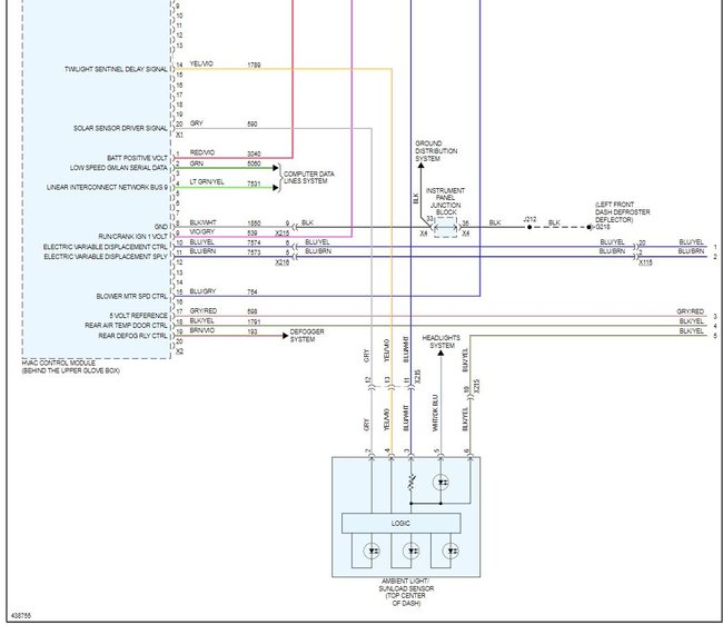
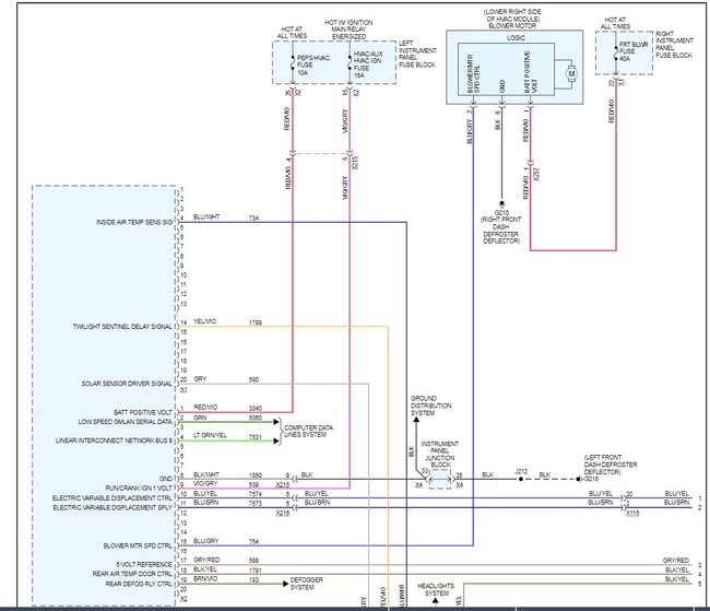
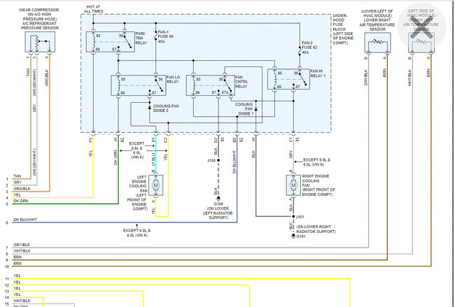
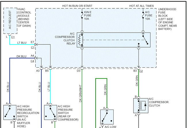
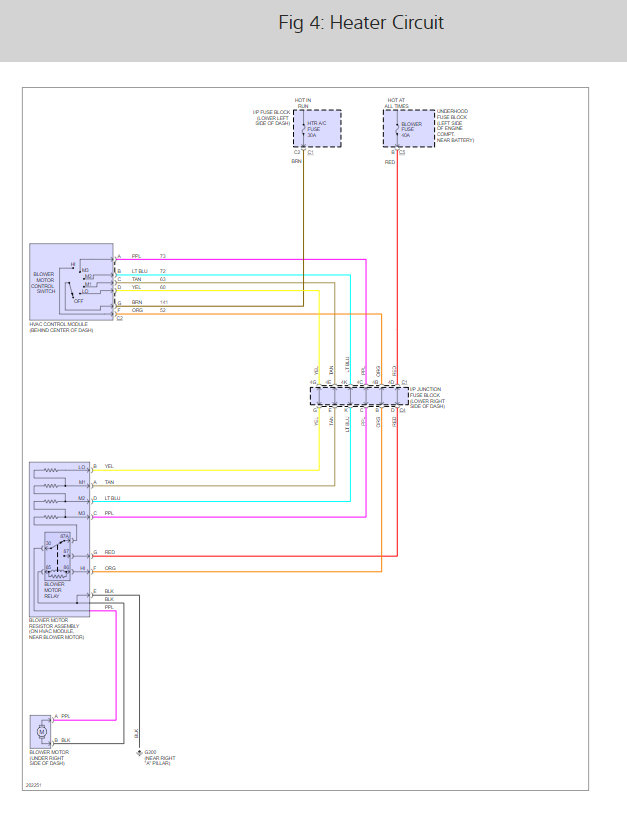
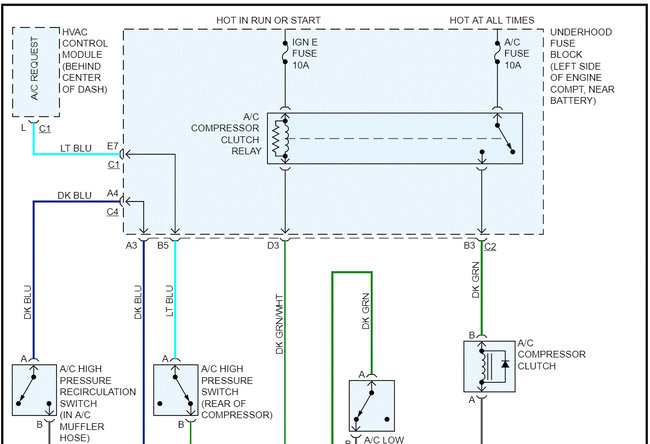
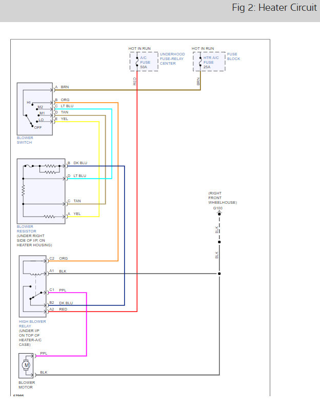
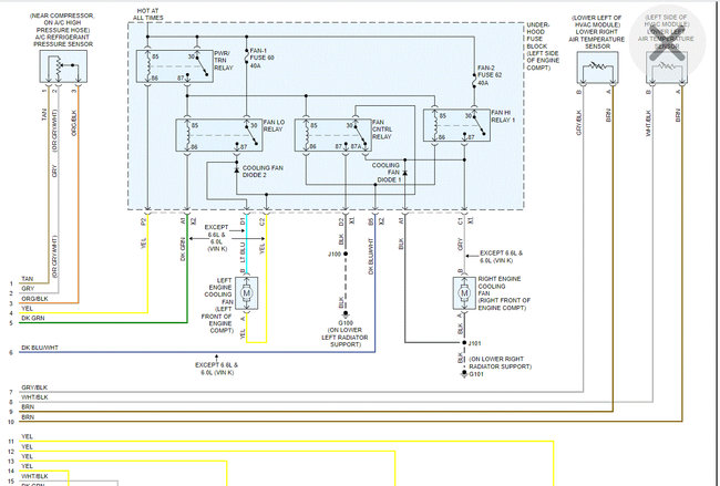
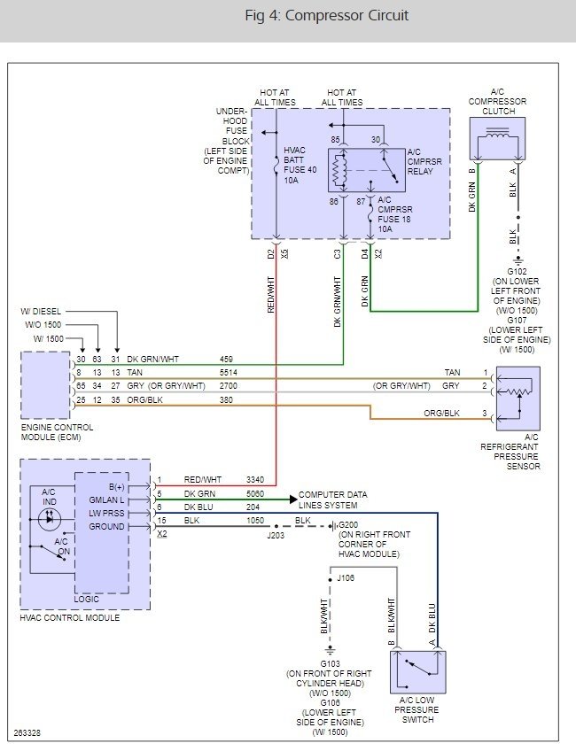
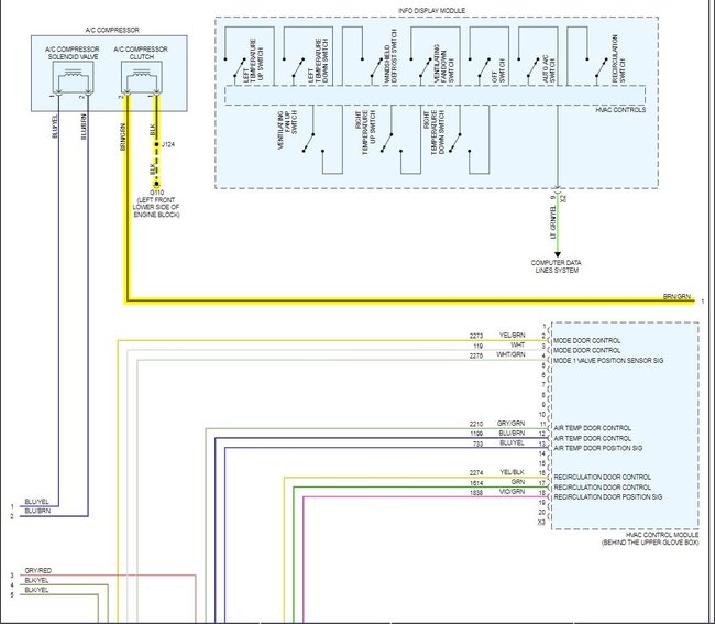
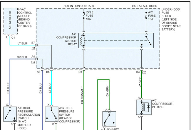
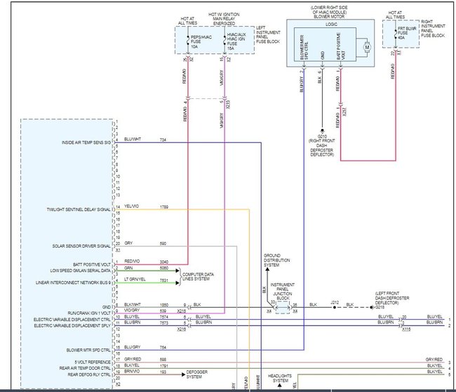
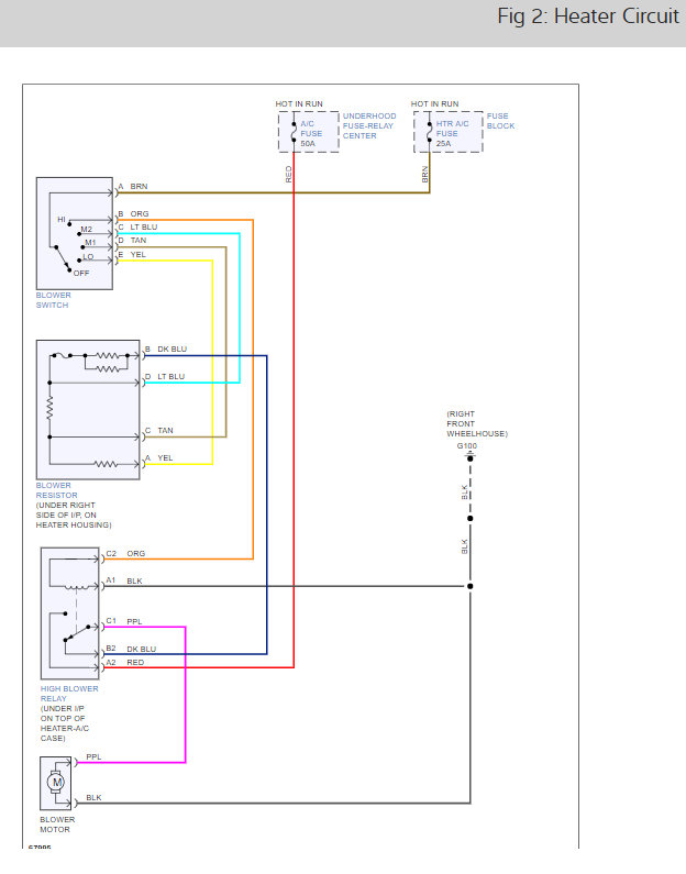
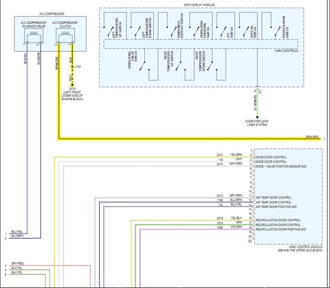
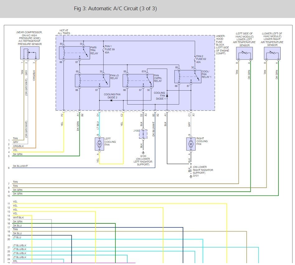
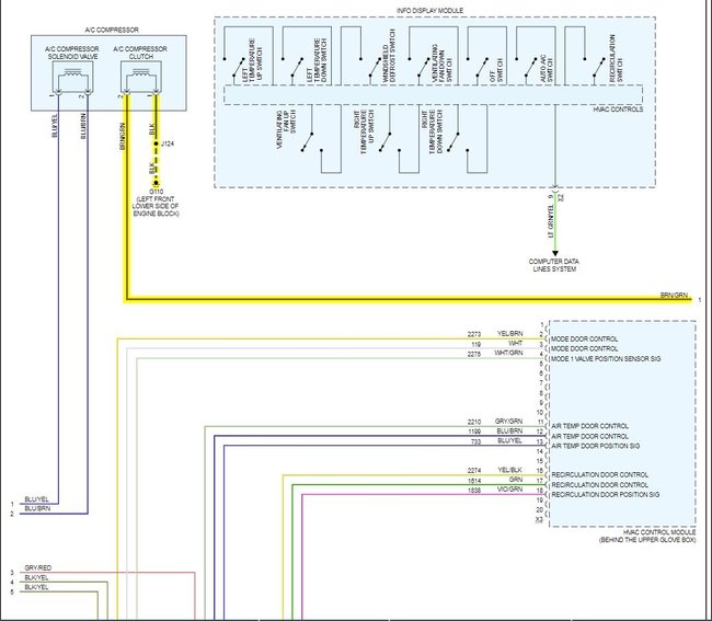
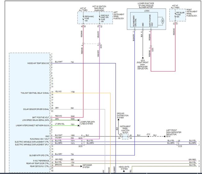
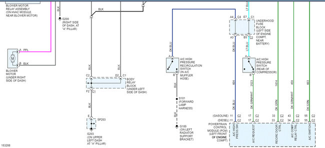
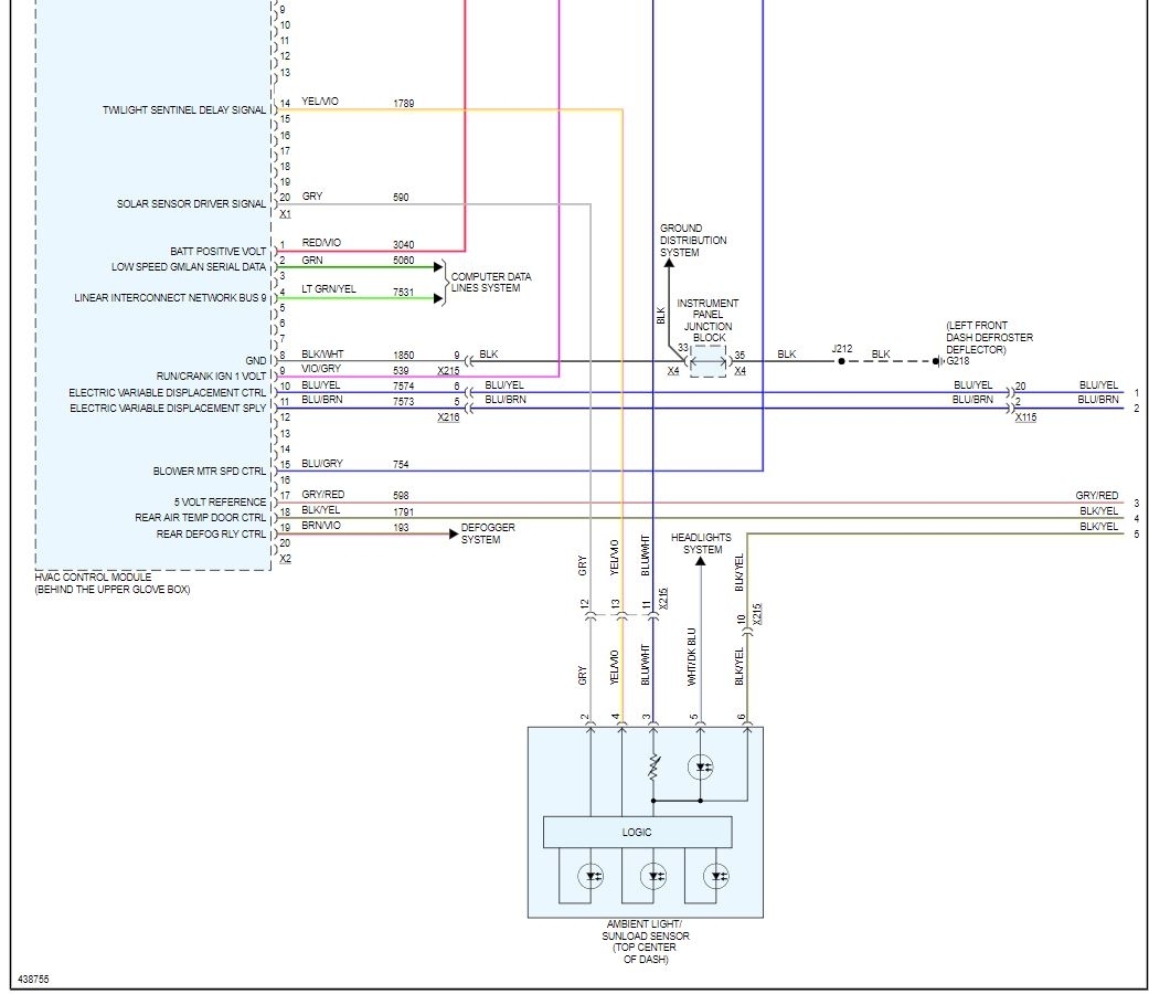
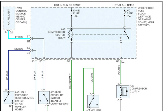
I attached a wiring diagram for you for the A/C system. Check the fuses for power on both sides.

https://www.2carpros.com/articles/how-to-check-wiring

and

https://www.2carpros.com/articles/how-to-check-an-electrical-relay-and-wiring-control-circuit

You need to test pressures as well. You need at least 25 pounds for the system to turn on.

https://www.2carpros.com/articles/car-air-conditioner-not-working-or-is-weak

and

https://www.2carpros.com/articles/how-to-check-wiring

Check out the diagrams (Below). Let us know what happens and please upload pictures or videos of the problem.
Was this
answer
helpful?
Yes
No
+4
Sunday, April 4th, 2021 AT 7:06 AM
Tiny
CHRCRAZ
  • MEMBER
  • 1 POST
  • 2012 CHEVROLET SILVERADO
  • 5.3L
  • V8
  • 2WD
  • AUTOMATIC
  • 155,000 MILES
So when I first start the truck AC/heat blows fine, but after about 10 to 15 minutes I am getting little to no air. But it sounds like the windows are down and you can hear the fan blowing but barely anything coming out. If I turn off the A/C for about 5 to 10 minutes everything normal again for another 10 to 15 minutes. I have replaced the blend door actuator and nothing has changed. Please help. Thank you
Was this
answer
helpful?
Yes
No
Friday, April 30th, 2021 AT 12:36 PM (Merged)
Tiny
ASEMASTER6371
  • MECHANIC
  • 52,796 POSTS
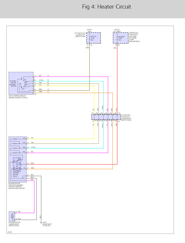
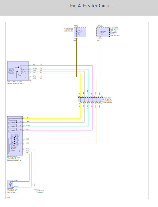
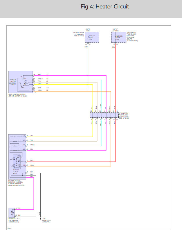
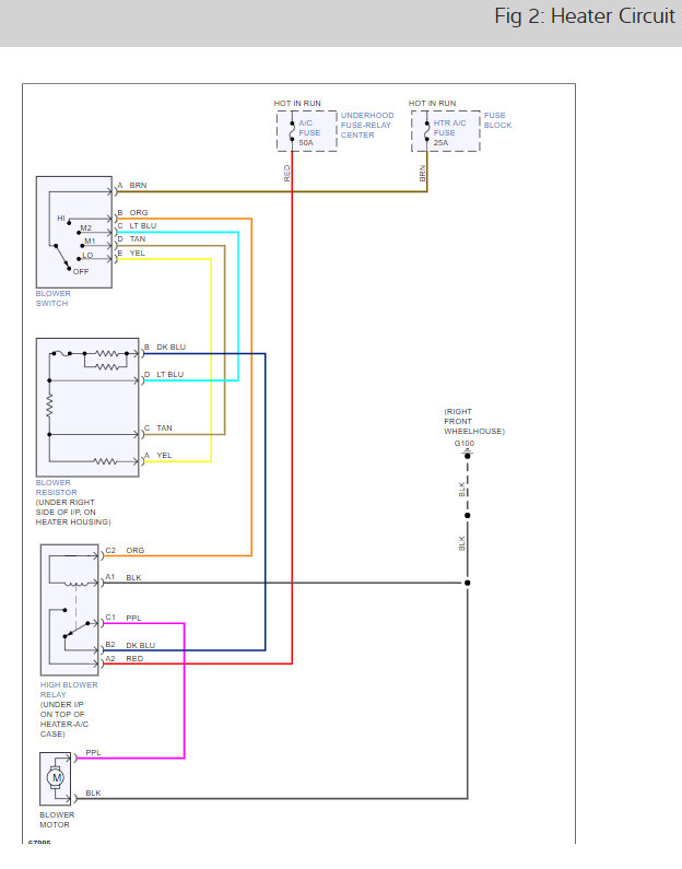
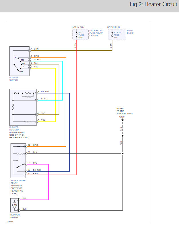
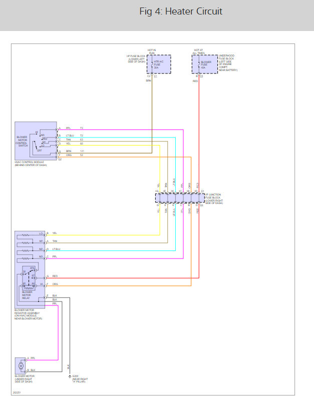
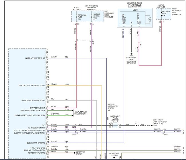
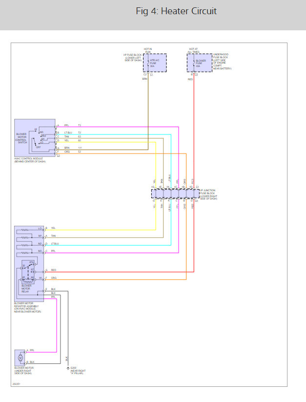
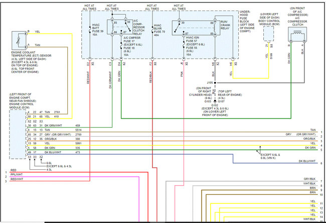
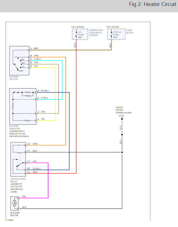
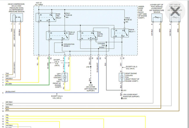
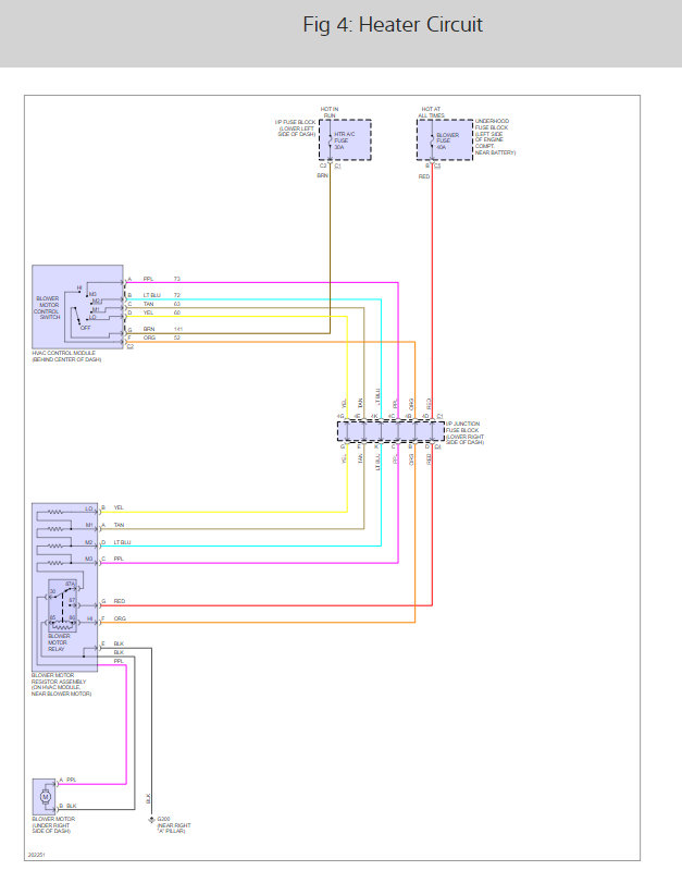
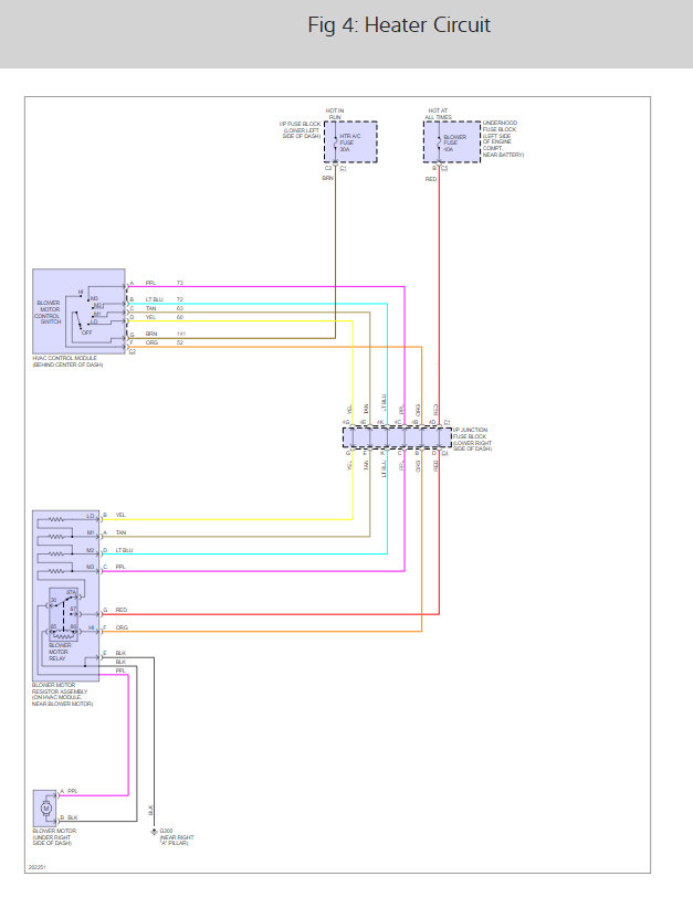
It sounds like the blower control module is out but to be sure this guide can help you check the power and ground and I have included the air conditioner and heater wiring diagrams below.

https://www.2carpros.com/articles/blower-fan-motor-works-on-high-speed-only

and

https://www.2carpros.com/articles/how-to-check-wiring

Check out the diagrams (Below). Let us know what happens and please upload pictures or videos of the problem.
Was this
answer
helpful?
Yes
No
Friday, April 30th, 2021 AT 12:36 PM (Merged)
Tiny
DANTE DELANEY
  • MEMBER
  • 1 POST
  • 2008 CHEVROLET SILVERADO
  • 6.6L
  • V8
  • TURBO
  • 4WD
  • AUTOMATIC
  • 100,000 MILES
Looking for automatic climate control pinout for 07-13 Chevrolet Silverado.
Was this
answer
helpful?
Yes
No
Friday, April 30th, 2021 AT 12:36 PM (Merged)
Tiny
JACOBANDNICKOLAS
  • MECHANIC
  • 110,192 POSTS
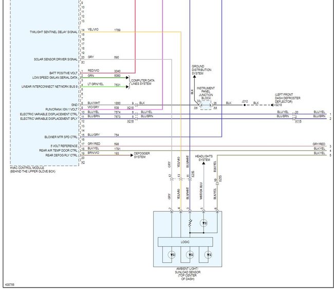
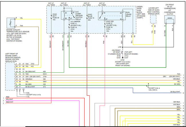
I attached three pics below for an 2008. Let me know if they help. Also, let me know if there is something you can't see/read because of size.

https://www.2carpros.com/articles/how-to-check-wiring

If you look below, I reattached the schematics. I cut the pics in half to make them more readable, but I did overlap them so you can follow from one to the next.
I hope this helps.

Take care,

Joe
Was this
answer
helpful?
Yes
No
Friday, April 30th, 2021 AT 12:36 PM (Merged)
Tiny
BRIAN RHINEHEIMER
  • MEMBER
  • 1 POST
  • 2007 CHEVROLET SILVERADO
  • 6.6L
  • V8
  • TURBO
  • 4WD
  • AUTOMATIC
  • 133,000 MILES
A/C fuse is dead on hot side. I put a fused wire in the fuse and hooked to positive post of battery. Air works fine, clutch engaged. Why would that fuse be dead? Relay is good.
Was this
answer
helpful?
Yes
No
Friday, April 30th, 2021 AT 12:36 PM (Merged)
Tiny
KEN L
  • MASTER CERTIFIED MECHANIC
  • 55,141 POSTS
Hello,

I have found the wiring diagrams (below) for you so you can do some testing. Here is a guide that will help you check for power and ground triggers to see where the failure is happening.

https://www.2carpros.com/articles/how-to-use-a-test-light-circuit-tester

Please run some tests and get back to us so we can continue helping you.

Cheers, Ken
Was this
answer
helpful?
Yes
No
Friday, April 30th, 2021 AT 12:36 PM (Merged)
Tiny
BRUCERUTH1988
  • MEMBER
  • 1 POST
  • 2005 CHEVROLET SILVERADO
  • 6.6L
  • V8
  • TURBO
  • 4WD
  • AUTOMATIC
  • 213,000 MILES
I have changed the drivers side (lower) blend door actuator and no change.
I took the old one apart and applied 9.6 volts (all I had) to the motor and it runs in both directions. The gear set is not damaged.
I removed the new blend door actuator from the plenum and just let it hang on the wiring harness while plugged in to see if it moves when changing the selector. It does not. When I change the passenger side control I can hear it move. I connected the old actuator to the harness and same issue. No movement. Am I looking at a climate control module issue? Thanks
Was this
answer
helpful?
Yes
No
-1
Friday, April 30th, 2021 AT 12:36 PM (Merged)
Tiny
KEN L
  • MASTER CERTIFIED MECHANIC
  • 55,141 POSTS
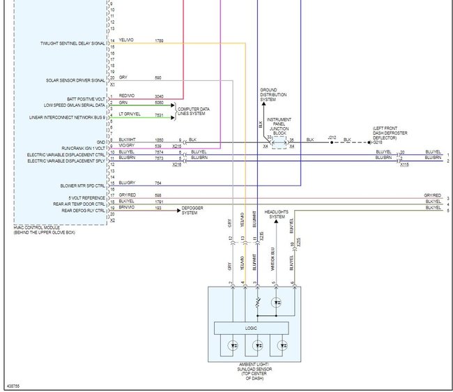
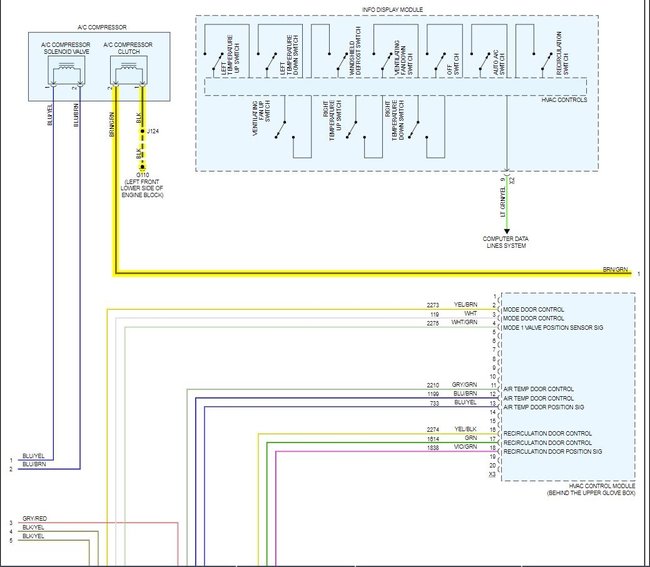
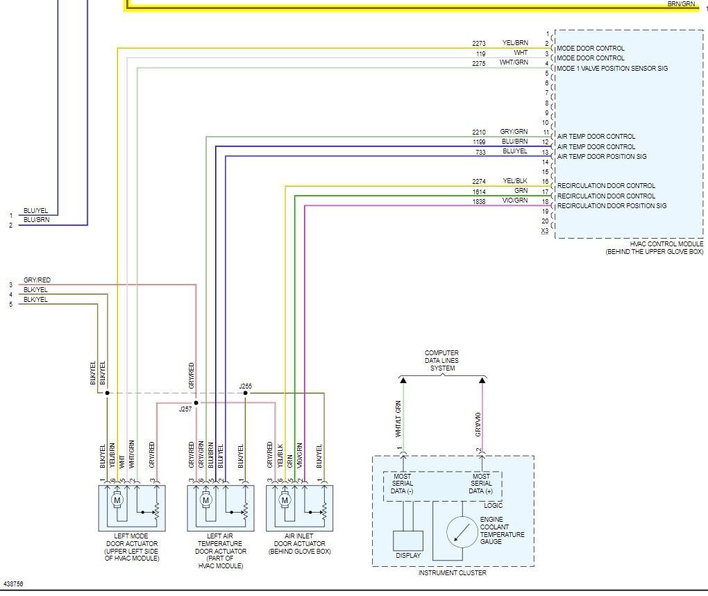
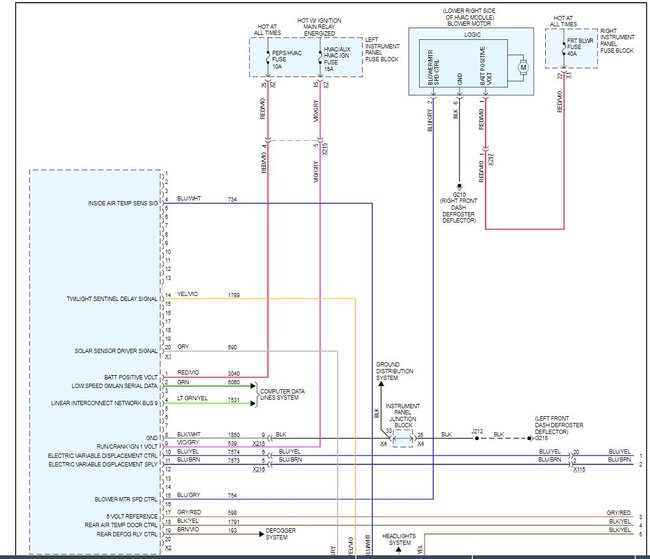
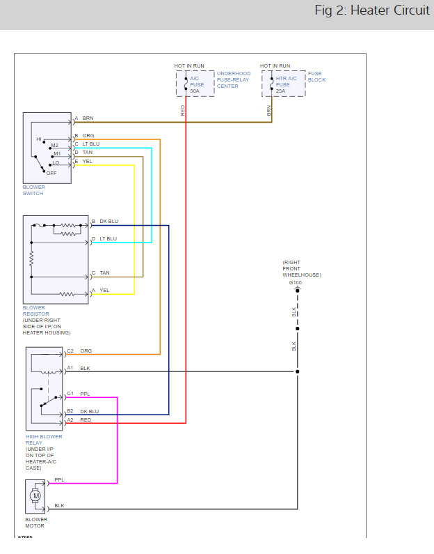
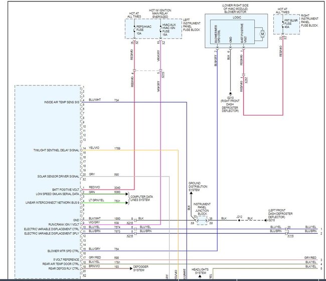
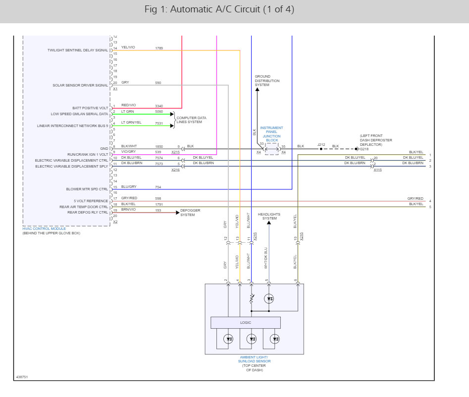
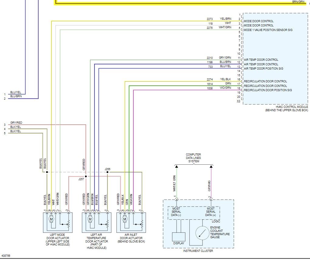
The system may need to be calibrated which is done by removing the HVAC fuse. Here is the wiring diagrams for the climate control so you can see how the system works and to check the connections before changing out the control head:

https://www.2carpros.com/articles/how-to-check-wiring

Check out the diagrams (below). Please let us know what you find. We are interested to see what it is.
Was this
answer
helpful?
Yes
No
Friday, April 30th, 2021 AT 12:36 PM (Merged)
Tiny
BERJANE
  • MEMBER
  • 2 POSTS
  • 2005 CHEVROLET SILVERADO
  • 4.3L
  • V6
  • 2WD
  • AUTOMATIC
  • 45,000 MILES
A/C blows hot air, when I reached under and wiggled relay, started working, then next time, did not.
Was this
answer
helpful?
Yes
No
Friday, April 30th, 2021 AT 12:36 PM (Merged)
Tiny
HMAC300
  • MECHANIC
  • 48,601 POSTS
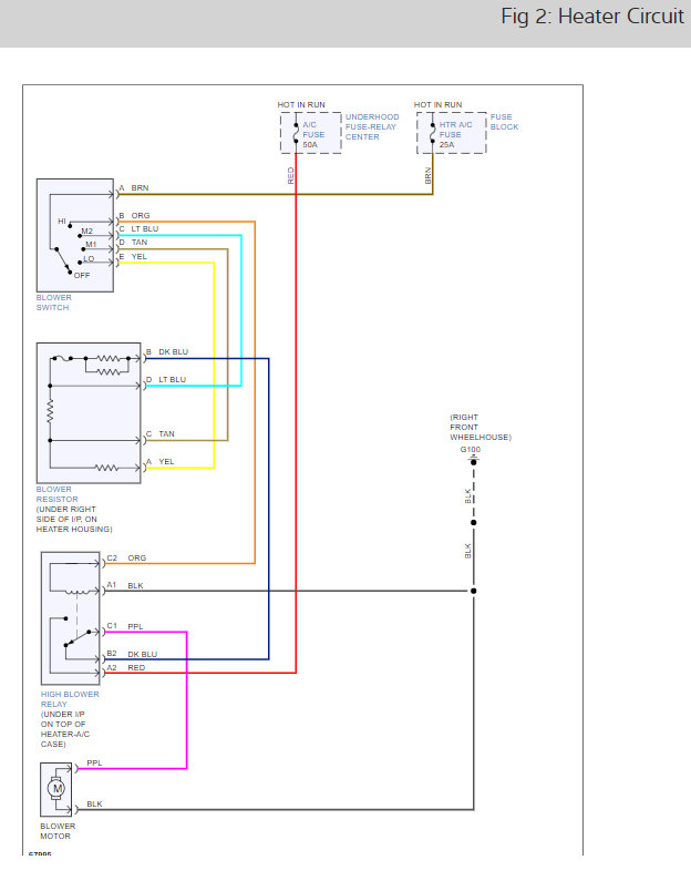
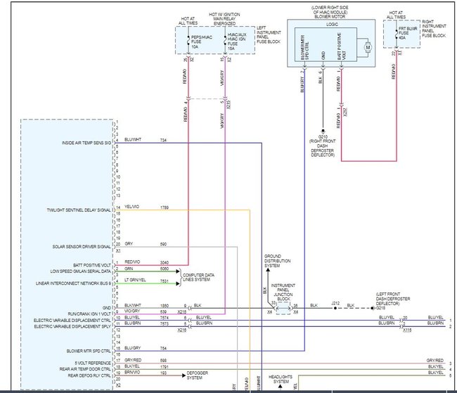
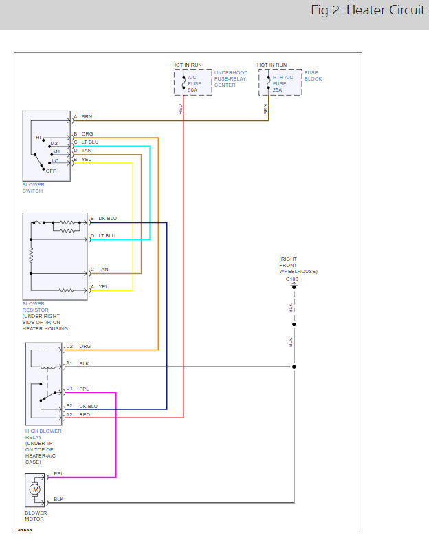
Pull HVAC fuse inside truck with key on for sixty seconds it may reset actuator. May also be a bad relay connection. Then see if actuator is getting power or not. One other thing if this truck blower quits while driving it may have the harness burnt up. Here are the air conditioner wiring diagrams so you can see how the system works.
Was this
answer
helpful?
Yes
No
Friday, April 30th, 2021 AT 12:36 PM (Merged)
Tiny
BERJANE
  • MEMBER
  • 2 POSTS
Thank you so much, I pulled HVAC fuse for a couple minutes with key on and A/C
works now!
Was this
answer
helpful?
Yes
No
-1
Friday, April 30th, 2021 AT 12:36 PM (Merged)
Tiny
BODON
  • MEMBER
  • 1 POST
  • 2004 CHEVROLET SILVERADO
  • 5.3L
  • V8
  • 4WD
  • AUTOMATIC
  • 160,000 MILES
My truck started blowing hot air out of driver's vents and cold out of passenger side.
I have tried 4 actuators, 3 dash control modules all with no luck. I found an article on the web somewhere (before I found your site) that gave the voltage outputs for the actuator and discovered that I had no (12 volt) ignition voltage. I did have the (5 volt) reference and the (2.5 volt) out of the motor control. So I used a jumper wire to the 12 volt pin and it now works.
Since I have the dash apart I would like to see the complete wiring harness and where it comes from as I may change out the whole harness.
I'm just OCD, I can't help it. It's working but I want it right.
If possible a picture of the harness and where it plugs into would be great. And the the wiring diagram for the actuators.
Thank you,
Bodon
Was this
answer
helpful?
Yes
No
Friday, April 30th, 2021 AT 12:36 PM (Merged)
Tiny
KASEKENNY
  • MECHANIC
  • 18,907 POSTS
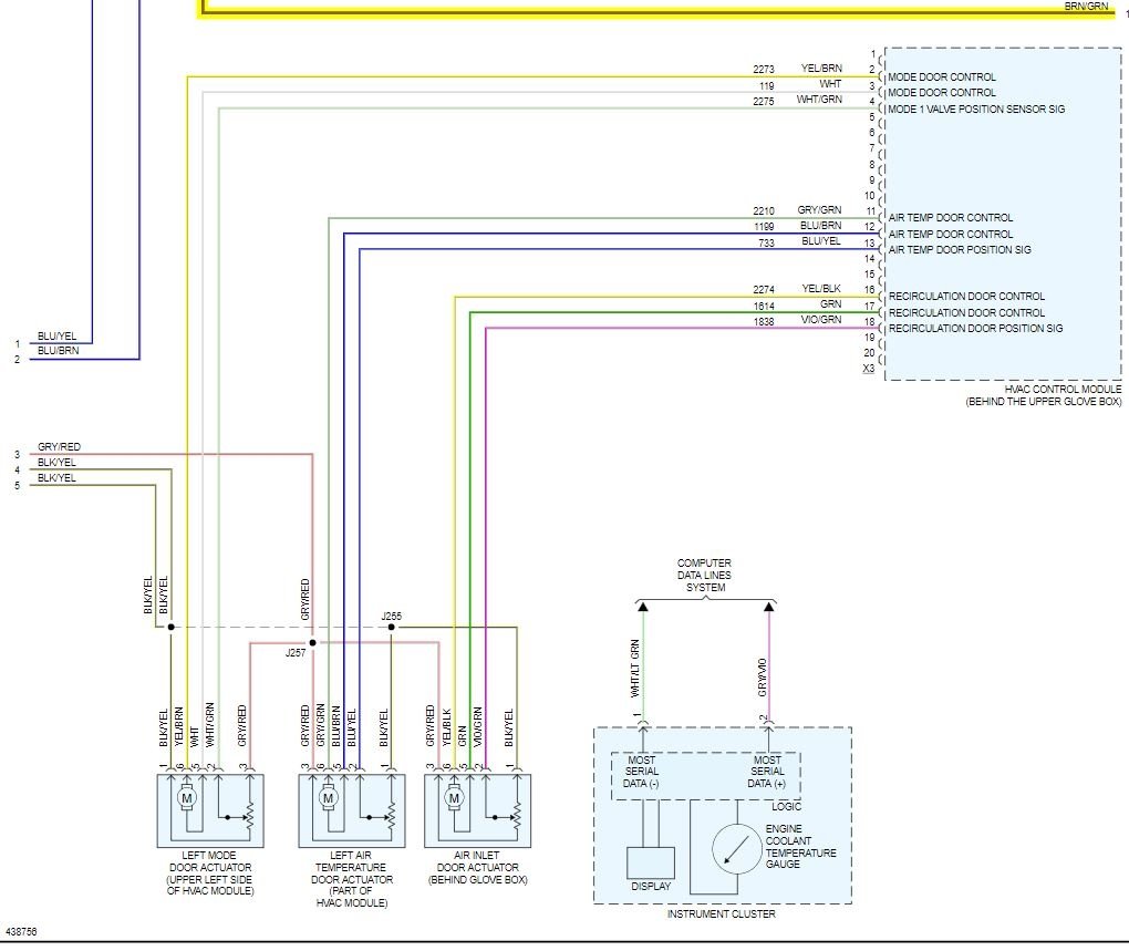
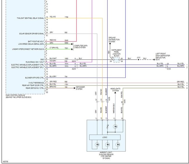
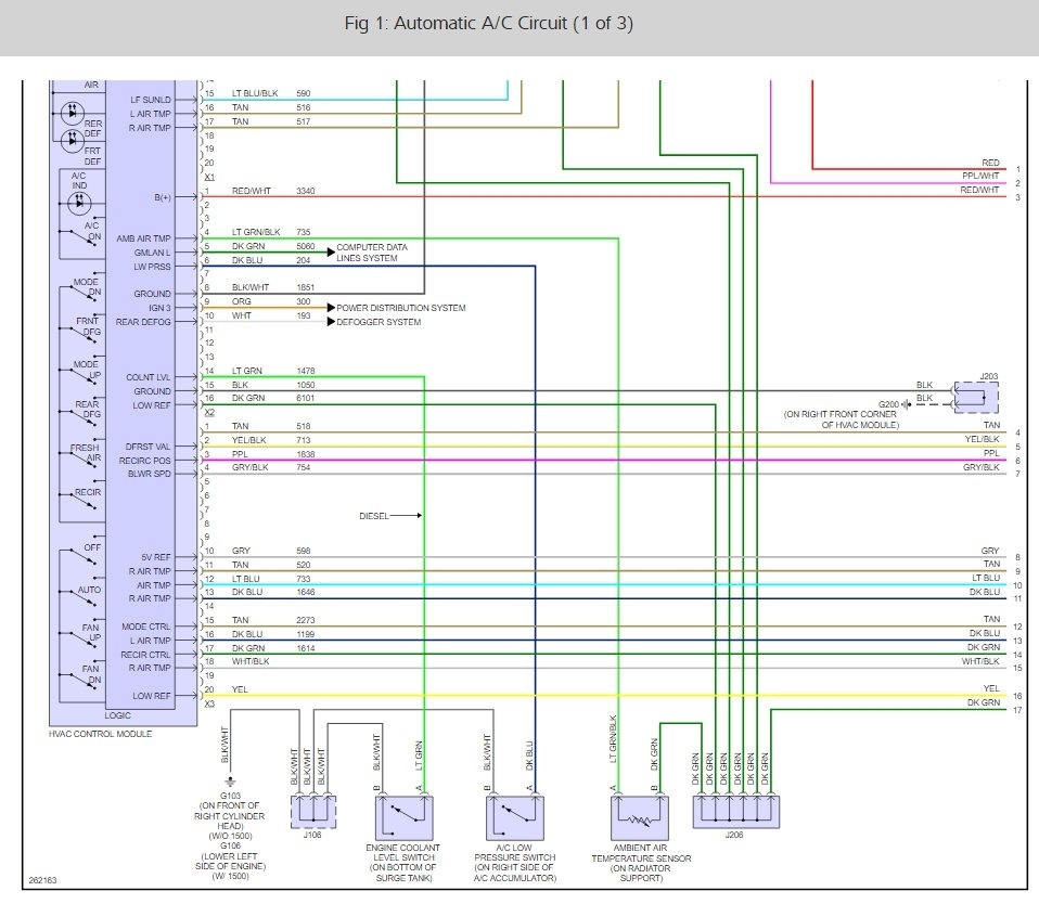
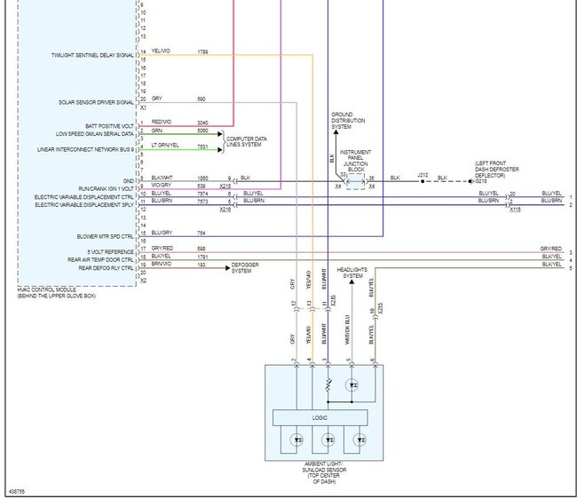
Which wire did you apply the 12 volts too? If you take a look at the wiring diagram below you will see that there are control wires for each actuator, low ref (ground return), 5 volt supply coming from the module.

If you applied 12 volts to one of them then all that did was send the actuator to one side or the other. The way that works is, if there is low voltage on one side the door swings one way and then it applies it to the other side to get the door to swing the other way.

So even if you left it this way, the blend door would not change from that full position and it would blow hot air. You need the control module to be able to vary this voltage so that the door can move and change the temp.

Let me know which wire you did this too and then I would suggest removing the 12 volts and let's check to see what the voltage is on each of these at both the actuator and the module. That will tell us if the module is even sending the correct voltage.

https://www.2carpros.com/articles/how-to-check-wiring

Does that make sense?
Was this
answer
helpful?
Yes
No
Friday, April 30th, 2021 AT 12:36 PM (Merged)
Tiny
DENNIS GUAJARDO
  • MEMBER
  • 1 POST
  • 2002 CHEVROLET SILVERADO
  • 5.3L
  • V8
  • AUTOMATIC
  • 174,000 MILES
Bought the truck listed above 1500. Is there a way to wire up? I don’t have the fuse block, I only have all the accessories and pig tails. How can I wire the A/C system to work on my I have everything except the main fuse blocks. I have all the controls just need to know how to wire up the wires individually. Such as power ignition etc.
Was this
answer
helpful?
Yes
No
+1
Friday, April 30th, 2021 AT 12:37 PM (Merged)
Tiny
JACOBANDNICKOLAS
  • MECHANIC
  • 110,192 POSTS
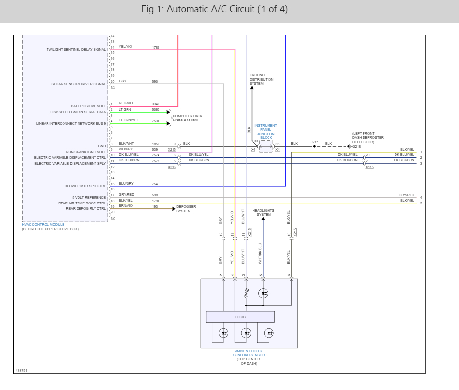
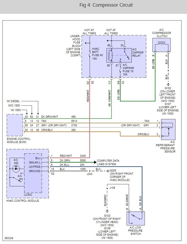
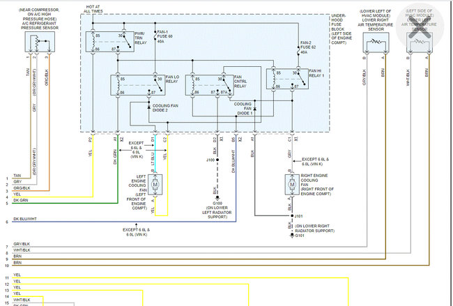
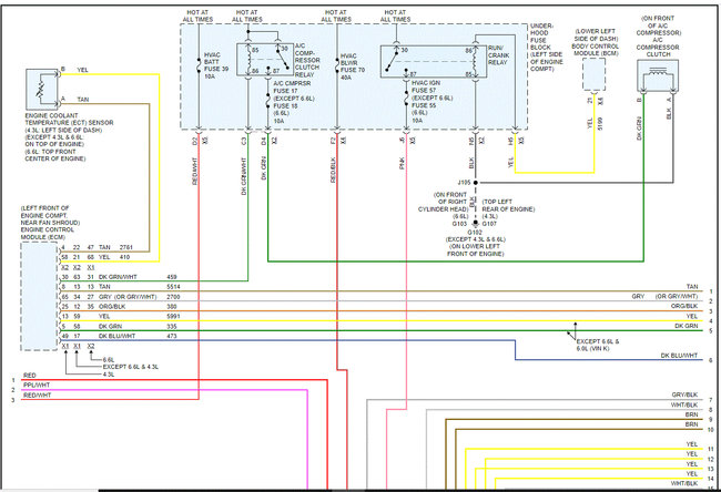
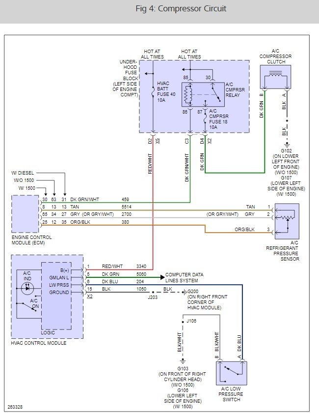
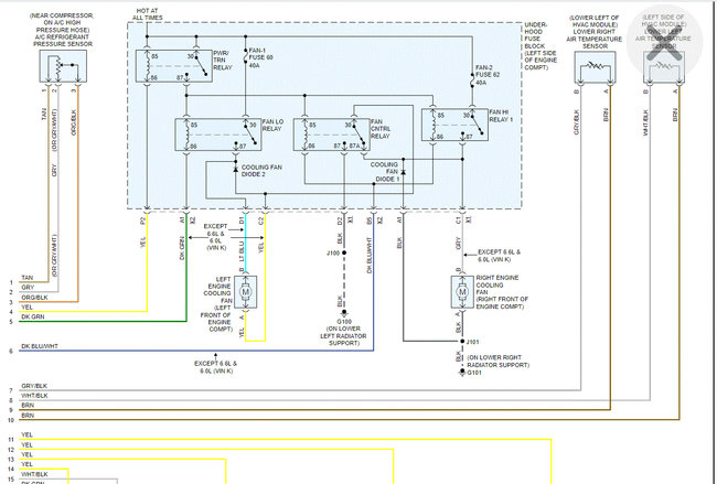
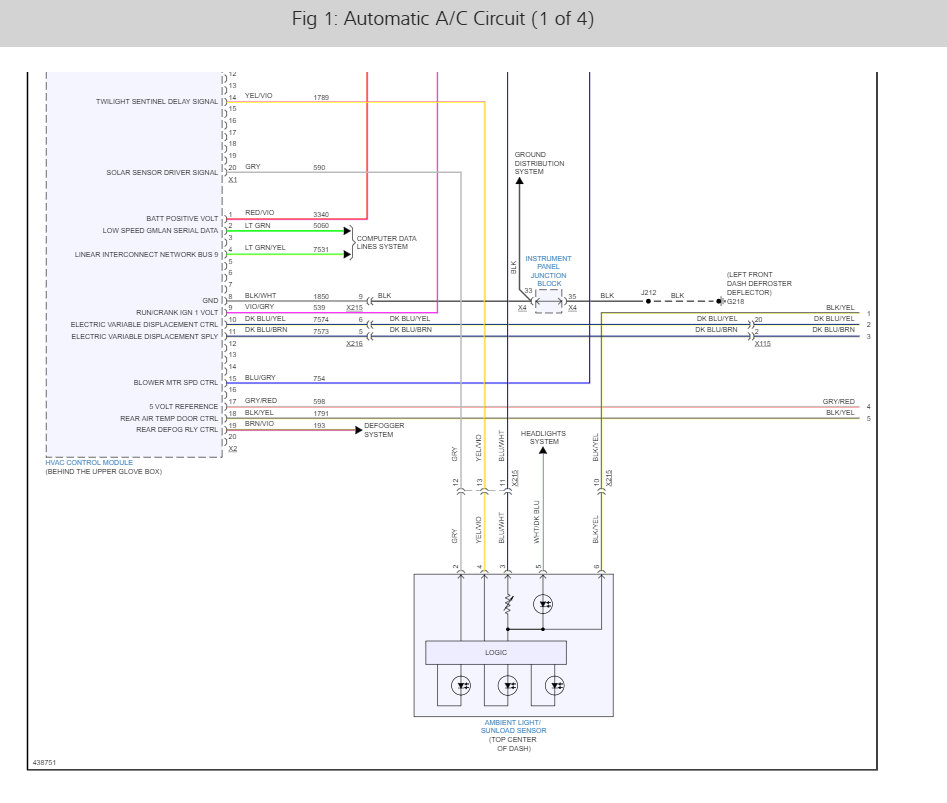
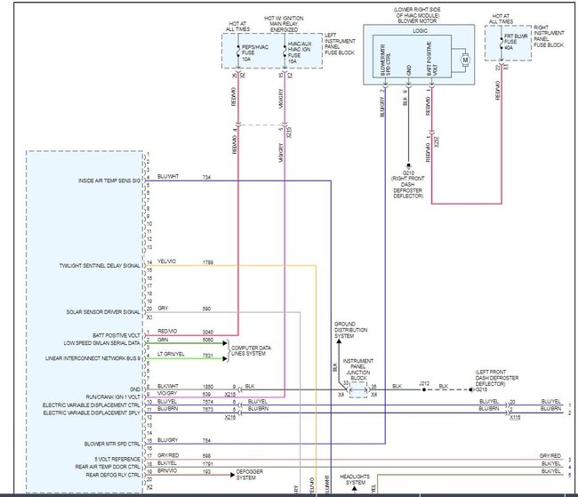
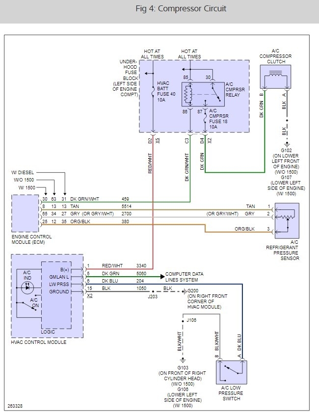
You will need to use several parts from the 2002 truck. I have attached the entire wiring schematic for you. I had to break the schematics into sections to make them readable. The first two are specific to the compressor function.

___________________________________________

I hope this helps.

Take care,
Joe
Was this
answer
helpful?
Yes
No
+1
Friday, April 30th, 2021 AT 12:37 PM (Merged)
Tiny
WOLF9553
  • MEMBER
  • 0 POST
  • 1995 CHEVROLET SILVERADO
  • 5.7L
  • V8
  • 2WD
  • AUTOMATIC
  • 240,000 MILES
Installed a new radio system in my truck listed above. Unfortunately I broke the HVAC control module. Tried to get a replacement unit only to find out they are obsolete and not available. Wound up buying a newer module, Dorman 599-007. The problem is my unit has two plugs on the back, the new one only has one and a ribbon style connector. Need the wiring diagram to rewire my plugs to the new system. Any help would be appreciated.
Was this
answer
helpful?
Yes
No
Friday, April 30th, 2021 AT 12:37 PM (Merged)
Tiny
KEN L
  • MASTER CERTIFIED MECHANIC
  • 55,141 POSTS
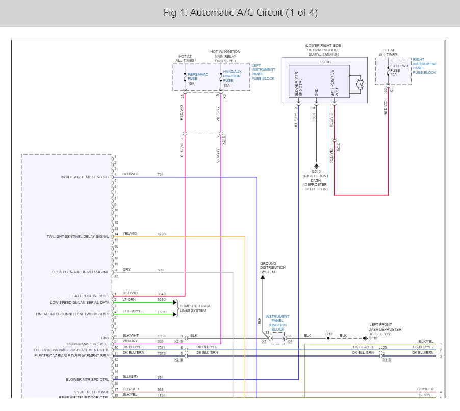
Here ae the HVAC wiring diagrams you are looking for and a guide to help check the connections:

https://www.2carpros.com/articles/how-to-check-wiring

Check out the diagrams (below). Please let us know if you need anything else to get the problem fixed.
Was this
answer
helpful?
Yes
No
Friday, April 30th, 2021 AT 12:37 PM (Merged)
Tiny
MPYROL
  • MEMBER
  • 2 POSTS
  • 1995 CHEVROLET SILVERADO
  • 5.7L
  • V8
  • 4WD
  • AUTOMATIC
  • 180,000 MILES
The blend door actuator doesn't work, it's replaced. I think the controller is bad but want to test the wiring before I attempt repair. This one is unique to all other model years and can't find it.
Was this
answer
helpful?
Yes
No
Friday, April 30th, 2021 AT 12:37 PM (Merged)
Tiny
JACOBANDNICKOLAS
  • MECHANIC
  • 110,192 POSTS
Hi,

I attached two wiring schematics below. The third pic I enlarged. It is specific to the control module. Take a look through them and let me know if that is what you needed.

Take care,
Joe
Was this
answer
helpful?
Yes
No
Friday, April 30th, 2021 AT 12:37 PM (Merged)

Please login or register to post a reply.