Engine cranks but does not start

Tiny
KEITH SIZEMORE
  • MEMBER
  • 1991 CHEVROLET LUMINA
  • 3.1L
  • 6 CYL
  • 2WD
  • AUTOMATIC
  • 141,000 MILES
It will start on starter fluid but die shortly after. The pump is priming when ignition is turned to "on" position.
Thursday, February 10th, 2022 AT 12:18 PM

18 Replies

Tiny
JACOBANDNICKOLAS
  • MECHANIC
  • 110,194 POSTS
Are you sure the fuel pump is producing the pressure required for the injectors to work? If not, you should check the pressure. Here is a link that shows how it's done:

https://www.2carpros.com/articles/how-to-check-fuel-system-pressure-and-regulator

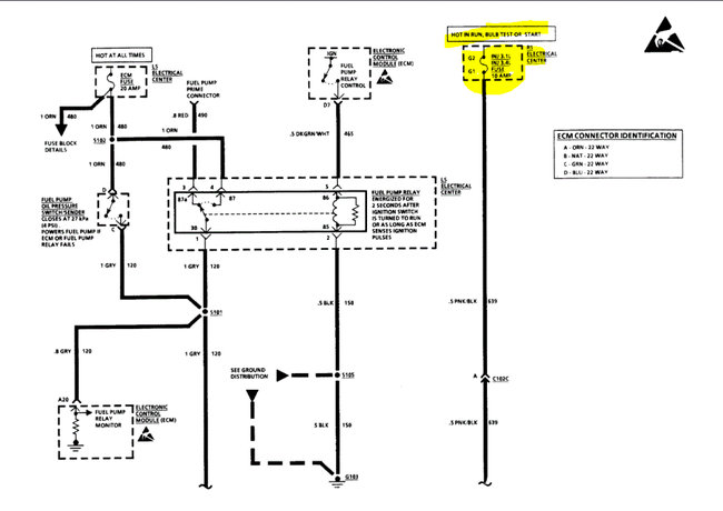
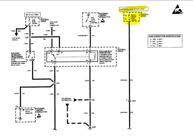
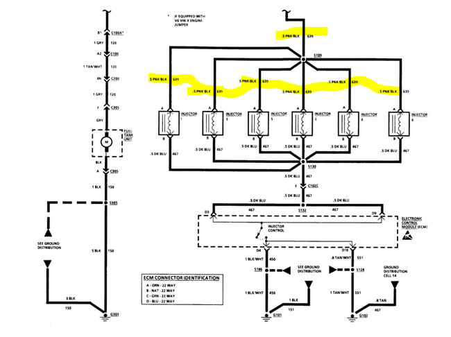
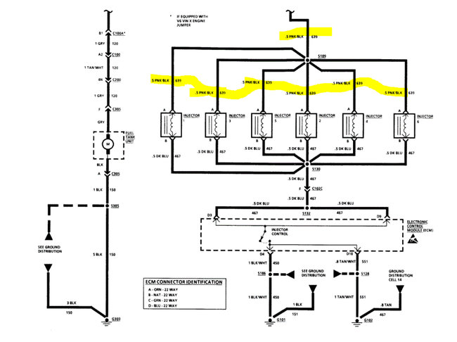
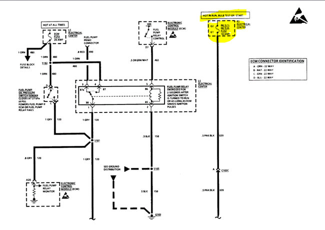
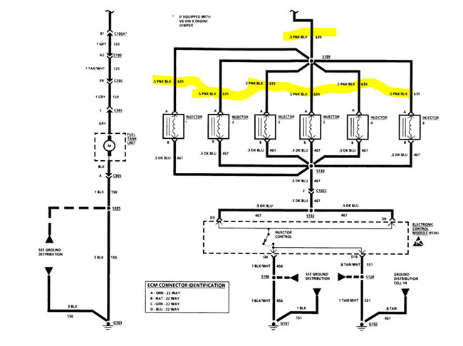
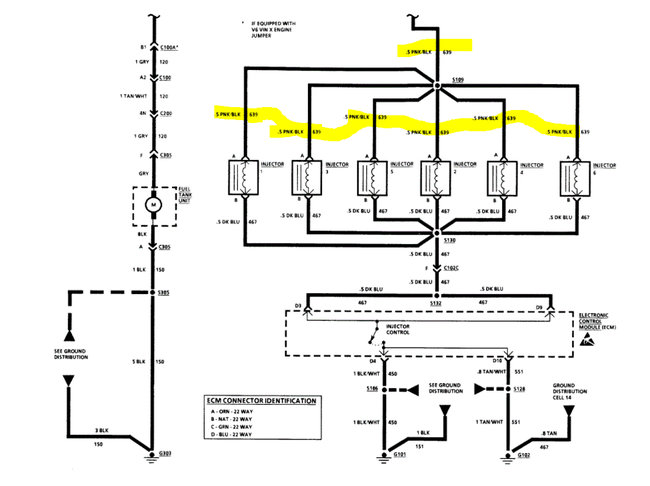
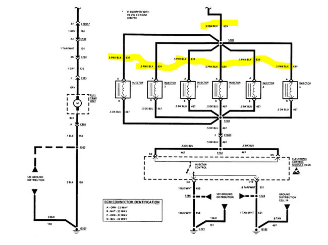
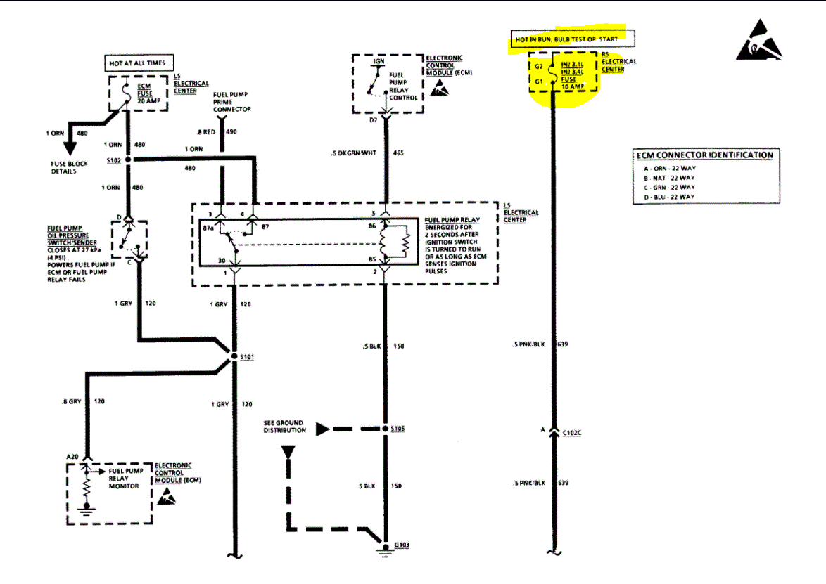
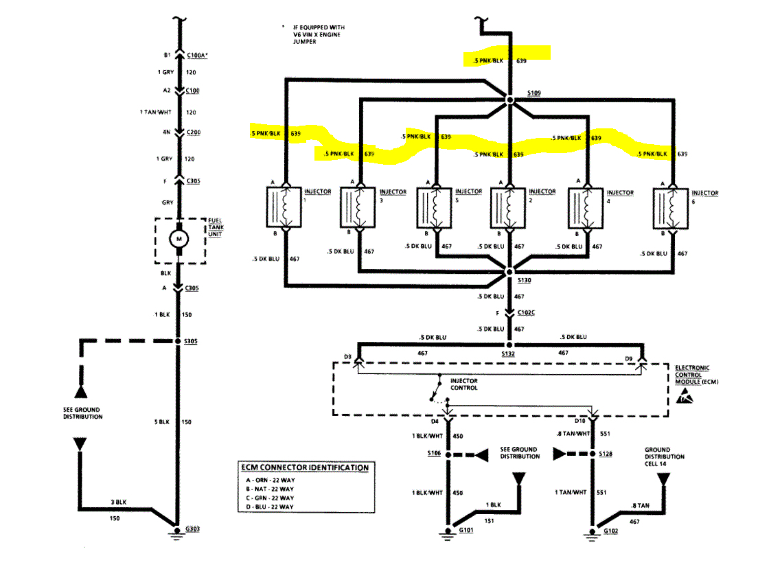
If you have already done that, I need you to check if there is power to the injectors. The wire will be pink with a black tracer. If there is no power, check the 10-amp injector fuse shown in pic 1 below. In addition, to check the fuse, make sure there is power to and from it. Here is a link you may find helpful:

https://www.2carpros.com/articles/how-to-check-a-car-fuse

If it starts with starting fluid, the fuel isn't getting into the engine. These are the first two things I would check. I attached the wiring schematic below for your vehicle. Let me know if the highlighted wires in pic 2 are getting power.

Take care and let me know what you find.

Joe

See pics below.
Was this
answer
helpful?
Yes
No
Thursday, February 10th, 2022 AT 7:27 PM
Tiny
KEITH SIZEMORE
  • MEMBER
  • 24 POSTS
I removed fuel line going into fuel rail and primed the pump to verify fuel Is getting to injectors. Also listened to every injector when the pump was primed, and they appeared to me coming on. It sounds like they receive fuel when the key is turned to "on" position. Have not listened to them while trying to start the engine.
Was this
answer
helpful?
Yes
No
Thursday, February 10th, 2022 AT 7:39 PM
Tiny
JACOBANDNICKOLAS
  • MECHANIC
  • 110,194 POSTS
Keith, if the fuel pressure is too low, it won't get to the engine. Also, the injectors are not actuated when the engine is off or not cranking. Perhaps you are hearing the pressure to them build.

Check to see if there is power to them with the key on. Also, I apologize for the difficult to read schematics. That is all that was available because of the model year. However, they are from GM, so they should be accurate.

Let me know if there is power to the injectors. Something is preventing the fuel from reaching the engine. We just need to narrow it down.

Take care,

Joe
Was this
answer
helpful?
Yes
No
Thursday, February 10th, 2022 AT 7:55 PM
Tiny
KEITH SIZEMORE
  • MEMBER
  • 24 POSTS
So, I took injectors out last night, cleaned them, got it to start and drive about half a mile before it shut off and wouldn't start. I'm getting codes 33 and 54. I did notice quite a few old vacuum lines that were broken. I don't know if this would have any affect.
Was this
answer
helpful?
Yes
No
Friday, February 11th, 2022 AT 7:45 AM
Tiny
KEITH SIZEMORE
  • MEMBER
  • 24 POSTS
So, I tested fuel pressure I have 35 PSI also if I disconnect injector 6 it starts up a lot better. Backfires and shuts off if I don't press gas, but runs better. The fuel pump is new, the filter is new, and the spark plugs are new.
Was this
answer
helpful?
Yes
No
Friday, February 11th, 2022 AT 12:28 PM
Tiny
JACOBANDNICKOLAS
  • MECHANIC
  • 110,194 POSTS
Hi,

The fuel pressure is a little on the low side. See pic 1 below.

The codes you provided are related to the issue. Code 54 indicates low voltage to the fuel pump. This can be the cause of the slightly lower fuel pressure. Code 33 is related to the MAP sensor (manifold absolute pressure sensor).

Here is where we need to start. The first thing we need to do is repair the vacuum hoses you mentioned. That will cause a lean fuel mixture (too much air to the engine). That, along with the lower fuel pressure, can cause issues. Additionally, if the sensor is faulty, it will cause issues.

One more thing. As a test, disconnect the MAP sensor and see if changes how the engine runs. It's at the rear of the engine mounted on the intake. See pic 2.

Let me know what you find. Also, if you want to send pics of the vacuum hoses you mentioned, I may be able to help you locate where they go and what they are for.

Take care,

Joe

See pics below.
Was this
answer
helpful?
Yes
No
Friday, February 11th, 2022 AT 2:20 PM
Tiny
KEITH SIZEMORE
  • MEMBER
  • 24 POSTS
Got it running. It was fuel injector #6 shorting out the ECU. Fuel pressure is all good. Now I'm just running like badly until I get the vacuum hoses redone. But fires up every time first spark. Does not stall just real low on the RPMs and still get the same 54 code, but I am just wondering if that's an old code not applying to right now. How do I reset and wipe all codes?
Was this
answer
helpful?
Yes
No
Friday, February 11th, 2022 AT 9:28 PM
Tiny
JACOBANDNICKOLAS
  • MECHANIC
  • 110,194 POSTS
Hi,

I'm glad you found the issue. Have you repaired the vacuum hoses yet? If not, do that, and let's see if the MAP clears itself.

If you want to clear the code, disconnect the negative battery terminal for about 5 minutes and reconnect. That should clear it.

Let me know.

Joe
Was this
answer
helpful?
Yes
No
Friday, February 11th, 2022 AT 10:27 PM
Tiny
KEITH SIZEMORE
  • MEMBER
  • 24 POSTS
Okay, that's what I was thinking, thanks. Replacing hoses today. I'm trying to find something that shows the hoses and where they are run because a lot of them are broken in more than one place, and I don't want to play the guessing game.
Was this
answer
helpful?
Yes
No
Sunday, February 13th, 2022 AT 12:56 PM
Tiny
JACOBANDNICKOLAS
  • MECHANIC
  • 110,194 POSTS
Hi,

I attached two pics below that I found showing vacuum schematics. See if they help. Also, the heater/AC controls in the vehicle are vacuum actuated. If you are having trouble with the airflow direction, there could be a leak there as well.

Let me know what I can do to help.

Joe
Was this
answer
helpful?
Yes
No
Sunday, February 13th, 2022 AT 2:50 PM
Tiny
KEITH SIZEMORE
  • MEMBER
  • 24 POSTS
Thank you. Still in progress. I live in a small town, so things aren't too available. I have got to wait for everything to come.
Was this
answer
helpful?
Yes
No
Wednesday, February 16th, 2022 AT 6:47 PM
Tiny
JACOBANDNICKOLAS
  • MECHANIC
  • 110,194 POSTS
Hi, Keith. No problem whatsoever. Let me know if there is anything I can do to help.

Take care,

Joe
Was this
answer
helpful?
Yes
No
Wednesday, February 16th, 2022 AT 7:42 PM
Tiny
KEITH SIZEMORE
  • MEMBER
  • 24 POSTS
Hey Joe, hope you're still there, got it running great redid all the vacuum lines, no engine light and she rides great. The only problem now is the gas gauge. I replaced sending unit no luck. I attached two videos of what I'm dealing with, any advice would be great! Thanks again.
Was this
answer
helpful?
Yes
No
Sunday, March 6th, 2022 AT 11:33 AM
Tiny
JACOBANDNICKOLAS
  • MECHANIC
  • 110,194 POSTS
Keith:
I'm glad to know it's running well for you. The fuel gauge is interesting. It almost seems like the needle is loose on the pin.

Is there anything other than that, that isn't working as far as the cluster is concerned?

Joe
Was this
answer
helpful?
Yes
No
Sunday, March 6th, 2022 AT 7:31 PM
Tiny
KEITH SIZEMORE
  • MEMBER
  • 24 POSTS
No everything works as it should. That's literally the last thing besides a door handle, I need to fix.
Was this
answer
helpful?
Yes
No
Sunday, March 6th, 2022 AT 8:04 PM
Tiny
KEITH SIZEMORE
  • MEMBER
  • 24 POSTS
That white wire is the only wire that runs to cluster not sure if that's normal or not. That wire runs under the steering column. It's a hard coated wire.
Was this
answer
helpful?
Yes
No
Sunday, March 6th, 2022 AT 8:09 PM
Tiny
JACOBANDNICKOLAS
  • MECHANIC
  • 110,194 POSTS
Keith,

Take a look through the diagnostics below related to fuel gauge issues. See if any of them help.

Let me know.

Joe
Was this
answer
helpful?
Yes
No
Monday, March 7th, 2022 AT 5:14 AM

Please login or register to post a reply.