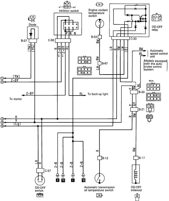
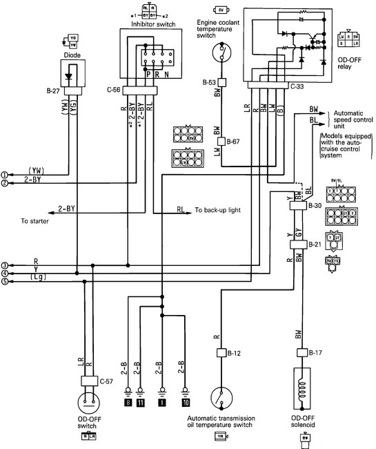
What I have checked:
Overdrive solenoid "clicks" when I tested it by applying 12 volts at the connector under car. Research indicates this to be a valid test.
Drained and replaced transmission fluid and filter.
Overdrive light on dash is functional. What else will cause the K148 4X4 auto transmission to not engage overdrive?
Thursday, January 3rd, 2019 AT 7:54 AM








