Saturday, July 11th, 2020 AT 11:32 AM
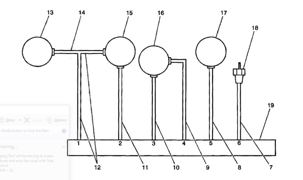
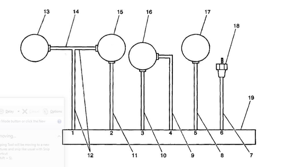
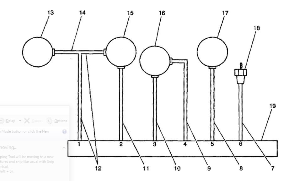
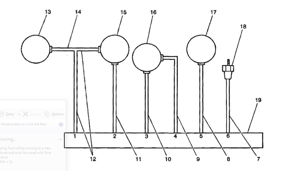
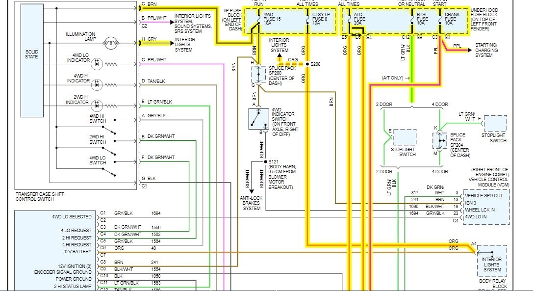
The vehicle listed above has a 4 button electronic switch for four wheel drive. When I click on any setting other than 2 hi I just get a blinking light. I can hear it click under the truck but the light flashes. Now I have a service 4wd light on. No codes picked up with my reader. I replaced all of the obvious vacuum lines first. I don't know how to check/diagnose the vacuum solenoid on the firewall nor how to check the check valve that is in line. But I did manage to break the nipple off of the vacuum reservoir that is located inside the fender. I tried to glue that nipple back into the reservoir but I don't know if that is wise or if it is even necessary. I've seen some guys cap it off. Not sure what to do next.









