Four-wheel drive not engaging

Tiny
83TRISTA
  • MEMBER
  • 2004 FORD EXPLORER
  • 3.5L
  • V6
  • 4WD
  • AUTOMATIC
  • 309,000 MILES
My 4×4 is not engaging but lights come on, on dash when push 4×4 button, fuse is good, and no ticking in passenger kick panel.
Wednesday, December 22nd, 2021 AT 2:12 PM

1 Reply

Tiny
JACOBANDNICKOLAS
  • MECHANIC
  • 110,194 POSTS
Hi,

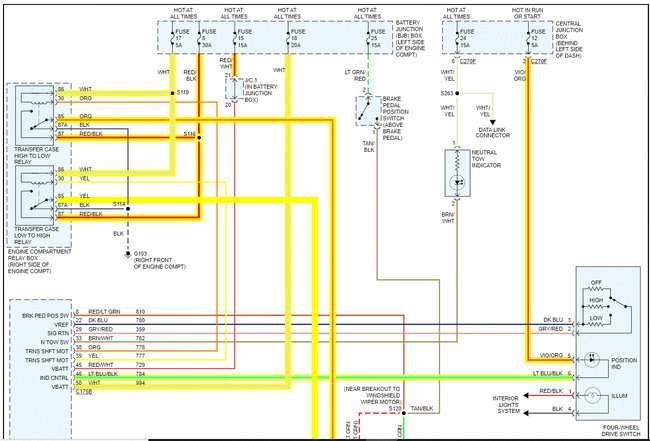
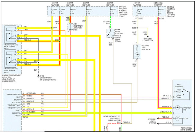
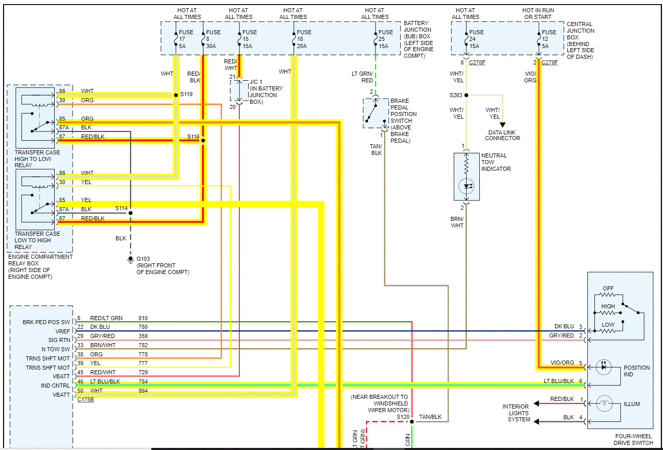
If nothing is happening other than the indicator light, we need to check fuses and relays first. If you look at the attached pics, they are the wiring schematic for the 4wd system.

First, I need you to check three different fuses. They are all located in the battery junction fuse/relay box under the hood, left side. They are fuses 8, 17, and 18. In addition to checking their conditions, confirm there is power to and from them. Here is a link you may find helpful:

https://www.2carpros.com/articles/how-to-check-a-car-fuse

IF they are good, then we need to check the transfer case shift relays. They too are under the hood but on the right side of the engine compartment. When checking these, if there is another relay having the same part number, switch them. If there isn't, here is a link that explains how to test one:

https://www.2carpros.com/articles/how-to-check-an-electrical-relay-and-wiring-control-circuit

Pic 3 shows the fuses to check. Right behind the battery. Pics 4 and 5 are for the relays.

Let me know what you find or if you have other questions.

Take care,

Joe
Was this
answer
helpful?
Yes
No
Wednesday, December 22nd, 2021 AT 8:48 PM

Please login or register to post a reply.