Key Remote?

Tiny
BARTIL
  • MEMBER
  • 2012 TOYOTA CAMRY
  • 350 MILES
Bought a new camry with power doorlocks but not remote. I bought a universal remote kit but I hate to cut wires on my new car. Do they make a plug-in remote kit just for my Camry?
Saturday, January 19th, 2013 AT 2:53 AM

23 Replies

Tiny
DAVES777
  • MECHANIC
  • 26 POSTS
Since this is a new car; (or a least new to you); but it is a fairly recent model - why do you not call up a Toyota Dealer - and see what they say. Is available.

I believe keyless remotes are available from the dealer. And they could easily program it to work with your car.

Much better than having someone cutting wires and installing an after market for something which the factory makes available.
Was this
answer
helpful?
Yes
No
Friday, February 1st, 2013 AT 4:33 AM
Tiny
DMIRYG
  • MEMBER
  • 1 POST
  • 2011 TOYOTA CAMRY
  • 4 CYL
  • FWD
  • AUTOMATIC
  • 6,000 MILES
I bought a new 2011 Camry with central locking system but without a remote control for that. I would like to install one. Can I do it myself, will this void my warranty?
Was this
answer
helpful?
Yes
No
Friday, December 18th, 2020 AT 8:41 AM (Merged)
Tiny
KHLOW2008
  • MECHANIC
  • 41,814 POSTS
Regarding warranty, anything that is after maket would void it so it is best to check with the dealer.

A remote can be installed but you would need some rewiring and an addition of a control module.
Was this
answer
helpful?
Yes
No
Friday, December 18th, 2020 AT 8:41 AM (Merged)
Tiny
LWALKER
  • MEMBER
  • 5 POSTS
  • 2007 TOYOTA CAMRY
  • 4 CYL
  • FWD
  • AUTOMATIC
  • 40,500 MILES
The remote trunk release in cabin will not release the rear trunk. The cable pull the mechanism that has a rod to the trunk lock, however the rod does not move to release the lock. What part of mechanism is broken? Or spring missing? That prevents the release of trunk lock?
Was this
answer
helpful?
Yes
No
Friday, December 18th, 2020 AT 8:42 AM (Merged)
Tiny
2CARPRO JACK
  • MECHANIC
  • 11,533 POSTS
Can you open it with the key at the rear deck? Or by using the keyless entry remote? If so you can gain access to the latch to see what is wrong. The cable may be broken at either end, so it cant pull the release. When you get the trunk open have someone pull the manual release so you can watch at the latch to see if it moves
Was this
answer
helpful?
Yes
No
Friday, December 18th, 2020 AT 8:42 AM (Merged)
Tiny
2CARPRO JACK
  • MECHANIC
  • 11,533 POSTS
Have you tried the key in the rear deck lid? Sounds like the latch may be broken if nothing will make it release
Was this
answer
helpful?
Yes
No
Friday, December 18th, 2020 AT 8:42 AM (Merged)
Tiny
LWALKER
  • MEMBER
  • 5 POSTS
The key will release the lock, when inserted in the lock. The key remote will release the lock. The release lever inside the car is the non-working part. The lever has a cable, this move the release mechanism, which has a bar going to the truck lock, but the bar does not pull the lock to cause release. Question: Does repair manual show this assy? It is attached to trunk lid, and not to trunk lock. Connection from release to lock is by means of a bar.
Was this
answer
helpful?
Yes
No
Friday, December 18th, 2020 AT 8:42 AM (Merged)
Tiny
2CARPRO JACK
  • MECHANIC
  • 11,533 POSTS
My software doesnt have it. Can you see where the cable attaches at the trunk end of the release?If so have someone work the interior release and see if the cable is pulling at the trunk end. If not the cable may be broken.
Was this
answer
helpful?
Yes
No
Friday, December 18th, 2020 AT 8:42 AM (Merged)
Tiny
LWALKER
  • MEMBER
  • 5 POSTS
Found the problem. Fixed
Was this
answer
helpful?
Yes
No
Friday, December 18th, 2020 AT 8:42 AM (Merged)
Tiny
2CARPRO JACK
  • MECHANIC
  • 11,533 POSTS
Plastic clip broken? That is usually the culprit for stuff like that
Was this
answer
helpful?
Yes
No
Friday, December 18th, 2020 AT 8:42 AM (Merged)
Tiny
NJMCAM
  • MEMBER
  • 1 POST
  • 2006 TOYOTA CAMRY
  • V6
  • 2WD
  • AUTOMATIC
  • 100,000 MILES
Remotes no longer open or closes locks. Batteries replaced?
Was this
answer
helpful?
Yes
No
Friday, December 18th, 2020 AT 8:42 AM (Merged)
Tiny
KASEKENNY
  • MECHANIC
  • 18,907 POSTS
Hi,

If the batteries died there is a chance that you need to reprogram them. I attached a TSB that lays this process out. Let me know if this works.

Thanks
Was this
answer
helpful?
Yes
No
Friday, December 18th, 2020 AT 8:42 AM (Merged)
Tiny
TZERPHEY
  • MEMBER
  • 1 POST
  • 2005 TOYOTA CAMRY
  • 4 CYL
  • FWD
  • AUTOMATIC
  • 110,000 MILES
My 2005 Camry xle has a power unlock problem for the three non driver doors only when it is warm outside like over about 70. I replaced the master switch on the driver door and same thing. With the remote (factory) it acts the same way however it always "locks" all 4 doors fine from either the remote fob and the driver switch. The problem is only the power "unlock" for the three non driver doors when it is warm out.
Was this
answer
helpful?
Yes
No
Friday, December 18th, 2020 AT 8:42 AM (Merged)
Tiny
KHLOW2008
  • MECHANIC
  • 41,814 POSTS
If the driver door unlocks correctly everytime whereas the other 3 do not, the problem is not with the switches of actuators.

Being temperature related, the motlikely cause would be a poor connection/contact somewhere and the most likely component would be the Body Control Unit ( BCM), attached to driver side junction box.
Was this
answer
helpful?
Yes
No
Friday, December 18th, 2020 AT 8:42 AM (Merged)
Tiny
DITA WEST
  • MEMBER
  • 1 POST
  • 2003 TOYOTA CAMRY
  • 0.7L
  • 4 CYL
  • 2WD
  • AUTOMATIC
  • 10,000 MILES
I was given the car listed above that was a friend's father in law. About two years ago the car was pulled underneath a carport and set on blocks so the old man could not drive it. The car ran fine when it was pulled in there. In trying to prepare the car for the road I put a new battery in it I put my negative on first and when I put the touched the positive to the post and it automatically start to turn the car over. I had the keys in my hand and we are not cable touch that post it started my car and I cannot get it off of that remote start to where the key works in order for it to turn the car off using the key. Like I said I can get the car started but only when the post hits the post. The car will not turn off. The key is useless. It is stuck in remote start mode or something. Can you give me anything on this? Thank you
I have two remote start fobs and a key with its standard key fob.
Was this
answer
helpful?
Yes
No
Friday, December 18th, 2020 AT 8:42 AM (Merged)
Tiny
DANNY L
  • MECHANIC
  • 5,648 POSTS
Hello, I am Danny.

I am not sure if a 2003 model year car came factory with a remote start. Is this an aftermarket installed remote start system? If so, do you know the brand name? Hope this helps and get back to me when you can. Thanks for using 2CarPros.
Danny-
Was this
answer
helpful?
Yes
No
Friday, December 18th, 2020 AT 8:42 AM (Merged)
Tiny
TROYELJ
  • MEMBER
  • 1 POST
  • 2001 TOYOTA CAMRY
  • 2WD
  • AUTOMATIC
  • 102,207 MILES
I recently bought the car listed above LE model. The engine was replaced in it and it did not come with a key fob so I have bought three different key fobs including a Toyota key fob and none of them will work. I follow instructions and locks do not respond to any of the instructions. Keep in mind I know nothing about cars. Is it possible that the receiver is disconnected or bad and where is it located on the car? I am at the point of taking it to the Toyota dealership and seeing if they can fix it, knowing it is going to cost a lot. If someone could help I would be greatful.
Was this
answer
helpful?
Yes
No
Friday, December 18th, 2020 AT 8:43 AM (Merged)
Tiny
KEN L
  • MASTER CERTIFIED MECHANIC
  • 55,281 POSTS
Before taking it in lets check the system fuses. Here is a guide to show you how:

https://www.2carpros.com/articles/how-to-check-a-car-fuse

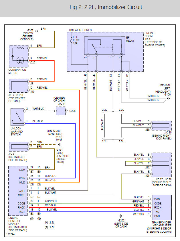
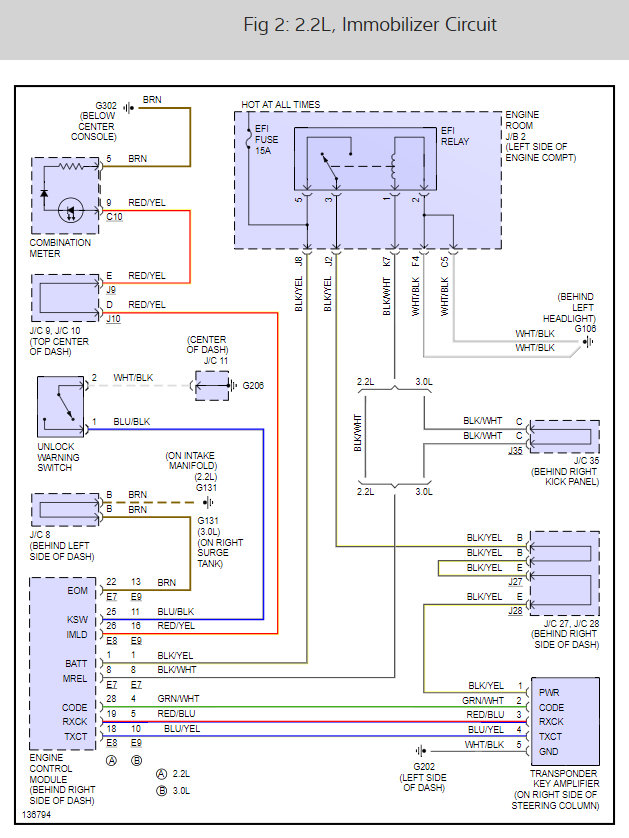
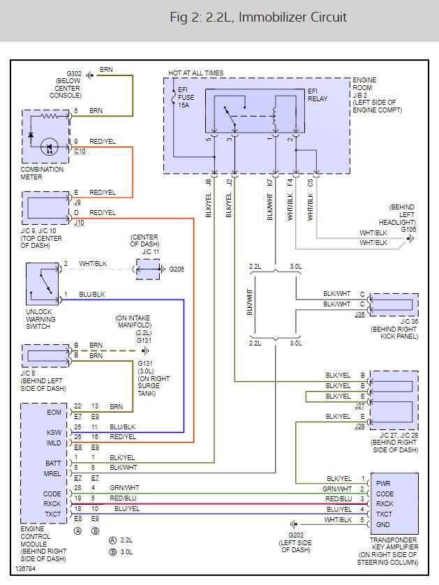
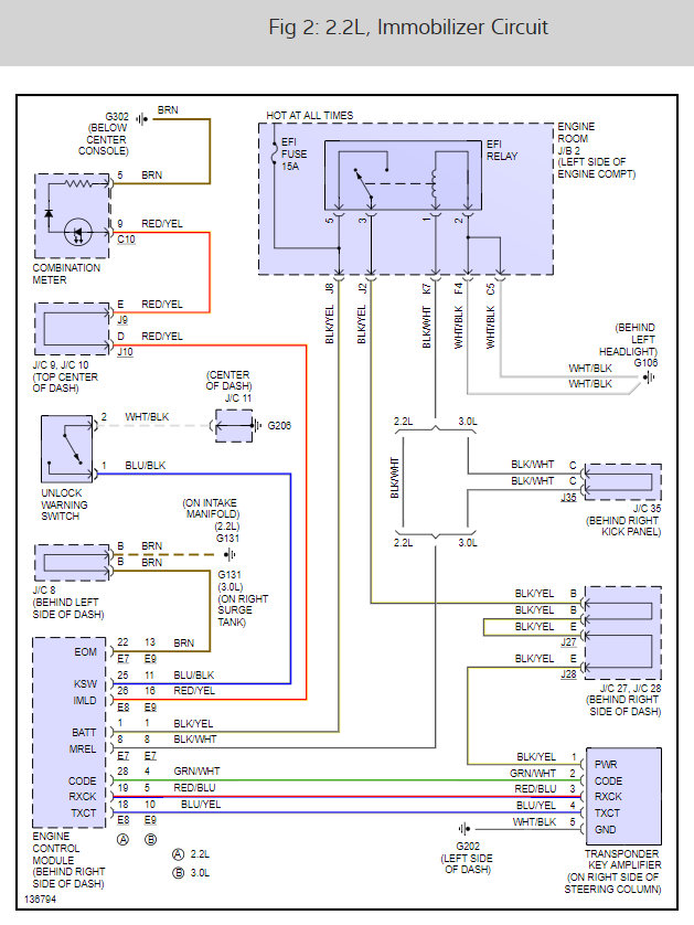
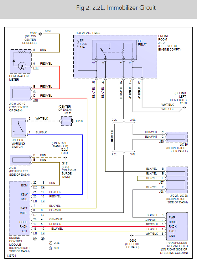
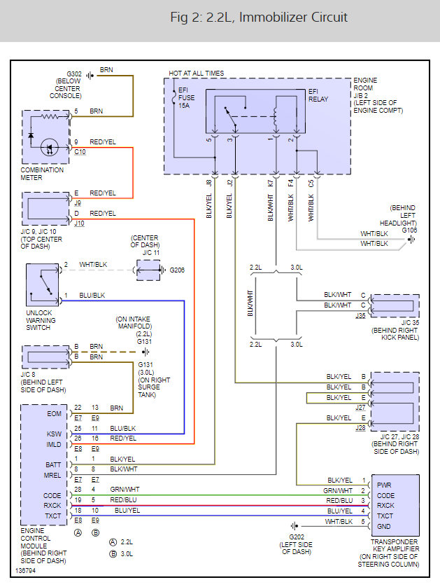
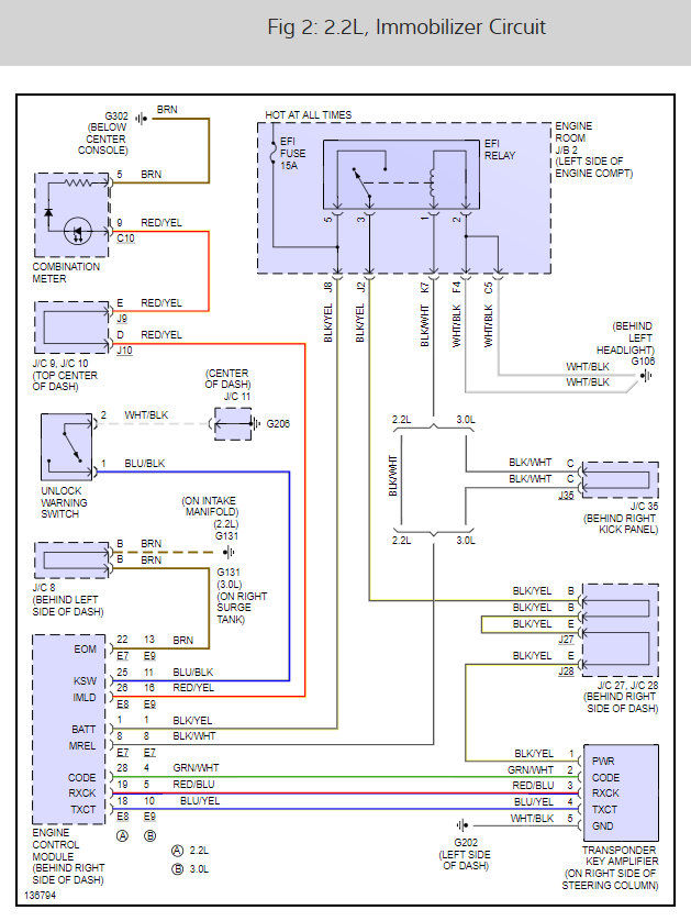
Here is the security system wiring diagrams so you can see how the system works along with the fuse panel locations and identification.

Save this page so you can use it for future reference when you have other problems because it shows all the fuses locations.

Check out the diagrams (below).

Please let us know what you find. We are interested to see what it is.

Cheers, Ken
Was this
answer
helpful?
Yes
No
Friday, December 18th, 2020 AT 8:43 AM (Merged)
Tiny
JUDY
  • MEMBER
  • 3 POSTS
  • 1995 TOYOTA CAMRY
  • 6 CYL
  • FWD
  • AUTOMATIC
  • 89,000 MILES
I have 3 remote controls, none of which work. They are the same, and were purchased from the dealer to replace the originals. The FCC ID # IS JDRAPSBT, one button, for l995 Toyota Camry. The car was ordered from Japan with the remote control, but the dealers may have installed it.
The remotes are clean, air cleaned, new [tested]batteries installed. The light comes on when the button is depressed on all of them but the car doors do not open so it is not responding. It was working when I first got them. Could it be that the programing in he car was effected when a new battery was purchased? Can you give me instructions to program it to work? I do not want to do it at the dealers as they charge a great deal per remote to program it. Please help.
Thanking you.
Judy
Was this
answer
helpful?
Yes
No
Friday, December 18th, 2020 AT 8:43 AM (Merged)
Tiny
DOCFIXIT
  • MECHANIC
  • 18,828 POSTS
Car was not produced with remote door locks for US market so likely is an after market. You will need to find manufacture see if there is a transevier that looks added on either under dash or engine compartment. Any markings on remotes?
Was this
answer
helpful?
Yes
No
Friday, December 18th, 2020 AT 8:43 AM (Merged)

Please login or register to post a reply.