Replacing the ignition switch

Tiny
ROBINCAB
  • MEMBER
  • 1995 TOYOTA CAMRY
Electrical problem 4 cyl Two Wheel Drive Automatic 76000 miles

I would like to know how to change the ignition switch on my 1995 toyota camry
Tuesday, May 20th, 2008 AT 12:08 AM

14 Replies

Tiny
KEN L
  • MASTER CERTIFIED MECHANIC
  • 55,281 POSTS
Hello,

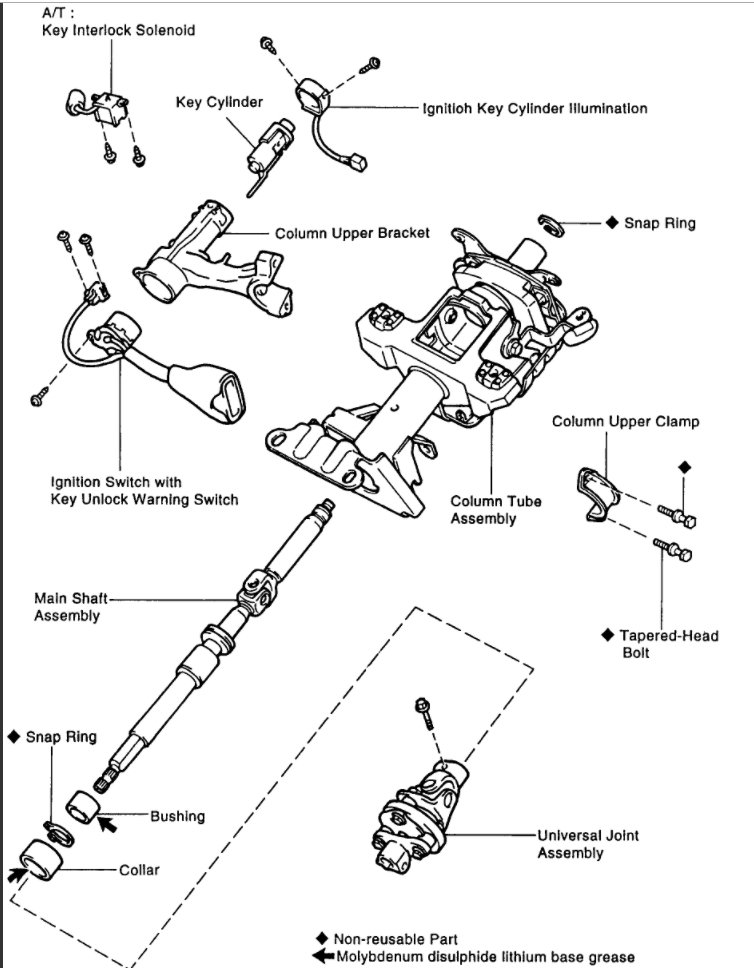
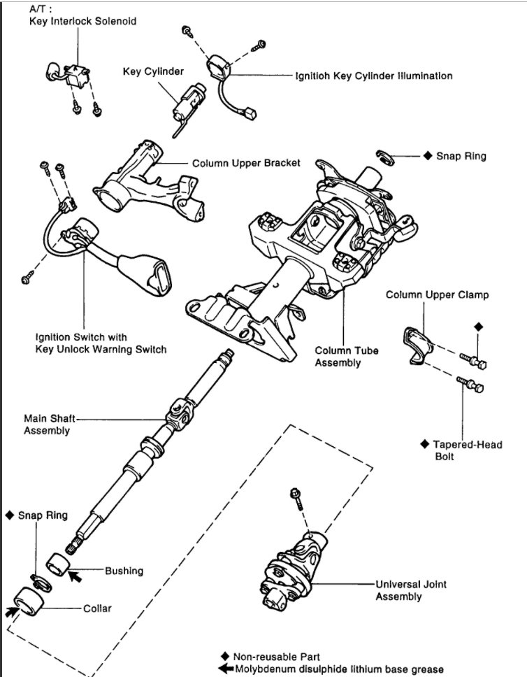
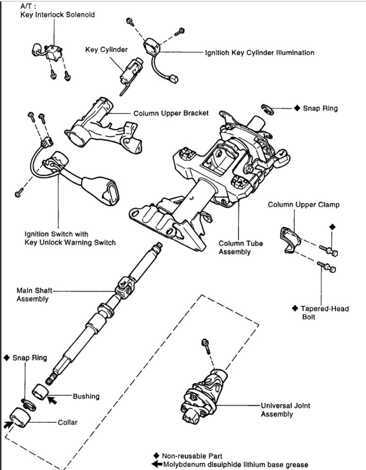
to remove the ignition switch you must remove the steering column cover to get started. Disconnect the battery as well.

Using a centering punch, mark the center of the 2 tapered-head bolts.
Using a 3 - 4 mm (0.12 - 0.16 in.) Drill, drill into the 2 bolts.
Using a screw extractor. Remove the 2 bolts.
INSTALL COLUMN UPPER BRACKET AND COLUMN UPPER CLAMP
Tighten the 2 new tapered-head bolts until the bolt head breaks off.

Here are some diagrams to help you get the job done. (Below)

Please let us know if you need anything else to get the problem fixed.

Cheers, Ken
Was this
answer
helpful?
Yes
No
Monday, November 20th, 2017 AT 9:49 AM
Tiny
PANMAN1560
  • MEMBER
  • 3 POSTS
  • 1995 TOYOTA CAMRY
  • 6 CYL
  • FWD
  • AUTOMATIC
  • 364,000 MILES
Electrical problem
1995 Toyota Camry 6 cyl Front Wheel Drive Automatic 364000 miles

I cannot get my 95 Toyota to turn off without unhooking the battery. The engine will turn off if I kill it but the electrical systems will continue to run. I tried replacing the ignition switch but it didn't do anything. If you can think of anything else that it could be I would be very grateful for your assistance.
Was this
answer
helpful?
Yes
No
Monday, November 20th, 2017 AT 9:49 AM (Merged)
Tiny
RASMATAZ
  • MECHANIC
  • 75,992 POSTS
Sounds like the power feed white and red wire to the ignition switch is shorted to a power source
Was this
answer
helpful?
Yes
No
+1
Monday, November 20th, 2017 AT 9:50 AM (Merged)
Tiny
PANMAN1560
  • MEMBER
  • 3 POSTS
White with red wire or red with white wire
Was this
answer
helpful?
Yes
No
Monday, November 20th, 2017 AT 9:50 AM (Merged)
Tiny
RASMATAZ
  • MECHANIC
  • 75,992 POSTS
Its the same wire either way it powers the ignition switch
Was this
answer
helpful?
Yes
No
Monday, November 20th, 2017 AT 9:50 AM (Merged)
Tiny
2CP-ARCHIVES
  • MEMBER
  • 4,540 POSTS
  • 1995 TOYOTA CAMRY
  • 11,500 MILES
Changed the ignition lock car want start now was starting fine till I had to change it due to the old one not turning at all.
Was this
answer
helpful?
Yes
No
-2
Monday, November 20th, 2017 AT 9:50 AM (Merged)
Tiny
CARRIE OCONNELL
  • MEMBER
  • 1 POST
  • 1990 TOYOTA CAMRY
  • 4 CYL
  • 2WD
  • AUTOMATIC
Trying to remove the ignition lock. I read your response to someone else, but my problem is I cannot turn the key at all. The key won't go all the way in. It's like maybe one of the pins dropped inside. So I cannot turn the key to ACC. Is it still possible to remove it? If so, how? Thanks!
Was this
answer
helpful?
Yes
No
Monday, November 20th, 2017 AT 9:50 AM (Merged)
Tiny
KHLOW2008
  • MECHANIC
  • 41,814 POSTS
If you can't turn the key to ACC, you can't remove the lock cylinder unless you drill it out.

Sometimes when the key cylinder is bad, it requires some gentle wiggling to get the key to be inserted fully and more wiggling to turn it.
Was this
answer
helpful?
Yes
No
Monday, November 20th, 2017 AT 9:50 AM (Merged)
Tiny
NGATIA
  • MEMBER
  • 1 POST
  • 1993 TOYOTA CAMRY
  • 4 CYL
  • FWD
  • AUTOMATIC
  • 238,000 MILES
How to replace ignition lock for toyota camry car 1993 model
Was this
answer
helpful?
Yes
No
Monday, November 20th, 2017 AT 9:50 AM (Merged)
Tiny
BLUELIGHTNIN6
  • MECHANIC
  • 16,542 POSTS
Disconnect the negative battery cable.
If equipped with an air bag, wait at least 90 seconds before working on the vehicle.
Remove the lower steering column cover. Unfasten the ignition switch connector under the instrument panel.
Remove the screws which secure the upper and lower halves of the steering column cover.
Turn the lock cylinder to the ACC position with the ignition key.
Push the lock cylinder stop in with a small, round object (cotter pin, punch, etc.).

On some vehicles, it may be necessary to remove the steering wheel and combination switch first.

Withdraw the lock cylinder from the lock housing while depressing the stop tab.
To remove the ignition switch, unfasten its securing screws and withdraw the switch from the lock housing.

To install:

Align the locking cam with the hole in the ignition switch and insert the switch into the lock housing.
Secure the switch with its screw(s).
Make sure both the lock cylinder and column lock are in the ACC position. Slide the cylinder into the lock housing until the stop tab engages the hole in the lock.
Install the steering column covers.
Connect the ignition switch wiring.
Connect the negative battery cable.
Was this
answer
helpful?
Yes
No
Monday, November 20th, 2017 AT 9:50 AM (Merged)
Tiny
DAVID100
  • MEMBER
  • 2 POSTS
  • 1994 TOYOTA CAMRY
  • 4 CYL
  • 2WD
  • AUTOMATIC
  • 140,000 MILES
1994 Toyota Camry: There is a slight annoyance with my car recently. This annoyance is when I go to start my car nothing happens. The engine trys to do nothing. All of the electrical opponents (radio, headlights, dash lights, ect.) Come on and work properly. When this was first happening we thought it was the ignition switch so we replaced that and it worked for one day. Then didn't work anymore (I think I started the car about 6 times total). We replaced that ignition switch several times and the car would not start still. So, we had it towed to a repair shop. And it started right when they got it off of the truck. We kept it there to see what they could do but all the car did was start. The mechanics did not drive the car around so we took it home. The next day. The car would not start again. I was very confused and now I come here to see what anyone has to say.
Was this
answer
helpful?
Yes
No
+1
Monday, November 20th, 2017 AT 9:50 AM (Merged)
Tiny
RASMATAZ
  • MECHANIC
  • 75,992 POSTS
Check and test the starter motor, starter relay and transmission range switch
Was this
answer
helpful?
Yes
No
Monday, November 20th, 2017 AT 9:50 AM (Merged)
Tiny
DAVID100
  • MEMBER
  • 2 POSTS
We are getting a starter relay tomorrow and if that is not it then we are going to replace the stater motor. If that will not work. Then I'm out of ideas. The starter relay is in good shape and does not have any corrosion or any gunk on it from the years it has been in the car so if that will not work it has to be the starter motor. Thanks for the reply!
Was this
answer
helpful?
Yes
No
Monday, November 20th, 2017 AT 9:50 AM (Merged)
Tiny
KHLOW2008
  • MECHANIC
  • 41,814 POSTS
Hi johnson38.

1. Remove steering column cover.
2. Unplug ignition switch wire connector.
3. Remove 2 pcs of holding screw.
4. Switch can be removed.
Was this
answer
helpful?
Yes
No
Monday, November 20th, 2017 AT 9:50 AM (Merged)

Please login or register to post a reply.