Wednesday, July 10th, 2013 AT 3:07 PM
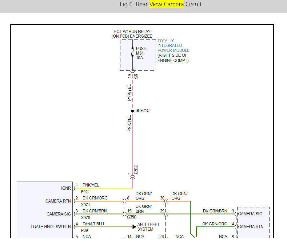
The back up camera located in front of my tag seems to have stopped working overnight. Not sure what's wrong. When I place the vehicle in reverse, my touchscreen is totally black, I cannot see anything behind me on the screen. What could the issue be? Thanks!





