Car will not start

Tiny
JC FINDLEY
  • MEMBER
  • 2011 KIA SORENTO
  • 3.5L
  • V6
  • 2WD
  • AUTOMATIC
  • 75,000 MILES
Car will turn over and it will crank if some spray ether on the breather swapped out fuel pump fuse and relay still no start getting 11volts to pump and if it is the pump do I need any tool for the fuel line on pump?
Monday, December 16th, 2013 AT 3:41 PM

5 Replies

Tiny
JACOBANDNICKOLAS
  • MECHANIC
  • 110,192 POSTS
Is the pump running?
Was this
answer
helpful?
Yes
No
-1
Monday, December 16th, 2013 AT 5:56 PM
Tiny
JC FINDLEY
  • MEMBER
  • 2 POSTS
No
Was this
answer
helpful?
Yes
No
Monday, December 16th, 2013 AT 6:03 PM
Tiny
JACOBANDNICKOLAS
  • MECHANIC
  • 110,192 POSTS
Since you are getting 11v to it, it should be running. What I suggest is that you remove the pump and try running 12v to it to see if it will run. It sounds like a bad pump.
Was this
answer
helpful?
Yes
No
Tuesday, December 17th, 2013 AT 4:34 AM
Tiny
ALEXWILSON2014
  • MEMBER
  • 1 POST
I know this was from 2013 but did you happen to find a fix? I have the same problem, already replaced the fuel thinking it was bad but I dont hear the pump humming like it should. Any ideas? Will start off of starting fluid, I have good spark its in time and have good compression, im kind of scratching my head on this one
Was this
answer
helpful?
Yes
No
Saturday, October 28th, 2017 AT 11:26 AM
Tiny
KEN L
  • MASTER CERTIFIED MECHANIC
  • 55,302 POSTS
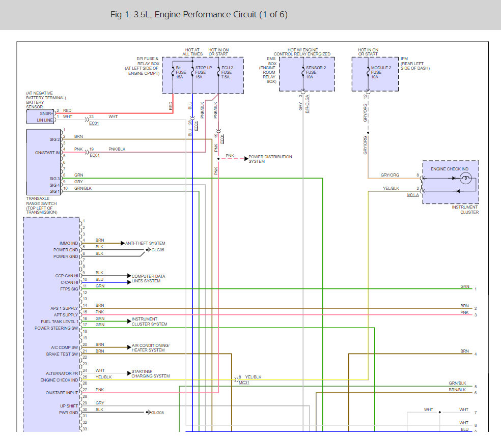
It sounds like the fuel pump is not getting power. I would start by checking the fuse and control relay. Here are some guides to show you how.

https://www.2carpros.com/articles/how-to-check-a-car-fuse

and

https://www.2carpros.com/articles/how-to-check-an-electrical-relay-and-wiring-control-circuit

Here are some wiring diagrams for the engine and fuel pump so you can see how the system works and the fuse and relay locations (below).

Please run this test and get back to us so we can keep helping you.

Cheers, Ken
Was this
answer
helpful?
Yes
No
Monday, October 30th, 2017 AT 1:29 PM

Please login or register to post a reply.