Brake light & turn signal dont work

Tiny
ANONYMOUS
  • MEMBER
  • 2011 FORD F-150
  • 103,256 MILES
My left rear brake light & turn signal don't work, my husband has checked the bulb and the fuse and said they were good. I don't know where we need to look to fix it. The tail lights work, just the brake/blinker rear left don't.
Sunday, March 17th, 2013 AT 7:23 AM

25 Replies

Tiny
KEN L
  • MASTER CERTIFIED MECHANIC
  • 55,459 POSTS
Hello,

Is could be the turn signal switch, here is a guide and a wiring diagram that will help you find the problem.

https://www.2carpros.com/articles/turn-signals-not-working-blinker

and

https://www.2carpros.com/articles/brake-lights-not-working

It could be the BCM which control the lights, but check the other fuses first in the system. This video will show you how to do a CAN scan which can confirm the BCM failure.

https://youtu.be/InIlnsjOVFA

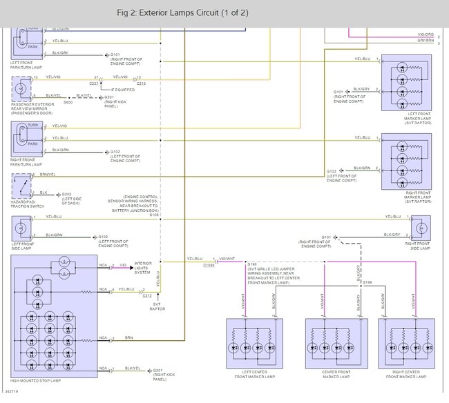
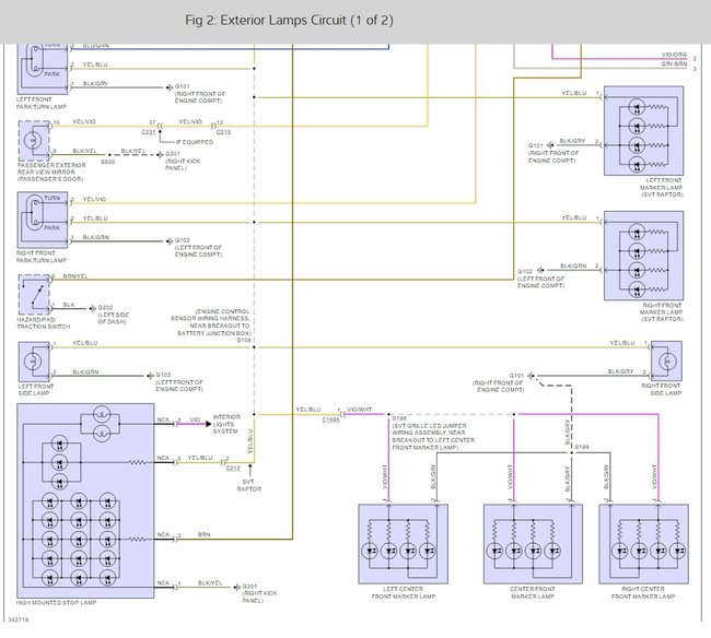
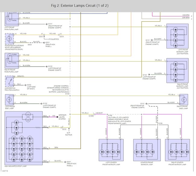
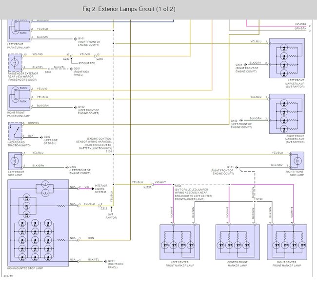
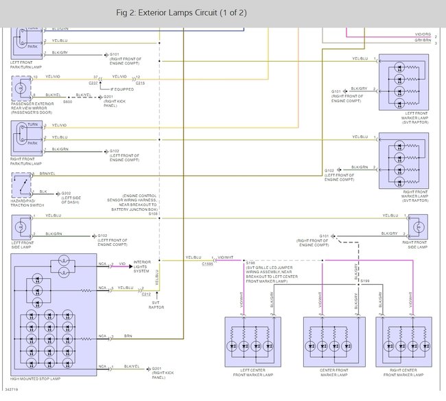
Here are the blinker and brake light wiring diagrams so you can see how the system works and the BCM replacement instructions as well. Check out the diagrams (Below). Please let us know what you find. We are interested to see what it is.
Was this
answer
helpful?
Yes
No
+6
Monday, December 12th, 2016 AT 5:03 PM
Tiny
JBWOODWARD
  • MEMBER
  • 1 POST
  • 2011 FORD F-150
  • 5.0L
  • V8
  • 4WD
  • AUTOMATIC
  • 96,000 MILES
All fuses and relays are good. Relay under hood does not click even when switched. All plugins in rear looked good. Also does not seem to have power at 7 pin for trailer. Truck had LED’s in rear and I replaced them with OEM!
Was this
answer
helpful?
Yes
No
+1
Sunday, October 11th, 2020 AT 3:20 PM (Merged)
Tiny
BMDOUBLE
  • MECHANIC
  • 1,139 POSTS
You will need to trace the gray with brown wire from the left rear turn signal bulb to the body control module at the front passenger side kick panel. If the fuse is good but there is no power out of the gray/brown wire at the body control module, try to disconnect the body control module for 5 minutes or if you have a scan tool, clear the codes in the BCM. The led bulbs that it previously had did not have enough resistance therefore caused excessive amperage to flow into the body control module. The purpose of the field effect transistor (fet) in the module is not only to operate the turn signals, but to also protect the module from damage, consequently there is a possibility that your body control module is faulty because of this, but you can try a few things and I supplied you a diagram with the connectors in that circuit to look for.
Was this
answer
helpful?
Yes
No
+6
Sunday, October 11th, 2020 AT 3:20 PM (Merged)
Tiny
MALINA7
  • MEMBER
  • 22 POSTS
  • 2011 FORD F-150
  • 3.5L
  • 6 CYL
  • TURBO
  • 4WD
  • AUTOMATIC
  • 133,000 MILES
I'm having an issue with the taillights. So all the parking lights work, both reverse lights work the passenger side blinker works and passenger side brake works. But the brake and blinker on driver side don't work. I put brand new light bulbs. (See photo)

After changing the light bulbs, the light still would not illuminate after hitting the brake pedal. So I checked the brake switch under the brake pedal but still nothing. I lightweight checked the wiring where the bulbs hook into but nothing. I sprayed all electrical parts with the appropriate cleaning aerosol.

What should I try next?
Was this
answer
helpful?
Yes
No
-1
Sunday, October 11th, 2020 AT 3:21 PM (Merged)
Tiny
MALINA7
  • MEMBER
  • 22 POSTS
I forgot to add photo of the brake light bulb but there it is.
Was this
answer
helpful?
Yes
No
Sunday, October 11th, 2020 AT 3:21 PM (Merged)
Tiny
SCGRANTURISMO
  • MECHANIC
  • 4,897 POSTS
Hello,

This could be a problem with splice #408 which connects the ground wire for the left tail light/blinker to the ground wire for the right one and grounds them both together. If the splice is okay look at the ground wire for an open. In the diagrams down below I have included a wiring diagram for the exterior lighting on your vehicle, location of splice #408, and a guide for how to locate an open on an electrical automotive circuit. You will need to use a digital multi-meter (DMM) to do this so here is a link for a guide on that also:

https://www.2carpros.com/articles/how-to-use-a-voltmeter

Please go through these guides and get back yo us with what you are able to find out.

Thanks,
Alex
2CarPros
Was this
answer
helpful?
Yes
No
+4
Sunday, October 11th, 2020 AT 3:21 PM (Merged)
Tiny
MALINA7
  • MEMBER
  • 22 POSTS
I checked the splice #408 and its fine. So I guess its on to the next step
Was this
answer
helpful?
Yes
No
Sunday, October 11th, 2020 AT 3:21 PM (Merged)
Tiny
SCGRANTURISMO
  • MECHANIC
  • 4,897 POSTS
Hello again,

Okay, well let's see if you are receiving voltage at pin #3 of the taillight connector. In the diagrams down below I have included a diagram of the taillight connector with the pin designation for you. The wire going into pin #3 is Gray/Brown. Please take a voltage reading with the lights on and get back to us with what you are able to find out.

Thanks,
Alex
2CarPros
Was this
answer
helpful?
Yes
No
Sunday, October 11th, 2020 AT 3:21 PM (Merged)
Tiny
MALINA7
  • MEMBER
  • 22 POSTS
No it isn't getting power any of them are but the lights were coming off and on like when I would open or shut the door the light comes on, but with some movement it would shut off again.
Was this
answer
helpful?
Yes
No
Sunday, October 11th, 2020 AT 3:21 PM (Merged)
Tiny
SCGRANTURISMO
  • MECHANIC
  • 4,897 POSTS
Hello,

Okay, so you probably have a bad electrical connector. In the diagrams down below I have included a guide for you on how to find intermittent electrical failures and poor electrical connectors for reference. To replace the electrical connector you will have to get a new connector and splice it/them into the circuit. To do this you will need a pair of wire stripper/crimpers, and some butt connectors (one for each wire). Snip one wire at a time and splice the new connector into the vehicle's wiring harness, the wire that was just snipped. Peel some insulation off each of the wires and secure them together with a butt connector by crimping down on the butt connector on each end as the wire is inserted. Make sure not to leave any bare wire showing, and get back to us with how everything turns out.

Thanks,
Alex
2CarPros
Was this
answer
helpful?
Yes
No
Sunday, October 11th, 2020 AT 3:21 PM (Merged)
Tiny
DRCCBJR
  • MEMBER
  • 38 POSTS
  • 2006 FORD F-150
  • 65,000 MILES
My feft turn signal does not work. Fuses are fine. Left rear bulb was replace with a new bulb. All lights works accept the left turn signal. Do I need to replace the left front bulb? If so, How do I get to the area to replace it? The left rear bulb have two connections on the bulb. The right rear bulb has only a single connection.
Was this
answer
helpful?
Yes
No
+1
Sunday, October 11th, 2020 AT 3:22 PM (Merged)
Tiny
CARADIODOC
  • MECHANIC
  • 34,489 POSTS
You know you can't have two different bulbs on each side unless there's multiple sockets and you mixed two of them up. If there's two contacts in the middle of the socket there has to be two contacts on the bottom of the bulb. The single contact sockets and bulbs are for the backup lights, and those will have a single filament inside. The double-contact bulbs have two filaments. One is for the tail light and one is for the brake and signal light. Start by sorting that out.
Was this
answer
helpful?
Yes
No
Sunday, October 11th, 2020 AT 3:22 PM (Merged)
Tiny
DRCCBJR
  • MEMBER
  • 38 POSTS
Thank you. The bulb on the left has two filaments and the one on the left has only one filament. I have never had any changes to the electrical system. Do I need to replace the front left bulb or does this matter? I would appreciate your response. If you can't, I understand. Thanks again.
Was this
answer
helpful?
Yes
No
+1
Sunday, October 11th, 2020 AT 3:22 PM (Merged)
Tiny
CARADIODOC
  • MECHANIC
  • 34,489 POSTS
The two sides can't be different so something is wrong there. For now, what is the symptom? Do the left signals light up but not flash or do they not even light up? If they light up but don't flash, that is because there's not enough current flowing through the flasher to warm up the heating element, and that is caused by one or more bulbs burned out, so yes, check the front bulbs to see if they're lit up.

If the bulbs don't even light up, front or rear, on just the left side, that could be due to a defective signal switch or a break in the wiring. If it's the signal switch none of the bulbs will light up. Depending where a break is in the wiring, you could have the front one light up but not the rear, (that's the most common failure), or they all could not light up. The additional clue is if you turn the signals off, then the left bulbs work with the brake pedal pressed, as they should, that proves the wiring to the rear is okay and the problem is likely the signal switch.

There could also be a break in the wire going to the front signal bulb. That one would not light up but the rear ones would. They just wouldn't flash.
Was this
answer
helpful?
Yes
No
+1
Sunday, October 11th, 2020 AT 3:22 PM (Merged)
Tiny
DRCCBJR
  • MEMBER
  • 38 POSTS
Thank you. You really know your mechanics. There was water in the socket and it begin to work when it dried. Thank you very much.
Was this
answer
helpful?
Yes
No
Sunday, October 11th, 2020 AT 3:22 PM (Merged)
Tiny
DRCCBJR
  • MEMBER
  • 38 POSTS
Thank you.
Was this
answer
helpful?
Yes
No
Sunday, October 11th, 2020 AT 3:22 PM (Merged)
Tiny
CARADIODOC
  • MECHANIC
  • 34,489 POSTS
Yes, I'm a genius. I have lots of people fooled.

I'm still questioning the different sockets on each side, and I don't doubt it's working now, but I'd prefer to see it for myself. Seeing is believing. Water really shouldn't cause a problem but you might want to check for corrosion on the contacts from previous moisture. You can clean them with some fine sandpaper. Also look at the contacts in the socket to see if one has melted into the plastic. Spring pressure will pull it away from the bulb's contact and could cause intermittent operation. Instead of replacing the socket you can melt a little blob of extra solder onto the bulb's contacts but you would have to remember to do that again if that bulb burns out.
Was this
answer
helpful?
Yes
No
Sunday, October 11th, 2020 AT 3:22 PM (Merged)
Tiny
DRCCBJR
  • MEMBER
  • 38 POSTS
Thanks again. I will have it checked.
Was this
answer
helpful?
Yes
No
Sunday, October 11th, 2020 AT 3:22 PM (Merged)
Tiny
WILLIEMAC88
  • MEMBER
  • 1 POST
  • 2005 FORD F-150
  • 92,500 MILES
My brake lights, turn signals, and 4 way flashers dont work. I checked the fuses and found the fuse that controls those 3 things was blown. I replaced it and everything worked until I pressed on the breaks and it blew the fuse again. What would cause this to happen?
Was this
answer
helpful?
Yes
No
Sunday, October 11th, 2020 AT 3:22 PM (Merged)
Tiny
WRENCHTECH
  • MECHANIC
  • 20,761 POSTS
That indicates you have a short somewhere in the brake light circuit and you will have to start disconnecting lights and components until it stops blowing fuses to isolate the short.
Was this
answer
helpful?
Yes
No
Sunday, October 11th, 2020 AT 3:22 PM (Merged)

Please login or register to post a reply.