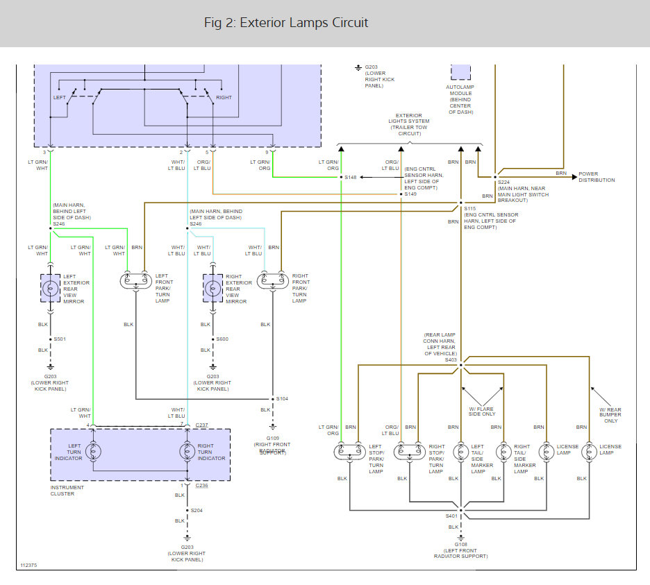
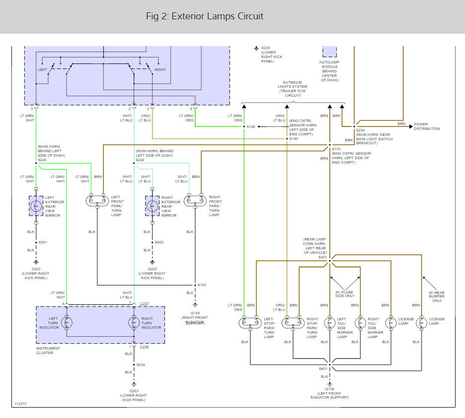
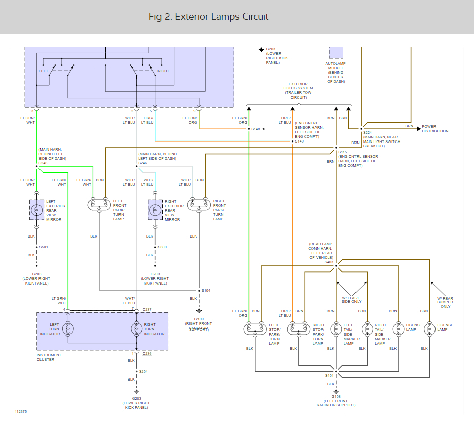
Had intermittent problems with both left and right turn signals. Changed multi function switch and then changed flasher relay. Bought 2nd new flasher relay and put that in thinking the flasher must be the problem. No blown fuses. Bulbs work for hazard circuit. I get one or two clicks at best and then nothing. Possible open circuit? But the socket connections and wires in the flasher circuit do not appear to be corroding. My owners manual lists no other flasher relay for signal lights in the power distribution box. Haynes manual exterior lighting diagram shows a blower/flasher relay block, but my flasher plugs into a block with the hazard relay just to the right of the steering column. Help
Monday, March 2nd, 2009 AT 5:34 PM










