Cigrete lighter is not working

Tiny
AURANG51
  • MEMBER
  • 2010 TOYOTA COROLLA
  • 40,000 MILES
I have Toyota 1.8 Altis 2010 manual gear. The Cigret lighter is not working. Fuses have been checked but there is no spcific indication in fuse box for cig. Lighter. Also all existing fuses are ok. The conection to cig. Lighter is also inorder.
Friday, January 20th, 2012 AT 6:19 PM

41 Replies

Tiny
PROAUTOTECH
  • MECHANIC
  • 288 POSTS
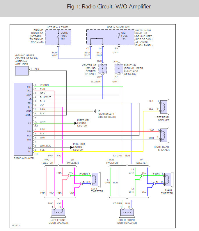
There is a 15 amp CIG fuse in the fuse panel by the drivers compartment here is a guide to help check it and the fuse located in the diagrams below.

https://www.2carpros.com/articles/how-to-check-a-car-fuse

Check out the diagrams (Below). Please let us know if you need anything else to get the problem fixed.
Was this
answer
helpful?
Yes
No
Friday, January 20th, 2012 AT 6:26 PM
Tiny
CASEMAKER
  • MEMBER
  • 3 POSTS
  • 2009 TOYOTA COROLLA
  • 11,000 MILES
I want to install a solar battery charger in my Corolla but wire it permanently, not through the cigarette lighter socket, which is controlled through the ignition.
Is there a connection point that will go directly to the battery but disconnect when the ignition key turns on?
Was this
answer
helpful?
Yes
No
Tuesday, August 11th, 2020 AT 5:08 PM (Merged)
Tiny
CARADIODOC
  • MECHANIC
  • 34,468 POSTS
Not aware of anything that turns off when the ignition switch is on but you can do what you want by adding a diode in series with the solar cell. That's a one-way valve for electricity that will allow current to flow from the solar cell to the battery any time. You do not have to disconnect the solar cell just because the engine is running but system voltage does go up a little from 12.6 volts to as high as 14.75 volts. If that 14.75 volts is higher than what the solar cell produces, the diode will prevent current from flowing backward through it.

If you really want the solar cell to be disconnected when the ignition switch is on, you can use a relay. When the ignition switch and relay are off, you use the "normally closed" (NC) contact to connect the solar cell to the battery. Turning the ignition switch and relay on makes that contact go "open circuit" which disconnects it. I can draw you a diagram if you want to do it that way. Relays like that are real common and you can find them in lots of cars in the salvage yard. I used a lot of Chrysler relays for my radio display at old car show swap meets. The relay must have 5 terminals. Those are more common than those with only the four terminals that are always needed.
Was this
answer
helpful?
Yes
No
Tuesday, August 11th, 2020 AT 5:08 PM (Merged)
Tiny
CASEMAKER
  • MEMBER
  • 3 POSTS
Thanks for the quick reply. The manufacturer of the solar cell seems to want a mechanical disconnect so that's why I didn't go for the diode.
I was hoping there might be an existing relay on board, with some unused contacts but if not, I will have to get one.
Was this
answer
helpful?
Yes
No
Tuesday, August 11th, 2020 AT 5:08 PM (Merged)
Tiny
KHLOW2008
  • MECHANIC
  • 41,814 POSTS
One way of setting this up is with the installation of an "A" relay. When the relay is not powered, you have continuity and when relay is powered, it turns off the circuit.
Was this
answer
helpful?
Yes
No
Tuesday, August 11th, 2020 AT 5:08 PM (Merged)
Tiny
CARADIODOC
  • MECHANIC
  • 34,468 POSTS
That's the fifth terminal on the common five-terminal relays.

I'm very familiar with Chrysler's automatic shutdown (ASD) relay. They have five terminals but only four wires in the socket. When that relay is off, as in the engine is not rotating, the common contact is connected to the unused terminal, and it is connected directly to the battery positive cable. If you have something similar on your car, or a fuel pump relay with a fifth terminal, you might be able to add a terminal and wire to the socket and use that. Otherwise just say the word and I'll draw a picture of how to wire in a separate relay.
Was this
answer
helpful?
Yes
No
Tuesday, August 11th, 2020 AT 5:08 PM (Merged)
Tiny
CASEMAKER
  • MEMBER
  • 3 POSTS
Well, since you offered: I haven't worked on the Corolla before so if you could point out the best fused location to tap into a direct positive connection (other than the battery) where I can connect the relay.
Was this
answer
helpful?
Yes
No
Tuesday, August 11th, 2020 AT 5:08 PM (Merged)
Tiny
CARADIODOC
  • MECHANIC
  • 34,468 POSTS
Sorry for the delay. Just got back from deer hunting for the first time.

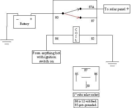
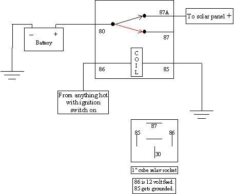
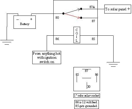
This is the very common 1" cube relay used on many Chrysler and Ford vehicles. Terminal 87A is rarely used. In the diagram, the relay is shown in the at-rest, or turned-off position. Terminals 30 and 87 are making contact. 80 goes to the battery positive post, (or to anything in the fuse box that is always live). 87A goes to the positive wire of the solar cell. Current will flow from the solar cell into terminal 87A, to terminal 80, and to the battery positive terminal.

When the ignition switch is turned to the "run" position, the magnetic field from the coil pulls the movable contact from 87A to 87, (shown in red). 87 is what is used normally to turn something on, but in this case, since it's not connected to anything, it is turned off. No current will flow to or from the solar cell.

On many relays the ground and 12 volt feed wires to terminals 85 and 86 can be switched and it will work just fine, but these have a spike suppression diode added across the coil to short out those spikes that occur when the coil current is switched off, just like in an ignition coil. Diodes are one-way valves for electrical current and these are in the circuit backward so they conduct no current. Reversing the two wires will cause unlimited current to flow and the diode will instantly overheat, short, and smoke. The diode will either burn open, at which time the relay will work normally, or it will draw high current and blow the fuse for the circuit feeding the 12 volts to it in the "run" position. You may be able to pop the cover off and see the diode inside, and cut one or both ends of it, or just fetch another relay and wire it correctly. You'll find a half dozen in every car in the salvage yards.

You don't need a socket for this relay. Just use four crimp-on solderless terminals on the end of the wires, or you can just solder the wires to the terminals.
Was this
answer
helpful?
Yes
No
Tuesday, August 11th, 2020 AT 5:08 PM (Merged)
Tiny
SHELLY5990
  • MEMBER
  • 1 POST
  • 2008 TOYOTA COROLLA
Electrical problem
2008 Toyota Corolla 4 cyl Automatic 21000 miles

I was using a portable air compressor that plugs into the cigarette lighter in my car it refill air into my tires the other day. When I removed the plug from my cigarette lighter, a part of it (which I was told was the fuse) remained stuck in my cigarette lighter socket. Does anyone know how to get this out safely?
Was this
answer
helpful?
Yes
No
Tuesday, August 11th, 2020 AT 5:08 PM (Merged)
Tiny
MMPRINCE4000
  • MECHANIC
  • 8,548 POSTS
Remove fuse to lighter and see if you can get out with needle nose pliers.

If not, you will have to remove the lighter assy and replace it.
Was this
answer
helpful?
Yes
No
+1
Tuesday, August 11th, 2020 AT 5:08 PM (Merged)
Tiny
PETER WHITE
  • MEMBER
  • 1 POST
  • 2004 TOYOTA COROLLA
  • 4 CYL
  • 2WD
  • AUTOMATIC
  • 153,123 MILES
The radio and cigarette lighter keep malfunctioning when I put the phone charger in.
Was this
answer
helpful?
Yes
No
Tuesday, August 11th, 2020 AT 5:08 PM (Merged)
Tiny
KEN L
  • MASTER CERTIFIED MECHANIC
  • 55,335 POSTS
By malfunctioning I assume you mean the fuse blows? If so the phone charger is no good. Here is the wiring diagrams for the lighter and radio so you can see how the system works:

https://www.2carpros.com/articles/how-to-check-a-car-fuse

Check out the diagrams (below). Please let us know what happens.

Cheers, Ken
Was this
answer
helpful?
Yes
No
Tuesday, August 11th, 2020 AT 5:08 PM (Merged)
Tiny
ANTHONY_DORNEY
  • MEMBER
  • 3 POSTS
  • 2003 TOYOTA COROLLA
  • FWD
  • MANUAL
  • 78,000 MILES
I am looking for the Colour cores and polarities of the wires connected to the cigeratte lighter in a 2003 toyota corolla vvti. I am trying to hardwire my bluetooth kit replacing the lighter. There are however 3 wires and I don't know which wires I am to use.

White/Black
White/Blue
Green
Was this
answer
helpful?
Yes
No
Tuesday, August 11th, 2020 AT 5:08 PM (Merged)
Tiny
JACOBANDNICKOLAS
  • MECHANIC
  • 110,192 POSTS
Use a test light to determine which is hot all the time. Then check for which goes to ground. If I recall, the green is the ground, but double check making sure no power is going through it.
Was this
answer
helpful?
Yes
No
Tuesday, August 11th, 2020 AT 5:08 PM (Merged)
Tiny
MBARTOLO
  • MEMBER
  • 1 POST
  • 1999 TOYOTA COROLLA
Smells problem
1999 Toyota Corolla 4 cyl Automatic 80,949 miles

I recently bought this car toyota '99, and has a smell of cigarettes from the previous owner, how do I get rid of the smell?
Was this
answer
helpful?
Yes
No
Tuesday, August 11th, 2020 AT 5:08 PM (Merged)
Tiny
MMPRINCE4000
  • MECHANIC
  • 8,548 POSTS
Shampoo the seats, carpet and anything else you can get to.
Use Armor-All on all the hard plastic surfaces. This is very difficult to completely get rid of.
Also change the cabin filter (if equipped).
Was this
answer
helpful?
Yes
No
Tuesday, August 11th, 2020 AT 5:08 PM (Merged)
Tiny
JAMESTAN
  • MEMBER
  • 1 POST
  • 1999 TOYOTA COROLLA
  • 4 CYL
  • 2WD
  • MANUAL
The cigarette lighter was working fine until I plugged in a in-car phone charger. I turned the charger a bit and then my radio go off. I suspect that the fuse could have blew when I tried to turn it. Could you please tell me how to fix the cigarette lighter and replace the fuse?
Was this
answer
helpful?
Yes
No
Tuesday, August 11th, 2020 AT 5:10 PM (Merged)
Tiny
KHLOW2008
  • MECHANIC
  • 41,814 POSTS
Hello,

Here is a guide to help check the fuse #31 with the fuse locations and diagrams below.

https://www.2carpros.com/articles/how-to-check-a-car-fuse

Check out the diagrams (Below). Please let us know if you need anything else to get the problem fixed.
Was this
answer
helpful?
Yes
No
Tuesday, August 11th, 2020 AT 5:10 PM (Merged)
Tiny
SOYAB
  • MEMBER
  • 2 POSTS
  • 1998 TOYOTA COROLLA
Toyota corolla gs. Cigarette light not working how can I fix it?
Was this
answer
helpful?
Yes
No
Tuesday, August 11th, 2020 AT 5:10 PM (Merged)
Tiny
JDL
  • MECHANIC
  • 16,098 POSTS
A gs isn't listed in my database, but, did you check the cig fuse, use a voltage tester see if any voltage on the circuit as well as check the fuse.
Was this
answer
helpful?
Yes
No
Tuesday, August 11th, 2020 AT 5:10 PM (Merged)

Please login or register to post a reply.