4Lo blinking?

Tiny
JAISHANET
  • MEMBER
  • 2009 TOYOTA LANDCRUISER
  • 6 CYL
  • 4WD
4Lo blinking, what does it mean? Is there something wrong with the car? What shall I do? How can I fix the problem?
Tuesday, June 10th, 2014 AT 5:46 AM

29 Replies

Tiny
KEN L
  • MASTER CERTIFIED MECHANIC
  • 55,499 POSTS
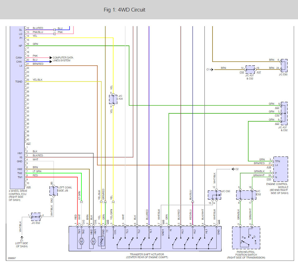
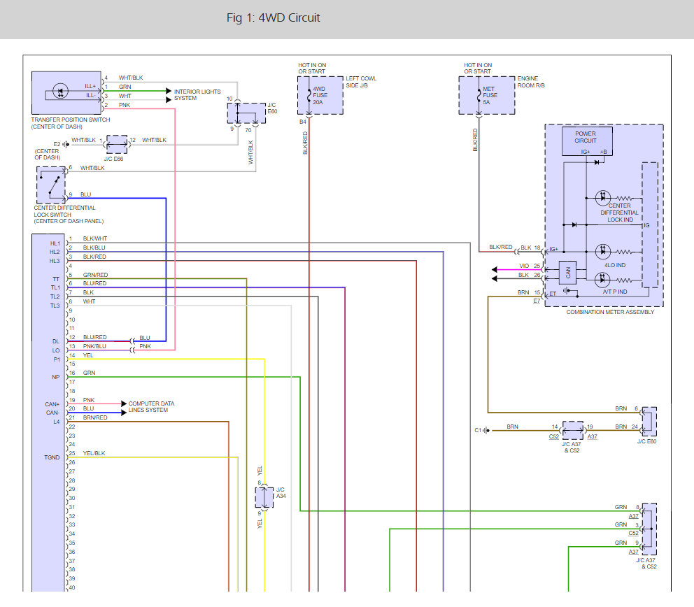
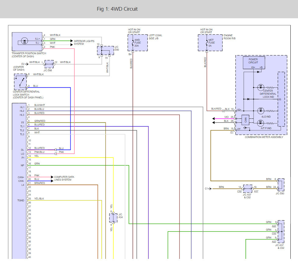
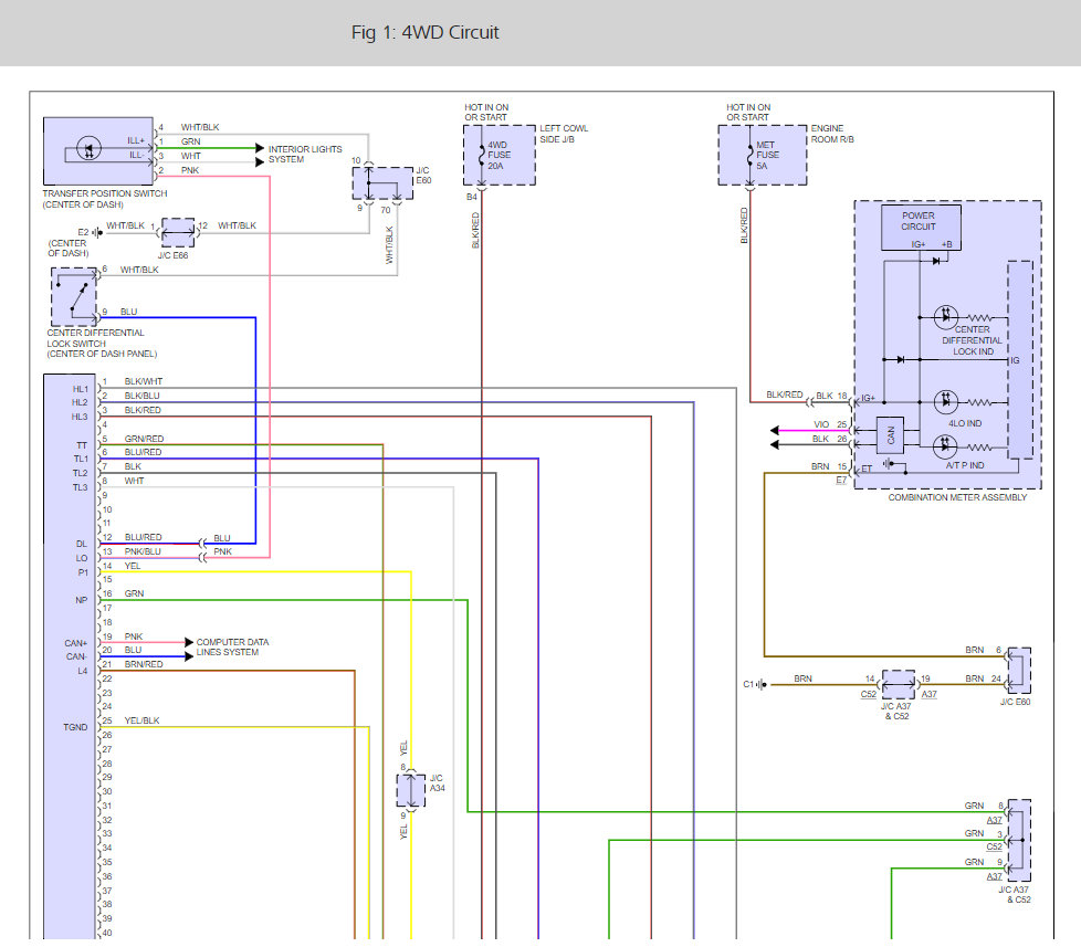
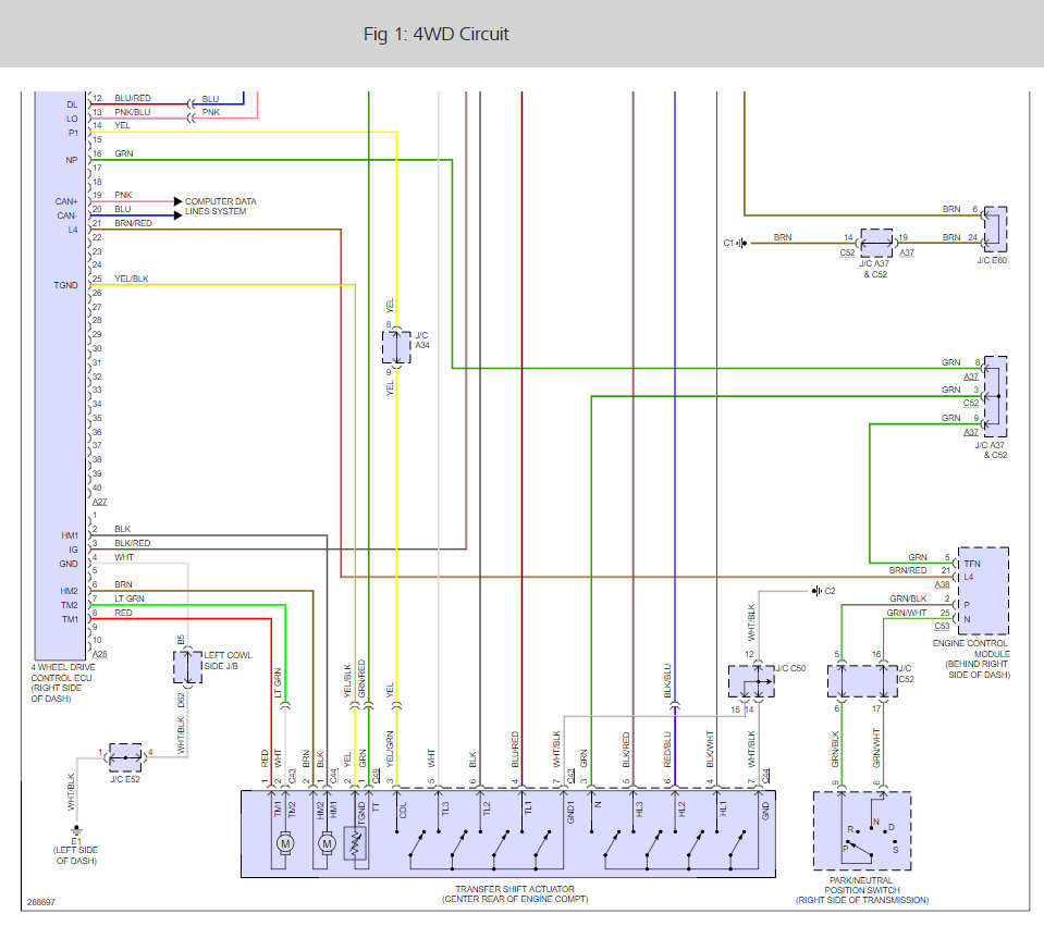
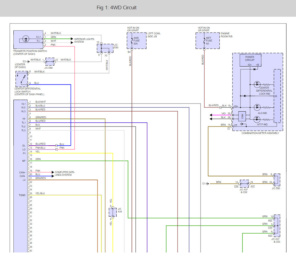
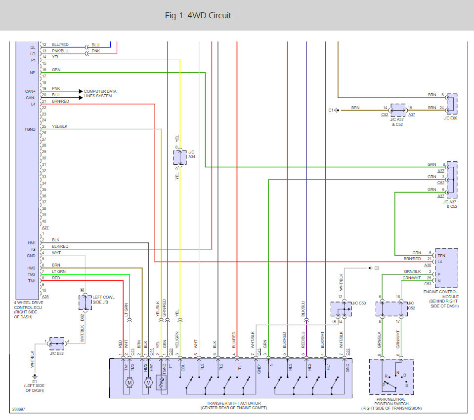
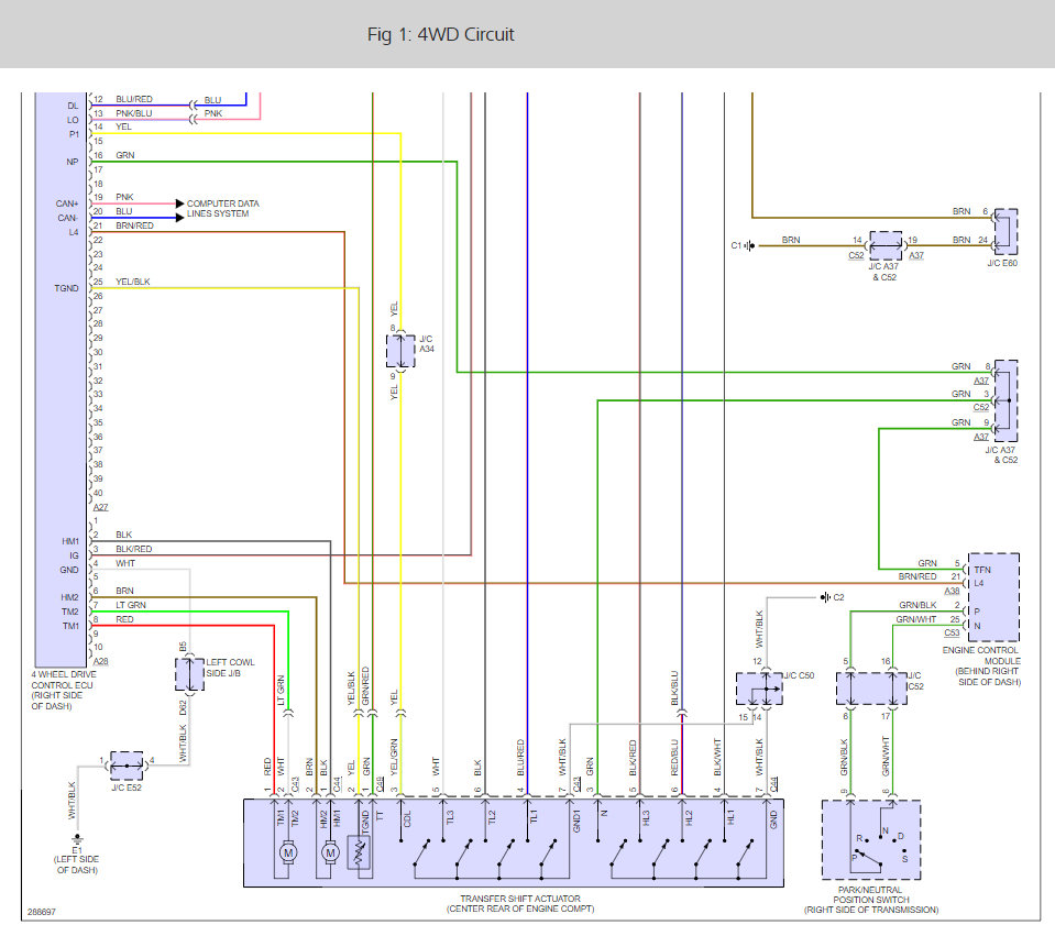
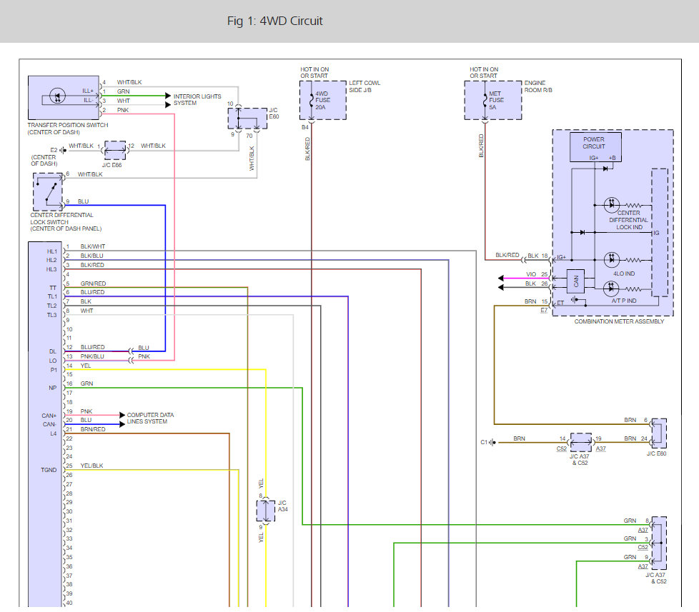
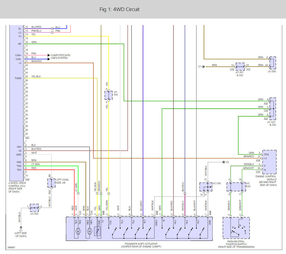
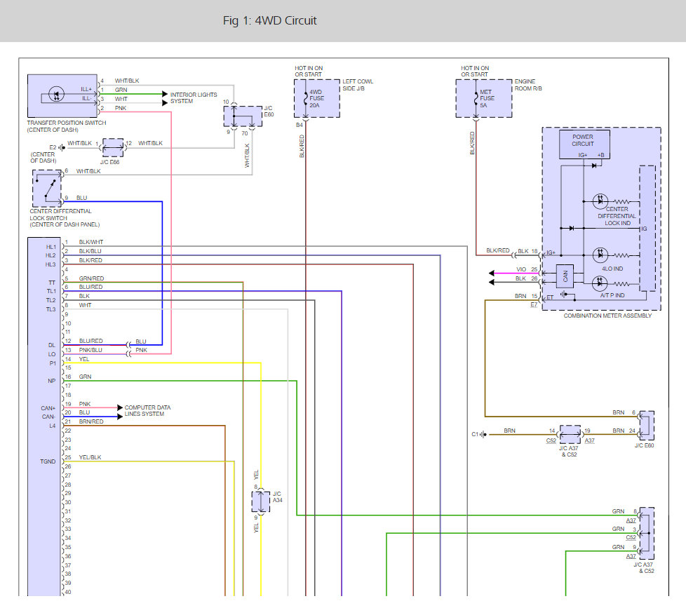
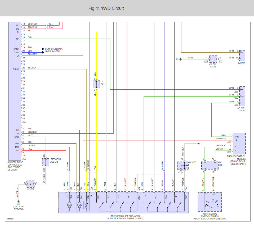
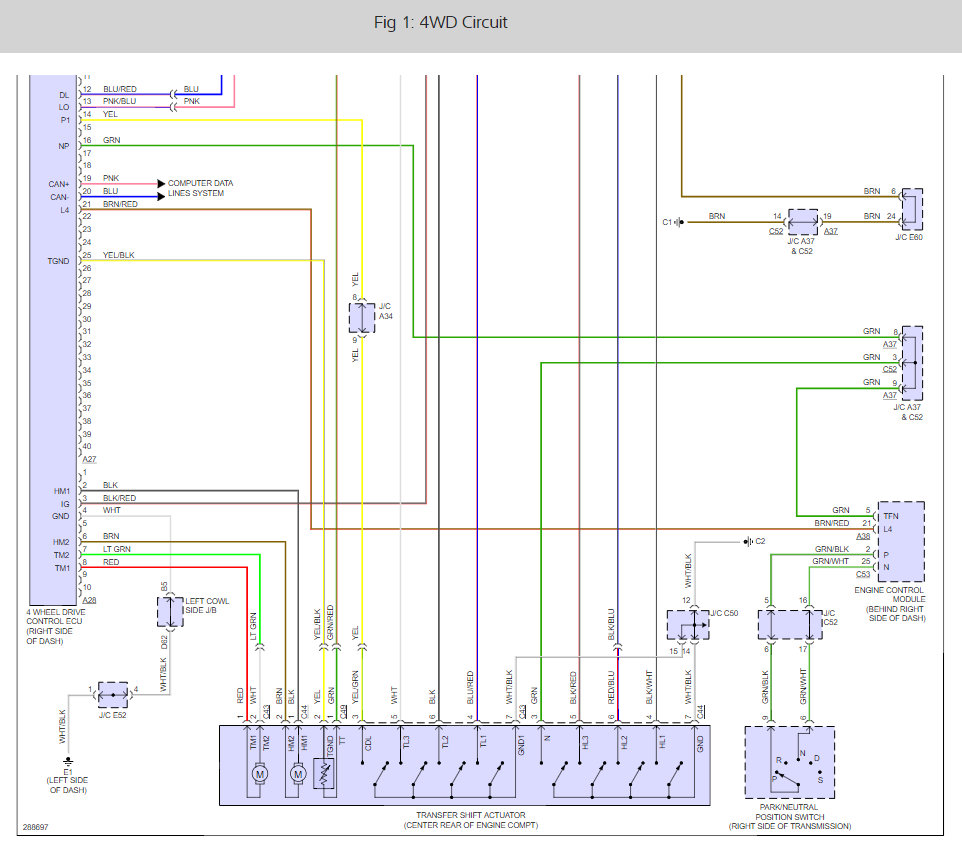
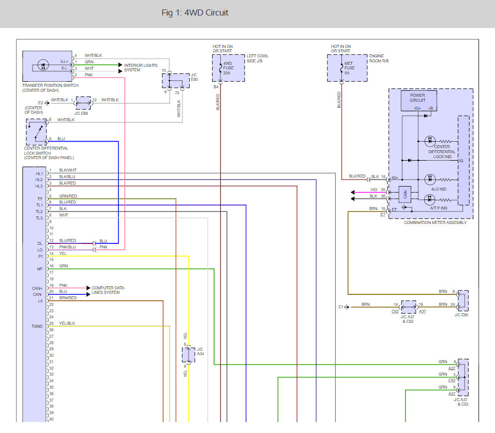
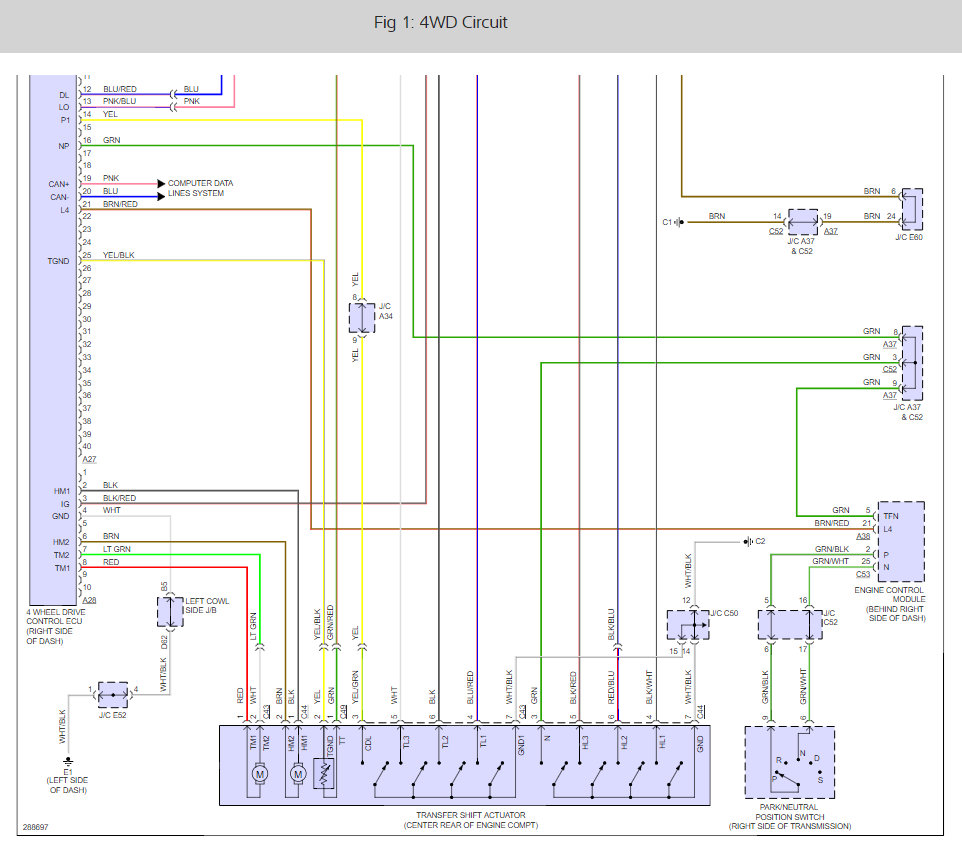
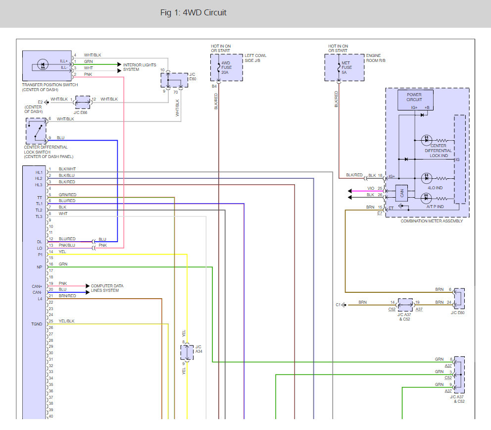
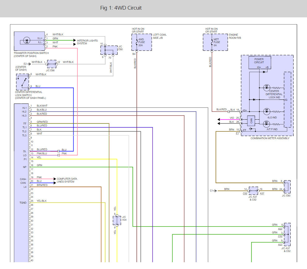
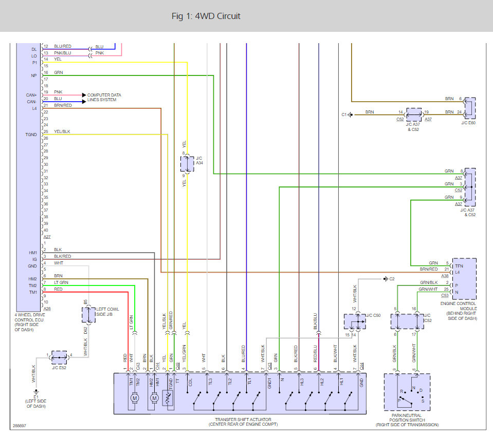
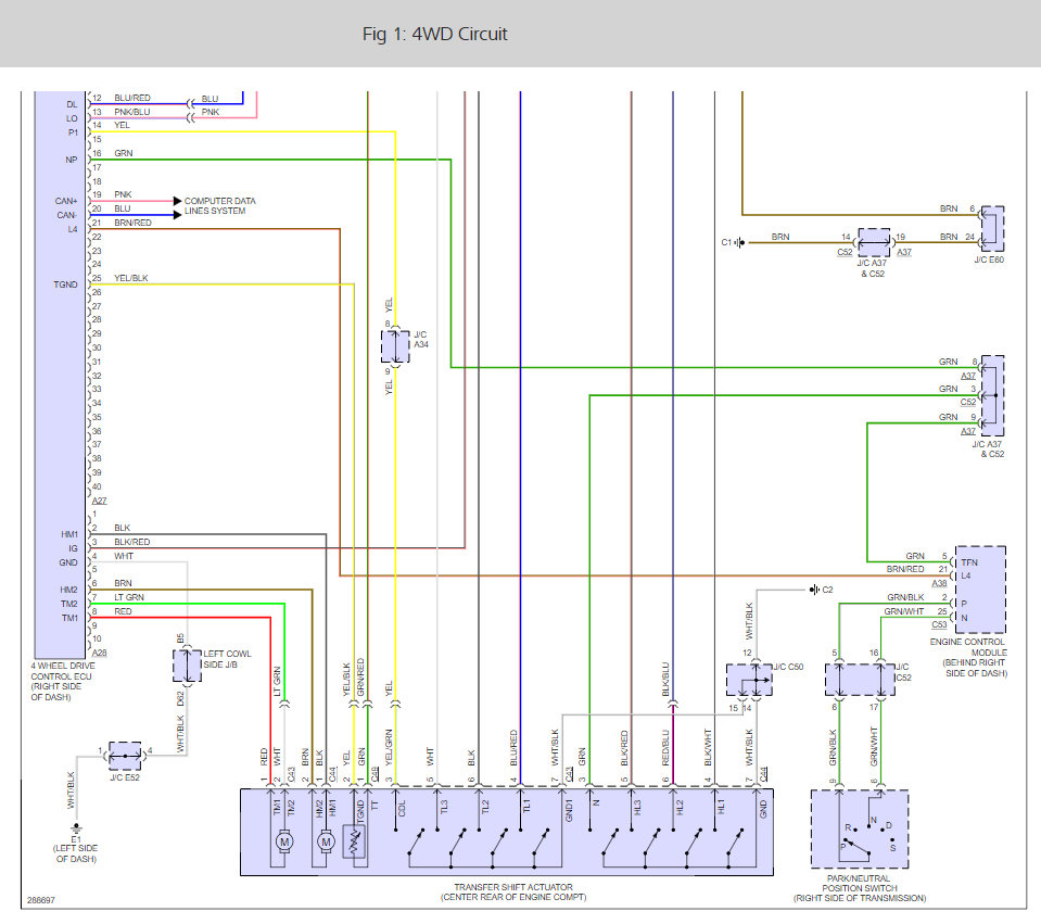
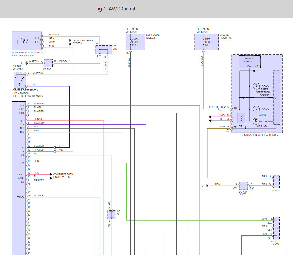
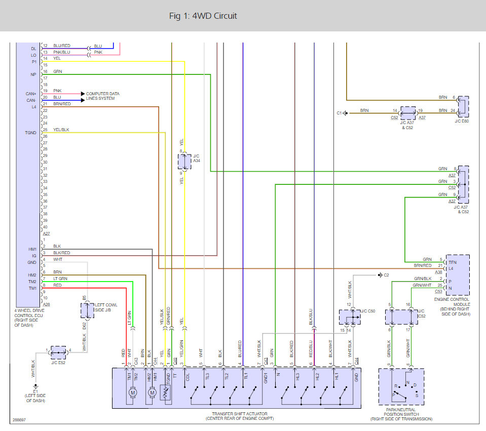
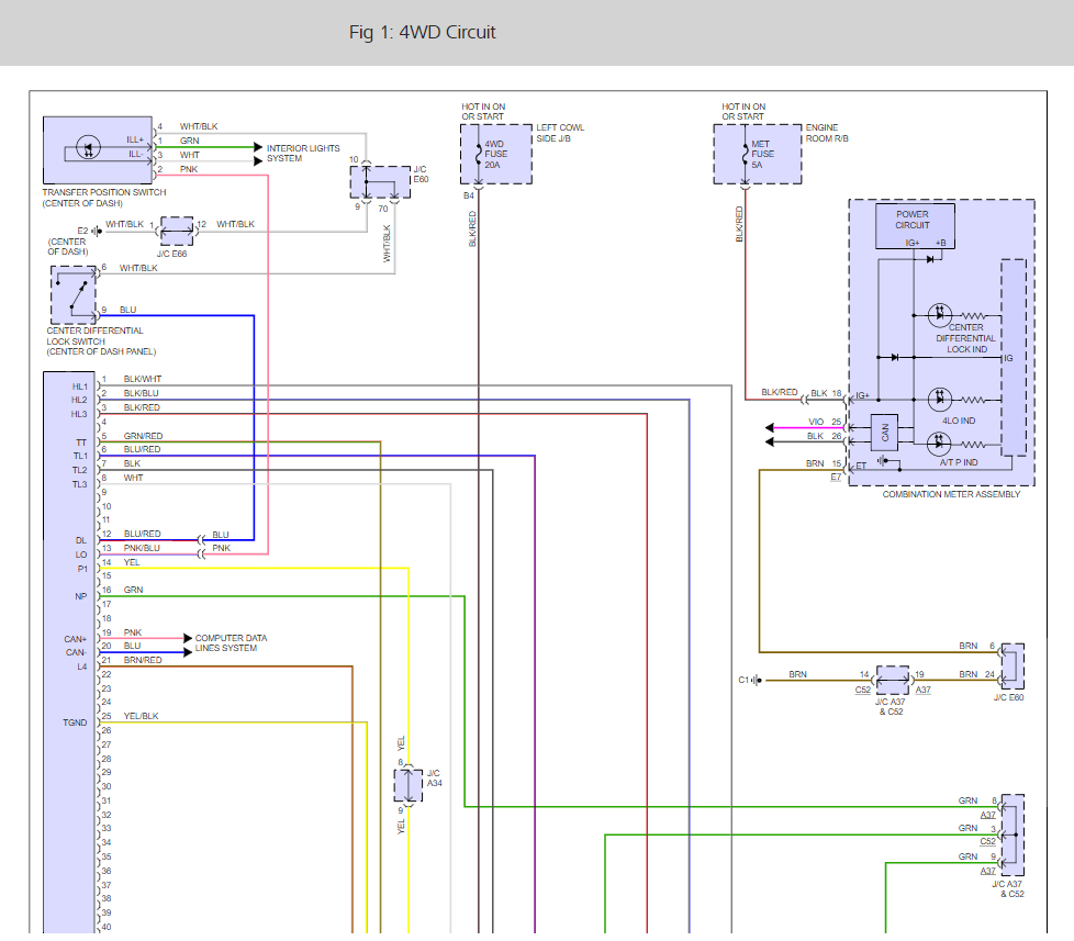
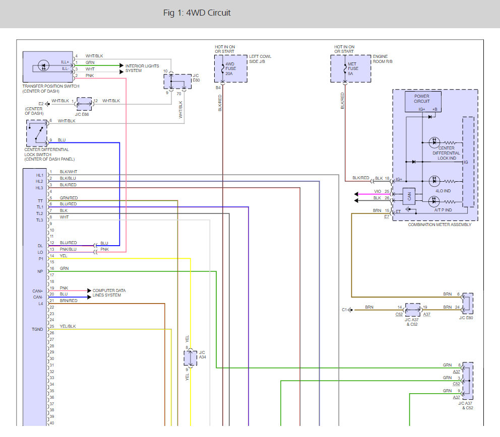
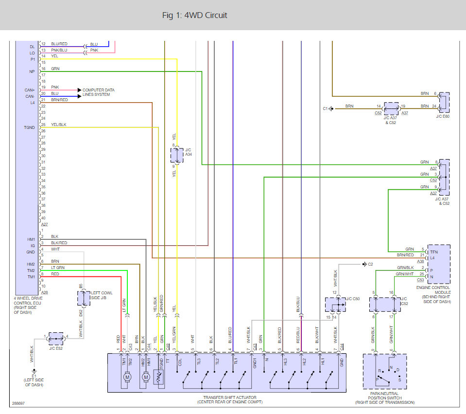
When the light blinks it means the 4wd is not working. Nine time out of ten it is the transfer case actuator which had big problems is that car. I have included two diagrams. The first shows where the actuator is and the other shows the switch and control module location in case the actuator checks out okay.

I would also check the fuse 4WD and MET because these are the two that run the system if one is out then the system will blink.

https://www.2carpros.com/articles/how-to-check-a-car-fuse

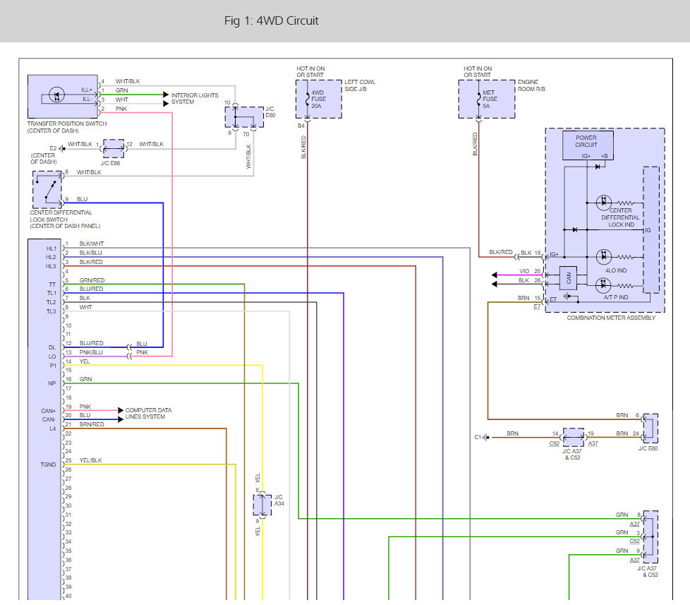
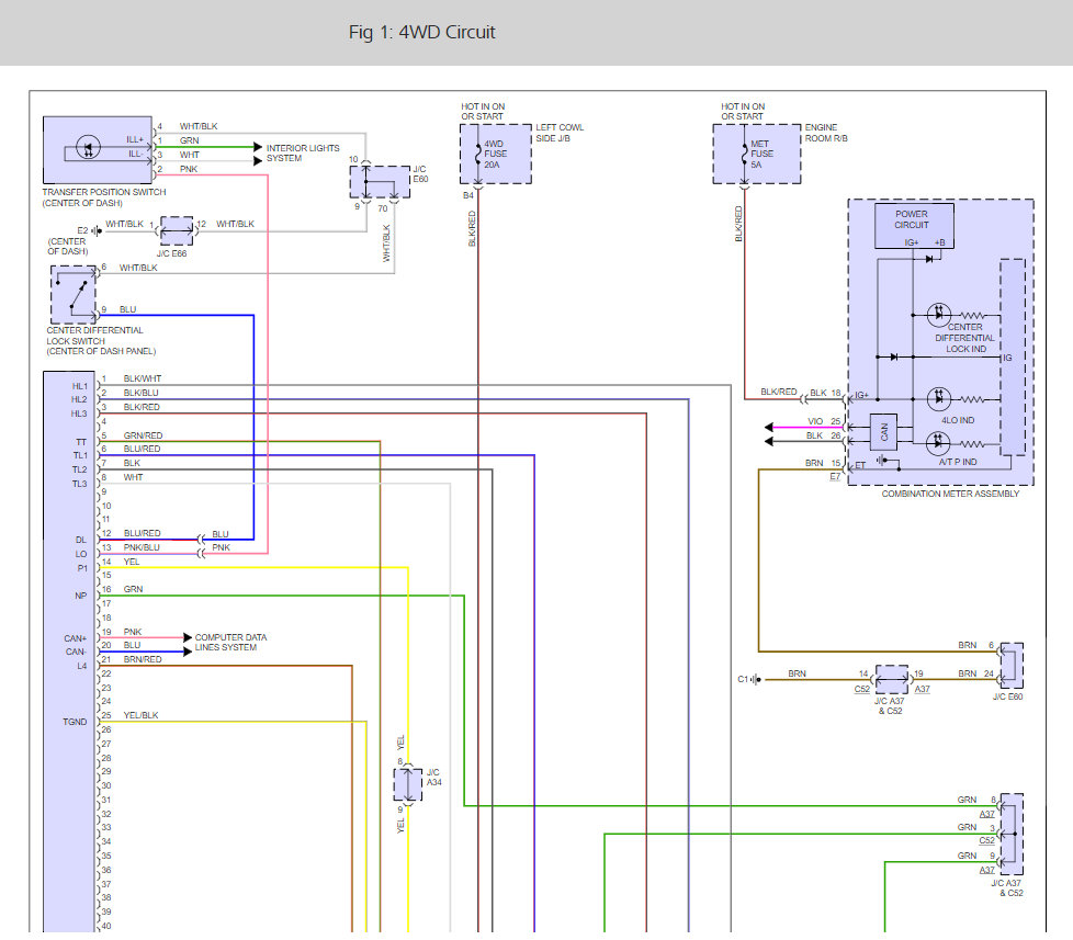
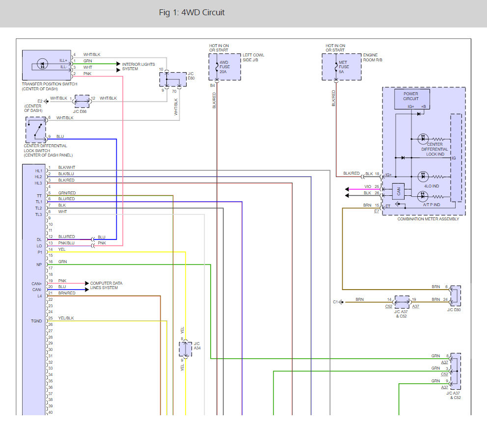
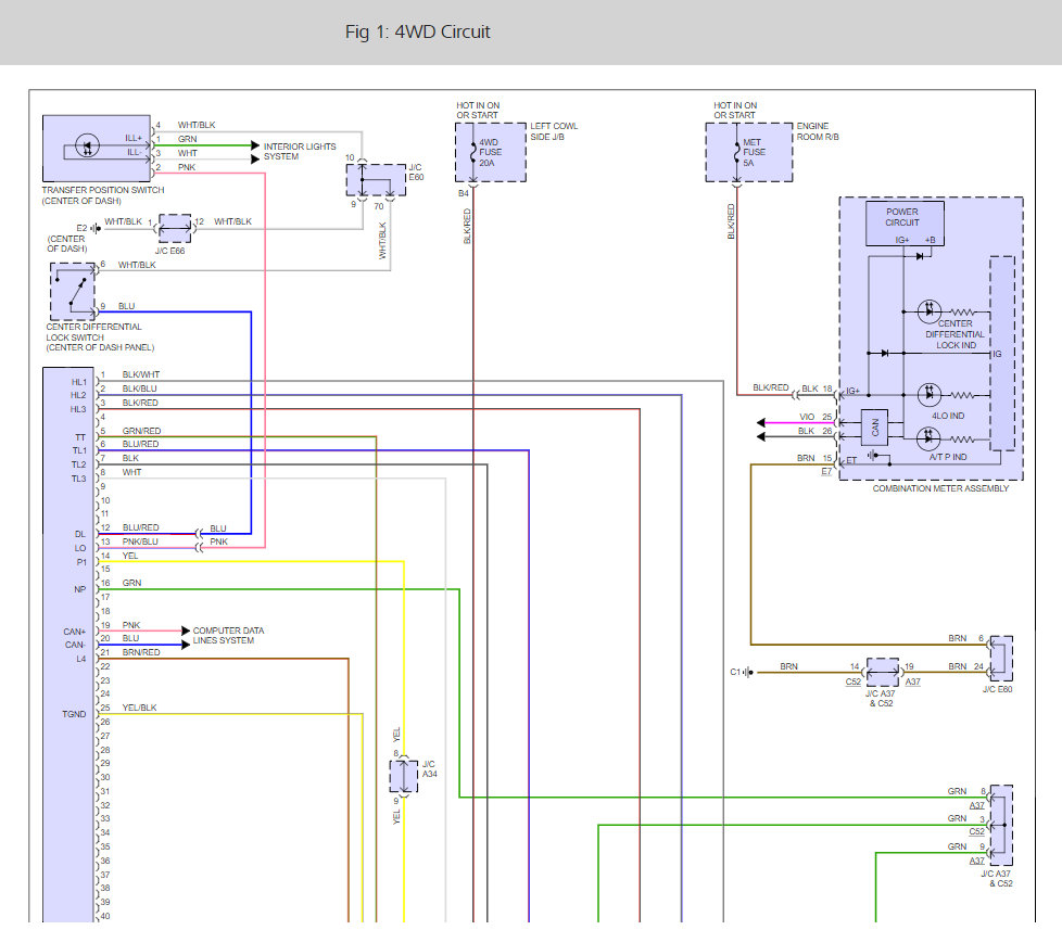
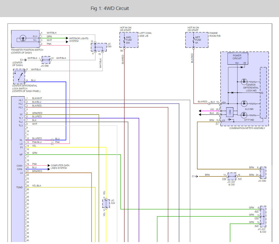
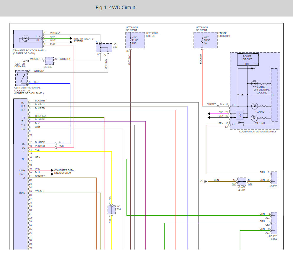
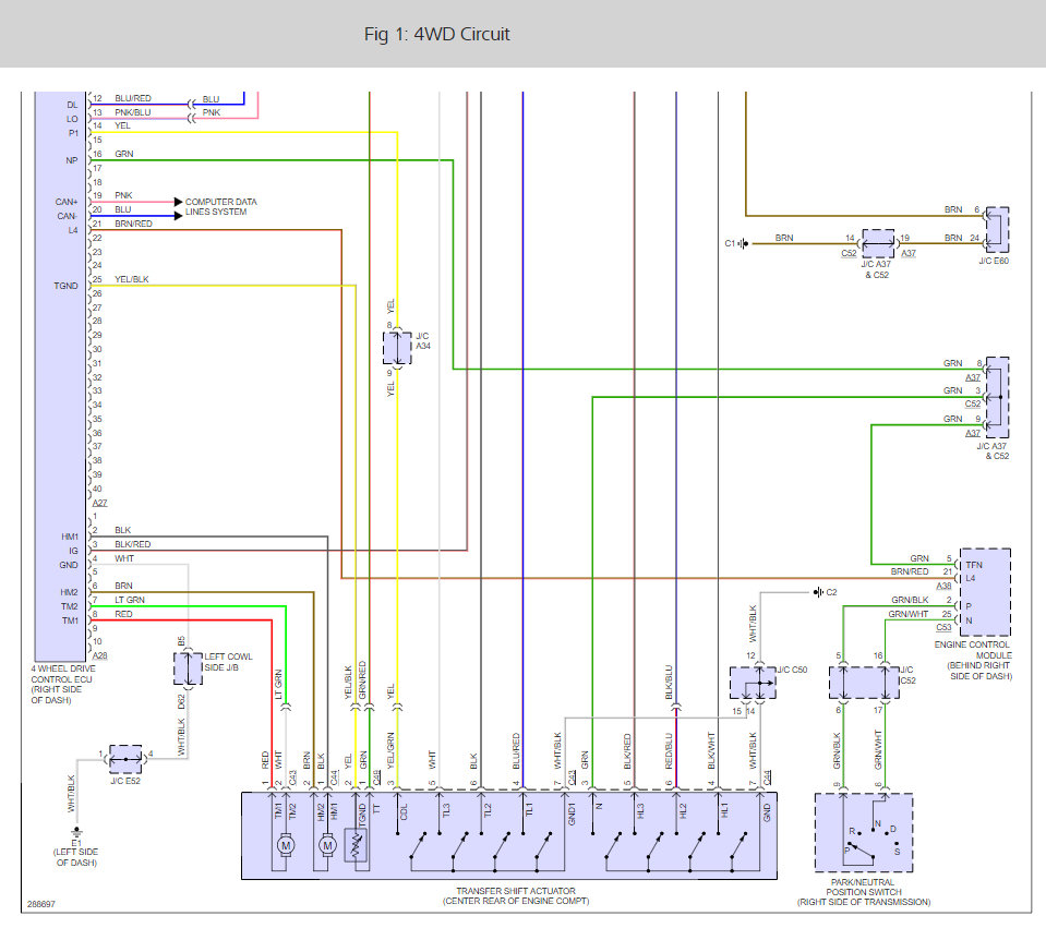
Here is the wiring diagram for the 4wd system and a guide on how to check it

https://www.2carpros.com/articles/how-to-check-wiring

If it all checks out the 4 wheel drive module is out, try to get a used one to save money. The dealer or a repair shop may need to program it in for you.

Please let us know happens so it will help others.

Best, Ken
Was this
answer
helpful?
Yes
No
+45
Friday, December 9th, 2016 AT 11:47 AM
Tiny
ARYA AZAD
  • MEMBER
  • 1 POST
  • 2008 TOYOTA LANDCRUISER
  • 4.5L
  • V8
  • 4WD
  • AUTOMATIC
4lo with engine indicators lights are on do you know what this means so crazy? I love this site.
Was this
answer
helpful?
Yes
No
+139
Friday, October 27th, 2017 AT 3:57 PM (Merged)
Tiny
KEN L
  • MASTER CERTIFIED MECHANIC
  • 55,499 POSTS
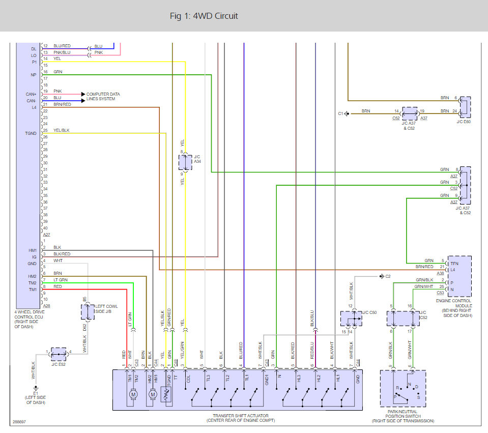
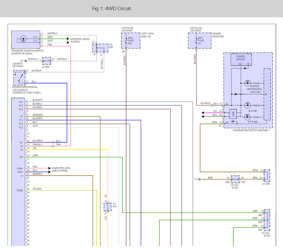
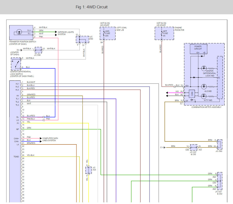
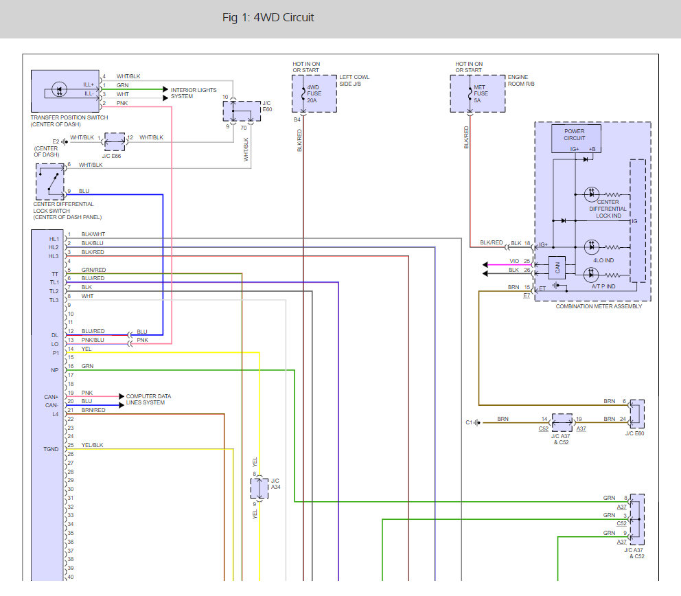
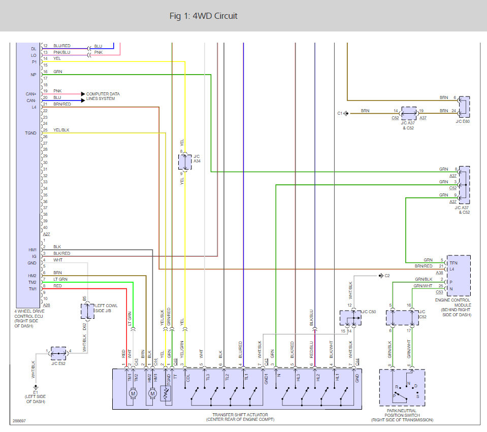
This means the transfer case is in 4 wheel drive low. If the car is driving normal and this light is on it means the position switch has come part internally and needs to be replaced, Here is a diagram that shows the switches location. (below)

https://www.2carpros.com/articles/how-to-use-a-test-light-circuit-tester

If the switch tests okay I would check the actuator motor circuits and connections.

Here is another guide that can help

https://www.2carpros.com/articles/how-to-use-a-voltmeter

Please let us know what happens.

Cheers, Ken
Was this
answer
helpful?
Yes
No
+33
Friday, October 27th, 2017 AT 3:57 PM (Merged)
Tiny
CRISTIAN2
  • MEMBER
  • 4 POSTS
Hello ppl.
I have this 2009 Land cruiser, and the 4lo light is blinking, together with the check engin light ON. I checked the fuses, are ok. If I remove the battery for few minutes, the 4lo and check engine lights are gone, 4Lo is working perfect, difflock same. All working good. But after 2/3 days, when I start the engine in the morning, the lights are back, and 4lo not working.
Can someone please tell me approximately where to search for the problem?
Thanks!
Was this
answer
helpful?
Yes
No
+115
Monday, January 15th, 2018 AT 7:39 AM
Tiny
KHLOW2008
  • MECHANIC
  • 41,814 POSTS
Hi Christian2,

You should start with a diagnostic scan to retrieve the trouble codes. Let us know the EXACT Diagnostic Trouble Code and we will try to help you figure this out.
Was this
answer
helpful?
Yes
No
+11
Monday, January 15th, 2018 AT 5:56 PM
Tiny
CRISTIAN2
  • MEMBER
  • 4 POSTS
Hello again.
Sorry for taking so long, I worked today.
So I will attach the test report. Thanks for your help
Was this
answer
helpful?
Yes
No
+6
Tuesday, January 16th, 2018 AT 6:27 AM
Tiny
KHLOW2008
  • MECHANIC
  • 41,814 POSTS
The diagnostic scan indicates 3 items related to the Check Engine and 4WD blinking.

P2240 and P2241 are faults with the O2 sensors and these results in the Check Engine Light coming on. These are usually due to faulty sensors and rectified by replacing them.

C1268 is a fault with the 4WD switch or its wiring. You would need to check for wiring or switch fault.
Was this
answer
helpful?
Yes
No
+15
Tuesday, January 16th, 2018 AT 9:39 PM
Tiny
CRISTIAN2
  • MEMBER
  • 4 POSTS
Okay than. I will try to check them by my self. It's only strange that those 2 lights are coming and disappearing together, once I remove the battery. Do you think it's also possible to be a faulty ecu or ecm or something like this? It's not my area of expertise, so sorry if I ask stupid question :D
Was this
answer
helpful?
Yes
No
+3
Tuesday, January 16th, 2018 AT 9:51 PM
Tiny
STEVE W.
  • MECHANIC
  • 15,698 POSTS
When you remove the battery the codes are erased from memory. Then when you reconnect it and run the engine they will return because the problems have not been repaired. Completely normal.
The codes all indicate circuit faults, KHLOW2008 is correct in having you check the wiring from the sensors and transfer case harnesses, these codes could all be caused by a short or broken wire in the circuit. Especially as they are intermittent. Look at the harness and any sharp corners or brackets including hitting the exhaust.
Was this
answer
helpful?
Yes
No
+7
Thursday, January 18th, 2018 AT 9:18 PM
Tiny
CRISTIAN2
  • MEMBER
  • 4 POSTS
So I found this problem in the engine compartment, but I cannot figure it out what it is. I cannot find anything on Google. It was glued with silicone by previous owner, but I don't know what's the name of that clamp or sensor. I would appreciate if you have any information. Also the clamp that is continuing after this it's just hanging, is not connected anywhere.
And a lot of melted cables from the exhaust, under the car. Most of them replaced.
Was this
answer
helpful?
Yes
No
+6
Saturday, January 20th, 2018 AT 2:09 AM
Tiny
STEVE W.
  • MECHANIC
  • 15,698 POSTS
That would be the power steering pressure sensor.
Toyota part # 8944834020
Wells # PS686
Good work finding the melted wiring.
Was this
answer
helpful?
Yes
No
+8
Saturday, January 20th, 2018 AT 5:50 AM
Tiny
ARNOLD MAGAñA
  • MEMBER
  • 3 POSTS
Question: I have a 2008 and my 4Lo is blinking and I have one code: 2440 - secondary air injection switching valve bank one is open. Thoughts on what is going on? Are the blinking 4Lo and the code related?
Was this
answer
helpful?
Yes
No
+1
Friday, July 13th, 2018 AT 10:14 AM
Tiny
STEVE W.
  • MECHANIC
  • 15,698 POSTS
That code would not cause the 4Lo light to blink. You have two different problems. For the blinking 4 lo a factory level scan tool can pull the codes that are stored in the TCM/TCCM and give you a better idea of what to check.
Was this
answer
helpful?
Yes
No
+5
Friday, July 13th, 2018 AT 2:53 PM
Tiny
ARNOLD MAGAñA
  • MEMBER
  • 3 POSTS
Thank you! I will have it checked out. Factory level scan sounds like a dealer scan?
Was this
answer
helpful?
Yes
No
+2
Friday, July 13th, 2018 AT 2:57 PM
Tiny
STEVE W.
  • MECHANIC
  • 15,698 POSTS
Dealer or a good shop. Not the free scan places, as the tools that most of them use will not read the codes in that module.
Was this
answer
helpful?
Yes
No
+2
Friday, July 13th, 2018 AT 5:02 PM
Tiny
ARNOLD MAGAñA
  • MEMBER
  • 3 POSTS
So the dealer told me it is the air injection pump that has failed and causing all the error messages. Since this will be my first repair on. Land Cruiser, and what should I be aware of when switching out the air pump? Any advice is appreciated!
Was this
answer
helpful?
Yes
No
Thursday, July 19th, 2018 AT 6:39 AM
Tiny
STEVE W.
  • MECHANIC
  • 15,698 POSTS
That would set the EGR codes as they are not getting the air that they need to operate. It is behind the splash shield on the drivers side on the US version. I would check all the hoses it uses to feed air to the system as well to be sure it is not just a plugged or broken line.
The replacement is not hard. Remove the fender liner and remove and replace the pump. Check that the connector is clean and apply a bit of dielectric grease to it to keep it dry.
Was this
answer
helpful?
Yes
No
+3
Thursday, July 19th, 2018 AT 10:21 PM
Tiny
MOHAMMED EBRAHIM
  • MEMBER
  • 2 POSTS
What is the number in box of the fuse 4LO should I change it, could you please send photo of it.
Was this
answer
helpful?
Yes
No
+10
Monday, September 30th, 2019 AT 10:26 PM
Tiny
STEVE W.
  • MECHANIC
  • 15,698 POSTS
What issue are you having with the 4WD that makes it seem like the fuse is bad? There isn't a separate fuse for 4LO, The system is powered by the single fuse labelled 4WD Fuse. If the other modes work but not 4LO you have a different issue. What vehicle are you working on?
Was this
answer
helpful?
Yes
No
+5
Tuesday, October 1st, 2019 AT 2:08 PM
Tiny
MOHAMMED EBRAHIM
  • MEMBER
  • 2 POSTS
The car TOYOTA LAND CRUISER 2010, they check everything in the car no error, and running good, the Flashing of 4LO sometime coming and going
Was this
answer
helpful?
Yes
No
+14
Wednesday, October 2nd, 2019 AT 3:09 AM

Please login or register to post a reply.