Air conditioner not working

2008 DODGE AVENGER
Avatar
UPSETDODGEOWNER
  • MEMBER
  • 1 POST
I have replaced my compressor, orifice tube, and accumulator but my air still blows out hot. There is no power to the air compressor. I know because I connected it straight to the battery and the a/c blew ice cold air. There is no such thing as the relay in this car for what I can tell and from what I am told from Dodge service department when I called them. Does anyone know what the problem could be and how I can locate and repair it?

I don't have a DVOM. The only indicator I have that it is electrical is because I connected it to the battery. Yes to all additional questions.


Thank you.
Jul 12, 2013 at 8:37 AM
Advertisement
Avatar
STRAILER
  • CAR REPAIR CONTRIBUTOR
  • 54,270 POSTS
Hello,

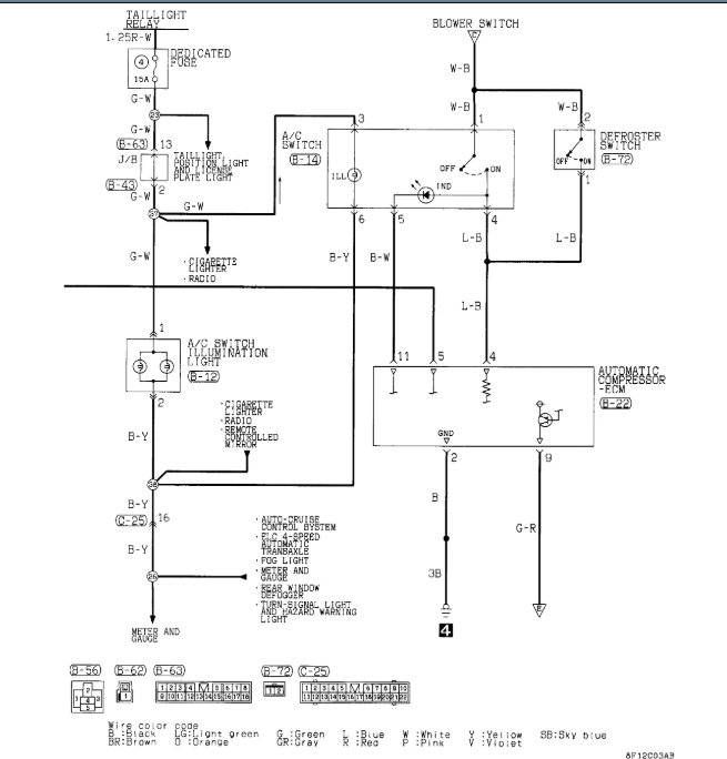
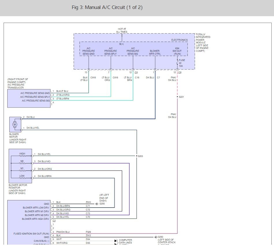
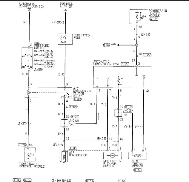
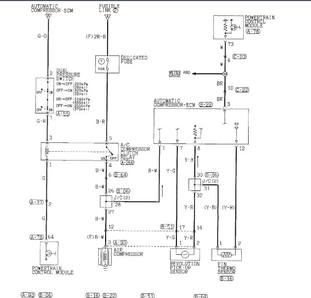
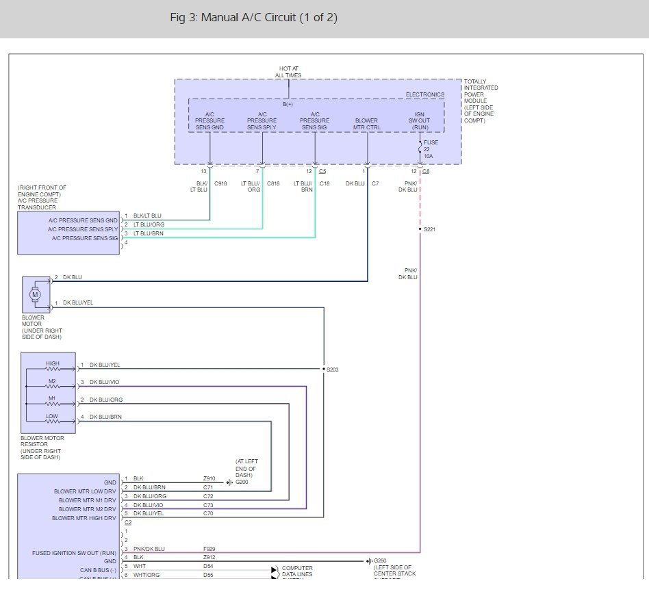
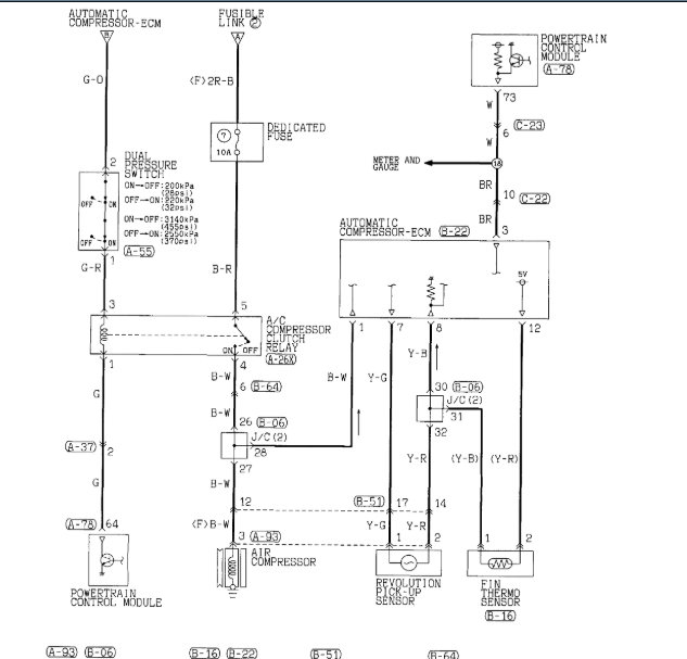
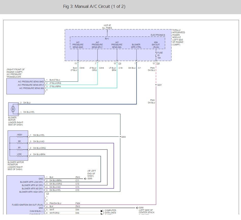
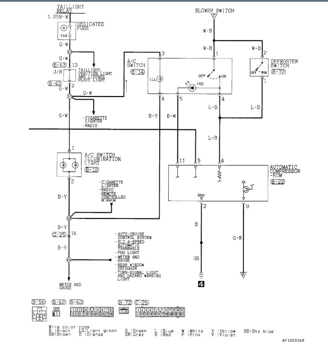
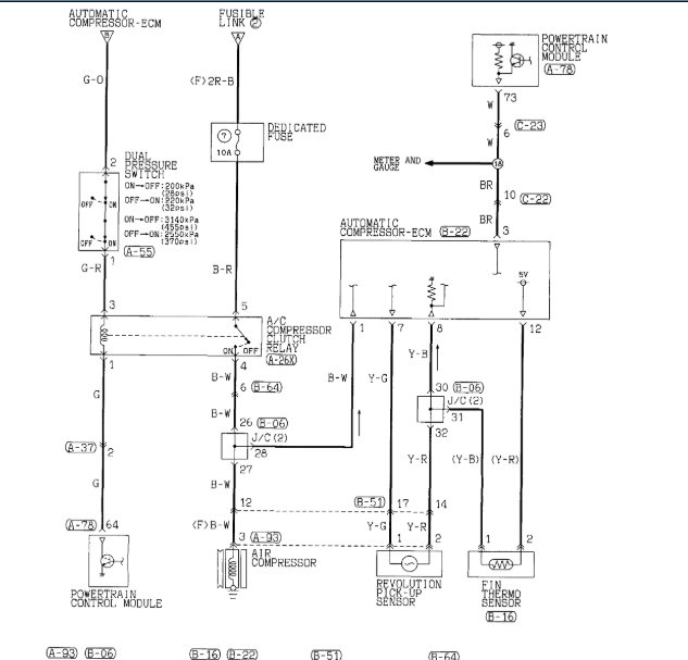
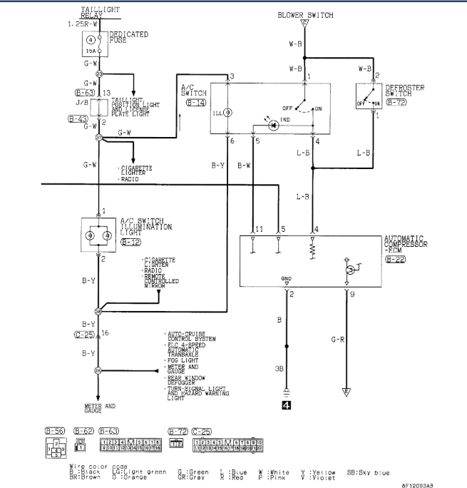
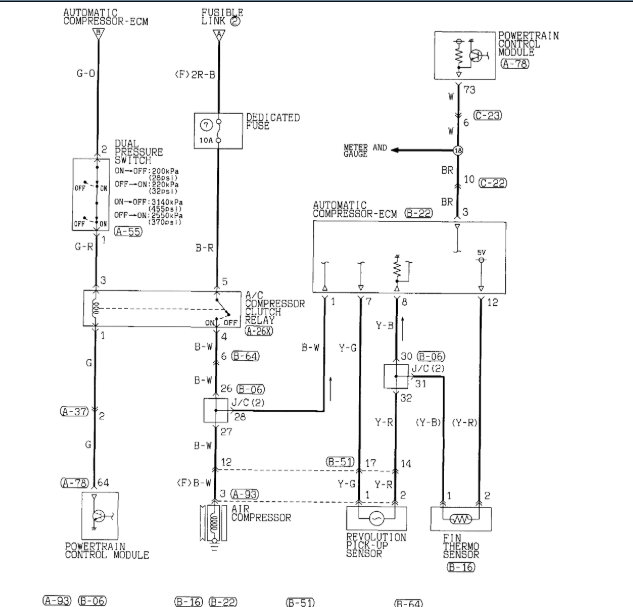
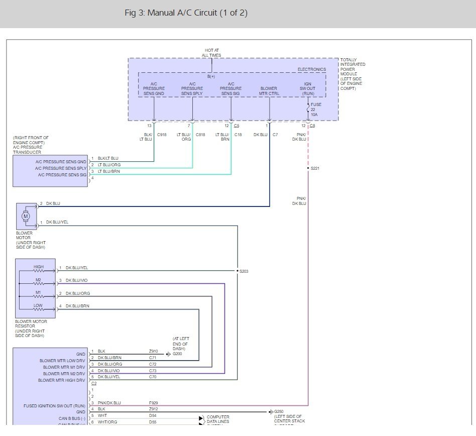
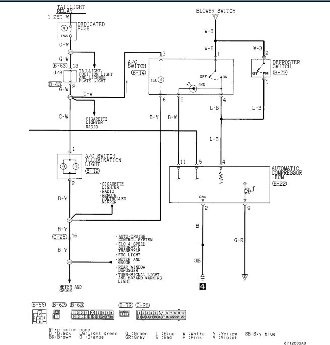
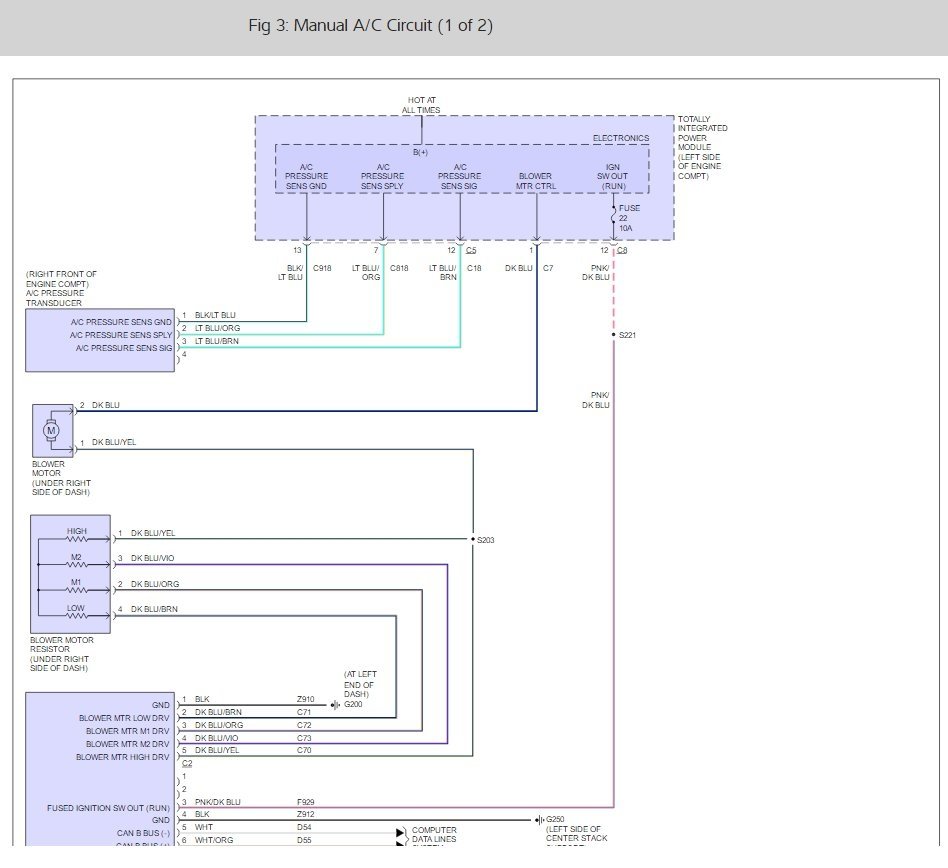
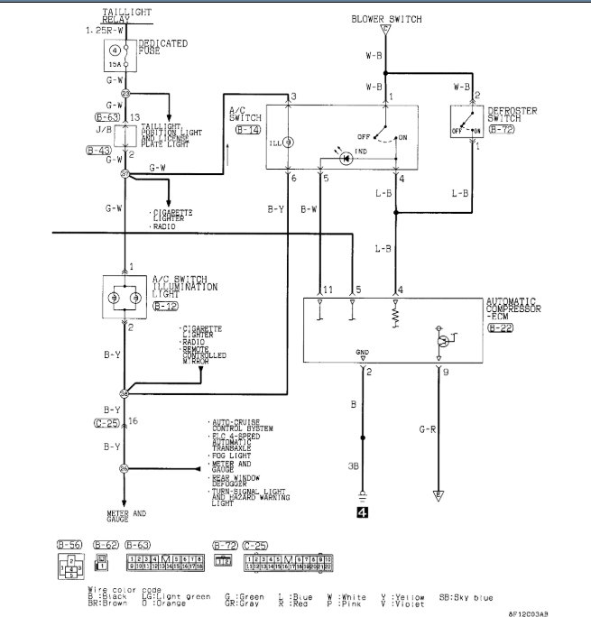
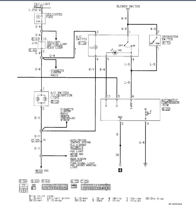
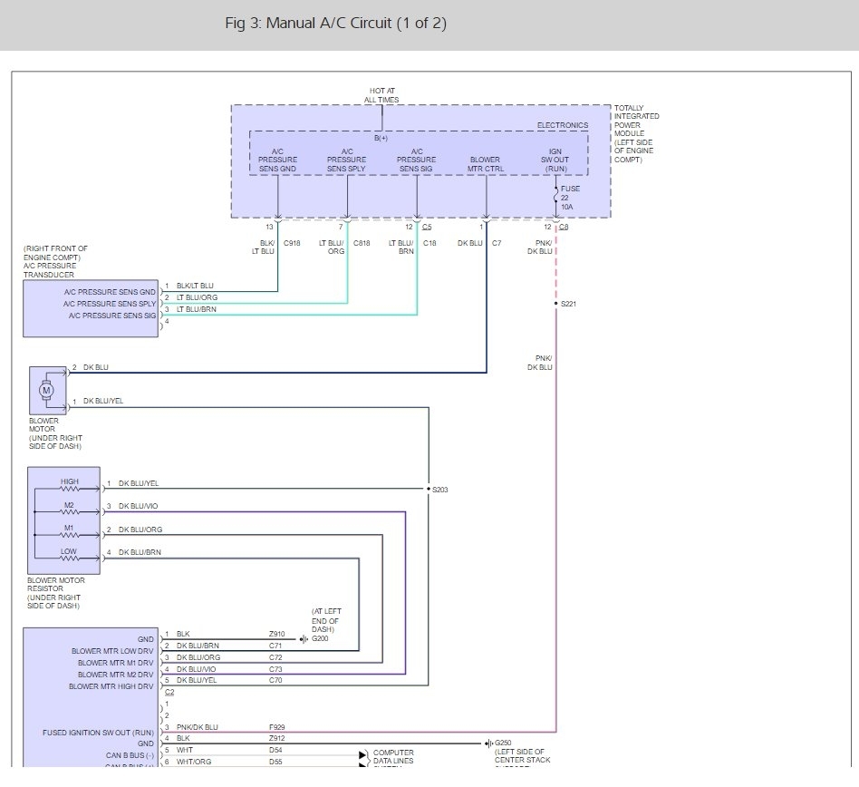
Those car had a problem with the TIPM which is where the air conditioner relay is inside of. This is why the dealer does not list one. Here is a wiring diagram so you can do some testing to confirm the failure and get it fixed.

https://www.2carpros.com/articles/how-to-use-a-test-light-circuit-tester


Please run some tests and get back to us so we can continue helping you. Check out the diagrams (Below). Please let us know what happens.
Apr 24, 2017 at 11:07 AM
Advertisement
Avatar
IVAN C
  • MEMBER
  • 3 POSTS
Hello Ken, do you have the complete circuit of the A/C system? I have a same problem.

Thank you a lot. I beginner here.
Aug 3, 2020 at 7:29 AM
Avatar
STRAILER
  • CAR REPAIR CONTRIBUTOR
  • 54,270 POSTS
Yep, they are in the first post above. Let me know if you need more.
Aug 3, 2020 at 11:07 AM
Avatar
SLVRSMTH
  • MEMBER
  • 7 POSTS
This season when I turned my A/C on for the first time I realized the air wasn't getting cold. I put a set of gauges on it and it was barely low so I topped it off with no change. Like many of the Avengers around this year I have a variable displacement compressor and I can tell from the gauges as the low side drops and high side rises that it is working, although not as strong as it should be. I noticed that the fan wasn't spinning and while checking around I unplugged the A/C pressure switch which looked good and when I plugged it back in the fans started up but only spinning at a slower rate than they should be. The blend doors function correctly through all the settings and heater gets good and hot when I switch over to it through all appropriate vents. A mechanic friend of mine hooked up a high quality code reader which showed no faults or problems. It confirms that the fan and compressor are both working and receiving signal. It also shows accurate readings on the ambient and evaporator temp sensors. The voltage return through the pressure switch should be about 5v and the code reader shows it's just getting back 1.25v so I swapped out the pressure switch with a new one and it's still happening. I've confirmed that both the old and new pressure switches are good. It seems like the compressor and fans are being moderated down or are not receiving the proper signal to spin up. I'm out of resources and need a mechanic who has seen something like this before please.
Aug 3, 2020 at 11:07 AM (Merged)
Avatar
ASEMASTER6371
  • CAR REPAIR CONTRIBUTOR
  • 52,796 POSTS
Good afternoon,

What are the high and low side readings when the A/C is on?

https://www.2carpros.com/articles/car-air-conditioner-not-working-or-is-weak

You cannot tell Freon levels from gauge readings. The only way is to remove the Freon and see how much was removed. Then vacuum the system and add the exact amount of Freon.

Roy
Aug 3, 2020 at 11:07 AM (Merged)
Avatar
SLVRSMTH
  • MEMBER
  • 7 POSTS
When I mash the accelerator the pressure equalize at about 80-90 psi. After a minute or two of idle the low side drops to around 45psi and gets cold to the touch. the high side climbs to 125psi and gets extremely hot of course. The equalization makes me wonder if the computer is trying to moderate the increase in belt speed by reducing voltage to the compressor which makes the swash plate go to 0 degrees, or basically no compression until I let off the gas pedal. But even when the compression drops the low side I'm still just getting ambient air temperature out of the vents essentially.
Aug 3, 2020 at 11:07 AM (Merged)
Avatar
ASEMASTER6371
  • CAR REPAIR CONTRIBUTOR
  • 52,796 POSTS
The cold side is too high. I should be 25-30 pounds rock solid.

The high side should be 2 times ambient temperature plus 15%.

You have a bad expansion valve to start. I would change that and the dryer then vacuum the system and charge it.

Roy
Aug 3, 2020 at 11:07 AM (Merged)
Avatar
SLVRSMTH
  • MEMBER
  • 7 POSTS
I completely agree about where the pressures should be. However I can't help but think that the fans spinning slowly and only coming on when I unplug and plug the trinary switch is connected to the same root problem. If the fans are being moderated down to a slower speed then it would possibly make sense that the compressor swash plate is being moderated to less that it's full 40 degrees and not delivering full compression. Which could explain the pressures I'm seeing. If the exp valve is smoked and I fix it there is still an electrical issue going on with getting the fans to spin at full speed like they should be. If I jump the pins on the plug going to the trinary switch the fans spin like a hurricane so I know they have it in them.

And let me say thank you very much for helping me work this issue.
Aug 3, 2020 at 11:07 AM (Merged)
Avatar
ASEMASTER6371
  • CAR REPAIR CONTRIBUTOR
  • 52,796 POSTS
I was looking at the cooling fan chart and the fans are commanded on when the high side pressure reaches 135 pounds. Below that, the fans will not come on for the AC.

The expansion valve is one of the issues and the dryer needs to be changed as well.

Roy
Aug 3, 2020 at 11:08 AM (Merged)
Avatar
SLVRSMTH
  • MEMBER
  • 7 POSTS
That makes sense! Thank you very much. I'll give it a shot.
Aug 3, 2020 at 11:08 AM (Merged)
Avatar
ASEMASTER6371
  • CAR REPAIR CONTRIBUTOR
  • 52,796 POSTS
You are welcome.

always glad to help.

Roy
Aug 3, 2020 at 11:08 AM (Merged)
Avatar
SLVRSMTH
  • MEMBER
  • 7 POSTS
One last question. I'm finding online that my model does not use an expansion valve but does have an orifice tube. Are you able to confirm this?
Aug 3, 2020 at 11:08 AM (Merged)
Avatar
ASEMASTER6371
  • CAR REPAIR CONTRIBUTOR
  • 52,796 POSTS
Yes, that is correct. It has the same function and is often called an expansion valve and also in Chrysler's, it could be called a TXV valve as well.

Many names, same function.

Roy
Aug 3, 2020 at 11:08 AM (Merged)
Avatar
SLVRSMTH
  • MEMBER
  • 7 POSTS
Update: Problem fixed. Orifice tube good but compressor solenoid control valve in the underside of the variable displacement compressor was out. On research these control valves have a high fail rate even though the actual compressor does not. Valve was only allowing the compressor to run at idle without having full angle of the swash plate and full compression. This accounts for the low and high side moving in the gauges but not as much as they should have been.

Hope this helps the next guy.
Aug 3, 2020 at 11:08 AM (Merged)
Avatar
ASEMASTER6371
  • CAR REPAIR CONTRIBUTOR
  • 52,796 POSTS
What were the readings when it was fixed on the pressures?

Roy
Aug 3, 2020 at 11:08 AM (Merged)
Avatar
SLVRSMTH
  • MEMBER
  • 7 POSTS
Low side 30.
High side about 180.
Aug 3, 2020 at 11:08 AM (Merged)
Avatar
ASEMASTER6371
  • CAR REPAIR CONTRIBUTOR
  • 52,796 POSTS
Nice, thanks for the update.

Have a safe holiday.

Roy
Aug 3, 2020 at 11:08 AM (Merged)
Avatar
PURECHE
  • MEMBER
  • 9 POSTS
I have the vehicle listed above 2.0L engine 420a, it came from factory with the Mitsubishi engine that was also present in the 1995-1999 eclipse GS 2.0L.
My A/C compressor clutch from when start the car only work/is engaged and cooling for about 1 minute after that it shuts off and never engages again unless you stop the car, let it sit for about 2 hours and start it again.
I did the bypass at low pressure send it with the paper clip and the A/C compressor clutch engages but for only about 1 minute.
I replaced pretty much every part in the A/C system I know and was able to search about, I put only new OEM parts, that includes:

A/C Denso brand new compressor.
Low pressure sensor switch that sits in top of drier .
Receiver drier.
Expansion valve .
A/C Evaporator unit.
Switch at evaporator/blower motor resistor.
A/C Condenser unit.
A/C module switch.
A/C switch dash/push button (cold).
A/C switch at Ac control panel inside.
Heater fan.
Recharged with Freon, Freon system pressure tested okay with no leaks .
Checked all the fuses at engine fuse box, replaced with other ones.

Do you have an idea of what the problem would be? to me it seems that when the pressure builds up in the system the A/C compressor clutch shuts off and stays off unless I stop the car, let it cool for some hours. While the clutch is engaged and running, the A/C is blowing cold air inside car as it should.
Aug 3, 2020 at 11:08 AM (Merged)
Avatar
STEVE W.
  • CAR REPAIR CONTRIBUTOR
  • 15,152 POSTS
What do the high and low pressures read when you start the engine and switch on the AC? Then what are they after the compressor shuts off. It sounds like a blockage in one of the lines that drops off when the compressor stops. The pressures might show that if the high side keeps climbing.
Aug 3, 2020 at 11:08 AM (Merged)
Avatar
TOUGHDIVER
  • CAR REPAIR CONTRIBUTOR
  • 224 POSTS
Hi,

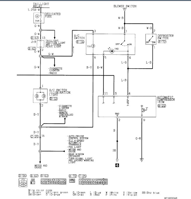
Check the engine cooling fans see if are they coming on when the A/C is demanded and check the engine coolant temperature sensor reading. The A/C compressor will not stay running if the actual engine temp. sensor is reading high or the fans are not running. I'm attaching repair guide, wiring schematics and fuse locations below. Let us know if this information was helpful or if you need more.

https://www.2carpros.com/articles/car-air-conditioner-not-working-or-is-weak

Thank you
Joe T.
Aug 3, 2020 at 11:08 AM (Merged)
Avatar
PURECHE
  • MEMBER
  • 9 POSTS
I started the car again the compressor clutch did not engage at all for the almost 10 minutes I let the car running. So when I started the engine I put the A/C button on high speed, the fan on right side (passenger side) started running. After 4:37 minutes of running the car the fan on the left side (driver) started running also. In all those 6 minutes, both fans were running, the engine temperature gauge at dash was always between hot and cold. The air at dash blew cold air for maybe less than a minute from when I started the engine.
Aug 3, 2020 at 11:08 AM (Merged)
Avatar
STEVE W.
  • CAR REPAIR CONTRIBUTOR
  • 15,152 POSTS
The fan action is normal. having the A/C on should start one fan, then when the engine coolant gets high enough it should start the second one. However it sounds like there is a blockage in the A/C system, please run the high and low side pressures at start and running. Those numbers could show the problem.
Aug 3, 2020 at 11:08 AM (Merged)
Avatar
DES1956
  • MEMBER
  • 1 POST
My AC is making a loud ratteling noise. not blowing any air hot or cold
Aug 3, 2020 at 11:08 AM (Merged)
Avatar
SERVICE WRITER
  • CAR REPAIR CONTRIBUTOR
  • 9,123 POSTS
Sounds like the clutch assy is bad on the compressor. You might be able to get the clutch assy. separate, if not, a compressor.
Aug 3, 2020 at 11:08 AM (Merged)
Avatar
PURECHE
  • MEMBER
  • 9 POSTS
I will do that.
Also to mention, if I start the car when car set for hours, and bypass with a paper clip the wire plug at the pressure switch (the switch that is attached to the top of the drier) the A/C compressor clutch engages. But only stays engaged for about maybe 1 minute, then shuts off and never comes back on unless I let the car sit again for some hours.
Aug 3, 2020 at 11:08 AM (Merged)
Avatar
MHPAUTOS
  • CAR REPAIR CONTRIBUTOR
  • 31,937 POSTS
Hi there,

First thing to do is get the system pressures tested this will tell the tech where a number of faults may lie, you say it is not blowing at all? is the blower motor working, do you have any air movement at all?

mark (mhpautos)
Aug 3, 2020 at 11:08 AM (Merged)
Avatar
TOUGHDIVER
  • CAR REPAIR CONTRIBUTOR
  • 224 POSTS
When you jumper the low pressure switch it is over heating the A/C relay opening the circuit. Evacuated and recharge the A/C system sounds like it is overcharged or to much Pag oil in the system. Or like Steve said you have a blockage in the A/C system. Let us know if this was helpful.

Thank you
Joe T.
Aug 3, 2020 at 11:08 AM (Merged)
Avatar
PURECHE
  • MEMBER
  • 9 POSTS
System being overcharged might not be the case as a month ago, I took it in to the Dodge dealership, they said they checked the system for too much or too low Freon and pressure and couldn't find anything. The Dodge mechanic said that it could be an electrical issue. Where could an electrical malfunction be at? Or if there is a blockage in the lines, couldn't he had that detected then when pressure test was performed?
Aug 3, 2020 at 11:08 AM (Merged)
Avatar
STEVE W.
  • CAR REPAIR CONTRIBUTOR
  • 15,152 POSTS
Electrical wise it looks like you already replaced most of those parts. I don't see the A/C relay on there though, however it sounds like it is working as jumping the switch is activating it. It's a long shot but you might want to test the fin thermo-sensor that is in with the evaporator core. It could be skewed and thinking the evaporator core is freezing up and shutting down the compressor, then taking a long time to tell the ECM that it's thawed out. A somewhat crude test for that would be to run the A/C until it stops, now crank up the heat to the dash but close the vents so the heat goes into the HVAC case. Normally you say it has to set for hours, if you can get the heat to shorten the time to say 30 minutes then replace the sensor. The chart is the resistance reading it should have on the two wires depending on the temperature. If you connected an ohmmeter to it and it was say 70 degrees out and you tested it and found it thought it was 40 degrees, it is likely the problem.
Aug 3, 2020 at 11:08 AM (Merged)
Avatar
PURECHE
  • MEMBER
  • 9 POSTS
I went ahead and pulled again the evaporator unit out and replaced the thermistor sensor that attaches to the evap fin, I also replaced all AC lines L and H and other 2 AC lines. Fully recharged the AC system with Freon and still the same issue. AC clutch engages at start the pressure was showing good L line getting freezing cold with nice cold air blowing in the cabin and after a minute the Ac clutch stopped and gradually started blowing warm air in the cabin. I pulled the two fat plugs at the ECU and engine oil was present on the upper plug. I removed the ECU unit and also at the bottom underneath the ECU there were 2 other separated harnesses wires that were each ending up into a white plastic plug that they both attached to a plastic sleeve support. Both of those plugs were full of old white oil. I cleaned them all with electrical cleaner spray and cleaned the ECU plug and let it sit upside down overnight. I will plug all back in later today. I hope that was the issue
Do you think that if that oil being there, at first cold start for the car, the oil would have warmed up in the plug and shorten some other components in there therefore tripping the AC clutch into a safe mode?
Aug 3, 2020 at 11:08 AM (Merged)
Avatar
ANK1981
  • MEMBER
  • 24 POSTS
Hello, just a quick question. I just need to know why i don't have cold air coming out my vents in my vehicle. I did have to disconnect the hose from the A/C compressor to do some work to my car. I recharged by putting some Freon in the system but still no cold air. My question Is what can i do to get cold air to work?
Aug 3, 2020 at 11:08 AM (Merged)
Avatar
JACOBANDNICKOLAS
  • CAR REPAIR CONTRIBUTOR
  • 110,190 POSTS
Welcome to 2CarPros.

Is the AC compressor turning on when the AC is on? How much Freon did you add?

Take a look through this link and let me know if anything helps. If you find the compressor isn't engaging, it could just be low on Freon.

https://www.2carpros.com/articles/car-air-conditioner-not-working-or-is-weak

https://www.2carpros.com/articles/air-conditioner-how-to-add-freon

Let me know.

Joe
Aug 3, 2020 at 11:08 AM (Merged)
Avatar
PURECHE
  • MEMBER
  • 9 POSTS
Update as of 2/21:

I plugged all cables to the ECU back and started the car. The A/C compressor clutch started working once the fan starred and I counted about 7 minutes for the clutch and the A/C fan going on and off with cold air blowing inside the cabin. Then the A/C fan stayed on but the A/C clutch never engaged back. The second day I started the car again and I counted 10 minutes of normal working between compressor clutch and A/C fan until the A/C fan remained on but clutch stopped engaging. I noticed when the AC fan felt like it increased its speed is when after that the compressor clutch never went on again. I stopped the car, started it again, A/C fan coming right on but not the compressor clutch anymore. Before I cleaned the soaked in oil two wires under the ECU box and the two plugs going into the ECU, the clutch was only running, from start the car, for about 1 minute.
Do you think the ECU unit went bad?
Any help is greatly appreciated.
Thank you
Aug 3, 2020 at 11:08 AM (Merged)
Avatar
ASEMASTER6371
  • CAR REPAIR CONTRIBUTOR
  • 52,796 POSTS
Good evening,

Can you give me the low side and high side readings of the Freon system with the engine running and the AC engaged?

Roy
Aug 3, 2020 at 11:08 AM (Merged)
Avatar
STEVE W.
  • CAR REPAIR CONTRIBUTOR
  • 15,152 POSTS
Oil in the wiring isn't a good thing, it can cause some strange problems. I would suspect the ECU if the oil got inside but that is hard to check the way most are potted inside.
Aug 3, 2020 at 11:08 AM (Merged)
Avatar
PURECHE
  • MEMBER
  • 9 POSTS
So I replaced the PCM unit with another one that has same features, and no change, car does the same thing, A/C clutch at compressor (from starting the car) only engages for about 7-8 minutes then the A/C clutch stops. When the A/C clutch stops coming on, the engine A/C fan will continuously stay on. Before that, the A/C compressor clutch and the A/C fan stop and start every about 10 seconds.
It seems to me that when the engine gets warm, the A/C clutch stops and the A/C fan stays on non stop. The engine temperature gauge at dash always goes to the middle so I am not running on an overheating engine.
Besides that A/C clutch only working for 8 minutes (blowing nice cold air inside the car for those 8 minutes) , the car drives excellent (drove it for long distances with zero issues and excellent performance).
Aug 3, 2020 at 11:08 AM (Merged)
Avatar
STEVE W.
  • CAR REPAIR CONTRIBUTOR
  • 15,152 POSTS
Okay, what happens if you shut the engine off after the compressor stops working? Does it come back on when you restart the engine? Or does it take a few hours or days to work again? How about if you shut off the engine, then disconnect the battery? Does the A/C start working on start up or does it still stay off? You had this issue before replacing all of the parts correct? Did the new compressor include a clutch? What is the air gap on the clutch?
What are both the high and low side pressures when the compressor is engaged and what are they both when the compressor stops working?
Aug 3, 2020 at 11:08 AM (Merged)
Avatar
PURECHE
  • MEMBER
  • 9 POSTS
Thank you for your quick reply
So, last time after the A/C compressor clutch stopped engaging, I turned the engine off and let it sat for 25 minutes then started it back up. The Ac compressor clutch engaged but only for about 2 minutes. If the car sits for about 1 hour or so, it will run the clutch for about 8-9 minutes. So it seems that when engine warms up, the A/C clutch stops.
To answer your question, from cold start the A/C clutch works for 8-9 minutes then stops, if stop the car and start right away, the A/C clutch won't come back on unless the car sat for at least 20 minutes, at 20 minutes sat to cool off, the Ac clutch will only engage for about 2 minutes. Last time, I did disconnect the battery after the clutch turned off (had to put the original PCM back since the replacement PCM wasn't making a difference) and did no difference.
Yes, I had this issue before replacing all the Ac components.
Yes, I purchased the OEM Ac compressor that came with the clutch already installed on it, I never checked the gap at the new Ac clutch since I thought the problem at the beginning was maybe the old compressor but still having the same issue I eliminated the Ac compressor as being the issue here.
I remember when I took the car to the local shop about maybe 3 weeks ago to take the air out and refill the entire system with Freon after I replaced with new all the Ac lines, that the cold line (blue gauge) was showing 30 when the Ac clutch was working (engaged) and then when it stopped it was showing very high maybe like 90, that is when the mechanic said this is not right. He then poured some water on the radiator to make it cool off but no change, he then checked the voltage at wire going to the Ac compressor and was okay, he then checked voltage to the wire to the dryer switch and was okay, he then unplugged both plugs at the PCM and found at the top plug to have oil present in the channel, he then said you need to try to change the PCM and see if that fixes it, I did that too and no change.
One thing to mention, the car was not in my possession for about 6 years before I took it back from this relative of mine and when I stated to put it back in shape I noticed that the coolant thermostat in the housing was not there. Why would a mechanic leave that off. The relative is no longer around to be asked what happened to my car all these 6 years when it was in his possession.
I replaced the engine coolant t-stat that goes into the front of the coolant housing and also replaced the small engine coolant thermostat that goes underneath it, I used pipe tape on this small one. Could it be possible that the gauge at dash is not reading the correct temperature (it goes from cold to middle while engine warms up) I also read online and saw on you tube that if using tape on that sensor when threaded in it might not get a good ground therefore sensor not reading correctly ?! But this A/C issue happened before I even replaced all with the new parts .
Let me know what you think.
Thank you
Aug 3, 2020 at 11:08 AM (Merged)
Avatar
STEVE W.
  • CAR REPAIR CONTRIBUTOR
  • 15,152 POSTS
Okay, try to get an A/C gauge set and get the current pressures in the system. With those we can proceed. Without them you are stuck. It still sounds like a blockage in the system though.
Aug 3, 2020 at 11:08 AM (Merged)
Avatar
ASEMASTER6371
  • CAR REPAIR CONTRIBUTOR
  • 52,796 POSTS
As I stated in the beginning, we need the high and low side readings both when the engine is off and when the compressor is engaged.

Roy
Aug 3, 2020 at 11:08 AM (Merged)
Repair Safety Notice: This information is for general instructional purposes only. Vehicle repair can be dangerous. Verify all information, follow manufacturer service procedures, use proper tools and safety equipment, and consult a qualified repair shop when needed.