My temperature gauge does not work?

Tiny
ANONYMOUS
  • MEMBER
  • 2008 CHEVROLET SILVERADO
  • 150,000 MILES
Replaced radiator and thermostat and the temp gauge doesn't move can it be the sensor?
Tuesday, February 19th, 2013 AT 7:15 PM

17 Replies

Tiny
JACOBANDNICKOLAS
  • MECHANIC
  • 110,192 POSTS
Hi,

Very likely, it is the sensor. However, first we need to confirm it is the problem. If you look below, the first two attachments are for diagnosing if it is the sensor, cluster, or module issue. Do this first.

If you determine the sensor is bad, here is a link to get you started. It explains in general how the procedure is done. This is an excellent guide in addition to the directions attached below.

https://www.2carpros.com/articles/coolant-temperature-sensor-cts-replacement

If you look at the attachments below, they include the directions for sensor replacement specific to this vehicle.

I hope this helps. Let me know if you have other questions.

Take care,

Joe

See pics below.

Was this
answer
helpful?
Yes
No
Tuesday, June 1st, 2021 AT 8:06 PM
Tiny
SWEETIE1965
  • MEMBER
  • 177 POSTS
  • 1997 CHEVROLET SILVERADO
  • 5.7L
  • V8
  • 2WD
  • AUTOMATIC
  • 300,000 MILES
The other day I was driving home from town, all of a sudden the temperature gauge went all the way up to past 260°. I changed the thermostat and the temperature sensor. It has never came back down to cold or anything. It hasn't moved. I check the fluids in the truck on a daily basis. Everything seems fine. The truck isn't running hot. If it was you could smell it or smell something or see steam coming from engine bay. It's nothing like that. Everything else is normal. I have a new temperature sending unit for it but I don't want to change something that doesn't need to be changed. There is no DTC's in that area with the truck. It has only one code: cam/crank sensor correlation. I just purchased the truck about a month ago. It runs fine for its age. It has a few little dings but nothing really serious. What do you think causes this issue? Thanks for your help in advance.
Was this
answer
helpful?
Yes
No
Wednesday, June 2nd, 2021 AT 12:28 PM (Merged)
Tiny
SEVAG P
  • MECHANIC
  • 406 POSTS
Hi,

To narrow down our problem at which driving conditions does the temperature shows 260 degrees? driving uphill, highway, stuck on traffic, or at all conditions?

check the fans are running at high speed when temperature at 260 degrees. if not it can be problem from fan actuating sensor, fan resistor, or fan motor.

check when the heater is on does it blows hot air if not, air trapped inside the coolant circuit that cause overheating.

check abnormal noise from the water pump that can circulate the water.

check any rust inside the coolant system that can clogged the radiator water circuit. check if any dirt or dust at outside surface of the radiator that prevents air passing on the radiator.

Check the links below how to fix overheating problem.

https://www.2carpros.com/articles/symptoms-of-an-overheating-engine

https://www.2carpros.com/articles/engine-overheating-or-running-hot

Thank you.
Was this
answer
helpful?
Yes
No
Wednesday, June 2nd, 2021 AT 12:28 PM (Merged)
Tiny
SWEETIE1965
  • MEMBER
  • 177 POSTS
I checked the engine with a digital thermometer. It is not running hot at all. Even with the engine at a stand still for like overnight, the temperature gauge shows 260° +. I know it's not hot. It's not under driving conditions that temperature gauge rises. It stays on 260° no matter what. Heater works fine. No coolant leaks, no abnormal noise coming from anywhere under hood. Water is not mixing with oil. The engine can be cold. At startup and even before start up with key off, not on or on accessory, I'm saying the key is off and pulled out of key switch, the temperature gauge is past 260°.
Was this
answer
helpful?
Yes
No
Wednesday, June 2nd, 2021 AT 12:28 PM (Merged)
Tiny
SEVAG P
  • MECHANIC
  • 406 POSTS
Hello again,

That sounds your instrument cluster must be replaced not reading properly from the temperature sensor.

check the link below how to replace the cluster:

https://youtu.be/_HEC44xENxw

Thank you.
Was this
answer
helpful?
Yes
No
Wednesday, June 2nd, 2021 AT 12:28 PM (Merged)
Tiny
DCPLACE2007
  • MEMBER
  • 28 POSTS
  • 1994 CHEVROLET SILVERADO
  • V8
  • 2WD
  • AUTOMATIC
  • 250,000 MILES
There are two sensors or sending units at the front of the engine. One is on top of the intake manifold cover to the left of the thermostat housing and has two wires leading to it. The other is between the front two spark plugs on the drivers side on the side of the engine and it has one green wire leading into it.I read somewhere that they can be grounded and if the gauge moves it is the sensor. How do I do this and with which one? I don't know exactly what these two sensors or senders do. Do I unplug them and test them, leave them plugged in? The gauge just stays as far left as it can go in the cold. Could it be the thermostat? Can I check the sensors/senders with a meter? Also, and equally as important, my fuel gauge is not operating properly. It shows, when filled up, at the extreme right and will only go to half way as fuel goes to emply in tank. It will not register past the half mark. Something was mentioned about a voltage regulator on the back of the speedometer. OR are these two separate issues. How would I test the fuel tank sending unit if it is separate, or the float (if it is that).I am about to go on a 2000 mile trip and would at least like the temp gauge working.I can deal with the fuel tank and fill up every 300 miles or so. Any help is much appreciated. Thanks. Dcplace2007
Was this
answer
helpful?
Yes
No
Wednesday, June 2nd, 2021 AT 12:28 PM (Merged)
Tiny
RHALL77
  • MECHANIC
  • 3,361 POSTS
The two wire connector will need a scan tool to check. But the one wire connector, justr take a piece of wire and touch the connector terminal to a clean part on the engine and have someone watch the gauge. If it goes hot then you need a sensor. If not there is something in the wire or the IP cluster. As for the fuel gauge, sounds like you need a fuel level sensor.
Was this
answer
helpful?
Yes
No
+4
Wednesday, June 2nd, 2021 AT 12:28 PM (Merged)
Tiny
TRUBLUROOKIE
  • MEMBER
  • 48 POSTS
  • 1993 CHEVROLET SILVERADO
  • 5.7L
  • V8
  • 4WD
  • 263,000 MILES
I have a K1500 model. Every time I start the truck the temperature gauge needle will fly around. It will bury the needle on the hot side and my check engine light will come on. After starting the truck the gauge will spin wildly. Is this a gauge problem or a coolant temperature sensor problem?
Was this
answer
helpful?
Yes
No
Wednesday, June 2nd, 2021 AT 12:28 PM (Merged)
Tiny
STEVE W.
  • MECHANIC
  • 15,679 POSTS
Could be either one, or more likely the wire from the sender is shorted to ground.
First test, Unplug the sending unit and see what the needle does when you turn on the key. If it still goes high you have a gauge or wiring issue. If it does not then change the sender.

If the needle still spikes, check the senders wiring for an area where it is shorted to ground as that is the most likely problem.
Was this
answer
helpful?
Yes
No
Wednesday, June 2nd, 2021 AT 12:28 PM (Merged)
Tiny
TRUBLUROOKIE
  • MEMBER
  • 48 POSTS
There is also a wire coming off of the sender that goes between the stud and nut on the right side of the thermostat housing. I have been told that is a ground wire but I have also been told there should not be a ground for the sender unit. Should that be there or was it added at a later time for some other reason?
Was this
answer
helpful?
Yes
No
+1
Wednesday, June 2nd, 2021 AT 12:28 PM (Merged)
Tiny
STEVE W.
  • MECHANIC
  • 15,679 POSTS
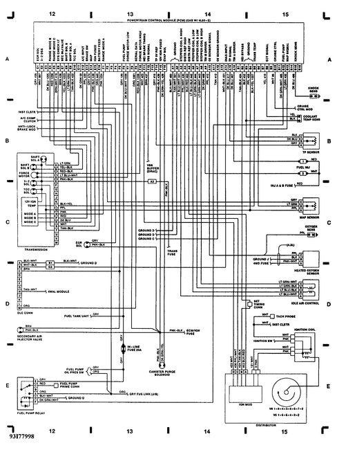
Should be a black wire that goes to a ground inside the ECM and a yellow wire that is the signal wire to the ECM. Sounds like someone added a different ground. The issue there is that the engine may be at a different ground potential than the ECM and it could make the gauge read wrong.

That ground normally runs into the harness and connects with the black ground wire for the TPS sensor. They are in the upper right of the attached wiring diagram.
Was this
answer
helpful?
Yes
No
Wednesday, June 2nd, 2021 AT 12:28 PM (Merged)
Tiny
TRUBLUROOKIE
  • MEMBER
  • 48 POSTS
I know this is an old thread but I replaced the temperature sensor connector wire and blue clip and I still have the same issue. One thing I noticed was when the truck is cold and I climb into the driver's side I can make the needle bounce and go crazy if I lightly bounce and tilt the truck towards the driver's side. Does this give you any better clue?
Was this
answer
helpful?
Yes
No
Wednesday, June 2nd, 2021 AT 12:28 PM (Merged)
Tiny
STEVE W.
  • MECHANIC
  • 15,679 POSTS
Check the grounds for the dash. They are under it to the left behind the area where the E-brake is. Almost has to be a loose connection or a shorted wire. When you get in do you pull on the steering wheel?
Was this
answer
helpful?
Yes
No
Wednesday, June 2nd, 2021 AT 12:28 PM (Merged)
Tiny
TRUBLUROOKIE
  • MEMBER
  • 48 POSTS
No, I just stand on the step bar and hold on to the door
Was this
answer
helpful?
Yes
No
Wednesday, June 2nd, 2021 AT 12:28 PM (Merged)
Tiny
STEVE W.
  • MECHANIC
  • 15,679 POSTS
OK then it shouldn't be near the column.
Was this
answer
helpful?
Yes
No
Wednesday, June 2nd, 2021 AT 12:28 PM (Merged)
Tiny
TRUBLUROOKIE
  • MEMBER
  • 48 POSTS
I can't find the ground wires. Do you have a picture or a description of what they should look like?
Was this
answer
helpful?
Yes
No
Wednesday, June 2nd, 2021 AT 12:28 PM (Merged)
Tiny
STEVE W.
  • MECHANIC
  • 15,679 POSTS
If you look behind the drivers side kick panel they should be there. There will be a few wires going to a ring terminal that will be screwed to the metal about 2" up from the floor.
Was this
answer
helpful?
Yes
No
Wednesday, June 2nd, 2021 AT 12:28 PM (Merged)

Please login or register to post a reply.