Dome light fuse location?

Tiny
ANONYMOUS
  • MEMBER
  • 2006 NISSAN ALTIMA
  • 75,000 MILES
Interior light don't work, where is the fuse located?
Sunday, December 16th, 2012 AT 8:28 PM

1 Reply

Tiny
KASEKENNY
  • MECHANIC
  • 18,907 POSTS
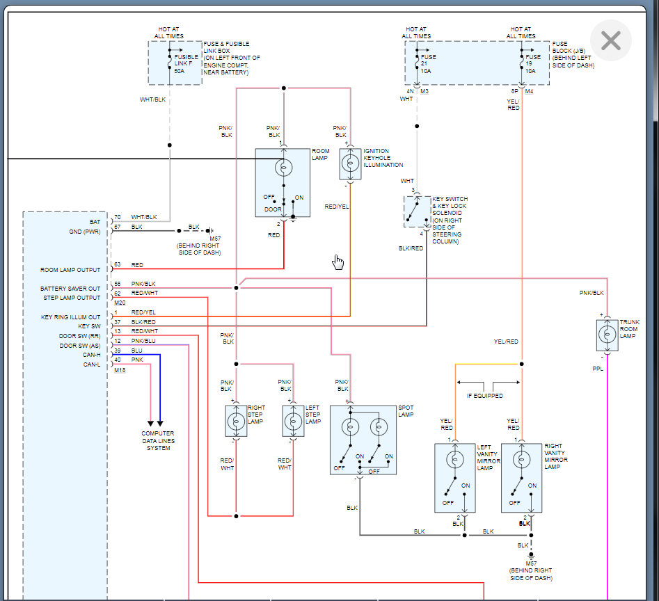
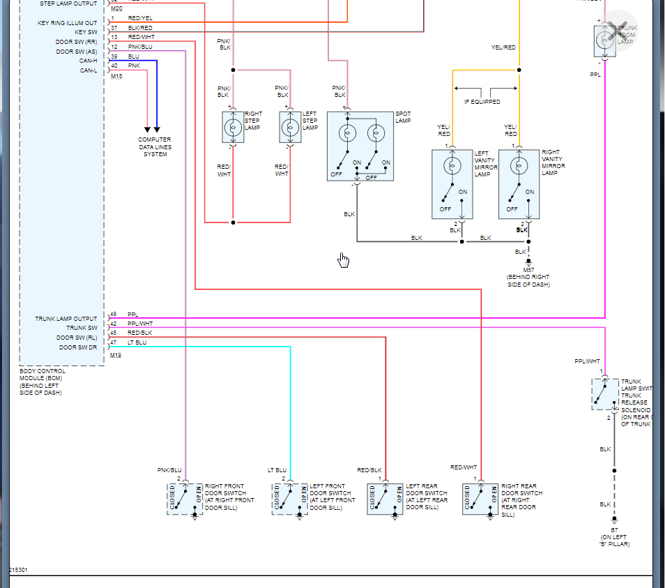
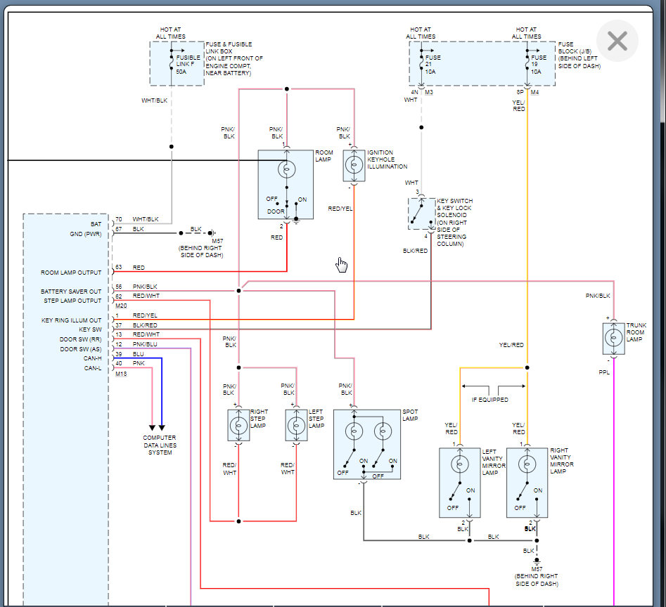
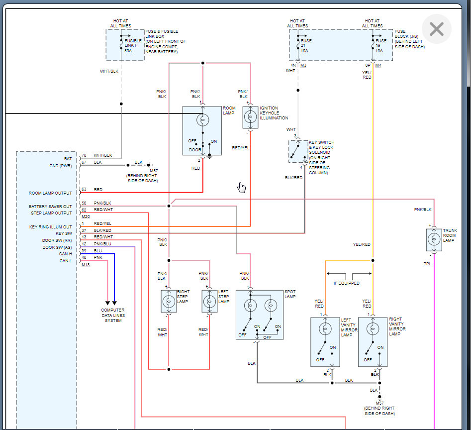
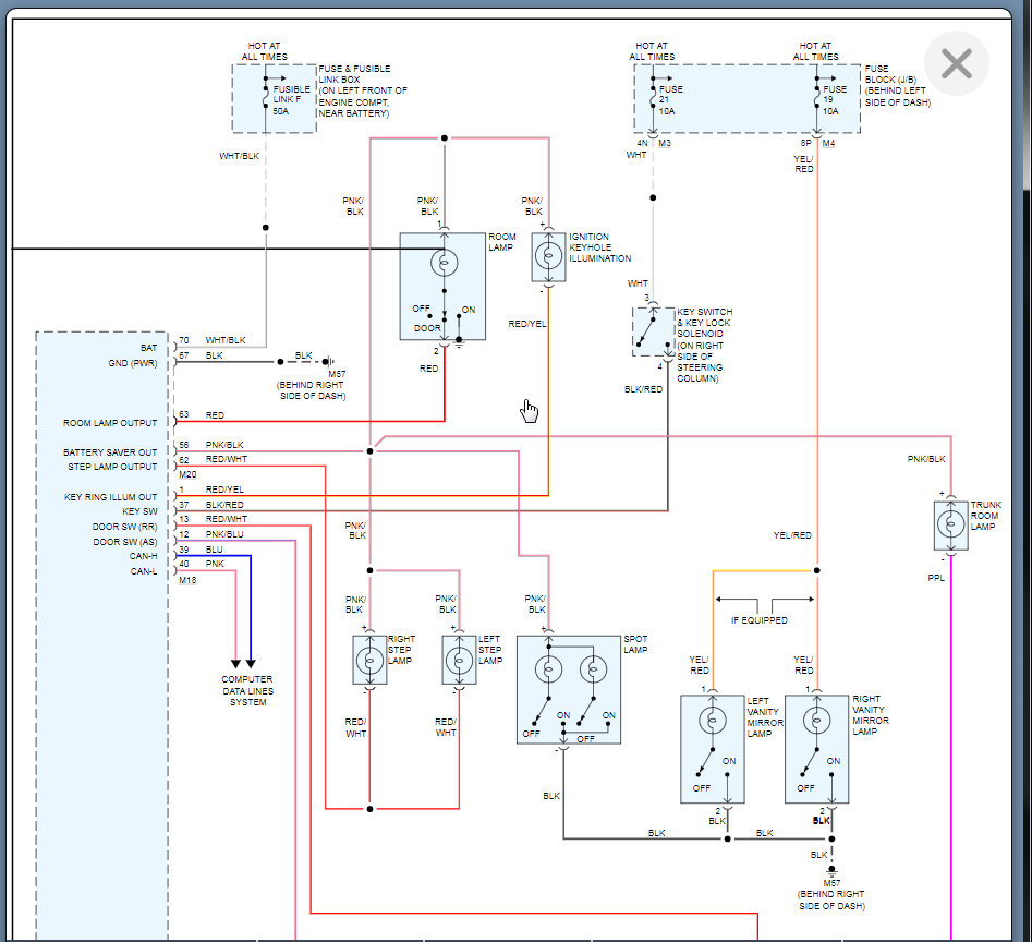
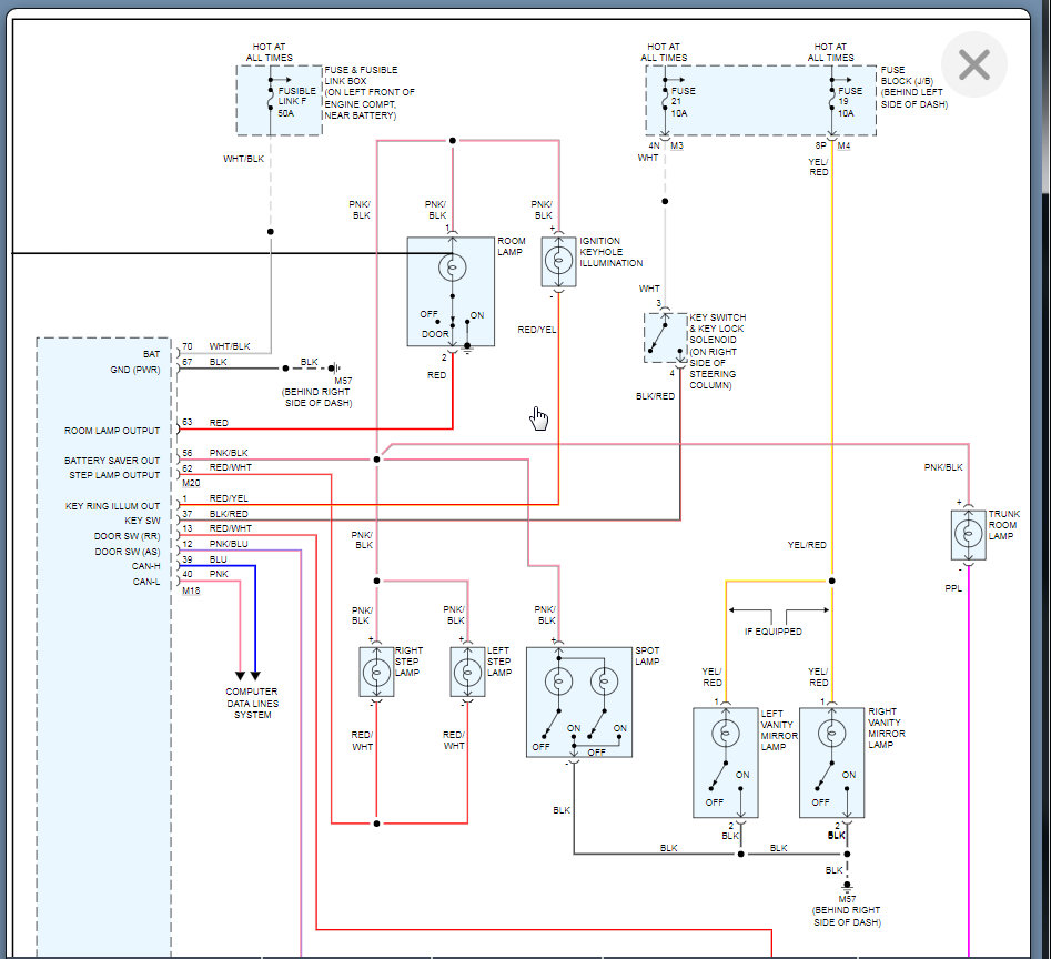
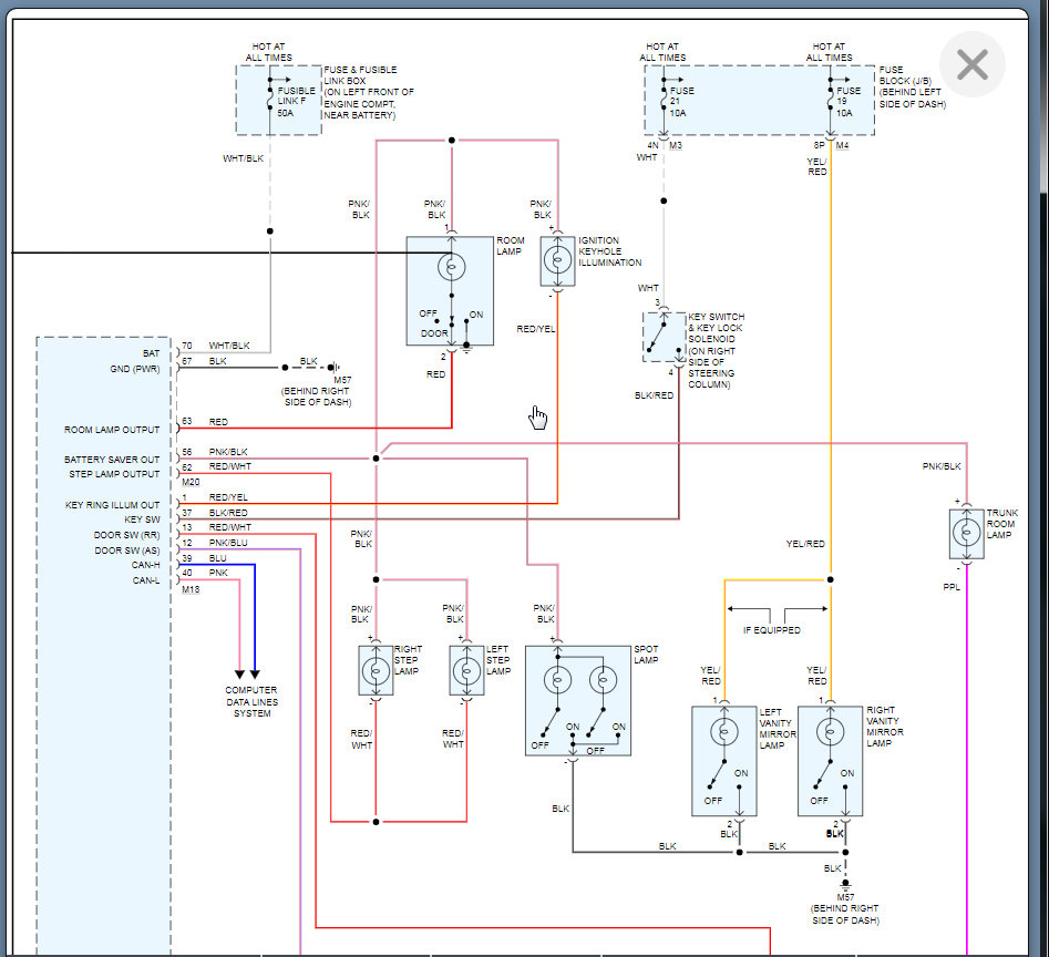
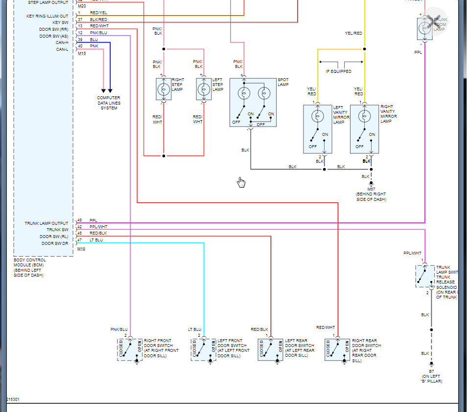
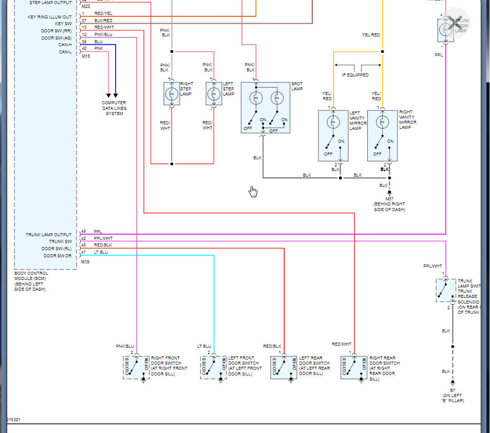
The dome lamp doesn't have a direct fuse. The BCM runs these directly so if the lamp is not working the it is either the bulb, wiring, or BCM. I would suggest replacing the bulb or checking voltage and if you have voltage the bulb is the issue. If there is no voltage when the lamp is on, the BCM is the issue.

Here is a guide that will help with this:

https://www.2carpros.com/articles/how-to-check-wiring

Below is the process for replacing these parts and the wiring diagrams that you will need if you are going to test the voltage. Please let us know what questions you have. Thanks
Was this
answer
helpful?
Yes
No
Saturday, January 2nd, 2021 AT 5:48 PM

Please login or register to post a reply.