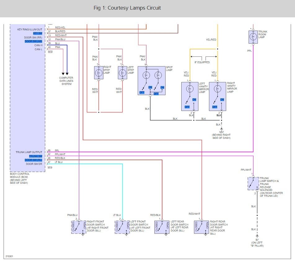
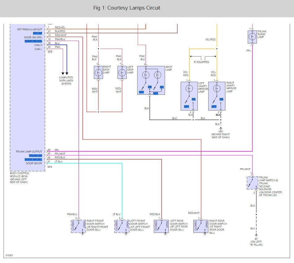
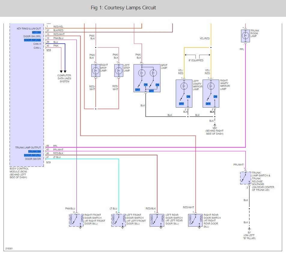
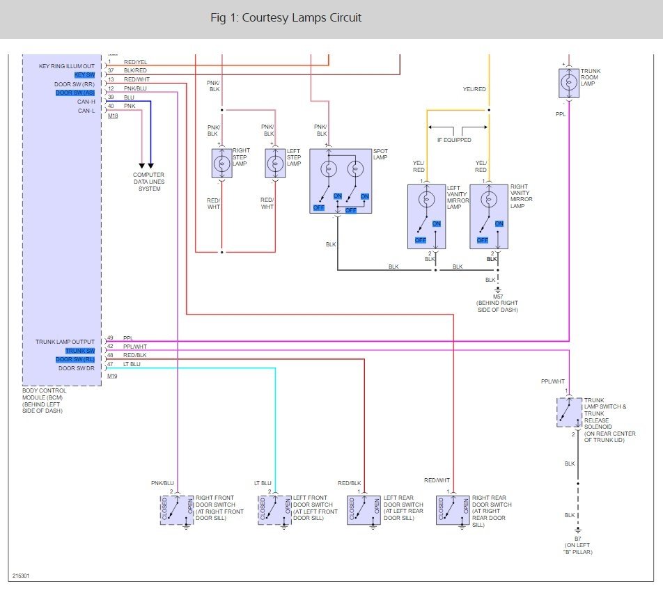
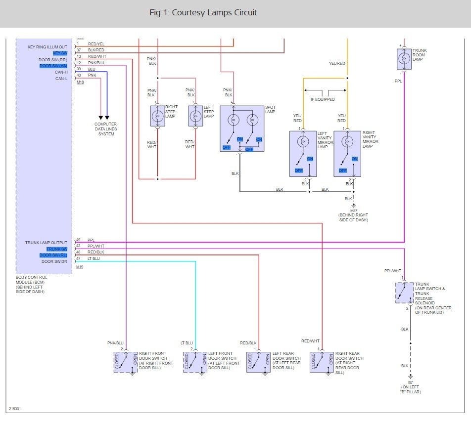
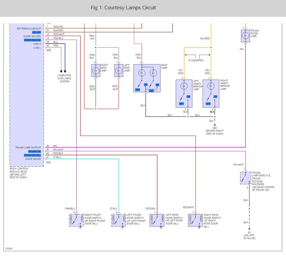
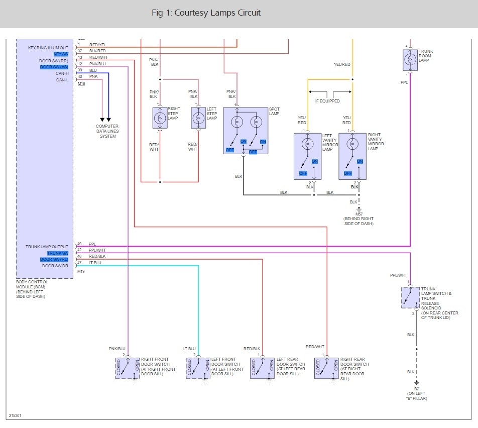
the interior lights, map lights, and door chime do not work have checked fuse cant find any labeled for interior lights all test good under dash and under hood. Checked for power none to light sockets all other electrical seems to be working door locks, windows, horn, dash lights, head lights and running lights. The key remote is not working either battery checks good.
Wednesday, February 24th, 2010 AT 6:27 PM








