Blend door actuator motor location needed

Tiny
BUZZ BUZARD
  • MEMBER
  • 2 POSTS
Under drivers dash fuze box Unplug 15a Fuze # 1 turn on key see if clicking goes away Plug Fuze back in if clicking stops run self test If it comes back removed fuze and install a 5/8 shut off valve in the upper heater hose turn it off to have AC on for Heat not great but is a cheap fix. Will work on 95 to 97 Lin TC
The System will work without this fuze is power for the Blend door only the blend door is spring loaded to the full heat pos. At least you wont have to hear that click clack cluck.
Buzzy
Was this
answer
helpful?
Yes
No
+1
Tuesday, December 15th, 2020 AT 6:59 PM (Merged)
Tiny
BUZZ BUZARD
  • MEMBER
  • 2 POSTS
Shut off yhe engine side or upper (pressure) heater hose
Buzzy
Was this
answer
helpful?
Yes
No
Tuesday, December 15th, 2020 AT 6:59 PM (Merged)
Tiny
BEVERLY ROBBINS
  • MEMBER
  • 1 POST
  • 1996 LINCOLN TOWN CAR
  • 100,000 MILES
Have no heat in car but have new thermostat. Blend door does not open.
Was this
answer
helpful?
Yes
No
Tuesday, December 15th, 2020 AT 6:59 PM (Merged)
Tiny
ASEMASTER6371
  • MECHANIC
  • 52,796 POSTS
Good morning.

The blend door is on top of the heater case. The bad part is that the dash board has to be removed to gain access to it.

Roy

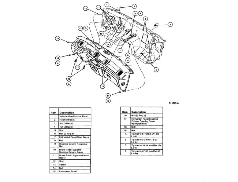
Removal

1. Remove instrument panel assembly. Refer to Instrument Panel/Service and Repair. See: Instrument Cluster / Carrier > Procedures
2. Disconnect the electrical harness, to the temperature controller on the control assembly, from the blend door actuator.

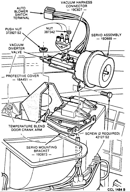
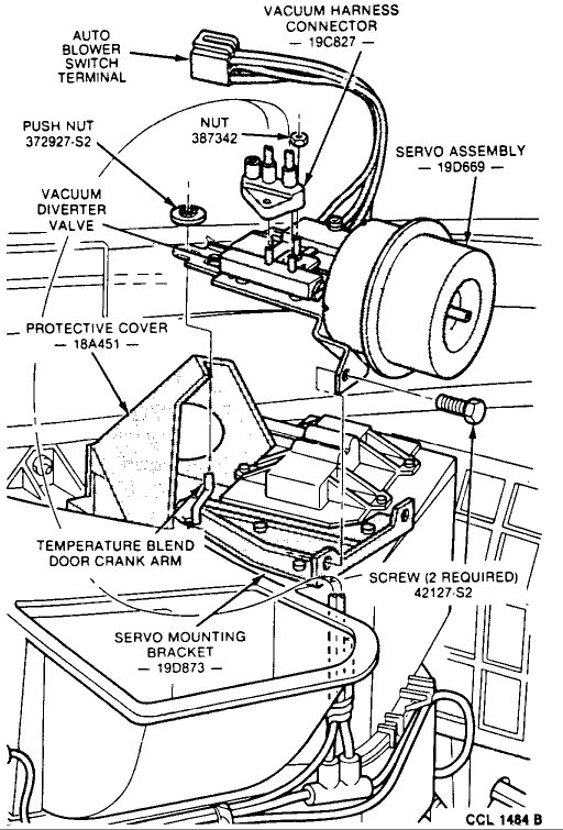
Temperature Blend Door Actuator
imageOpen In New TabZoom/Print

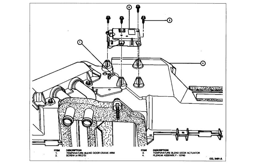
3. Remove four screws and remove the blend door actuator from the plenum assembly.

Installation

1. Position the blend door actuator on the plenum assembly. Be sure the actuator cam is properly engaged with the temperature blend door crankarm.
2. Install the four screws that secure the blend door actuator to the plenum assembly.
3. Connect the temperature controller electrical harness to the blend door actuator.
4. Install instrument panel. Refer to Instrument Panel/Service and Repair.
Was this
answer
helpful?
Yes
No
Tuesday, December 15th, 2020 AT 6:59 PM (Merged)
Tiny
BEVERLY ROBBINS
  • MEMBER
  • 1 POST
Do not know how to get dashboard off. I was told it was under dash and was just a lever to open but cannot find anything under dash. I was told this was a easy thing to do.
Was this
answer
helpful?
Yes
No
Tuesday, December 15th, 2020 AT 6:59 PM (Merged)
Tiny
ASEMASTER6371
  • MECHANIC
  • 52,796 POSTS
That information was not correct.

It is on top of the heater case and the dash has to come out.

Procedure

Roy

Removal
1. Position wheels straight ahead.
2. Disconnect battery ground cable.
3. Raise vehicle on hoist.
4. Remove RF wheel and tire assembly.
5. Remove retaining nut in radiator coolant recovery reservoir area.
6. Remove bolt retaining front fender apron to front fender.
7. Position front fender splash shield out of the way.
8. Lower vehicle.
9. Tag and remove wiring connectors.
10. Remove retaining screw in parking brake control. Remove parking brake control.
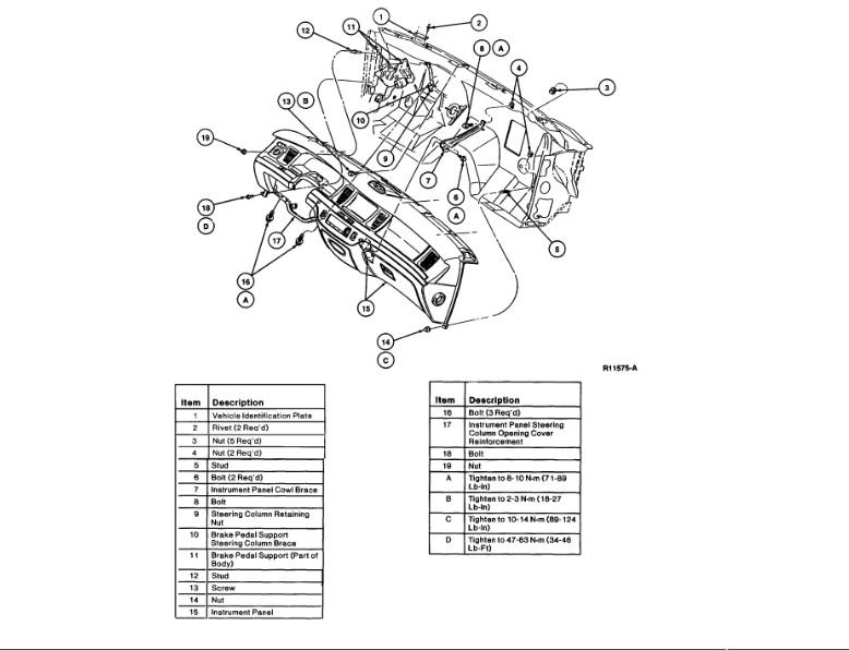
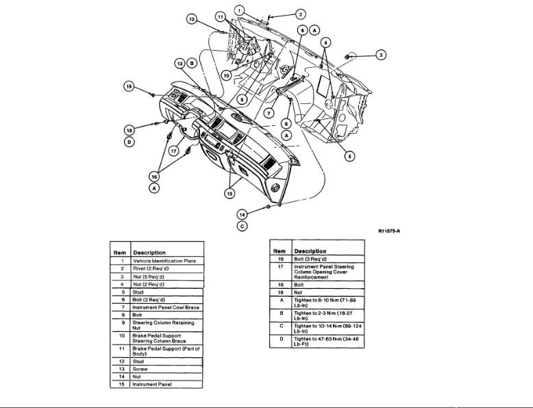
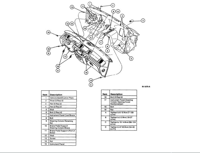
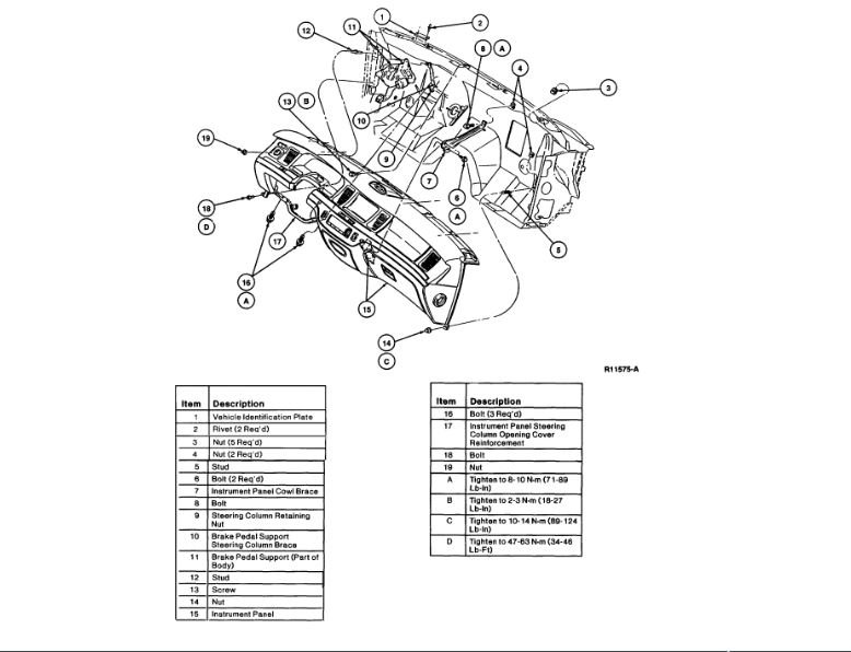
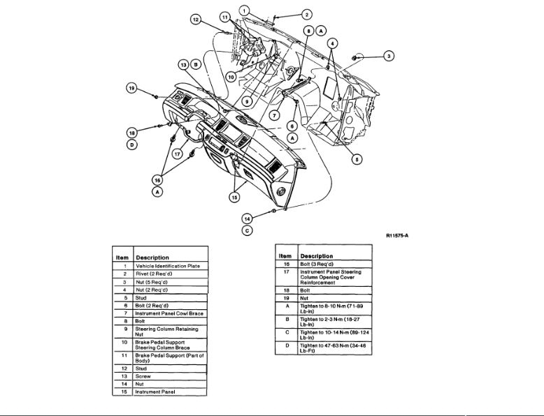
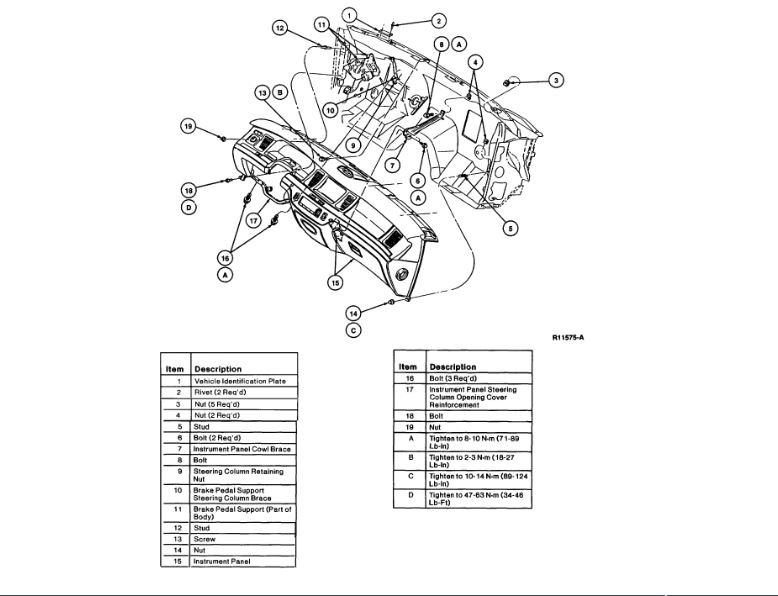
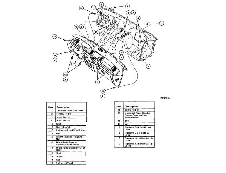
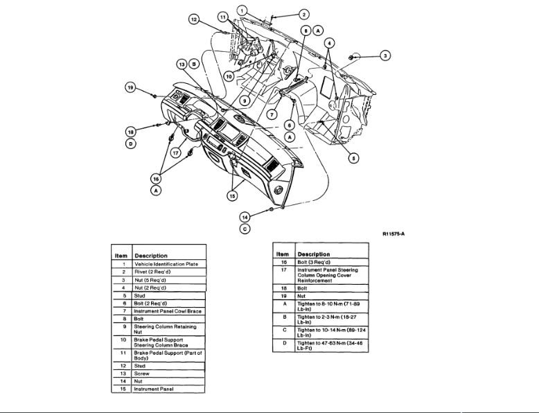
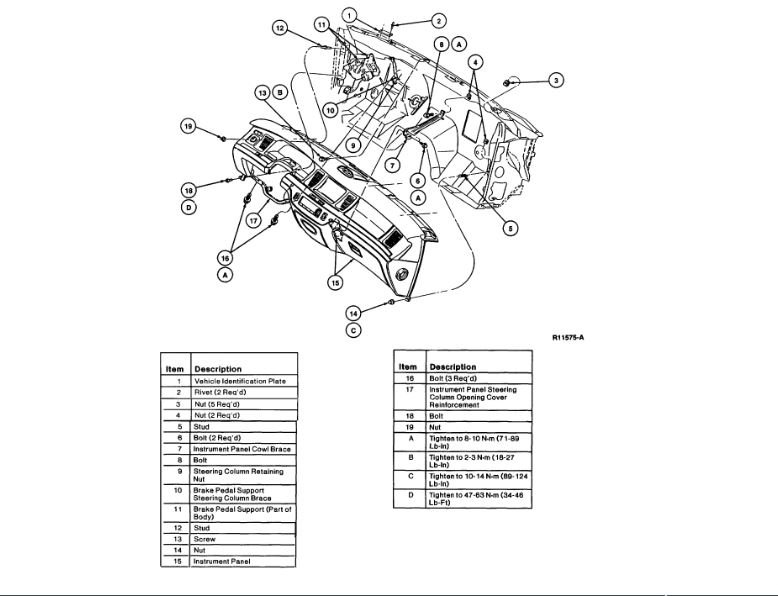
11. Remove screw retaining instrument panel steering column opening cover reinforcement.
12. Remove steering column assembly.
13. Remove from the LH and RH cowl side trim panels.

ImageOpen In New TabZoom/Print

14. Remove lower cowl side trim panels.
15. Tag and disconnect wiring connectors in LH and RH cowls.
16. Remove ground wire assembly.
17. Remove retaining rivet in the passenger side of the instrument panel.

ImageOpen In New TabZoom/Print

18. Unsnap the instrument panel finish panel, center and RH.
19. Unsnap the instrument panel finish panel, (LH).
20. Remove and disconnect the radio chassis.
21. Remove retaining screw in the instrument panel finish panel.
22. Position the instrument panel finish panel out of the way.
23. Tag and disconnect the wiring connectors.
24. Remove retaining screw in the passenger side air bag module.
25. Disconnect the electrical connector to the passenger side air bag module.
26. Remove and disconnect the instrument panel upper finish panel.
27. Remove instrument panel to cowl brace retaining screw.
28. Remove retaining nut on the instrument LH and RH lower finish panel.
29. Remove instrument panel cowl brace.
30. Disconnect vacuum hose on the harness assembly.
31. Remove upper and lower screws retaining instrument panel finish panel to dash panel.
32. If instrument panel is being replaced, transfer all parts to the new instrument panel.

ImageOpen In New TabZoom/Print
Was this
answer
helpful?
Yes
No
+2
Tuesday, December 15th, 2020 AT 6:59 PM (Merged)
Tiny
ARNOLD KNUTSEN
  • MEMBER
  • 2 POSTS
  • 1995 LINCOLN TOWN CAR
  • 4.3L
  • V8
  • 2WD
  • AUTOMATIC
  • 123,000 MILES
Can I remove a fuse to deactivate the blend door motor? Can I reach and cut a wire feeding it?
Was this
answer
helpful?
Yes
No
Tuesday, December 15th, 2020 AT 6:59 PM (Merged)
Tiny
KASEKENNY
  • MECHANIC
  • 18,907 POSTS
I assume that the issue is the actuator has failed and you have a clicking all the time?

If this is the case, you don't have a fuse for just the blend door so that option will not work. You could cut the wires but that is not a good idea just because if you ever fix it you would have to repair the wires as well. So if you are going to reach up there, you could just access it and unplug it. Or if you go to that extend, I would just replace it.

However, I get how you don't want to pull the cluster out but it is not as bad as it sounds. I included the process for your review.

If you do want to cut the wires, I included the connector view showing each wire.

Plus here is a guide that will help with some general info on this as well:

https://www.2carpros.com/articles/replace-blend-door-motor

Let us know what questions you have. Thanks
Was this
answer
helpful?
Yes
No
Tuesday, December 15th, 2020 AT 6:59 PM (Merged)
Tiny
LIONOFJUDAH
  • MEMBER
  • 1 POST
  • 1989 LINCOLN TOWN CAR
  • 5.0L
  • V8
  • AUTOMATIC
  • 126,000 MILES
My AC blender door got stuck. Now it just blows hot air. Where is the blender door located? And where is the actuator located?
Was this
answer
helpful?
Yes
No
Tuesday, December 15th, 2020 AT 6:59 PM (Merged)
Tiny
STEVE W.
  • MECHANIC
  • 15,679 POSTS
Sounds like either the vacuum dashpot failed or a vacuum line came off. You can access it by removing the glove box door. See the pictures.
Was this
answer
helpful?
Yes
No
+1
Tuesday, December 15th, 2020 AT 6:59 PM (Merged)
Tiny
CARPETWEB
  • MEMBER
  • 3 POSTS
  • LINCOLN TOWN CAR
I have a 1997 town car, i've been told I have a blend door actuator problem but when I run the self diagnostic it will reset itself. Sometimes I get code 024 and 025 but no clicking noise, so I am having a hard time believing the actuator is bad.

Could it be a temperture sensor or sensors and if so where are they and where would you start.

When it resets it will stay cooling or heating as long as you leave it in the coldest or warmest setting and off of automatic.
Was this
answer
helpful?
Yes
No
Tuesday, December 15th, 2020 AT 6:59 PM (Merged)
Tiny
TOBYU
  • MEMBER
  • 89 POSTS
Sounds like it is a blend door problem. They have a high failure rate in Town Cars.
You are lucky it will change from hot to cold and stay there. I had a 96 that would do the same. I had to reset it about 4-5 times to get it to switch and then keep it off of AUTO.
It is a labor intensive expensive job to replace such a small cheap part.
I would live with it as long as I could get it to go from hot to cold for the season changes.
Was this
answer
helpful?
Yes
No
-1
Tuesday, December 15th, 2020 AT 6:59 PM (Merged)

Please login or register to post a reply.