My heater is not working?

Tiny
MEGARY
  • MEMBER
  • 2006 HONDA ACCORD
  • 6 CYL
  • FWD
  • MANUAL
  • 131,000 MILES
Heater on my car will not heat up. System has "dual" control for driver and passenger side but can't get to heat-up - fan works; just blowing cold air.
Saturday, January 22nd, 2011 AT 4:40 PM

15 Replies

Tiny
KASEKENNY
  • MECHANIC
  • 18,907 POSTS
This is one of two things in most cases. First and foremost is the blend door is not operating. I am attaching the info on this. Plus here is a guide that will help as well:

https://youtu.be/tY6M92fA2ug

However, since you have dual zone temp control this may be a heater core issue.

https://youtu.be/SNRb6pSwYuU

Run through this info and let us know what questions you have. Thanks
Was this
answer
helpful?
Yes
No
Saturday, November 28th, 2020 AT 5:54 PM
Tiny
PMAKKENA
  • MEMBER
  • 1 POST
  • 2005 HONDA ACCORD
  • 4 CYL
  • 2WD
  • AUTOMATIC
  • 60,000 MILES
I observed a strange behavior with my car yesterday. When I started the heater I noticed that the hot air is coming from right side of the vents only and normal air from left.

So went into AC mode I noticed that the cold air is coming from left side of the vent only and normal air from right. Can someone tell me what is the issue?
Was this
answer
helpful?
Yes
No
Tuesday, December 1st, 2020 AT 10:46 AM (Merged)
Tiny
KHLOW2008
  • MECHANIC
  • 41,814 POSTS
Hi pmakkena,

You have a temperature blend door actuator that is not working right here is a guide to show you what you are in for when changing the unit out and diagrams below to show you what it will be like for your car:

https://www.2carpros.com/articles/replace-blend-door-motor

Check out the diagrams (below). Please let us know what happens.

Cheers
Was this
answer
helpful?
Yes
No
Tuesday, December 1st, 2020 AT 10:46 AM (Merged)
Tiny
DENTALFITCHIC
  • MEMBER
  • 0 POST
Thank you for this post! I got the part for $67.00 and all fixed. I love this site.
Was this
answer
helpful?
Yes
No
Tuesday, December 1st, 2020 AT 10:46 AM (Merged)
Tiny
PHIL92259
  • MEMBER
  • 1 POST
  • 2005 HONDA ACCORD
I have a 2005 Honda Accord and the heater is blowing fine but only putting out heat on hte left side. Can someone tell me what the problem might be?
Was this
answer
helpful?
Yes
No
Tuesday, December 1st, 2020 AT 10:47 AM (Merged)
Tiny
KHLOW2008
  • MECHANIC
  • 41,814 POSTS
The most common fault for such symptoms are a bad air mix actuator motor or stuck linkages.

Here is a guide to help

https://www.2carpros.com/articles/car-heater-not-working

Check out the diagrams (Below). Please let us know what you find. We are interested to see what it is.

Was this
answer
helpful?
Yes
No
Tuesday, December 1st, 2020 AT 10:47 AM (Merged)
Tiny
JAIMEA
  • MEMBER
  • 1 POST
  • 2005 HONDA ACCORD
  • 4 CYL
  • 2WD
  • AUTOMATIC
  • 166,000 MILES
I recently purchased the car listed above LX, 4 door sedan. Well taken care of all maintenance records, including the new climate control controller (purchased and installed by best buy). There are two issues I have so far:

1. The air only comes from front cabin vents, no floor and no defrost.
2. The A/C works, but the heat does not.

The previous owner said "I guess a dampener might have an actuator that stopped working".

What should I be looking for? Thank you in advance.
Was this
answer
helpful?
Yes
No
Tuesday, December 1st, 2020 AT 10:47 AM (Merged)
Tiny
JACOBANDNICKOLAS
  • MECHANIC
  • 110,192 POSTS
Welcome to 2CarPros.

Interesting that best buy did work on this. Where I am, all they do is sell electronics. Did they install something which is aftermarket?

As far as the issue at hand, there are two actuators involved. One is a mode actuator, which determines the air flow directions and the other is air mix actuator which determines air temp entering the vehicle. I suspect something wasn't installed correctly or even left unplugged if both happened at the same time.

_________________________________________

Here is a link that shows in general how a air mix (blend air) actuator is replaced. I'm adding it because it is informative and although it is being done on a different type of vehicle, it is clear and easy to read through. It also discusses common symptoms related to the component.

https://www.2carpros.com/articles/replace-blend-door-motor

_____________________________________

Here are replacement directions specific to your vehicle for both actuators I mentioned. You will need to remove and inspect them for operation. Also, before removal, just make sure everything is connected properly. The attached pictures correlate with the directions.

________________________________________

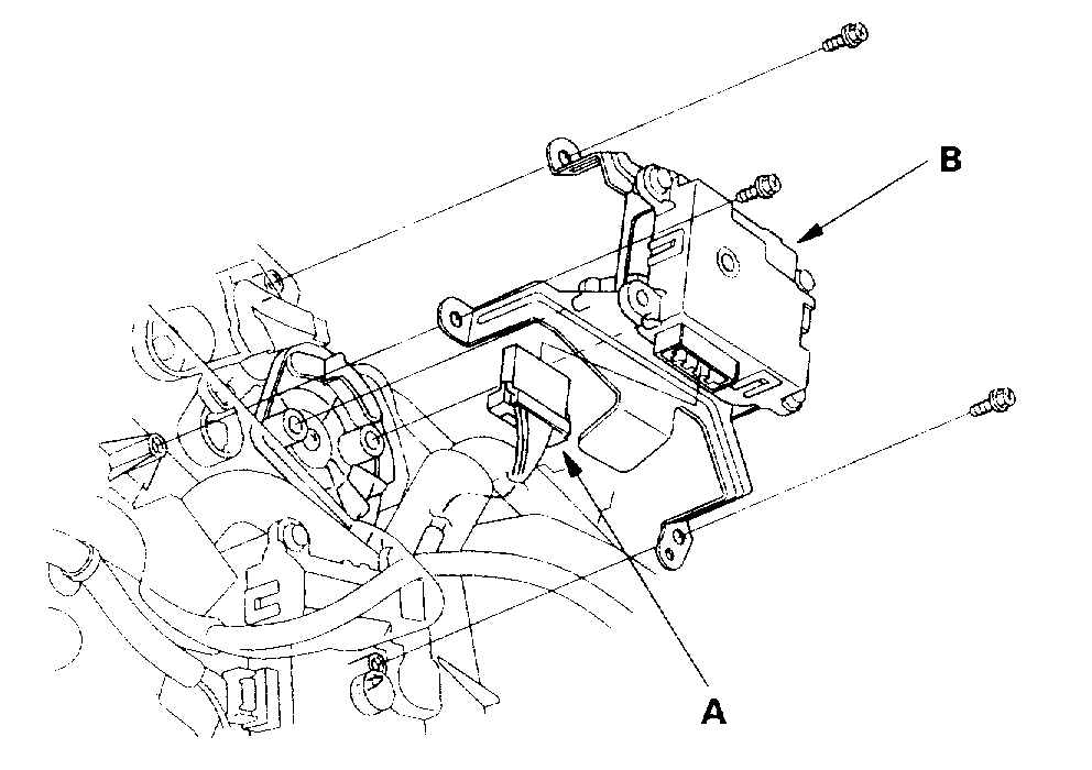
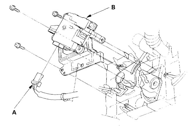
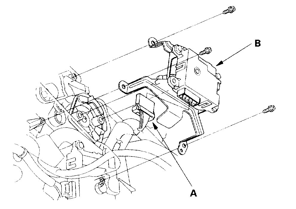
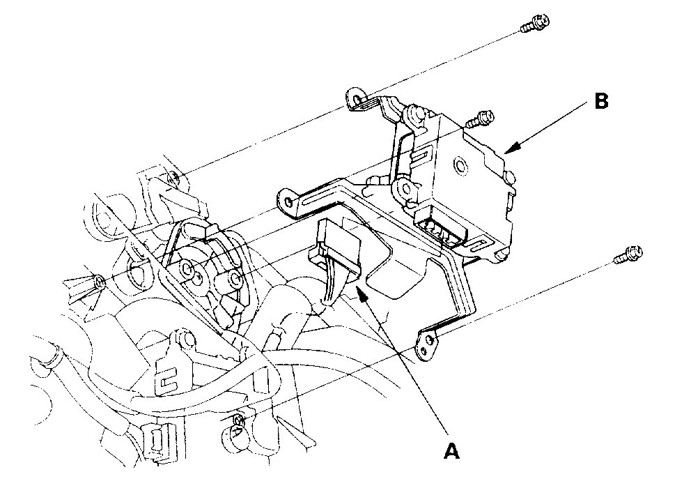
2005 Honda Accord L4-2.4L
Air Mix Control Motor
Vehicle Heating and Air Conditioning Air Door Actuator / Motor Service and Repair Procedures Air Mix Control Motor
AIR MIX CONTROL MOTOR
Air Mix Control Motor Replacement

4-door

pic 1

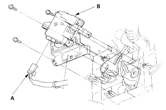
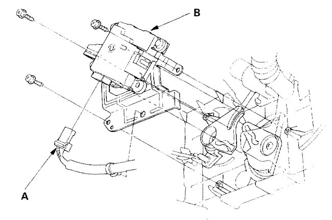
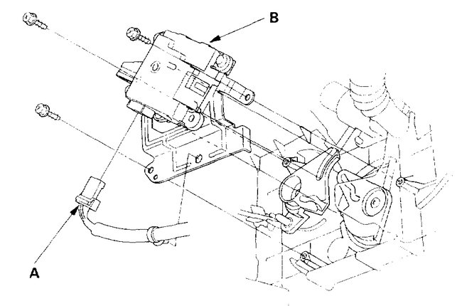
1. Disconnect the 7P connector (A) from the air mix control motor (B). Remove the self-tapping screws and the air mix control motor from the heater unit.
2. Install the motor in the reverse order of removal. Make sure the pin on the motor is properly engaged with the linkage. After installation, make sure the motor runs smoothly.

2-door

pic 2

1. Disconnect the 5P connector (A) from the air mix control motor (B). Remove the self-tapping screws and the air mix control motor from the heater unit.
2. Install the motor in the reverse order of removal. Make sure the pin on the motor is properly engaged with the linkage After installation, make sure the motor runs smoothly.

_______________________________________

Here is the info on the mode actuator

2005 Honda Accord L4-2.4L
Mode Control Motor
Vehicle Heating and Air Conditioning Air Door Actuator / Motor Service and Repair Procedures Mode Control Motor
MODE CONTROL MOTOR
Mode Control Motor Replacement

4-door

1. Open the glove box. Remove the damper from the glove box, then let the glove box hang down.

pic 3

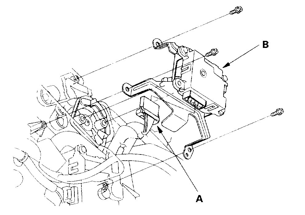
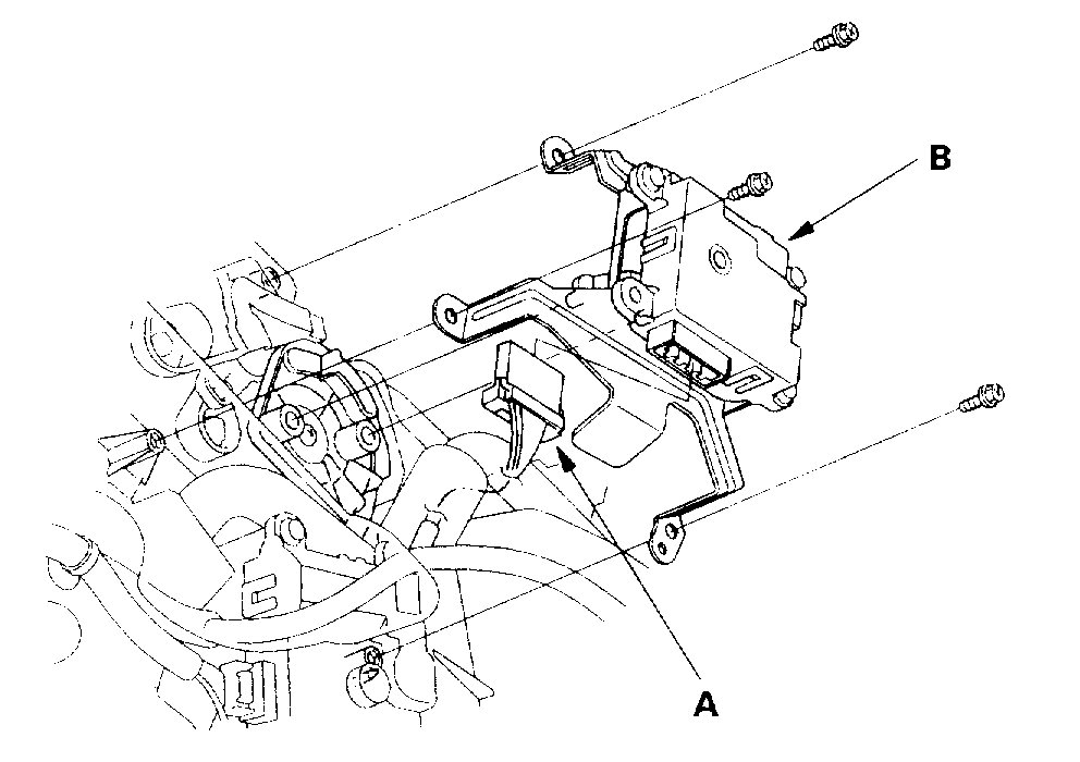
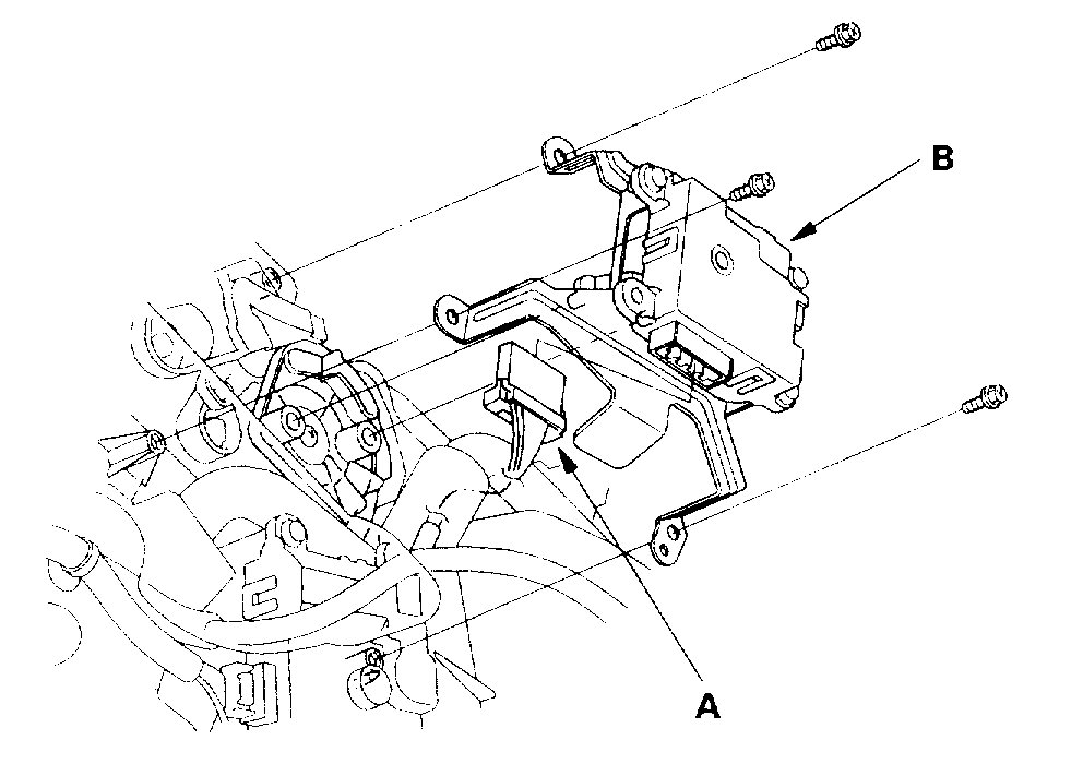
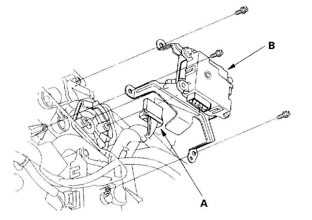
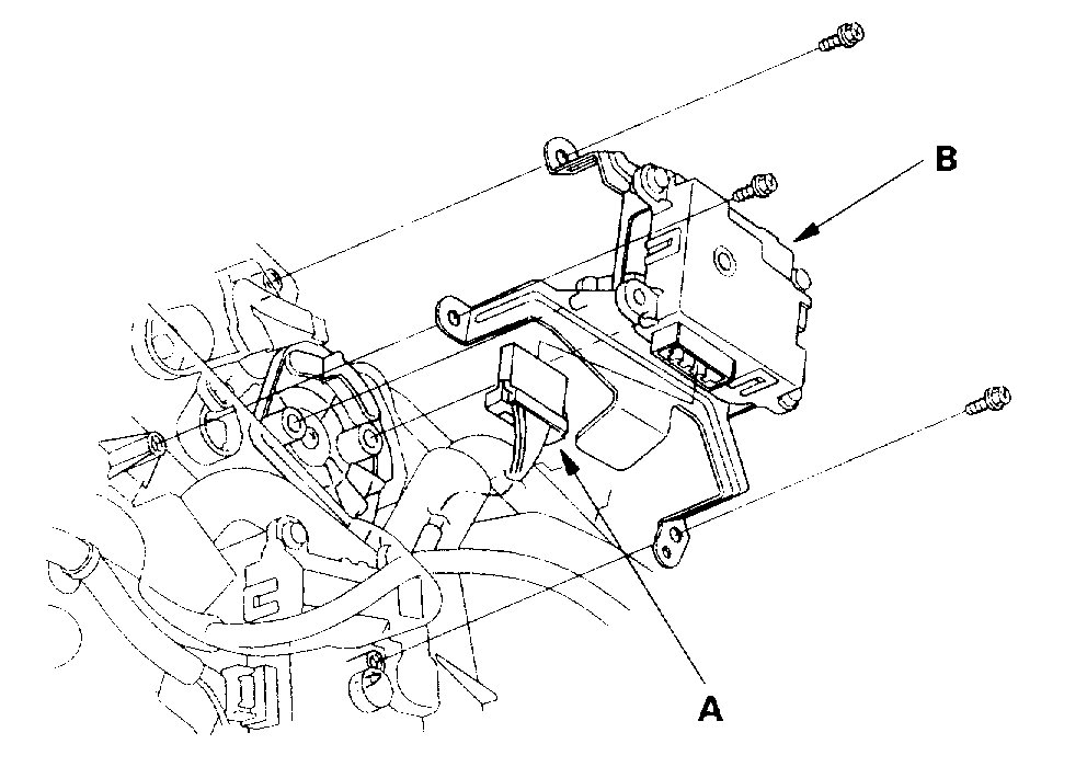
2. Disconnect the 7P connector (A) from the mode control motor (B). Remove the self-tapping screws and the mode control motor from the heater unit.
3. Install the motor in the reverse order of removal. After installation, make sure the motor runs smoothly.

2-door

1. Open the glove box. Remove the damper from the glove box, then let the glove box hang down.

pic 4

2. Disconnect the 10P connector (A) from the mode control motor (B). Remove the self-tapping screws and the mode control motor from the heater unit.
3. Install the motor in the reverse order of removal. After installation, make sure the motor runs smoothly.

____________________________________________

Let me know if this helps or if you have other questions.

Take care,
Joe
Was this
answer
helpful?
Yes
No
+1
Tuesday, December 1st, 2020 AT 10:47 AM (Merged)
Tiny
DANNYJENKINS
  • MEMBER
  • 2 POSTS
  • 2005 HONDA ACCORD
  • 65,000 MILES
2005 honda accord coupe heater control mode doesnt change the airflow placement. The mode control motor does work but only with a different power source. Getting. Dtc 3 when I do the self test of the hvac system. What does the dtc 3 code mean and any other heater mode control motor not working. Motor has been tested and is ok getting 5 volts on two different wires to the motor. Self diagnostic test of the system flashes code 3. What does code 3 mean and any other ideas. Thanks!
Was this
answer
helpful?
Yes
No
Tuesday, December 1st, 2020 AT 10:47 AM (Merged)
Tiny
RASMATAZ
  • MECHANIC
  • 75,992 POSTS
Hello,

the code is telling you the mode actuator is not working here sia guide to show you what you are in for when changing it out with diagrams below to show you on your car.

https://www.2carpros.com/articles/replace-blend-door-motor

Here are all blend door locations so you can see how the system works.

Check out the diagrams (Below). Please let us know what happens.

Cheers
Was this
answer
helpful?
Yes
No
Tuesday, December 1st, 2020 AT 10:47 AM (Merged)
Tiny
KRISTENLEE
  • MEMBER
  • 0 POST
Thanks for this post I got a new actuator for $54.00 everything woking good once again! I love this site.
Was this
answer
helpful?
Yes
No
Tuesday, December 1st, 2020 AT 10:47 AM (Merged)
Tiny
LANDONKAMBAN
  • MEMBER
  • 1 POST
  • HONDA ACCORD
2004 Honda Accord V6, 35,000 miles. One day I noticed that the fan is only blowing cold air into the car. When I turn the temperature up, it fan still remains blowing cold air into the car.
Was this
answer
helpful?
Yes
No
Tuesday, December 1st, 2020 AT 11:17 AM (Merged)
Tiny
FISHERMAN
  • MECHANIC
  • 937 POSTS
Hello,

Check the heater core valve (engine compartment) follow the two hoses from the engine to the firewall to the heater core you will find a valve with a wire (opens and closes that valve) check it could be "stuck" closed.
If good try to "flush" the heater core.

Let us know!

Good luck!
Was this
answer
helpful?
Yes
No
Tuesday, December 1st, 2020 AT 11:17 AM (Merged)
Tiny
MATHIAS13
  • MEMBER
  • 1 POST
I have a 2005 Honda Accord Coupe 2.4L and my air mix motor is fine but when I turn the knob to heat, and the motor rarely changes to heat for about 10 minutes then goes cold again. Is this an electrical problem or shuts off the temperature control board on the back of the radio need to be replaced? The heater core is fine and so is the flap. Any suggestions?
Was this
answer
helpful?
Yes
No
Wednesday, December 29th, 2021 AT 1:46 AM
Tiny
KASEKENNY
  • MECHANIC
  • 18,907 POSTS
So, you are correct that this is most likely a control issue. If the heating system works for a short time and then it stops blowing warm, then something is telling the blend door to change position.

Outside of the control module itself the only thing that would make sense in your system would be the in-car temperature sensor. Basically, this is used to determine what the temperature is inside the vehicle and if it shorts out and tells the module that it is hot then it is going to try and cool it down.

However, I don't think this is the issue because normally these sensors fail by creating an open circuit and they will tell the control module that it is negative 40 degrees F as that is the default temperature when it is an open circuit. So that would cause it to blow full hot and not full cold.

However, we should still check it. You do this by checking the voltage at the module when this starts blowing cold on the in-car temperature sense signal.

https://www.2carpros.com/articles/how-to-check-wiring

The voltage should stay steady even when the temperature changes. If it changes and then the air temperature changes then the sensor is the issue. If not, then the control unit is most likely the issue.

Please run through this and let me know what you find. Thanks
Was this
answer
helpful?
Yes
No
Wednesday, December 29th, 2021 AT 2:31 PM

Please login or register to post a reply.