Friday, January 28th, 2011 AT 6:00 AM
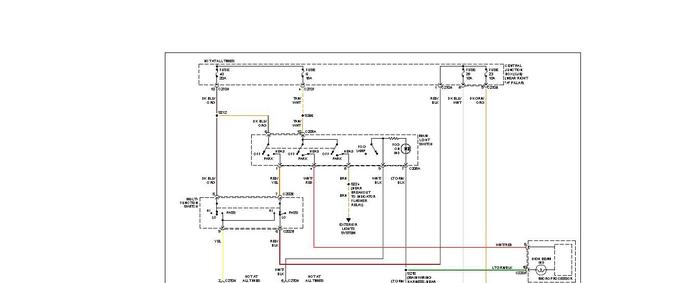
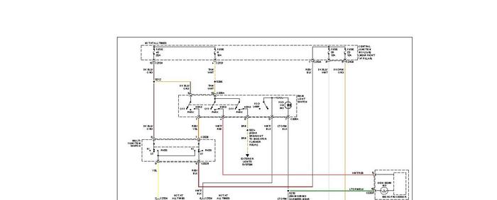
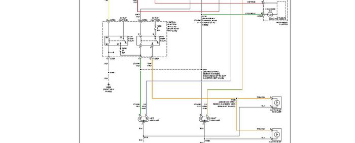
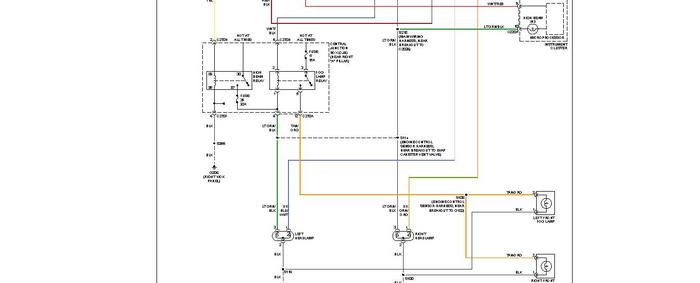
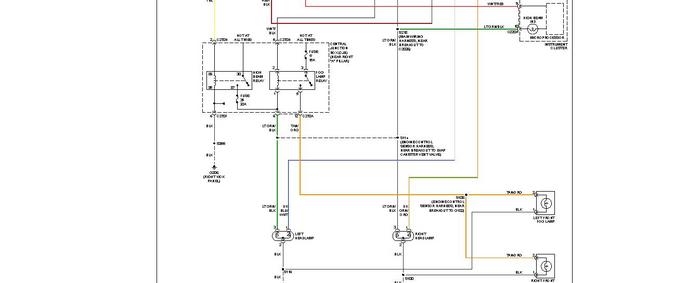
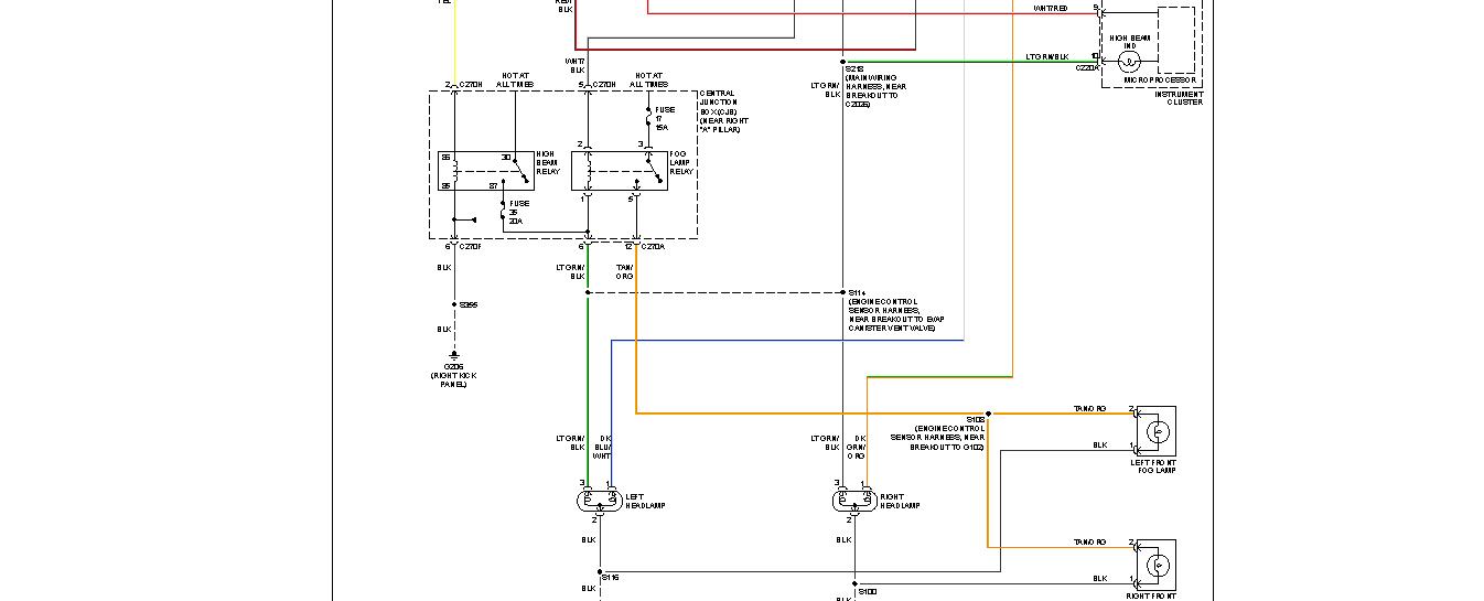
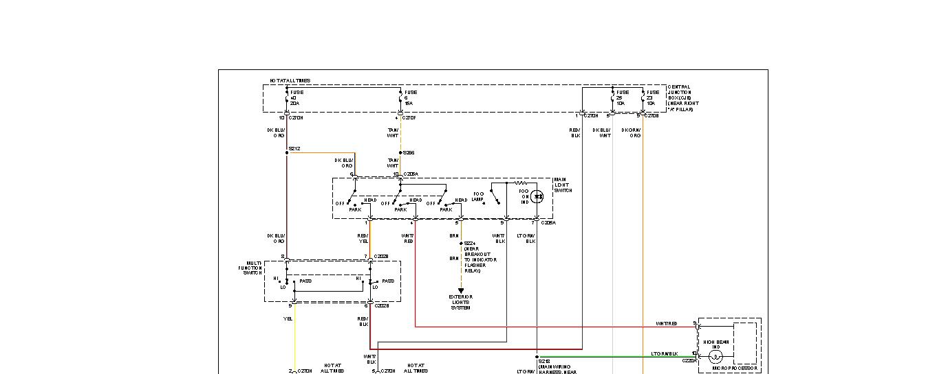
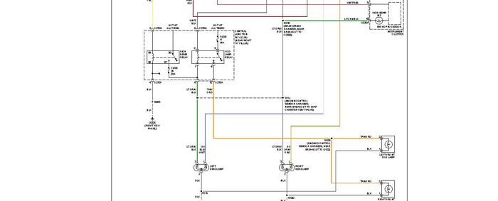
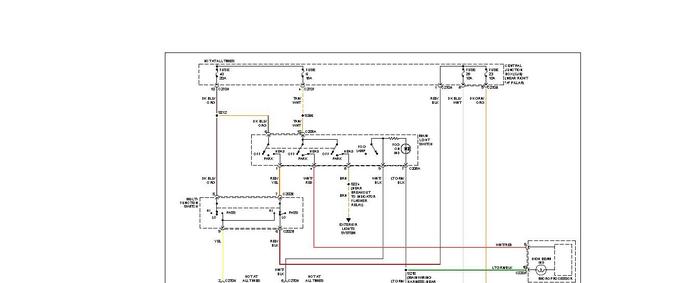
Need the headlight wiring diagram for a 2006 ford f150 xlt. I'm installing oem fog lights and I need to wire the fog light harness to the headlight harness. Thanks


