Tuesday, November 18th, 2014 AT 2:56 AM
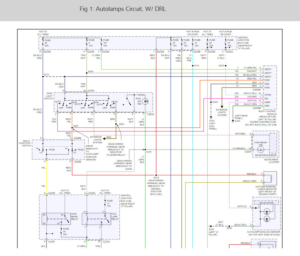
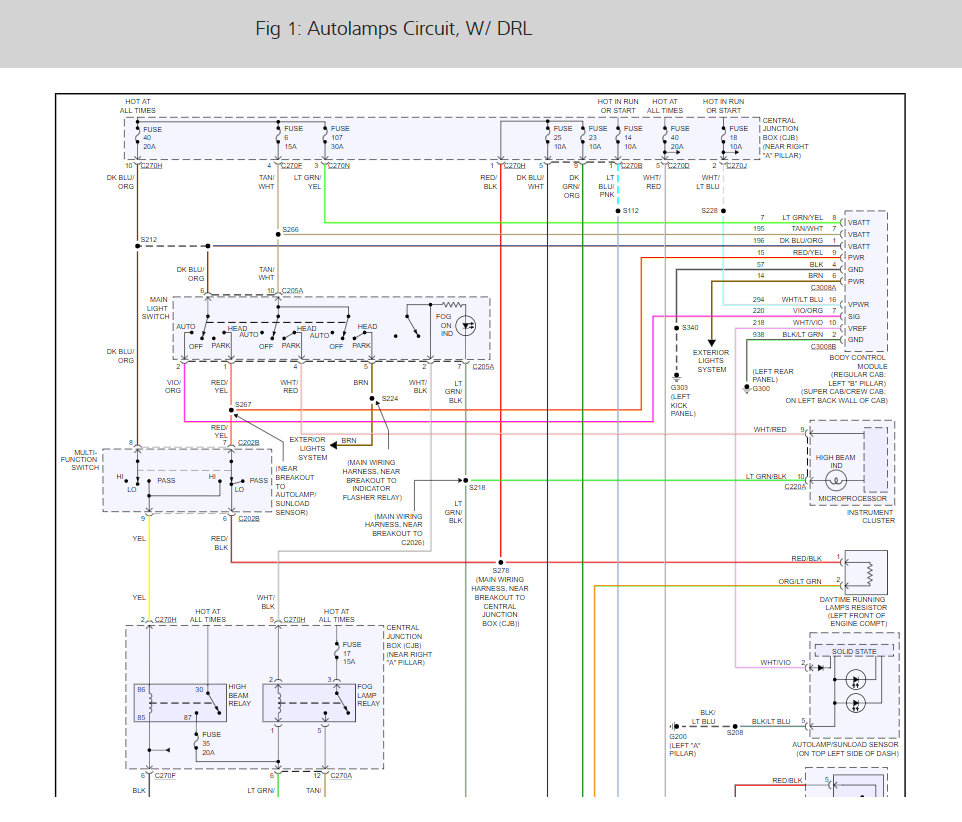
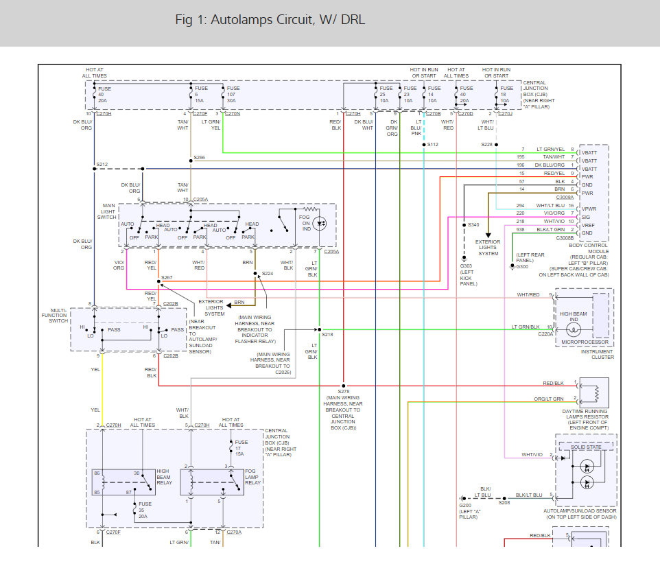
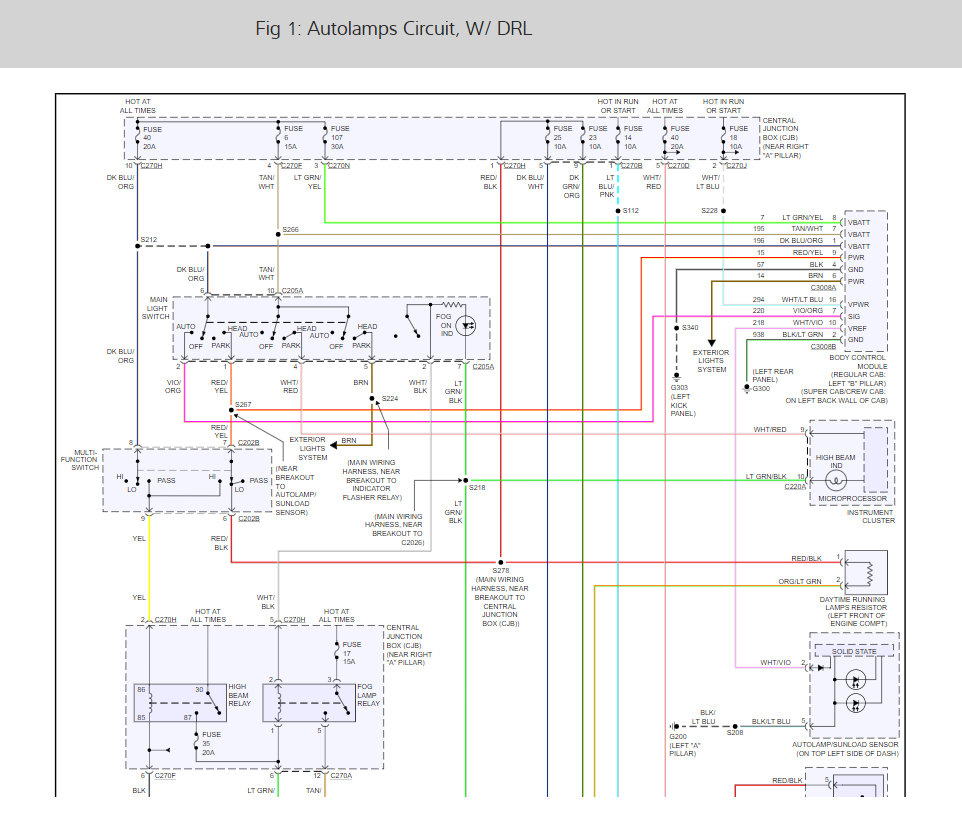
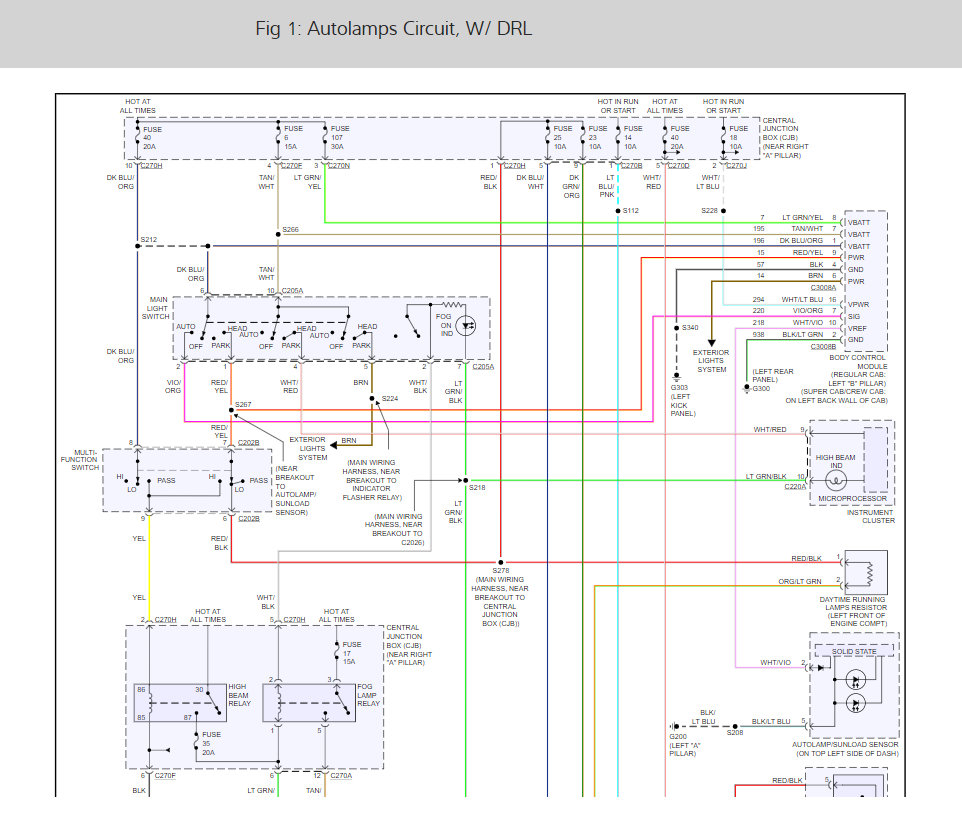
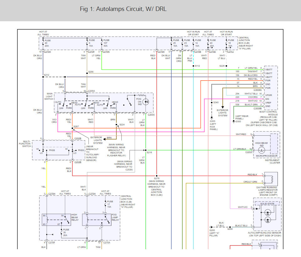
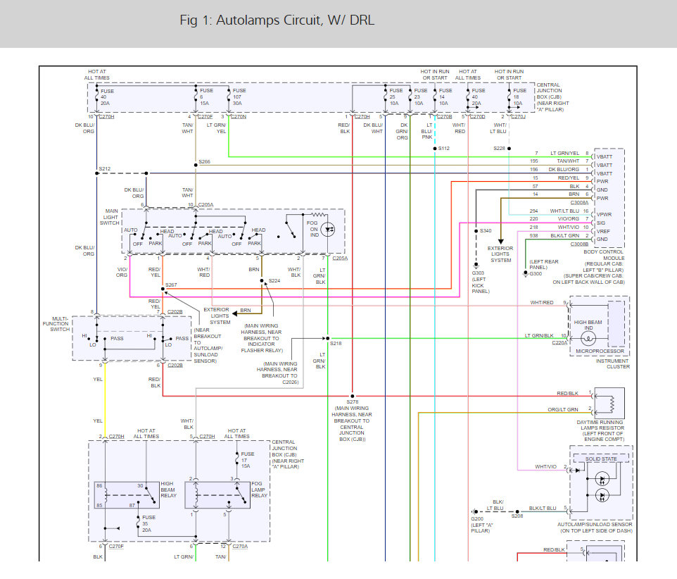
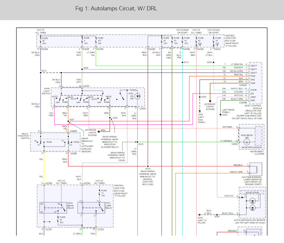
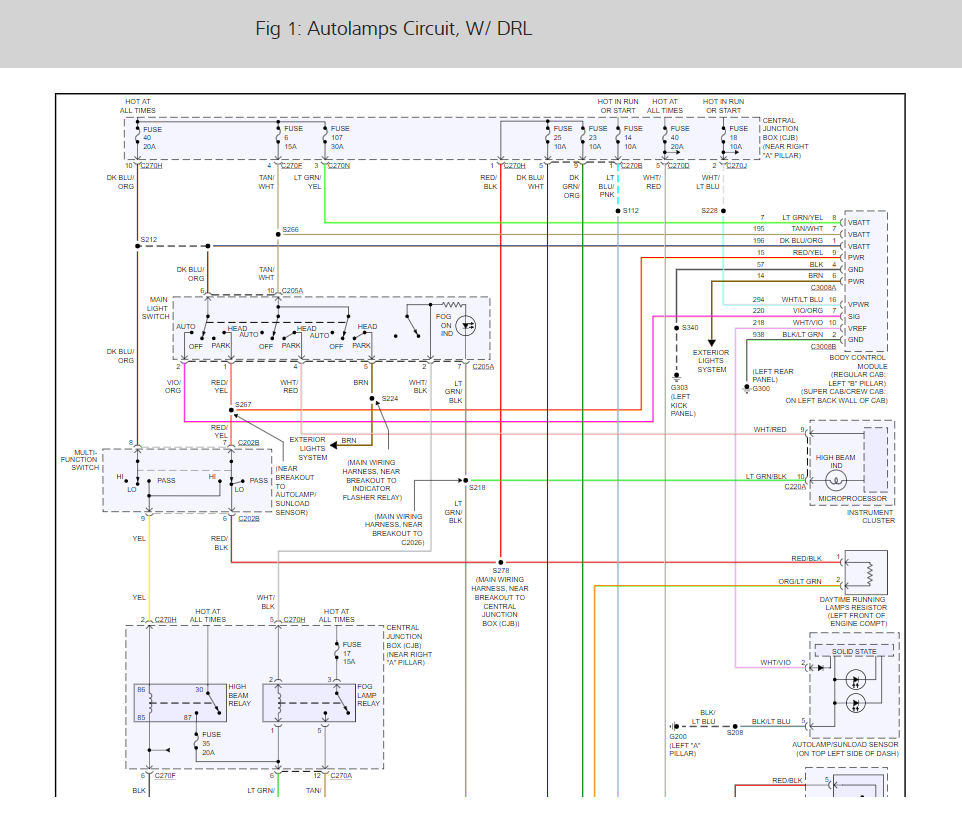
The brights come on fine but the low beams do not at all. I didn't notice any fuses blown and was suggested to replace the low beam relay. Is this a good solution? Any other ideas? I already tried replacing the bulbs with the same result. Please help. Thank you.











