Headlights not working why?

Tiny
BDUBZ55
  • MEMBER
  • 2006 FORD F-150
  • 4WD
  • AUTOMATIC
  • 49,000 MILES
The headlights no longer work. Any suggestions?
Thursday, December 30th, 2010 AT 9:28 PM

2 Replies

Tiny
SATURNTECH9
  • MECHANIC
  • 30,869 POSTS
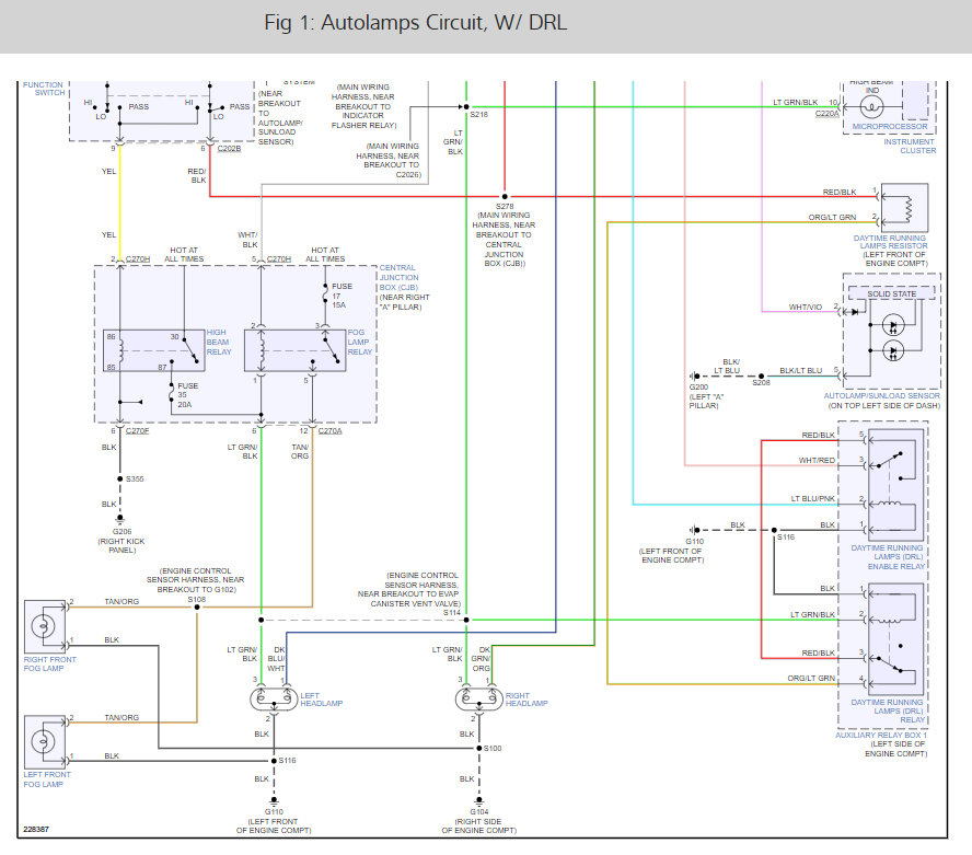
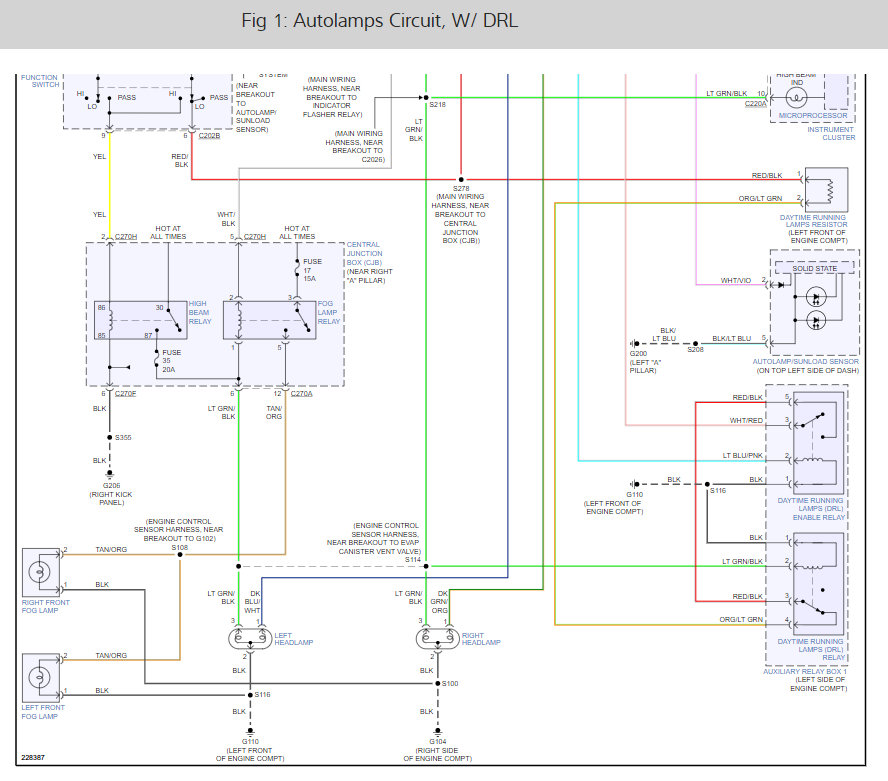
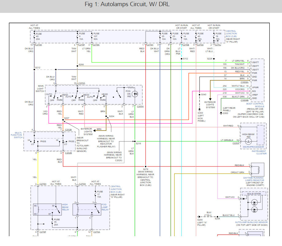
Lets start by checking the fuses # F40, F6 and F107 here is a guide to help you with the fuse locations and wiring diagrams so you can see how the system works below.

https://www.2carpros.com/articles/how-to-check-a-car-fuse

Check out the diagrams (Below). Let us know what happens and please upload pictures or videos of the problem.
Was this
answer
helpful?
Yes
No
Wednesday, March 31st, 2021 AT 7:13 PM
Tiny
BDUBZ55
  • MEMBER
  • 1 POST
It was the F40 fuse thank you.
Was this
answer
helpful?
Yes
No
-2
Wednesday, March 31st, 2021 AT 7:13 PM

Please login or register to post a reply.