The 4X4 is not working on this expdition the.

Tiny
ANONYMOUS
  • MEMBER
  • 2006 FORD EXPEDITION
  • 70,000 MILES
The 4x4 is not working on this expdition the lights come on but it is not going into 4x4. If there is some simple checks I can do to try and isolate the problem or commin things that happen to go. I dont think it is an electrical problem but it could be. Thank you so much.
Friday, December 7th, 2012 AT 11:57 AM

10 Replies

Tiny
ASEMASTER6371
  • MECHANIC
  • 52,796 POSTS
Good afternoon,

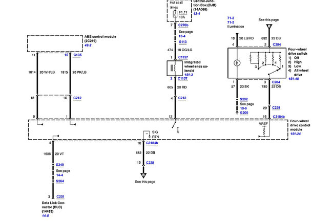
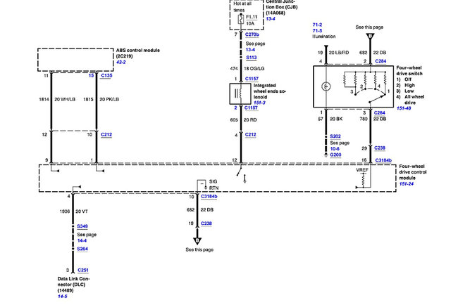
I attached a wiring diagram of the system for you.

https://www.2carpros.com/articles/how-to-check-wiring

You need to test for power to the motor on the transfer case to be sure it has power when you command 2 and 4 wheel drive. Check the fuses I circled for power on both sides to be sure available power is available.

https://www.2carpros.com/articles/how-to-check-a-car-fuse

The motor is common for failing for this issue.

I attached the flow chart for the issue below with some pictures.

Roy

Pinpoint Test C: The Vehicle Does Not Shift Between 2WD And 4WD Modes Correctly
Normal Operation
The mode select switch communicates the operator's choice to the 4x4 module (PCM). The 4x4 module (PCM) then controls the transfer case clutch, transfer case motor and integrated wheel ends (IWE's) as necessary. If the vehicle is not responding to the operator's intentions, systematically check the necessary inputs and outputs of the 4x4 module (PCM), components of the transfer case, IWE components and halfshafts. Check all circuits for opens and shorts to power or ground.

Possible Causes
Transfer case
Integrated wheel ends (IWE)
IWE solenoid
4x4 module (PCM)
Front axle assembly
Mode select switch (MSS)
Circuit 682 DB/WH)
Circuit 780 (DB)
Circuit 704 (DG/LG)
CJ13 Fuse 115 (30A)

Was this
answer
helpful?
Yes
No
Tuesday, November 17th, 2020 AT 1:24 PM
Tiny
EEJACKSON
  • MEMBER
  • 1 POST
  • 2004 FORD EXPEDITION
  • 5.6L
  • V8
  • 4WD
  • AUTOMATIC
  • 235,000 MILES
When I turn the selector knob on dash from 2wd to any of the 4wd position front wheels auto vacuum hubs will not engage.
Was this
answer
helpful?
Yes
No
Wednesday, November 18th, 2020 AT 11:52 AM (Merged)
Tiny
JOETECHPRO
  • MECHANIC
  • 705 POSTS
Hey EEJACKSON,

Does the 4H light on the dash come on?

If so and you are not getting any drive to the front wheels you may have a vacuum issue as you suspect.

Have you got access to a Mityvac or vacuum pump?

What you will need to do here is to check the system for leaks in the lines, reservoir and the hubs themselves. Also there are check valves and vacuum switches that can cause problems.

Regards, Joe
Was this
answer
helpful?
Yes
No
+2
Wednesday, November 18th, 2020 AT 11:52 AM (Merged)
Tiny
TOUGHDIVER
  • MECHANIC
  • 224 POSTS
Hello,

It could be the Integrated Wheel End Solenoid Valve is stuck not releasing vacuum. Disconnect the vacuum lines and the front hubs will should engage. The IWE system uses vacuum hubs that engage the front wheel hubs to the front half-shafts or disengage the front wheel hubs from the front half-shafts.
The IWE solenoid receives engine vacuum from the vacuum reservoir.
When the 4-wheel drive system is in 2WD mode, the 4x4 module (PCM) supplies a ground path to the IWE solenoid to apply vacuum to the integrated wheel ends (disengaging the front hubs from the front half-shafts). In 4WD mode, the 4x4 module (PCM) does not supply the ground path to the IWE solenoid, vacuum is not applied to the integrated wheel ends and an internal spring keeps the front hubs engaged to the front half-shafts. I'm attaching repair guides, wiring diagram and vacuum diagram below. Please let us know if this was helpful or if you need more information to help with this repair.

https://www.2carpros.com/articles/how-to-check-wiring

Thank you
Joe T.
Was this
answer
helpful?
Yes
No
Wednesday, November 18th, 2020 AT 11:52 AM (Merged)
Tiny
CHUCK L.
  • MEMBER
  • 4 POSTS
  • 2004 FORD EXPEDITION
  • 5.4L
  • V8
  • 4WD
  • AUTOMATIC
  • 251,100 MILES
The dash switch does nothing. No lights appear on instrument cluster. No noises. Obviously stuck in A4W because if I get in sand can feel the front wheels grab. What should I test first and how?
Was this
answer
helpful?
Yes
No
Wednesday, November 18th, 2020 AT 11:52 AM (Merged)
Tiny
BMDOUBLE
  • MECHANIC
  • 1,139 POSTS
There are many things that can cause this, but the best way to begin diagnosis and have an accurate diagnostic path is to retrieve codes from the four wheel drive module. The integrated wheel ends and the integrated wheel ends solenoid are the most common points of failure but we would need to begin with retrieving the codes then we can go from there. I have attached a location of the IWE solenoid with a brief summary of how it operates.
Was this
answer
helpful?
Yes
No
Wednesday, November 18th, 2020 AT 11:52 AM (Merged)
Tiny
CHUCK L.
  • MEMBER
  • 4 POSTS
How and where do I check for codes? Nothing concerning 4 wheel drive comes up on OBD.
Was this
answer
helpful?
Yes
No
Wednesday, November 18th, 2020 AT 11:52 AM (Merged)
Tiny
BMDOUBLE
  • MECHANIC
  • 1,139 POSTS
Some scan tools do not have the capability to retrieve codes from the 4wd module. Sometimes the body control module will store codes related to the 4wd module but will not be specific, unfortunately. At my dealership we use the factory scan tool that will retrieve the codes of course but at home I have an Autel Maxidas that does a majority of the tasks other than programming and a handful of other things that the factory tool will do.
Was this
answer
helpful?
Yes
No
Wednesday, November 18th, 2020 AT 11:52 AM (Merged)
Tiny
JOESSASSY73
  • MEMBER
  • 1 POST
  • 2003 FORD EXPEDITION
Drive Train Axles Bearings problem V8 Four Wheel Drive Automatic 86000 miles

I have taken this car to the shop changed the transfer case motor, checked the switch on the dash and its good. Had the module behind the drivers seat checked with 2 other units and it checked out fine. I get power into the module but none out of it. Fuses are all good too. I am not sure what I should be looking for now are there vacuum lines I should turn towards looking into now? I live in an area where 4x4 is used a lot and I would like to know if you have heard of this such problem thanks.

No there is no sounds being made what so ever. But did have the transfer case motor energized when it was off and it would move the way its suppose to.
Was this
answer
helpful?
Yes
No
Wednesday, November 18th, 2020 AT 11:52 AM (Merged)
Tiny
KEN L
  • MASTER CERTIFIED MECHANIC
  • 55,383 POSTS
Hello,

there are a set of forks that will shift the gears inside the transfer case, what happens is the plastic ends of these forks wear out so it cant shift the 4x4 completely, here is a diagram for what I'm talking about.

Please let us know what you find so it will help others.

Best, Ken
Was this
answer
helpful?
Yes
No
Wednesday, November 18th, 2020 AT 11:52 AM (Merged)

Please login or register to post a reply.