Radiator fans not working

Tiny
TLOFTON1
  • MEMBER
  • 2006 DODGE STRATUS
  • 4 CYL
  • 2WD
  • AUTOMATIC
2006 dodge stratus radiator fans not working. 40 amp rad fan fuse was blown. Replaced it and fans still dont work
Wednesday, May 4th, 2011 AT 3:32 PM

19 Replies

Tiny
DOCFIXIT
  • MECHANIC
  • 18,828 POSTS
The fans can cause the problem by drawing to many amps or you have a relay that is not working. Here is a guide to help you replace the fan motors and how to test the relay.

https://www.2carpros.com/articles/replace-electric-fan-motor

and

https://www.2carpros.com/articles/how-to-check-an-electrical-relay-and-wiring-control-circuit

Here is what it is like on your car and where to find the relays. Please let us know what you find. We are interested to see what it is.

Cheers
Was this
answer
helpful?
Yes
No
+5
Wednesday, May 4th, 2011 AT 3:56 PM
Tiny
WRENCHTECH
  • MECHANIC
  • 20,761 POSTS
The fans themselves may be bad or drawing too much current. Try turning them on and poking the motor with a long bar. If the fans start, then you need new a fan motor.
Was this
answer
helpful?
Yes
No
+3
Wednesday, May 4th, 2011 AT 3:57 PM
Tiny
TLOFTON1
  • MEMBER
  • 4 POSTS
I am not hearing relays click and getting no voltage to fan plug
Was this
answer
helpful?
Yes
No
+7
Thursday, May 5th, 2011 AT 12:59 AM
Tiny
WRENCHTECH
  • MECHANIC
  • 20,761 POSTS
Here's what you need to get to the bottom of the problem.

https://www.2carpros.com/articles/how-to-use-a-test-light-circuit-tester

and

https://www.2carpros.com/articles/how-to-check-an-electrical-relay-and-wiring-control-circuit

Please let us know what happens.
Was this
answer
helpful?
Yes
No
+2
Thursday, May 5th, 2011 AT 1:04 AM
Tiny
TLOFTON1
  • MEMBER
  • 4 POSTS
The problem is the coolant temp sensor. Bought one and fans come on when needed. THANKS for all your help
Was this
answer
helpful?
Yes
No
+2
Thursday, May 5th, 2011 AT 3:14 AM
Tiny
WRENCHTECH
  • MECHANIC
  • 20,761 POSTS
That would have messed with a whole lot more than just the fans. That would really mess up the fuel mixture.
Was this
answer
helpful?
Yes
No
+1
Thursday, May 5th, 2011 AT 3:17 AM
Tiny
TLOFTON1
  • MEMBER
  • 4 POSTS
Thanks for the help you guys I love this site 2CarPros rocks!
Was this
answer
helpful?
Yes
No
+1
Thursday, May 5th, 2011 AT 3:44 AM
Tiny
BIGMAC82
  • MEMBER
  • 7 POSTS
Anybody know what temp the fans should turn on? I have a 05 stratus, my guage isn't even in the middle but on my scanner it was reading 214 and still nothing.
Was this
answer
helpful?
Yes
No
-1
Tuesday, July 2nd, 2019 AT 12:34 PM
Tiny
KEN L
  • MASTER CERTIFIED MECHANIC
  • 55,301 POSTS
Hello,

The fans should come on between 220f and 230f. Let it heat up a little more. Let us know.
Was this
answer
helpful?
Yes
No
+1
Thursday, July 4th, 2019 AT 4:11 PM
Tiny
BIGMAC82
  • MEMBER
  • 7 POSTS
Thanks Ken. Yes both fans come on 229-230 but that seems way to hot in my opinion. All I know is that after I turn the engine off, I can hear bubbling in the reservoir. Does the low speed fan supposed to come on first at a certain temperature, and then both high and low speed when it reaches 230?
Was this
answer
helpful?
Yes
No
Friday, September 6th, 2019 AT 7:46 PM
Tiny
KEN L
  • MASTER CERTIFIED MECHANIC
  • 55,301 POSTS
Okay, this can happen when the engine has a small head gasket leak. we can confirm the issue following this guide:

https://www.2carpros.com/articles/head-gasket-blown-test

Please run down this guide and report back.

Was this
answer
helpful?
Yes
No
Saturday, September 7th, 2019 AT 1:06 PM
Tiny
DOCFIXIT
  • MECHANIC
  • 18,828 POSTS
Good idea Ken need to eliminate that also turn on ac both fans should run. This will confirm both fans operate. The PCM controls both low and high speed.
Was this
answer
helpful?
Yes
No
Saturday, September 7th, 2019 AT 2:58 PM
Tiny
BIGMAC82
  • MEMBER
  • 7 POSTS
I dont think I have a head gasket leak but you may be right I pray you aren't but couldnt it also happen if the water ratio is higher than coolant? Since water boils at a lower temperature. I've taken out spark plugs and their dry and even the pistons look carbon fouled and not shiny clean. Can you show me where the engine block drain bolts are? Or does it not have a regular drain and only has plugs?
Was this
answer
helpful?
Yes
No
Wednesday, September 11th, 2019 AT 1:09 PM
Tiny
BIGMAC82
  • MEMBER
  • 7 POSTS
I wish the tlofton guy would log back on and share what temp his fans came on I'm sure he's gotten rid of that car by now
Was this
answer
helpful?
Yes
No
Wednesday, September 11th, 2019 AT 1:11 PM
Tiny
KEN L
  • MASTER CERTIFIED MECHANIC
  • 55,301 POSTS
I would try a new temperature sensor for the coolant because the fans work just too late. Here is the location and a guide to help walk you through the repair:

https://www.2carpros.com/articles/coolant-temperature-sensor-cts-replacement

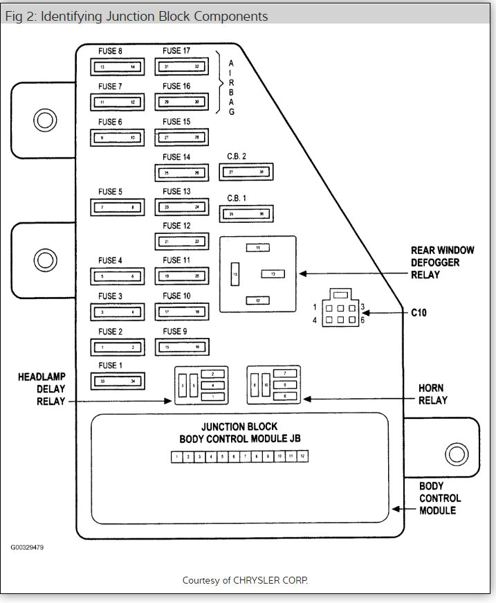
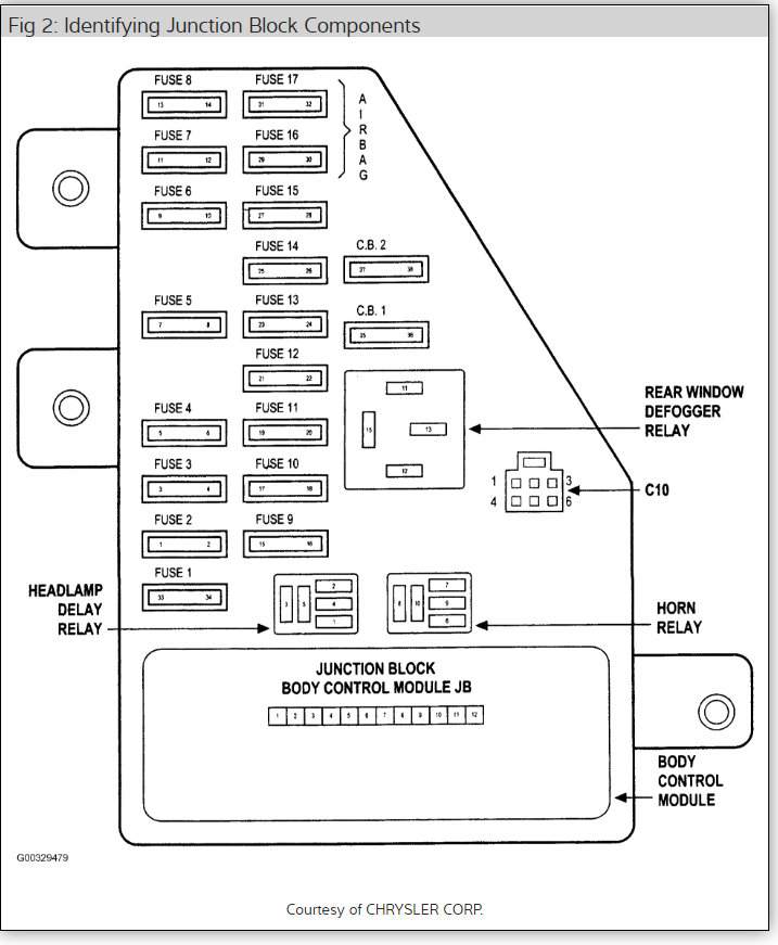
Check out the diagrams (below). Please let us know what happens.

Was this
answer
helpful?
Yes
No
+1
Thursday, September 12th, 2019 AT 9:46 AM
Tiny
BIGMAC82
  • MEMBER
  • 7 POSTS
Thanks. I will try a new one I may have to go oem because I just installed one not to long ago.
Was this
answer
helpful?
Yes
No
Thursday, September 12th, 2019 AT 6:48 PM
Tiny
MASTERWRENCH
  • MECHANIC
  • 258 POSTS
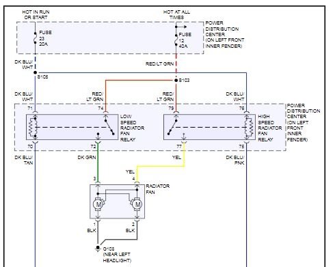
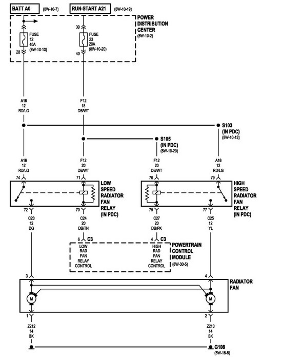
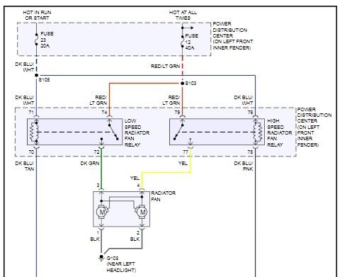
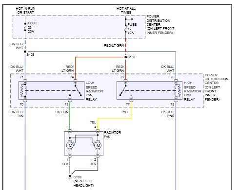
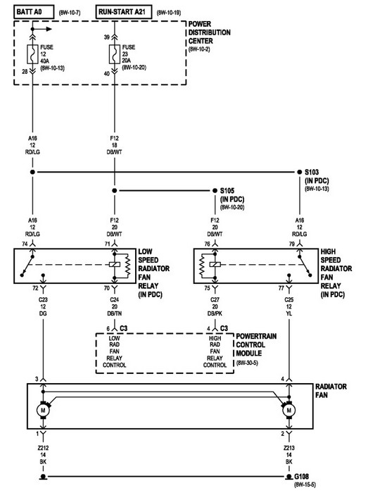
Just a little more info to help out. You asked about low speed fan operation vs. High speed. Ken was correct regarding the 220F-230F range. More specifically though, low speed should activate at 220F. They'll then switch to high speed at 230F. See the attached operational chart. There are some variations in these numbers depending on whether a/c is on as well as transmission temps.

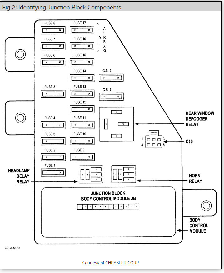
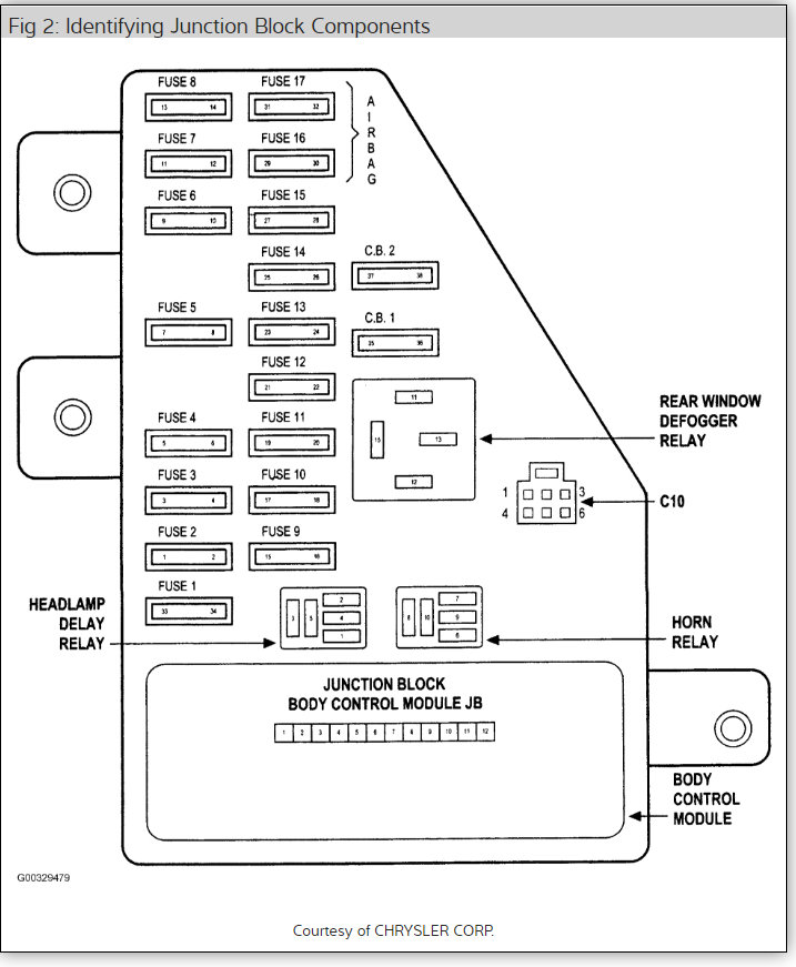
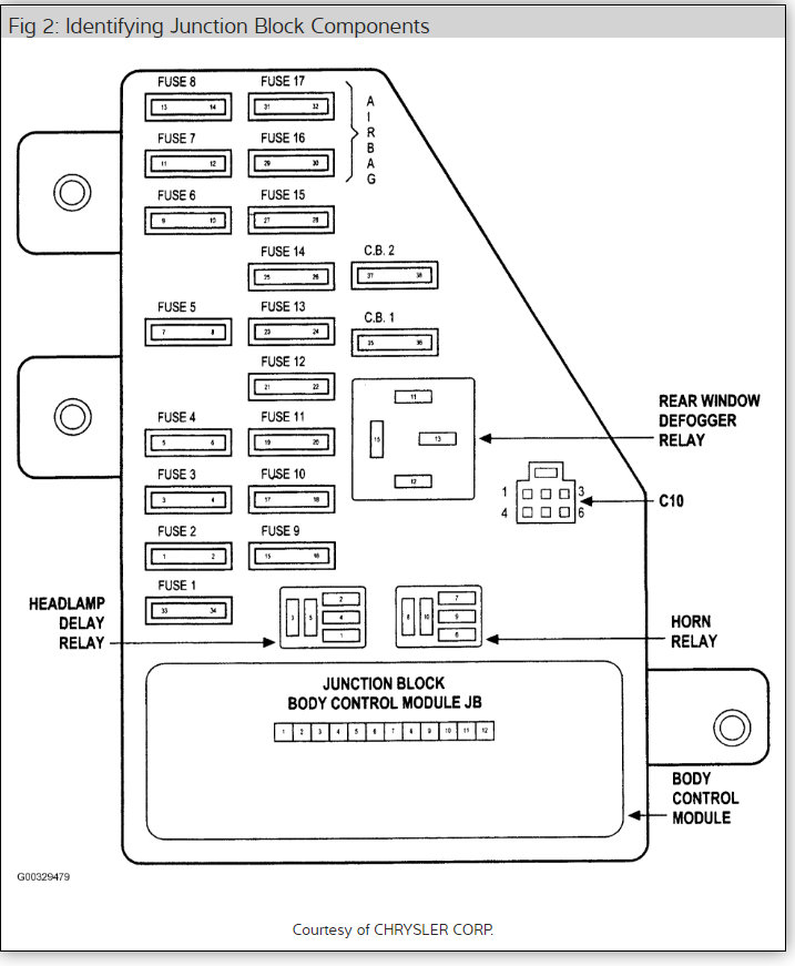
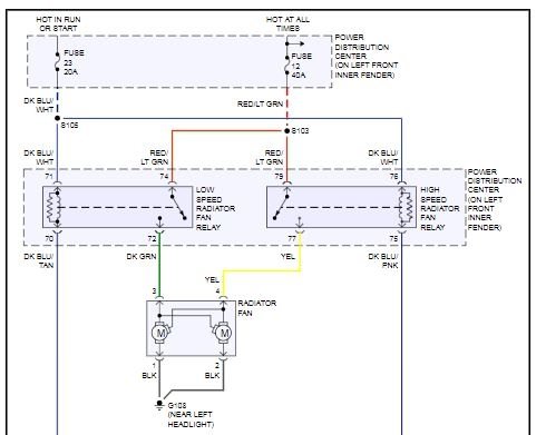
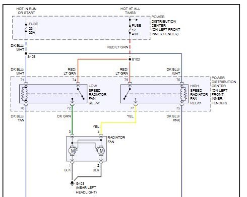
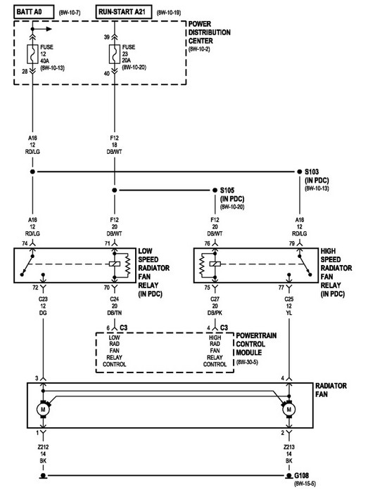
If you're observing no low speed fan operation, there's a good chance there's an issue with the low speed relay(or wiring). I've attached wiring diagrams for the complete radiator fan system along with a location view of the fuse box. I would try swapping the low speed and high speed relays to see if they come on low speed at 220F. Just keep an eye on the temp though. If the original low speed relay is in fact bad, you won't have high speed operation at this point.

Keep us posted. Thanks!
Was this
answer
helpful?
Yes
No
+1
Sunday, September 15th, 2019 AT 8:18 PM
Tiny
BIGMAC82
  • MEMBER
  • 7 POSTS
Does the ac need pressure in it for the low speed fan to kick on at 220°. Heres my scenario I was changing coolant and unplugged the pressure switch because it was in the way. I forgot to plug it back and the belt cut the wires in half so I did some research and found what it was and that you can unscrew the switch without out losing pressure well obviously before all of this my ac was barely working so I'm guessing it needed a recharge well what I did was let the rest of the pressure out of the ac transducer. Did my best to rewire and heat shrink the wires. I think I saw somewhere before that the ac pressure transducer need pressure for the low speed fan to kick on. Is that true if so I guess I need to recharge the aystem. Masterwrench thank you for your reply and input and I switched relays and the low speed still did not turn on but even with the relays switched the high speed still turned on.
Was this
answer
helpful?
Yes
No
Thursday, September 19th, 2019 AT 1:35 PM
Tiny
KEN L
  • MASTER CERTIFIED MECHANIC
  • 55,301 POSTS
The system works as a unit I would think the system needs to be charged to warrant correct fan operation. Let us know how it goes.
Was this
answer
helpful?
Yes
No
Friday, September 20th, 2019 AT 2:46 PM

Please login or register to post a reply.