Engine shut off while driving?

Tiny
JACOBANDNICKOLAS
  • MECHANIC
  • 110,192 POSTS
I have to be honest, I can't see why they would shut the engine down. I think there is a wiring issue. Something may have been knocked loose or damaged.
Was this
answer
helpful?
Yes
No
-1
Saturday, August 15th, 2020 AT 10:23 AM (Merged)
Tiny
AMAUTO
  • MEMBER
  • 10 POSTS
  • 2006 DODGE CHARGER
  • V8
Hi I have a 2006 Dodge Charger R/T 5.7. The car keeps stalling on me. When the car is cold I can drive it all over until it reaches operating temp, then it stalls. There was a p1521 code so I changed oil and cleared. Now there is a P0300 multiple misfire. I have replaced fuel pumps, Crank sensor, Cam sensor, Plugs, Air filter and ECT sensor. Before the car stalls the ETC light flashes and stability light is solid. If I let the car cool down it will start and run again til it is warm. Please help where do I go next?
Was this
answer
helpful?
Yes
No
Saturday, August 15th, 2020 AT 10:23 AM (Merged)
Tiny
RIVERMIKERAT
  • MECHANIC
  • 6,110 POSTS
Hello,

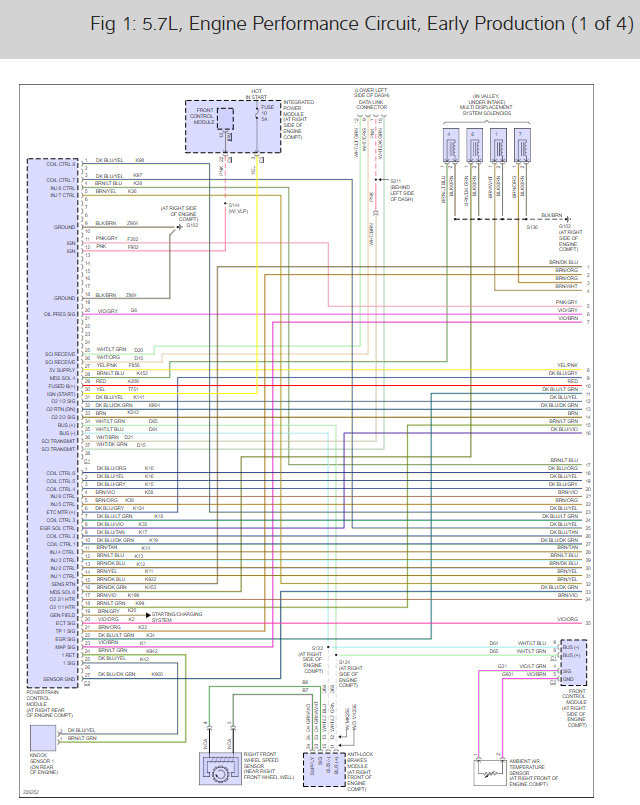
This sounds like the ASD relay is getting hot and shutting down the engine here is a guide to help you confirm the issue and the engine wiring diagrams so you can see how the system works along with the ASD relay locations.

https://www.2carpros.com/articles/how-to-check-an-electrical-relay-and-wiring-control-circuit

Check out the diagrams (Below). Please let us know what happens.

Cheers
Was this
answer
helpful?
Yes
No
+2
Saturday, August 15th, 2020 AT 10:23 AM (Merged)
Tiny
AMAUTO
  • MEMBER
  • 10 POSTS
I have checked fuel pressure readings are normal 59psi. Fuel pressure regulator and filter are on the new fuel pumps. All coils are firing as they are supposed to be. I work at a shop and have pretty much did everything including a back pressure test. I have done a smoke test and cannot find any vac leaks. I have done everything, but flash the computer. I don't think it is a computer issue though.
Was this
answer
helpful?
Yes
No
-2
Saturday, August 15th, 2020 AT 10:23 AM (Merged)
Tiny
RIVERMIKERAT
  • MECHANIC
  • 6,110 POSTS
Have you checked the ASD relay? I don't think it's a fuel pump issue.
Was this
answer
helpful?
Yes
No
Saturday, August 15th, 2020 AT 10:23 AM (Merged)
Tiny
AMAUTO
  • MEMBER
  • 10 POSTS
I have figured out The 2006 Dodge Charger 5.7 Hemi stalling issue thanks for the tip on the ASD it fixed the problem :) I love this site.
Was this
answer
helpful?
Yes
No
+3
Saturday, August 15th, 2020 AT 10:23 AM (Merged)
Tiny
RIVERMIKERAT
  • MECHANIC
  • 6,110 POSTS
Glad you could get it fixed, that kind of problem can be tough. Please use 2CarPros anytime we are here to help

Cheers
Was this
answer
helpful?
Yes
No
Saturday, August 15th, 2020 AT 10:23 AM (Merged)
Tiny
CHRISMESICH
  • MEMBER
  • 3 POSTS
  • 2006 DODGE CHARGER
  • V8
  • 2WD
  • AUTOMATIC
  • 6,000 MILES
Car runs for a while then stalls, doesn't do constantly, may happen one day then not again a for a few days.
Was this
answer
helpful?
Yes
No
Saturday, August 15th, 2020 AT 10:23 AM (Merged)
Tiny
LIMEY101
  • MEMBER
  • 1 POST
Get ready for the motor that runs the fuel pumps to go out.
Was this
answer
helpful?
Yes
No
Saturday, August 15th, 2020 AT 10:23 AM (Merged)
Tiny
CHADWICKCEO
  • MEMBER
  • 2 POSTS
Mine was doing the same thing yours was doing. Thanks for the help!
Was this
answer
helpful?
Yes
No
+1
Saturday, August 15th, 2020 AT 10:23 AM (Merged)

Please login or register to post a reply.