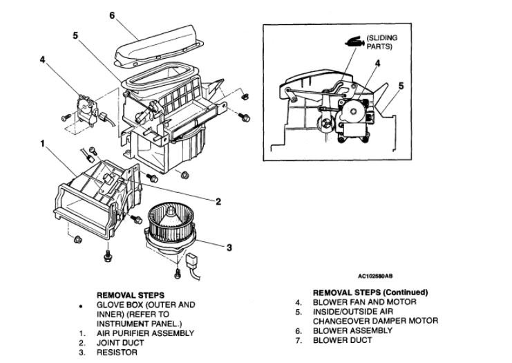
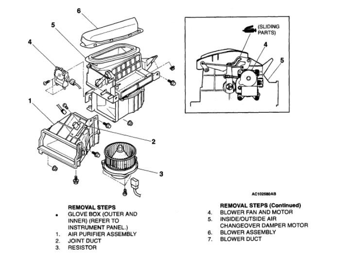
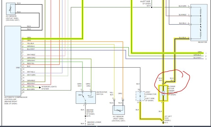
Monday, October 19th, 2020 AT 3:41 PM
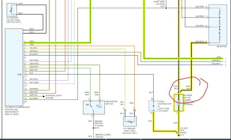
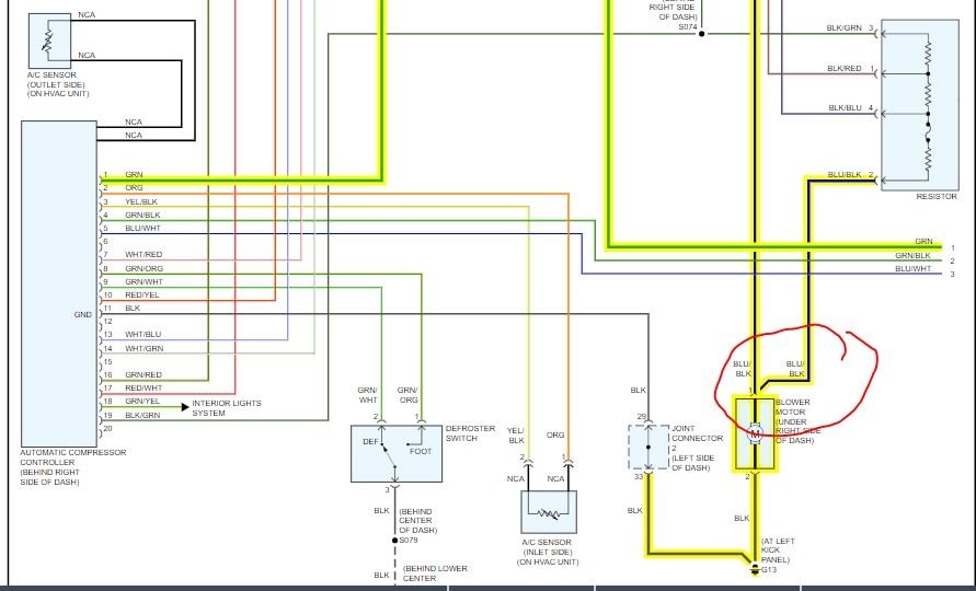
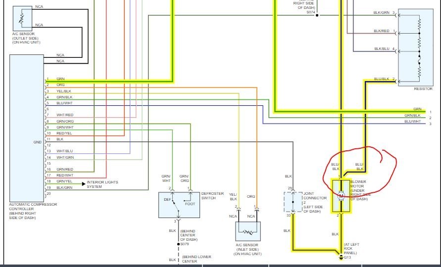
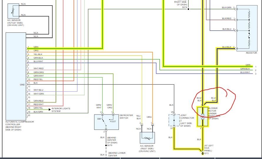
The heater on my car listed above limited coupe is not working. When you turn the switch on the control nothing goes on no motor sound nothing blows out. The defroster button works. Please help. Thank you.








