Headlights not working, they go on and off?

Tiny
JACOBANDNICKOLAS
  • MECHANIC
  • 110,194 POSTS
Have you checked for power at the light sockets? If you have and there is none, I suspect the switch is bad.

Let me know.
Was this
answer
helpful?
Yes
No
Wednesday, May 19th, 2021 AT 6:49 PM (Merged)
Tiny
EWAKELY60
  • MEMBER
  • 1 POST
  • 1992 FORD CROWN VICTORIA
  • V8
  • 2WD
  • 102,000 MILES
Driving along and the headlights will go out and not come on unless the hi/low beam adjuster is moved back and forth a few times.
Was this
answer
helpful?
Yes
No
Wednesday, May 19th, 2021 AT 6:49 PM (Merged)
Tiny
ASEMASTER6371
  • MECHANIC
  • 52,796 POSTS
Good morning,

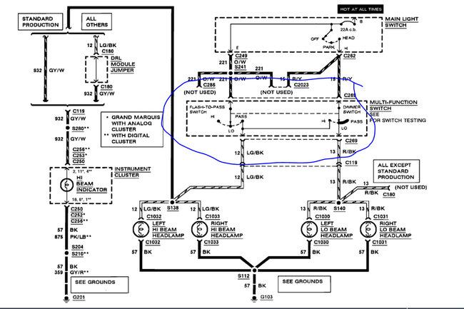
This sounds like the multi function switch is failing.

https://www.2carpros.com/articles/turn-signal-switch-replacement

You need to remove the upper and lower cover of the steering column to access the switch. There are 2 screws to remove to release the switch. Remove the 2 connectors and the switch comes out.

Roy

1. On models equipped with airbag, disable airbag system as described under MAINTENANCE PROCEDURES/AIRBAG SYSTEM DISARMING.
2. Tilt column to lowest position and remove tilt lever, if equipped.
3. Remove ignition lock cylinder.
4. Remove shroud screws, then remove upper and lower shrouds.
5. Remove two screws attaching multi-function switch to steering column casting. Disengage switch from casting.
6. Disconnect two electrical connectors.
7. Reverse procedure to install, noting the following:
a. Torque retaining screws to 18-26 inch lbs.
b. Activate airbag system as described under MAINTENANCE PROCEDURES/AIRBAG SYSTEM DISARMING.
Was this
answer
helpful?
Yes
No
Wednesday, May 19th, 2021 AT 6:49 PM (Merged)

Please login or register to post a reply.