Headlights not working, they go on and off?

Tiny
TOMMYLIMO
  • MEMBER
  • 23 POSTS
I found the problem, it was the lighting module. Thanks TommyLimo
Was this
answer
helpful?
Yes
No
+1
Wednesday, May 19th, 2021 AT 6:47 PM (Merged)
Tiny
DANNY L
  • MECHANIC
  • 5,648 POSTS
Glad to hear you found the problem!
We hope you will use our site again in the future when needed. Thanks again for using 2CarPros.

Danny-
Was this
answer
helpful?
Yes
No
Wednesday, May 19th, 2021 AT 6:47 PM (Merged)
Tiny
FRANKRODGERS
  • MEMBER
  • 3 POSTS
  • 2001 FORD CROWN VICTORIA
  • 4.6L
  • V8
  • 2WD
  • AUTOMATIC
  • 120,000 MILES
Headlights dont work and so does flash to pass. Put a new multi switch in did not do the trick. Also no park lights.
Was this
answer
helpful?
Yes
No
Wednesday, May 19th, 2021 AT 6:47 PM (Merged)
Tiny
KASEKENNY
  • MECHANIC
  • 18,907 POSTS
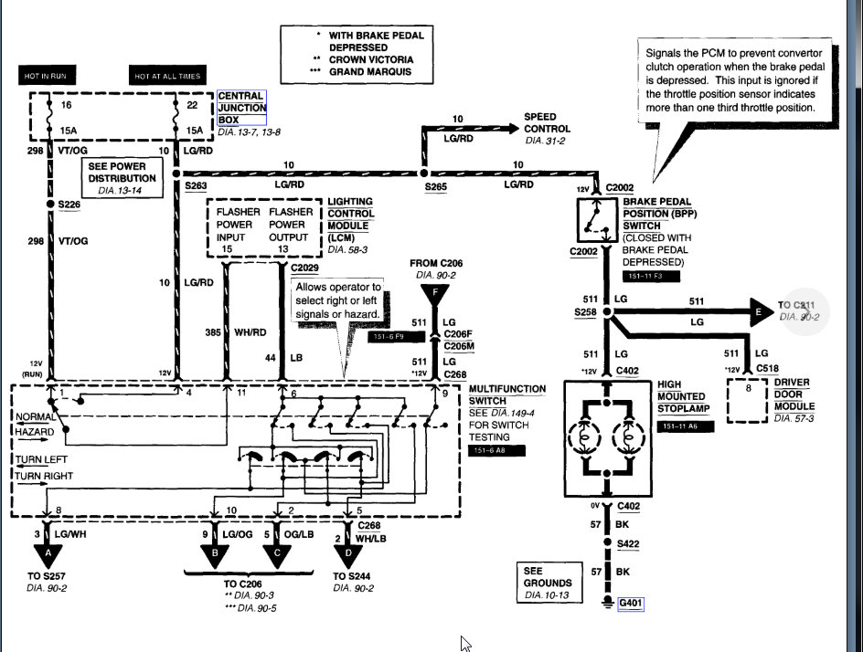
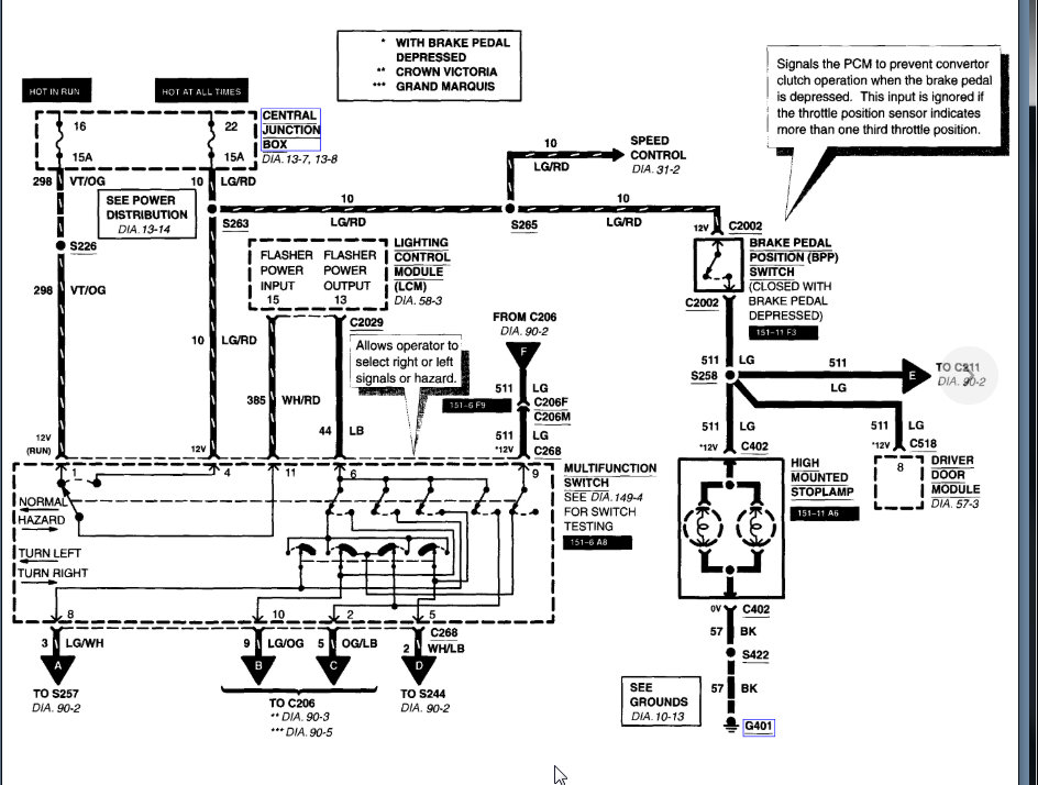
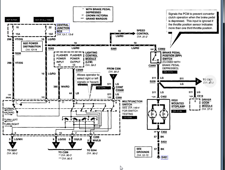
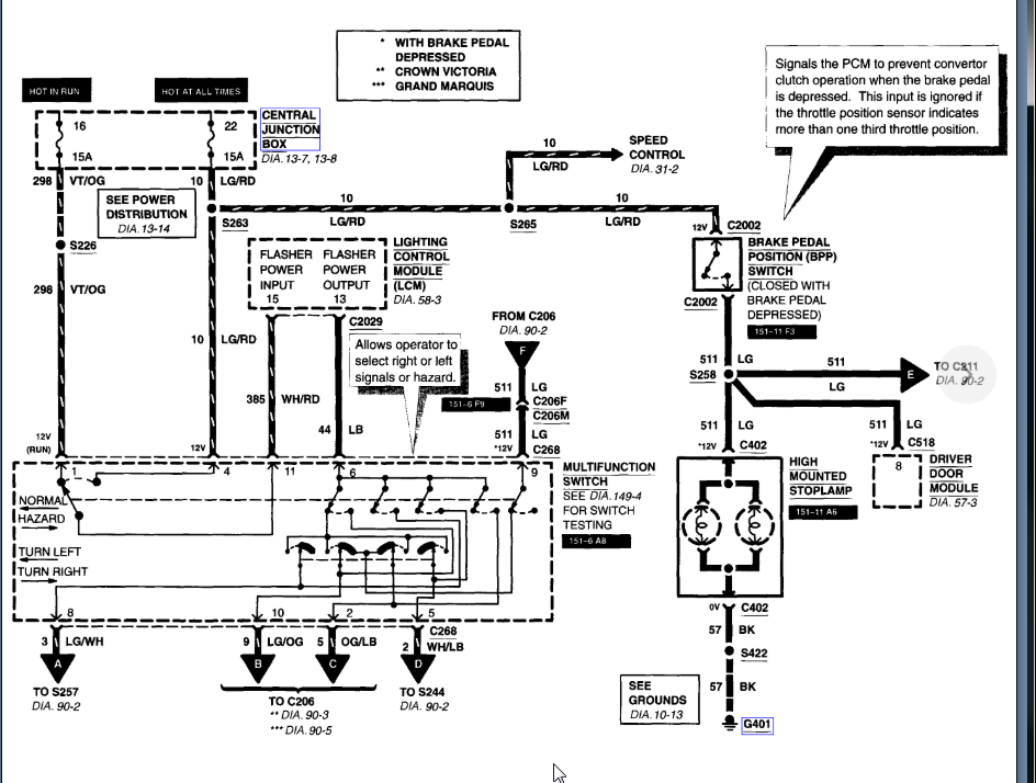
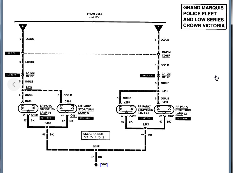
We need to start with checking voltage at the multi-function switch. I assume you will not have voltage on the lighting circuits from the Lighting Control Module (LCM) to the multi-function switch. If this is the case, then you most likely have an issue with the LCM.

Unfortunately the only way to know is to measure the voltage on each circuit. You were correct to go after the switch but unfortunately the LCM controls the power for each of these circuits so I suspect that is the issue.

https://www.2carpros.com/articles/how-to-check-wiring
Was this
answer
helpful?
Yes
No
+1
Wednesday, May 19th, 2021 AT 6:47 PM (Merged)
Tiny
FRANKRODGERS
  • MEMBER
  • 3 POSTS
Thank you I will test ASAP. Is there any chance it is headlight switch?
Was this
answer
helpful?
Yes
No
Wednesday, May 19th, 2021 AT 6:47 PM (Merged)
Tiny
KASEKENNY
  • MECHANIC
  • 18,907 POSTS
It is unlikely that this is the issue. That switch just powers the headlamps and it doesn't have an effect on anything else that you are seeing. The LCM is the most likely cause assuming all this is caused by the same thing. We could have a series of different things but if this all happened at the same time it is unlikely.
Was this
answer
helpful?
Yes
No
+1
Wednesday, May 19th, 2021 AT 6:47 PM (Merged)
Tiny
FRANKRODGERS
  • MEMBER
  • 3 POSTS
Thank you.
Was this
answer
helpful?
Yes
No
Wednesday, May 19th, 2021 AT 6:47 PM (Merged)
Tiny
BRLYEL42
  • MEMBER
  • 1 POST
  • 1996 FORD CROWN VICTORIA
  • 4.7L
  • V8
  • 2WD
  • AUTOMATIC
  • 115,000 MILES
Where is the lighting control module located?
Was this
answer
helpful?
Yes
No
Wednesday, May 19th, 2021 AT 6:48 PM (Merged)
Tiny
DANNY L
  • MECHANIC
  • 5,648 POSTS
Hello, I'm Danny.

The lighting module is located under the dashboard directly to the right of the steering column. I've attached 2 pictures below of its location. Hope this helps and thanks for using 2CarPros.
Was this
answer
helpful?
Yes
No
Wednesday, May 19th, 2021 AT 6:48 PM (Merged)
Tiny
MREMOJI1
  • MEMBER
  • 5 POSTS
  • 1994 FORD CROWN VICTORIA
  • 4.6L
  • V8
  • 2WD
  • AUTOMATIC
  • 172,455 MILES
I am not sure if it the high or low that don't work but one them turn on and when trying to switch to high or low it wont turn on.
Was this
answer
helpful?
Yes
No
Wednesday, May 19th, 2021 AT 6:48 PM (Merged)
Tiny
JACOBANDNICKOLAS
  • MECHANIC
  • 110,194 POSTS
Welcome to 2CarPros.

Since there is only one 40 amp fuse for the headlights, it must be good. Now, are you certain the bulbs are not bad? Also, there are a total of 4 bulbs. It is very possible that you didn't realize one was already bad when the second one burned out.

Turn the lights on and see if the high beam indicator in the vehicle is on when the lights are working. If it is, then that is the high beam. If it isn't.. turn the lights off and pull back on the lever to actuate the flash to pass lights. Do they work?

Other than this, you will need to remove the bulbs and check for power to the light sockets on the affected sockets. You can do it with a test light.

Here are a couple links to help if you do it:

https://www.2carpros.com/articles/how-to-use-a-test-light-circuit-tester

https://www.2carpros.com/articles/how-to-check-wiring

Let me know.

Joe
Was this
answer
helpful?
Yes
No
Wednesday, May 19th, 2021 AT 6:48 PM (Merged)
Tiny
MREMOJI1
  • MEMBER
  • 5 POSTS
My high beam light indicator don’t turn on in the car Joe. So now I’m confused on what else it might be. The fuse is fine etc. I was thinking if it’s the lCM because the horn cruse control and light don’t work and YouTube says the lCM control all this. Now the big problem is ford told me they stop making them and that my car don’t have a lCM. Help
Was this
answer
helpful?
Yes
No
Wednesday, May 19th, 2021 AT 6:48 PM (Merged)
Tiny
JACOBANDNICKOLAS
  • MECHANIC
  • 110,194 POSTS
Welcome back:

No, it does have an ICM but it has nothing to do with the headlights. The ICM (Ignition Control Module) is responsible for spark timing to the engine and has nothing to do with the headlights. If you told me the engine wouldn't start, then the ICM would have been a consideration. Also, if you really needed one, I feel confident that you could get a new aftermarket one at a parts store. Ford may not offer it any more due to age, but they are still around.

That leaves me questioning the headlight switch or the high beam switch. If you are certain the fuses are good and they have power, and the bulbs are good, we need to do some checking. I need to know if you have automatic control headlamps with daytime running lights or not. The schematics are very different, so before I start paging through them, I want to be sure.

Let me know.

Joe
Was this
answer
helpful?
Yes
No
Wednesday, May 19th, 2021 AT 6:48 PM (Merged)
Tiny
MREMOJI1
  • MEMBER
  • 5 POSTS
I have the delay lamp switch that even in day it stays on and I could shut them off and pull the lever to turn on and off. Just the high beams indicator or light work.
Was this
answer
helpful?
Yes
No
Wednesday, May 19th, 2021 AT 6:48 PM (Merged)
Tiny
JACOBANDNICKOLAS
  • MECHANIC
  • 110,194 POSTS
Thank you. With the lights off, if you pull back on the high beam switch and hold it, do the lights turn on?

Joe
Was this
answer
helpful?
Yes
No
-1
Wednesday, May 19th, 2021 AT 6:49 PM (Merged)
Tiny
MREMOJI1
  • MEMBER
  • 5 POSTS
No sir it’s pulled back and lights stay on but when put down it don’t work. So I think it’s the low beam.
Was this
answer
helpful?
Yes
No
Wednesday, May 19th, 2021 AT 6:49 PM (Merged)
Tiny
JACOBANDNICKOLAS
  • MECHANIC
  • 110,194 POSTS
Welcome back:

Are you sure the bulbs aren't bad? If you know they are good, then we need to check for power to the sockets.

Let me know.

Joe
Was this
answer
helpful?
Yes
No
Wednesday, May 19th, 2021 AT 6:49 PM (Merged)
Tiny
2CP-ARCHIVES
  • MEMBER
  • 4,540 POSTS
  • 1994 FORD CROWN VICTORIA
  • 111,500 MILES
Headlights flicker off and on
Was this
answer
helpful?
Yes
No
Wednesday, May 19th, 2021 AT 6:49 PM (Merged)
Tiny
CARADIODOC
  • MECHANIC
  • 34,491 POSTS
Most common cause is burned contacts on the head light switch or the dimmer switch. Pull one out and check the connector body for signs of melting and the terminals to see if two are blackened. If they are, they can be cut out of the connector and be replaced individually. Replace the switch too. If no signs of overheating are evident, remove the other switch connector and check it.

Head light switches also have thermal circuit breakers built in. Those cause more problems than they prevent. The contacts can become pitted. That causes heat buildup which causes the breaker to trip, then it resets a few seconds later after it cools down.
Was this
answer
helpful?
Yes
No
+1
Wednesday, May 19th, 2021 AT 6:49 PM (Merged)
Tiny
MREMOJI1
  • MEMBER
  • 5 POSTS
I’m for sure.
Was this
answer
helpful?
Yes
No
Wednesday, May 19th, 2021 AT 6:49 PM (Merged)

Please login or register to post a reply.