Brake warning light

Tiny
JOSHUAPALARDY
  • MEMBER
  • 2005 CHEVROLET MALIBU
  • 183,000 MILES
While driving the brake light check brake fluid came on and so I checked brake fluid and it was full and at the same time my cruse control stopped working I changed the brake fluid sensor and taped the brake fluid reservoir to see if float was stuck checked the fuses and all is good but the light/check brake fluid is still on and saying check brake fluid dose anybody have any ideas what might be making the brake fluid sensor go off?
Friday, September 14th, 2012 AT 12:13 AM

12 Replies

Tiny
KEN L
  • MASTER CERTIFIED MECHANIC
  • 55,499 POSTS
Hello,

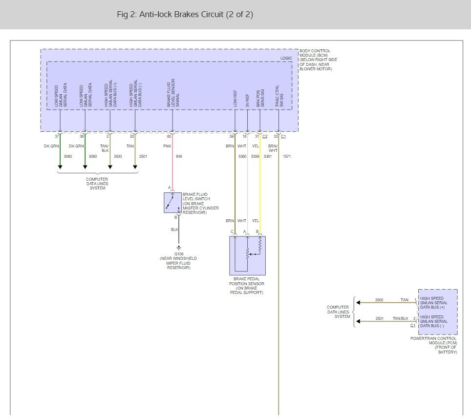
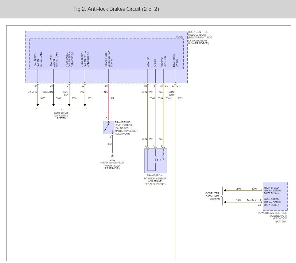
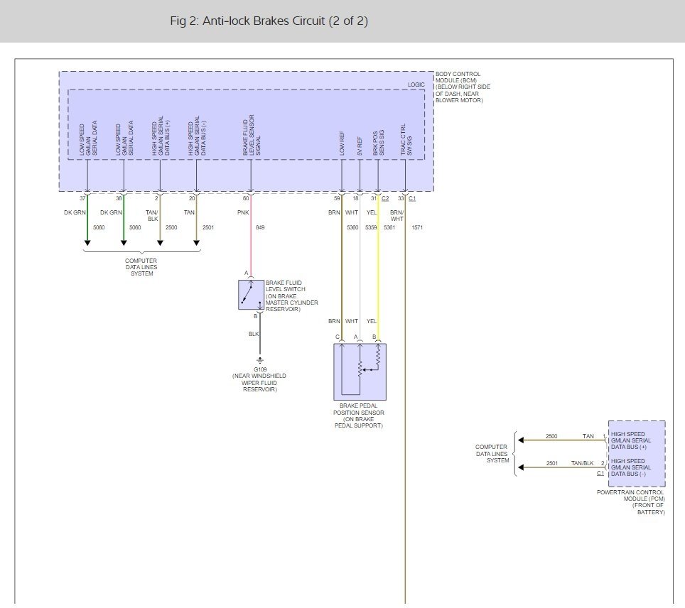
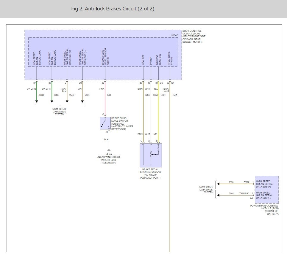
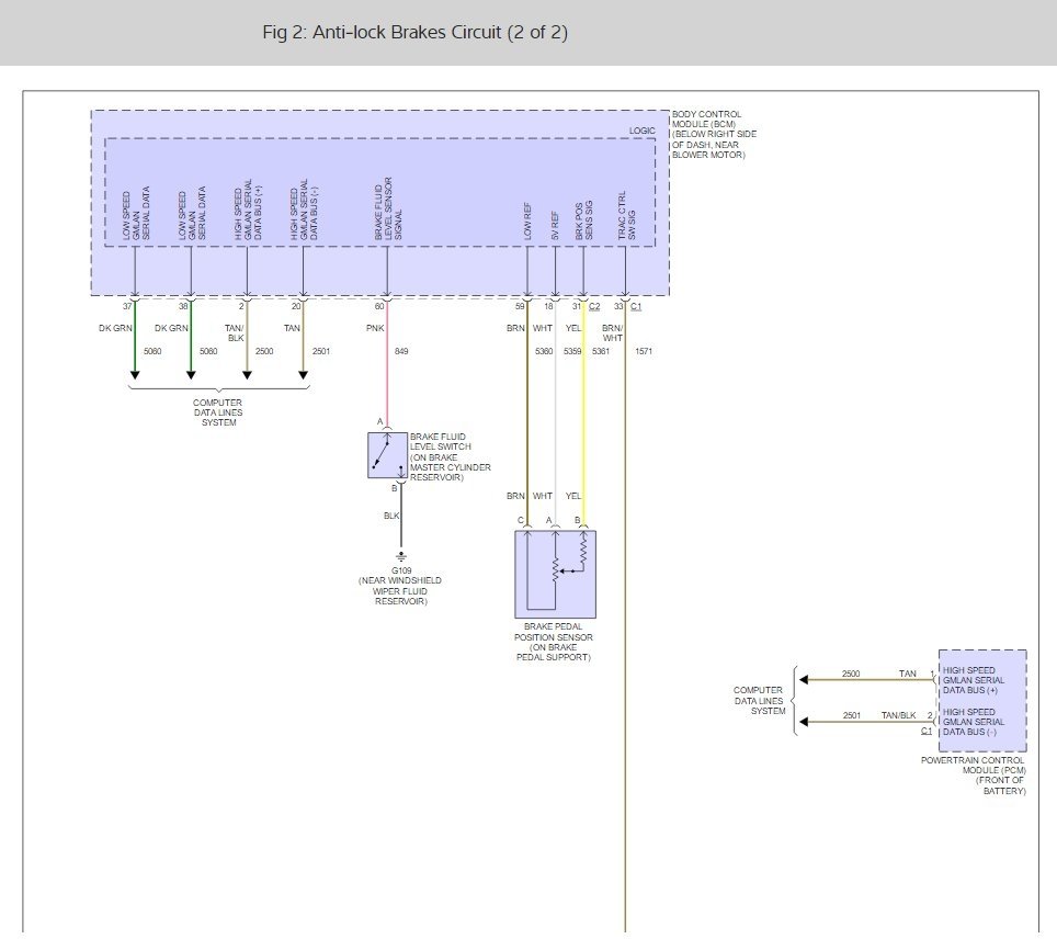
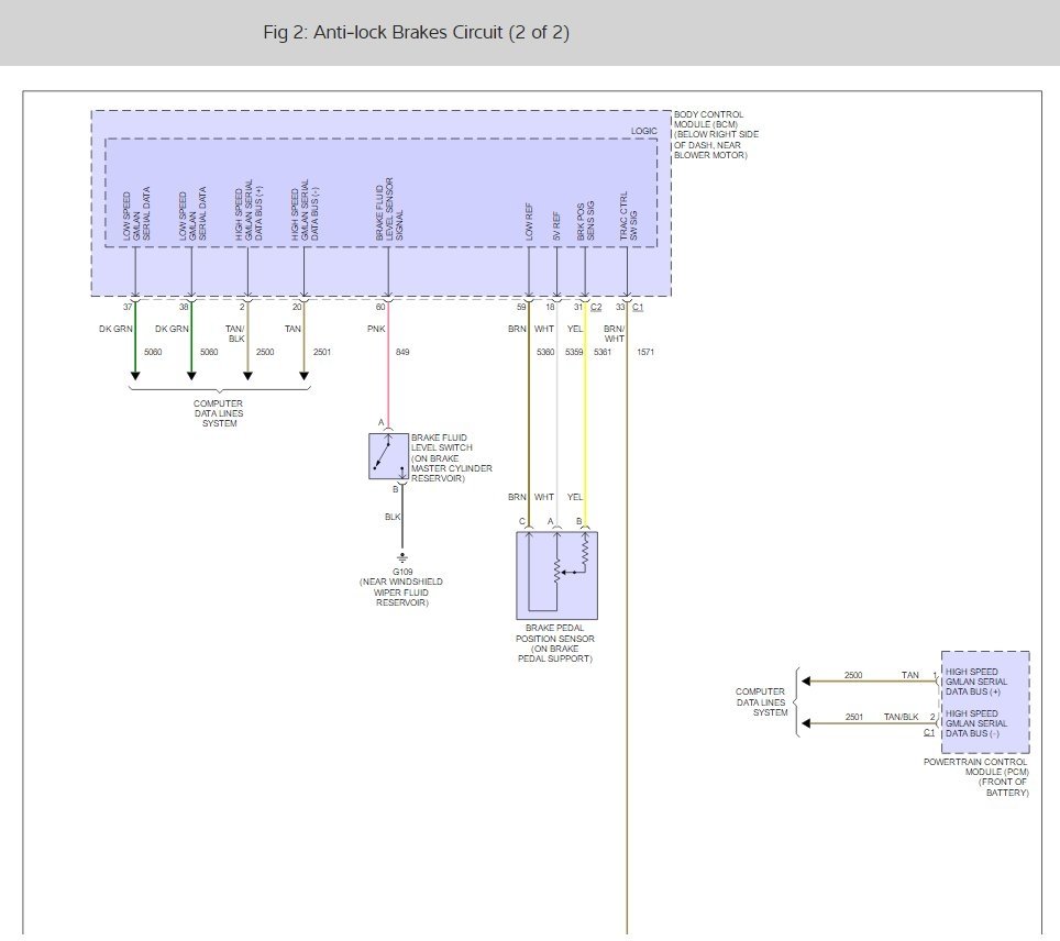
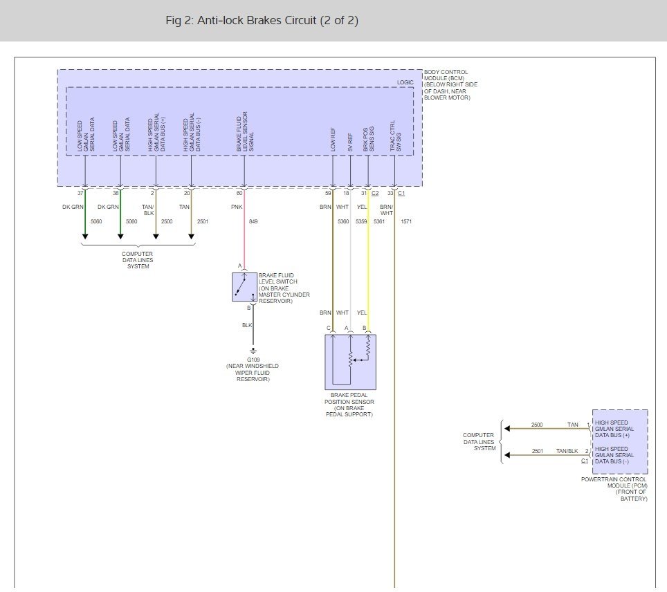
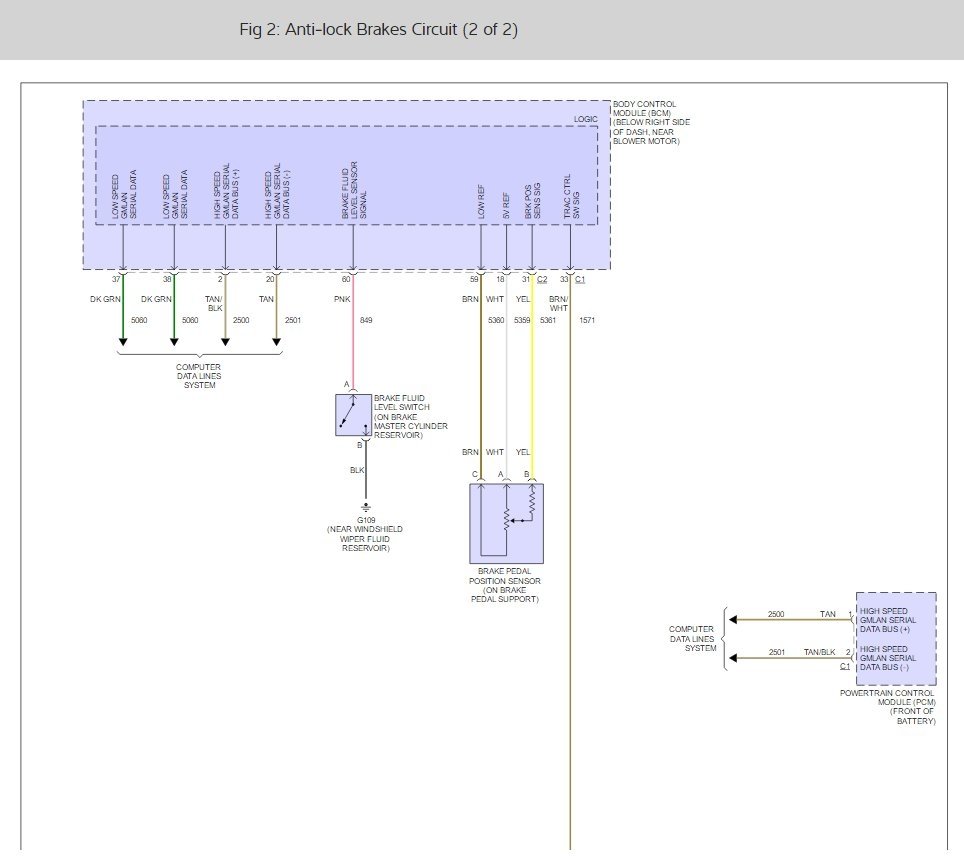
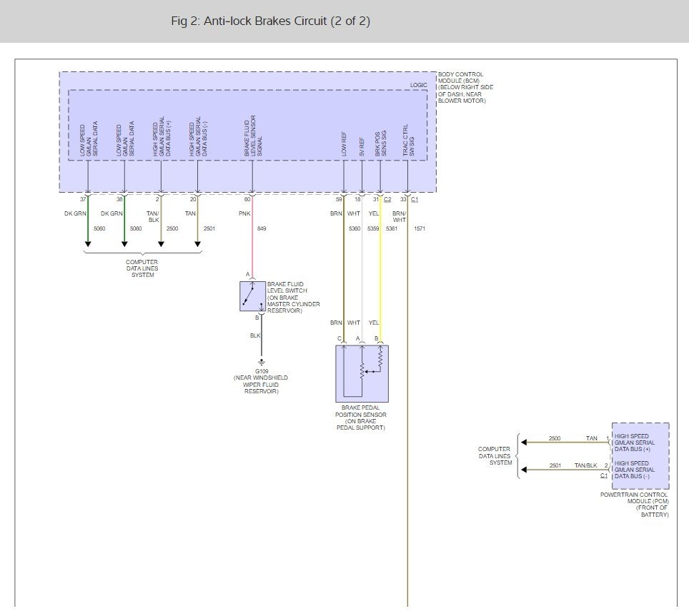
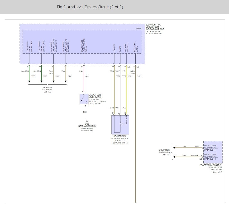
This is a problem of the BCM not working right and probably needs replacement. Here is the warning diagrams (below) that shows the sensor going into the BCM.

The BCM will need to be programmed.

Please let us know what happens.

Cheers, Ken
Was this
answer
helpful?
Yes
No
+5
Wednesday, May 31st, 2017 AT 4:31 PM
Tiny
RAQUICHOCHO
  • MEMBER
  • 1 POST
  • 2000 CHEVROLET MALIBU
  • 6 CYL
  • FWD
  • AUTOMATIC
  • 120,000 MILES
My 2000 chevy malibu brake warning light came on yesterday. I pulled over and engaged the emr. Brake and disengaged and light was still on. Looked at brake fluid, it was a bit low so I refilled it. This moring I checked the brake fluid and its still full. I started the car and brake light is still on. Ive noticed from time to time that when I push on the brakes they feel like they still keep turning and doesnt stop. The brakes also make a grinding noise. Each time ive had my car inspected the brakes have never been an issue. Please help.
Was this
answer
helpful?
Yes
No
Wednesday, May 31st, 2017 AT 4:36 PM (Merged)
Tiny
JACOBANDNICKOLAS
  • MECHANIC
  • 110,194 POSTS
If you hear a grinding noise, it could be the brakes or the ABS engaging. If the ABS light is on, you need to have the computer scanned to determine if there is a trouble code stored. The code will identify where the problem is coming from. IT could be a bad sensor that is actuating the ABS and that is what you hear.
Was this
answer
helpful?
Yes
No
+1
Wednesday, May 31st, 2017 AT 4:36 PM (Merged)
Tiny
FATHEROF6
  • MEMBER
  • 3 POSTS
  • 2001 CHEVROLET MALIBU
  • 3.1L
  • 6 CYL
  • FWD
  • AUTOMATIC
  • 96,000 MILES
My daughter's 2001 Malibu 3.1L has the dash brake light on. No codes, it just states DTC 00 I/M Yes
Was this
answer
helpful?
Yes
No
Wednesday, January 2nd, 2019 AT 6:55 PM (Merged)
Tiny
WRENCHTECH
  • MECHANIC
  • 20,761 POSTS
That will come on for 3 different possible reasons.

1) parking brake applied
2) Imbalance in brake hydraulic system (noticeable pedal issues)
3) Low brake fluid
Was this
answer
helpful?
Yes
No
Wednesday, January 2nd, 2019 AT 6:55 PM (Merged)
Tiny
FATHEROF6
  • MEMBER
  • 3 POSTS
I had actually checked brake fluid level after I submitted my question. Level was right at minimum level. I'm going to pick up some brake fluid and add it. I will let you know the result. Thanks for getting back to me.
Was this
answer
helpful?
Yes
No
Wednesday, January 2nd, 2019 AT 6:55 PM (Merged)
Tiny
CARADIODOC
  • MECHANIC
  • 34,489 POSTS
Excuse me for butting in, but simply adding brake fluid is definitely not the right fix. No conscientious mechanic will top off brake fluid during other routine services such as oil changes, and we often get faulted for that.

If the brake fluid is low, and indeed adding some might make the red "Brake" warning light go off, (you didn't specify if it's the red light or the yellow "ABS" light), you have to ask "where did it go?" It's possible there is a leak and that must be addressed, but much more commonly the front disc brake pads are near the end of their life and a brake system inspection is in order.

As brake pads wear, front or rear, the pistons move out of the calipers they're in to take up the gap. That is how all disc brakes self-adjust. Brake fluid fills in behind those pistons and is why the fluid level drops in the reservoir. Almost all calipers today are designed well enough that they usually don't need to be rebuilt or replaced during a routine maintenance brake job. Instead, those pistons just get pushed back into the calipers to make room for the new, thicker pads. Doing that pushes the brake fluid back up into the reservoir so the fluid level goes back up. If an inexperienced / untrained mechanic filled the fluid previously, it's going to run over and make a mess. Spilled brake fluid eats paint too.

When an experienced mechanic sees low brake fluid level, he looks more closely at the front pads, especially when they're easy to see through spoked wheels, and for signs of wetness around steel lines, rubber flex hoses, and rear wheel cylinders. If he has your best interest at heart, he will recommend a brake system inspection. He also knows there's a real good chance he will be accused of trying to sell unneeded parts and services, so he might just keep his mouth shut, let you drive until a worn pad starts grinding on a rotor, and then you will spend more money when new rotors are needed. He won't be blamed, but it ends up costing you more in the long run.

Now that I've added my piece, I'll let you guys back to your conversation.
Was this
answer
helpful?
Yes
No
+7
Wednesday, January 2nd, 2019 AT 6:55 PM (Merged)
Tiny
WRENCHTECH
  • MECHANIC
  • 20,761 POSTS
He's right, if the fluid is low, the pads should be checked for wear and the system for any leaks.
Was this
answer
helpful?
Yes
No
+1
Wednesday, January 2nd, 2019 AT 6:55 PM (Merged)
Tiny
FATHEROF6
  • MEMBER
  • 3 POSTS
I will have them checked pronto. Thanks to you both
Was this
answer
helpful?
Yes
No
+1
Wednesday, January 2nd, 2019 AT 6:55 PM (Merged)
Tiny
MARHONG
  • MEMBER
  • 22 POSTS
  • 2000 CHEVROLET MALIBU
  • 6 CYL
  • FWD
  • AUTOMATIC
  • 180,000 MILES
My brake Light is on on my dash even when the parking brake is not applied. The brakes do not squeal nor do I experience any problems braking. Where should I look?
Was this
answer
helpful?
Yes
No
-1
Tuesday, December 15th, 2020 AT 11:18 AM (Merged)
Tiny
KEN L
  • MASTER CERTIFIED MECHANIC
  • 55,499 POSTS
This is common when the brake fluid is low due to the front brake pads needing to be replaced. Here is a guide to help you step by step with instructions in the diagrams below to show you how on your car:

https://www.2carpros.com/articles/how-to-replace-front-brake-pads-and-rotors-fwd

Check out the diagrams (below). Please let us know what happens.
Was this
answer
helpful?
Yes
No
Tuesday, December 15th, 2020 AT 11:18 AM (Merged)
Tiny
KSIMMONS1
  • MEMBER
  • 1 POST
Thank you this fixed my car. This site is great!
Was this
answer
helpful?
Yes
No
Tuesday, December 15th, 2020 AT 11:18 AM (Merged)

Please login or register to post a reply.