Turn signal flasher location

Tiny
J.STIEG
  • MEMBER
  • 361 POSTS
Thanks you guys are the best I love this site BTW. Works perfect.
Was this
answer
helpful?
Yes
No
+4
Friday, July 17th, 2020 AT 4:25 PM (Merged)
Tiny
KHLOW2008
  • MECHANIC
  • 41,814 POSTS
Good to hear, please use 2CarPros anytime we are here to help.

Cheers
Was this
answer
helpful?
Yes
No
+4
Friday, July 17th, 2020 AT 4:25 PM (Merged)
Tiny
GRAHAMM
  • MEMBER
  • 1 POST
  • 2002 OLDSMOBILE ALERO
  • 4 CYL
  • 2WD
  • AUTOMATIC
  • 116,000 MILES
My 2002 Olds will, at times, click quickly while I'm driving. This clicking sound is the same sound that is made when the turn signal are on. I also happens when directly after I have used the turn signals. I have replaced all of the bulbs my self and the problem continues. I believe it is the turn signal relay. My only problem is I don't know where it is. Where can I locate my turn signal relay on my car?

Please email me your response

thanks
Was this
answer
helpful?
Yes
No
Friday, July 17th, 2020 AT 4:35 PM (Merged)
Tiny
RASMATAZ
  • MECHANIC
  • 75,992 POSTS
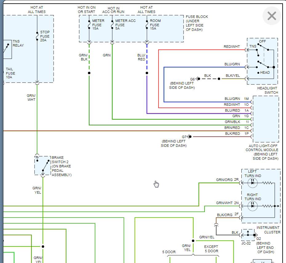
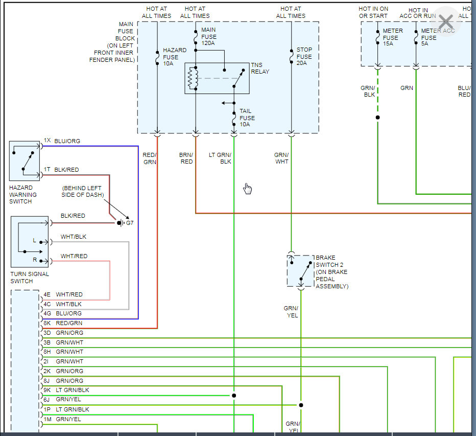
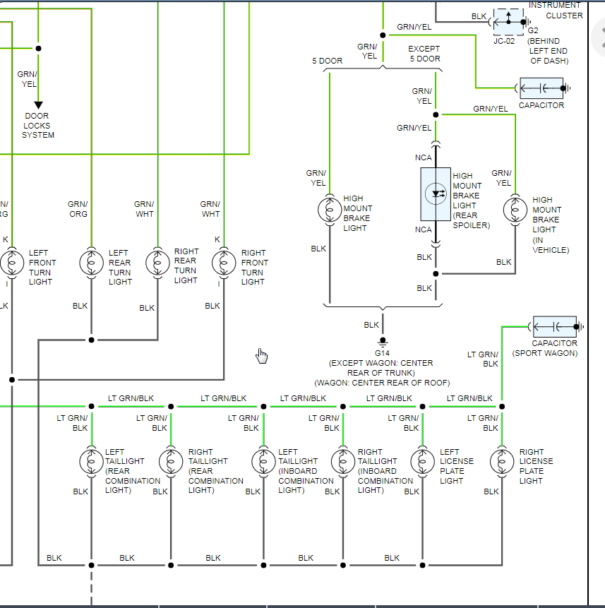
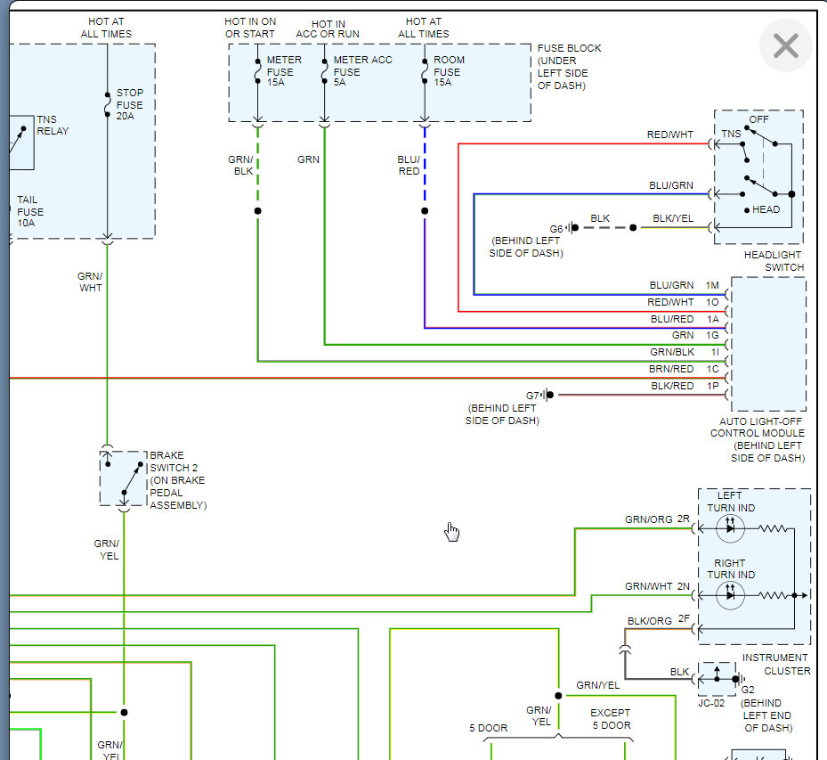
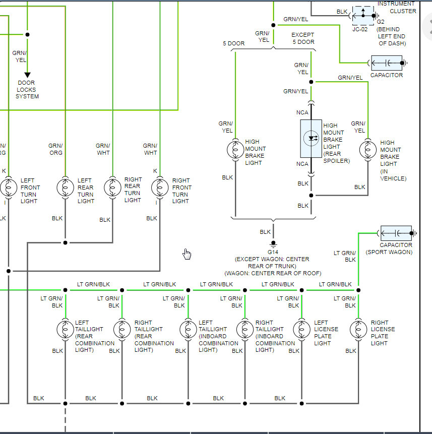
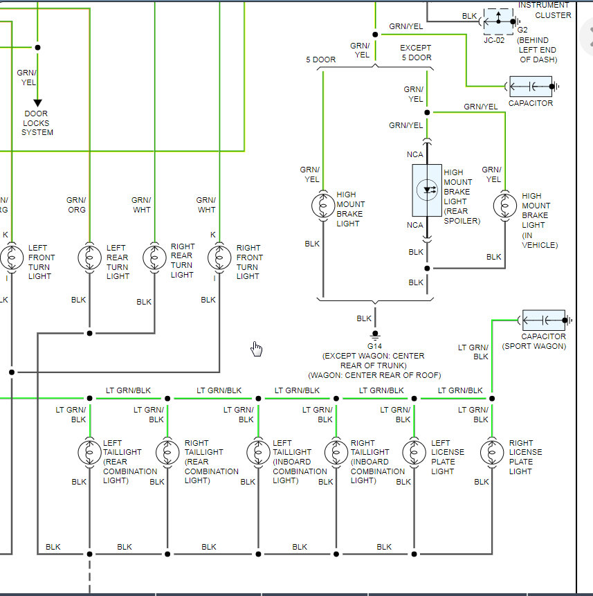
It is integrated into the hazard button on the dash. You can get to it by removing the shroud surrounding the speed gauge.

See the diagrams below
Was this
answer
helpful?
Yes
No
Friday, July 17th, 2020 AT 4:35 PM (Merged)
Tiny
HAMID.
  • MEMBER
  • 2 POSTS
Hi,
I have mazda6 2008 and when I turn light and use right signal, start hazard light after when I turn off car counting flashing.
Was this
answer
helpful?
Yes
No
Monday, February 1st, 2021 AT 8:08 PM
Tiny
KASEKENNY
  • MECHANIC
  • 18,907 POSTS
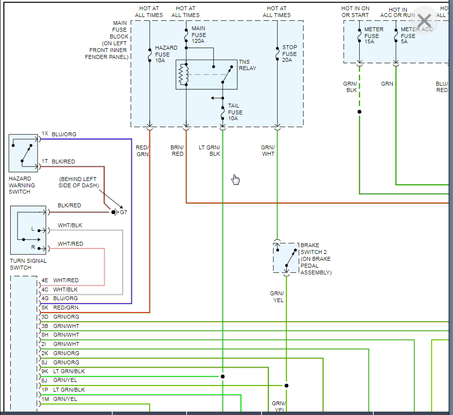
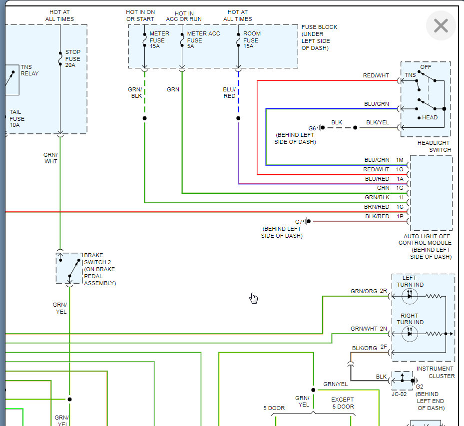
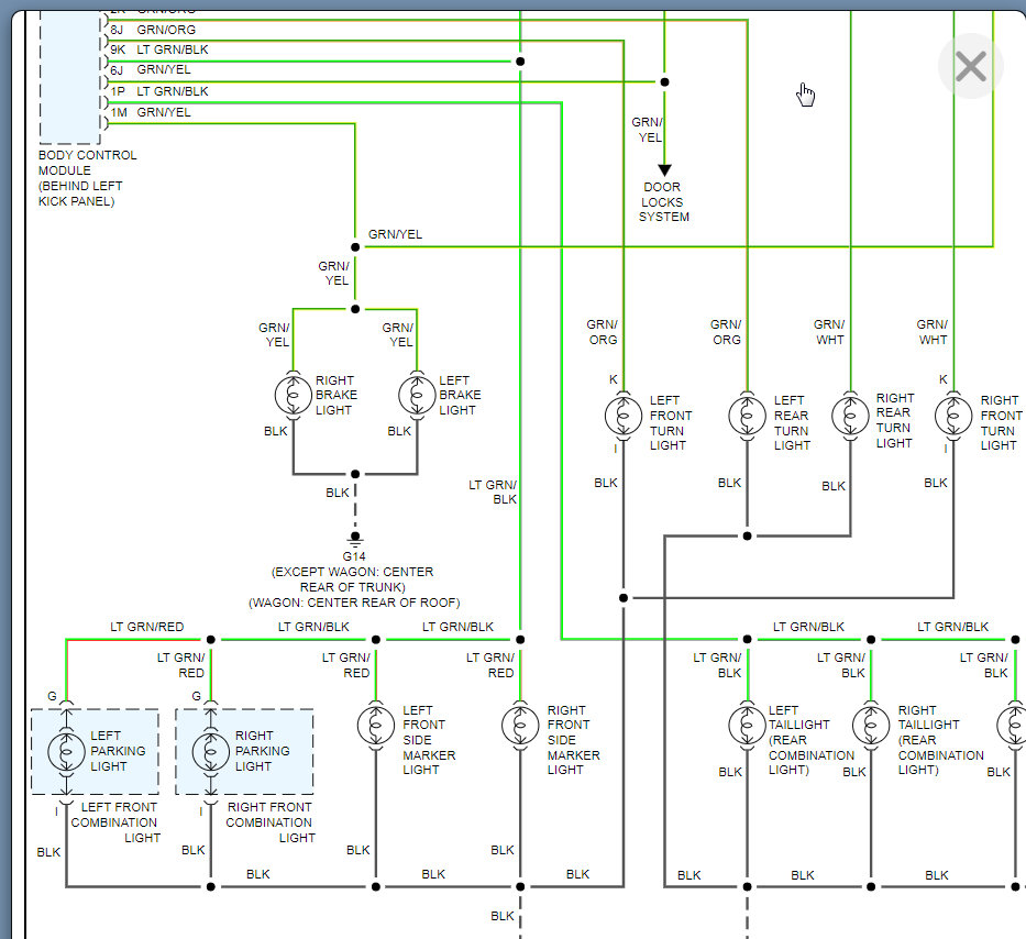
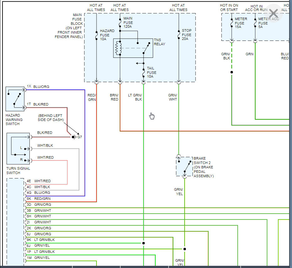
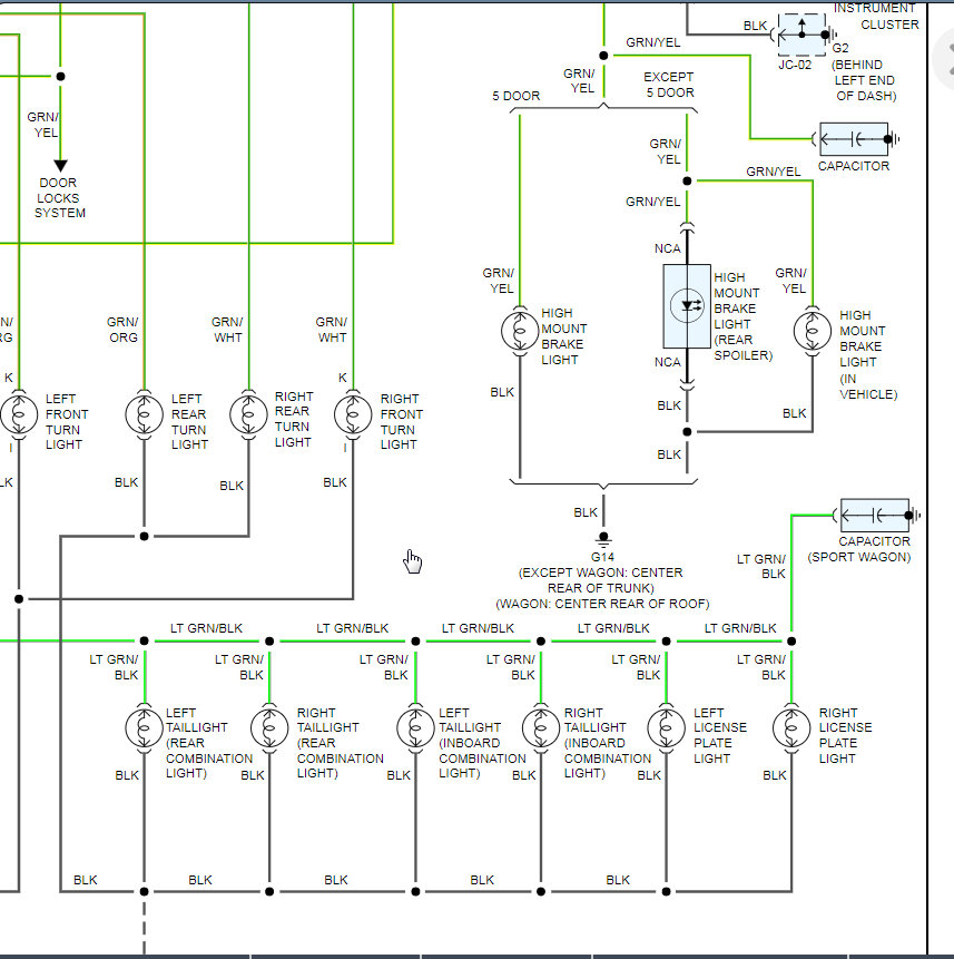
Your vehicle does not have a traditional flasher relay but this is not an uncommon issue. The BCM is what controls the turn signals and the flasher and when the BCM fails internally, the lights at odd when using the turn signals.

If it were me, I would replace the BCM and then go from there.

Below is the wiring diagram and the instructions on how to replace the BCM. Let us know if you need more info. Thanks
Was this
answer
helpful?
Yes
No
Thursday, February 4th, 2021 AT 8:34 PM

Please login or register to post a reply.