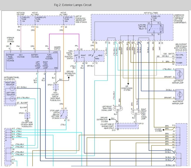
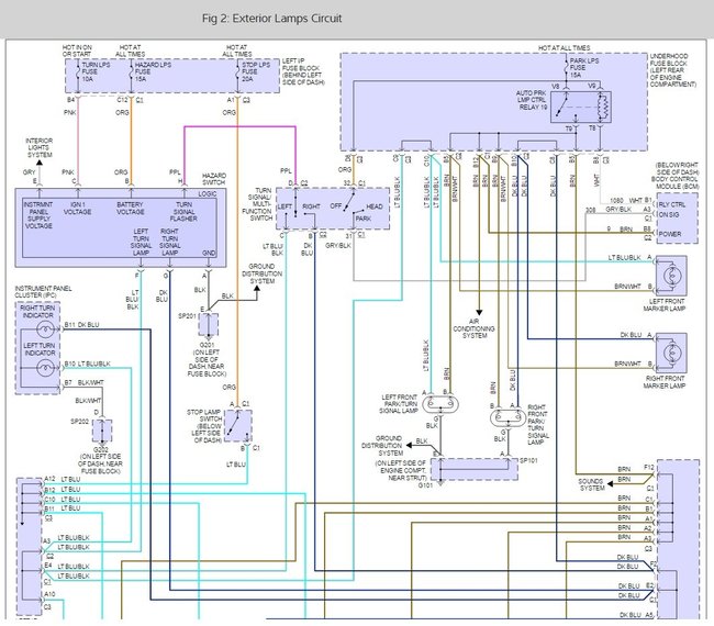
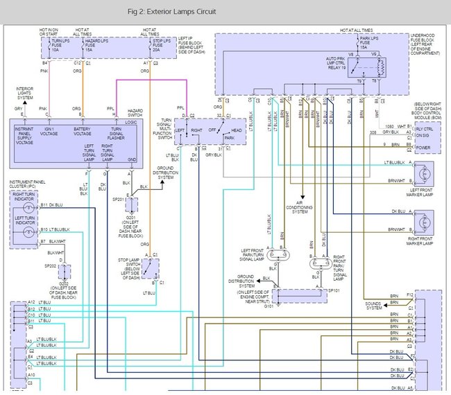
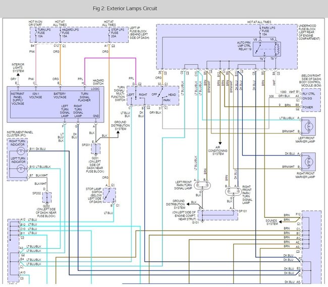
Thursday, December 10th, 2009 AT 1:24 PM
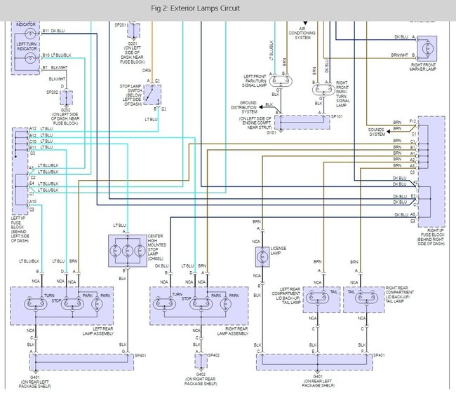
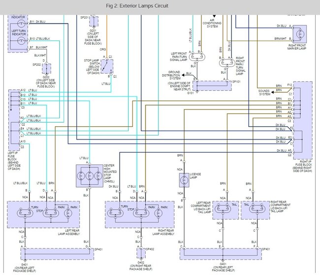
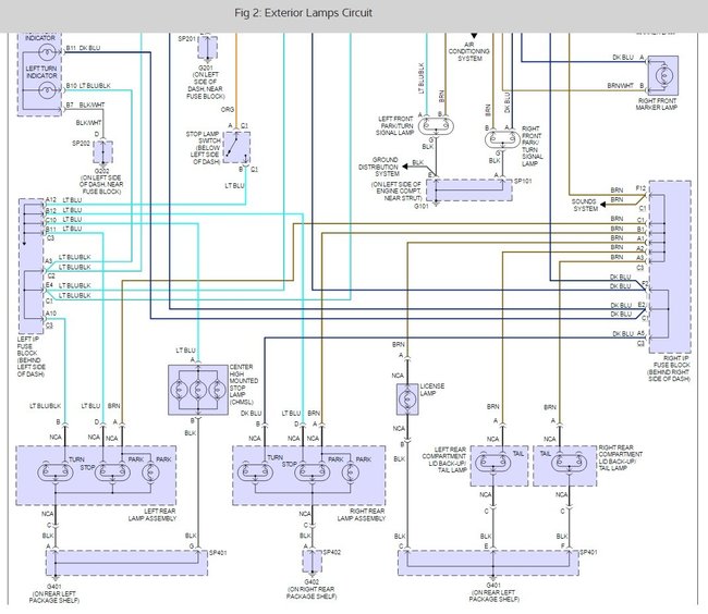
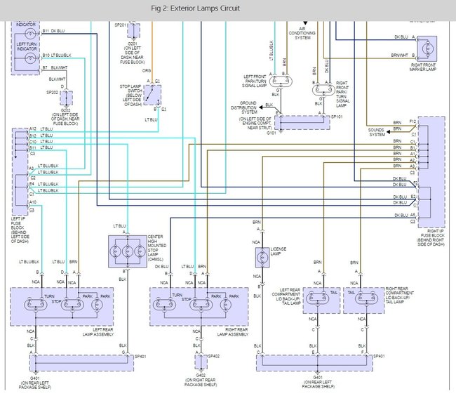
When I flick the turn signal switch sometimes the light on the dashboard comes on and sometimes it comes on for a bit then cuts off. Other times it doesn't come on at all. Is this a bulb problem or something else?



