All others work.
Rear Hatch opens okay.
Rear Glass opens okay.
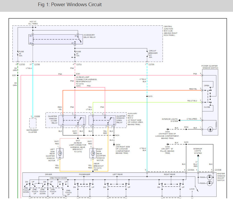
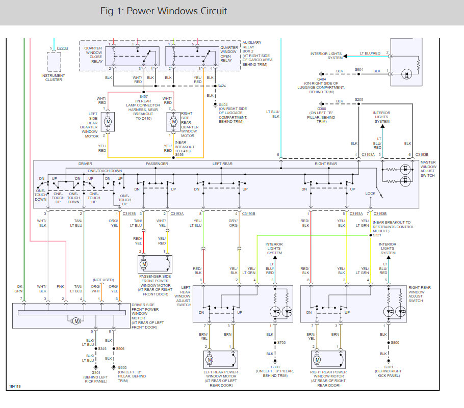
Power locks will not work.
I hear the clicking on the VSM when the buttons are pressed.
Key bob unlock and lock not working however if I press the lock button a few times the horn will sound. Wont lock just honk the horn like its locked.
I checked the fuses and relays that pertain to the devices.
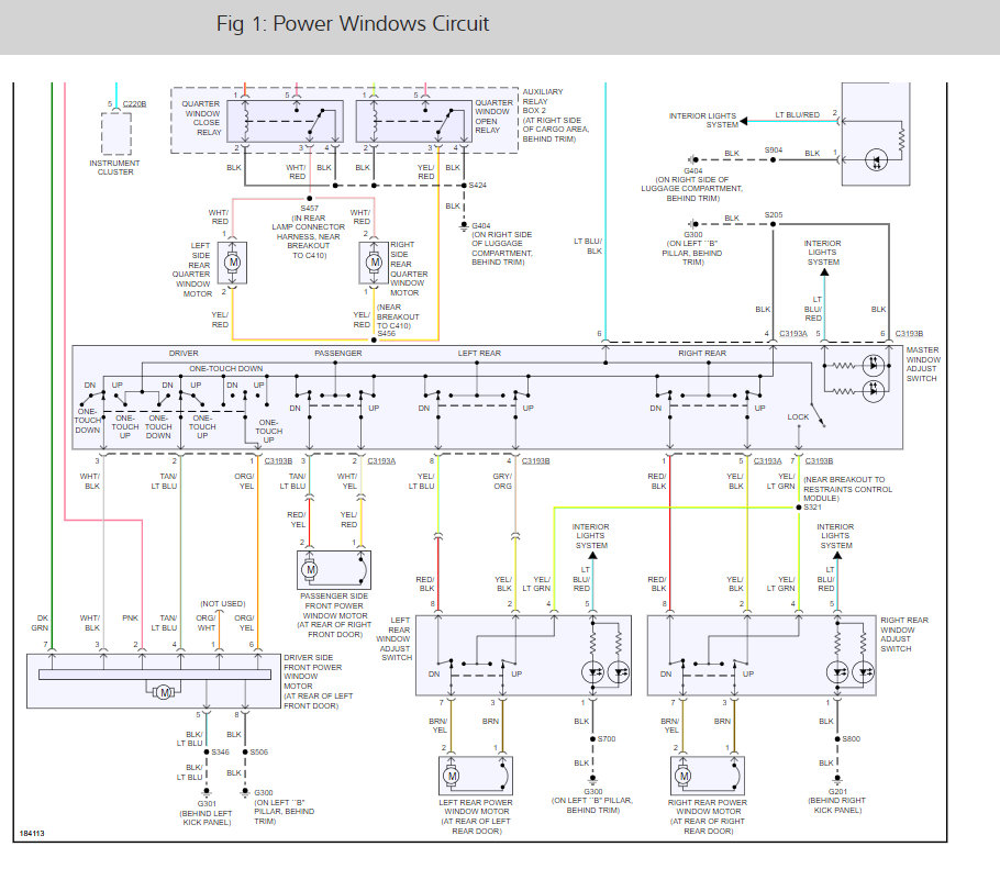
I checked the voltage from the drivers window switch I get 14v and -14 when I press the button down and up. So I thought the motor was bad. I replaced it and nothing same issue.
I checked the grounds behind the kick plate by the fuse box and they look good like new.
no water leaks/damage of any sort.
please help
Tuesday, November 19th, 2019 AT 4:08 PM














