Tuesday, December 15th, 2015 AT 1:50 AM
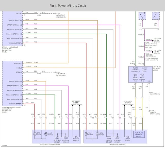
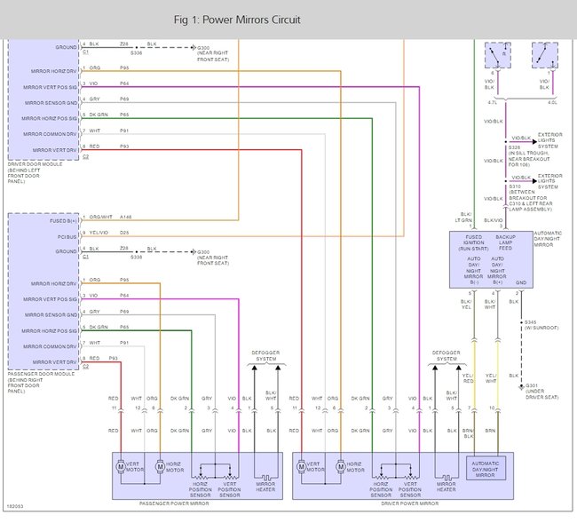
The passenger rear window is down and will not go up. Does not make any noise. I have an '04 Jeep Grand Cherokee. The power windows, locks, and mirrors have stopped working. There are no fuses, breakers or relays labeled for them in the interior fuse box or the power distribution center in the engine compartment. Can you locate them so I can check if they are blown?






