Interior/dashboard lights

Tiny
CJM1377
  • MEMBER
  • 2004 BUICK RENDEZVOUS
  • V6
  • AWD
  • AUTOMATIC
  • 102,000 MILES
They don't work and the fuse isn't blown. I am hoping that there is just a bulb replacement needed but not sure how to go about it. Thank you. I would like to be able to do this myself with a little guidance. Autozone told be to replace the interior light bulb, but have no idea where it is located. There really isn't a dome light. I have looked through the manual and still can't figure it out. Thank you again in advance.
Friday, January 31st, 2014 AT 12:22 PM

6 Replies

Tiny
KEN L
  • MASTER CERTIFIED MECHANIC
  • 55,298 POSTS
Hey,

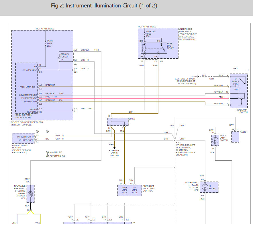
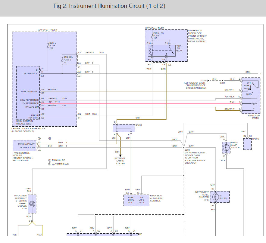
It sounds like it could be a BCM L fuse or the BCM has gone bad let's start with the fuse. Here is a guide on how to test it and diagrams below to show the location with the wiring diagrams for the courtesy lights and the instrument panel light so you can see how the system works.

https://www.2carpros.com/articles/how-to-check-a-car-fuse

Check out the diagrams (Below). Please let us know what you find. We are interested to see what it is.

Cheers, Ken
Was this
answer
helpful?
Yes
No
Monday, December 26th, 2016 AT 7:22 PM
Tiny
REY-GTS
  • MEMBER
  • 1 POST
Thanks you so much for this post I had this problem the fuses were okay the BCM was bad which I found used one for cost me $120.00 all fixed! I love this site.
Was this
answer
helpful?
Yes
No
+1
Wednesday, October 24th, 2018 AT 5:42 PM
Tiny
JOHNMASON122
  • MEMBER
  • 1 POST
  • 2002 BUICK RENDEZVOUS
  • 2.3L
  • V6
  • AWD
  • AUTOMATIC
  • 190,000 MILES
My dash lights keep blinking on and off.
Conductor 1 comes up on the dash board.
My electric locks work then they don't.
Something is draining my battery every night, the battery is new.
Was this
answer
helpful?
Yes
No
Wednesday, October 24th, 2018 AT 5:44 PM (Merged)
Tiny
HMAC300
  • MECHANIC
  • 48,601 POSTS
Have a pro do a parasitic draw for battery and scan for codes
Was this
answer
helpful?
Yes
No
Wednesday, October 24th, 2018 AT 5:44 PM (Merged)
Tiny
LUVSKNRT
  • MEMBER
  • 1 POST
  • 2002 BUICK RENDEZVOUS
  • 3.4L
  • V6
  • FWD
  • AUTOMATIC
  • 155,000 MILES
Put key in ignition. Turn key to first stop, dash lights, door locks and such start this clicking on and off for about five to ten seconds, then stop. Turn the key the rest of the way and van starts fine. If clicking is ignored and ignition/engine start initiated anyway (before it stops), it wants to run rough, sometimes cranks, runs rough, then shuts off. Sometimes cranks, almost, and sometimes just will not start period. And not every time you go ahead and start it while the clicking is happening, but enough that you really do not want to ignore it. Also seems to have something to do with whether the A/C button will actually make the compressor kick on or not but not always. Husband thinks it has something to do with the security system. Something in the rear side panel that you can hear clicking coming from as well. So far, do not really know what is wrong. Did not begin having these problems until we had new keys with new chips made when the factory key quit working. Also, if key is not inserted with right (correct) side up, the security light in center dash comes on. Can be stopped by turning off and turning key over and starting again. If you go ahead and drive with the security light on, all but the most necessary functions quit working until you reset the system.

I am not the master mechanic my husband is, he has thirty five years experience.

Help!
Was this
answer
helpful?
Yes
No
+1
Wednesday, October 24th, 2018 AT 5:45 PM (Merged)
Tiny
KEN L
  • MASTER CERTIFIED MECHANIC
  • 55,298 POSTS
Hello,

This sounds like you have one of two problems, first is a bad battery or the BCM is failing and needs to be replaced, Here is a wiring diagram so you can do some testing and a guide to help you as well if needed.

https://www.2carpros.com/articles/how-to-check-wiring

and

https://www.2carpros.com/articles/car-battery-load-test

Please run some tests and get back to us so we can continue helping you.

Cheers, Ken

Was this
answer
helpful?
Yes
No
Wednesday, October 24th, 2018 AT 5:45 PM (Merged)

Please login or register to post a reply.