Fan heater fan is not blowing

Tiny
CCAPRANOS
  • MEMBER
  • 2004 BUICK RENDEZVOUS
  • 250,000 MILES
It was working yesterday but not today. The outside temperature in my area today is -16 without wind. What could be wrong with heater? How do I fix heater?
Friday, January 25th, 2013 AT 12:15 AM

1 Reply

Tiny
ASEMASTER6371
  • MECHANIC
  • 52,796 POSTS
Good afternoon,

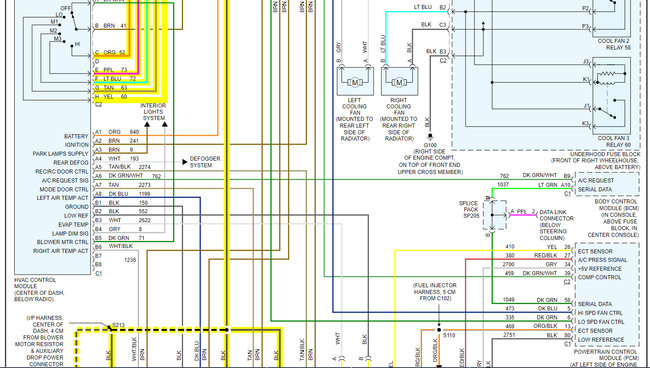
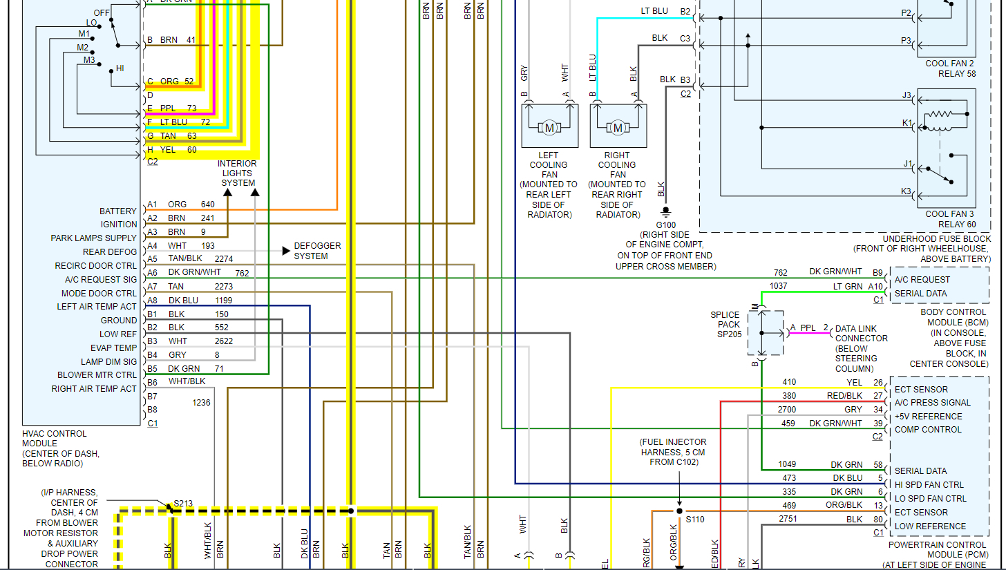
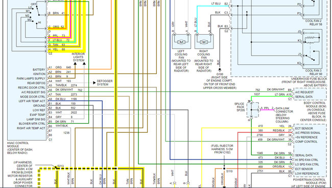
I attached a wiring diagram for you to view of the blower system.

https://www.2carpros.com/articles/blower-fan-motor-works-on-high-speed-only

https://www.2carpros.com/articles/low-or-no-air-flow-from-vents

You will need a voltmeter to do some voltage testing at the blower and the resistor.

https://www.2carpros.com/articles/how-to-check-wiring

https://www.2carpros.com/articles/how-to-check-a-car-fuse

Check the fuse I circled for power on both sides to be sure power is available.

Roy

BLOWER MOTOR REPLACEMENT

REMOVAL PROCEDURE
1. Remove the right side instrument panel insulator.

imageOpen In New TabZoom/Print

2. Disconnect the electrical connector from the blower motor.
3. Remove the blower motor mounting screws.

imageOpen In New TabZoom/Print

4. Remove the blower motor from the HVAC module assembly.

BLOWER MOTOR RESISTOR ASSEMBLY REPLACEMENT

REMOVAL PROCEDURE
1. Remove the right side instrument panel insulator.

imageOpen In New TabZoom/Print

2. Disconnect the blower motor electrical connector.
3. Remove the blower motor mounting screws.
4. Remove the blower motor from the HVAC module assembly.

imageOpen In New TabZoom/Print

5. Disconnect the electrical connector from the blower motor resistor assembly.

IMPORTANT: Only loosen both of the forward blower resistor assembly mounting screws. The blower motor resistor assembly mounting holes are slotted.

6. Loosen the forward blower resistor assembly mounting screws.
7. Remove the rearward blower resistor assembly mounting screw.

imageOpen In New TabZoom/Print

8. Remove the blower motor resistor assembly from the HVAC module assembly.
Was this
answer
helpful?
Yes
No
Friday, December 4th, 2020 AT 11:50 AM

Please login or register to post a reply.