Friday, April 8th, 2011 AT 3:43 PM
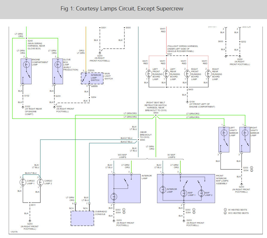
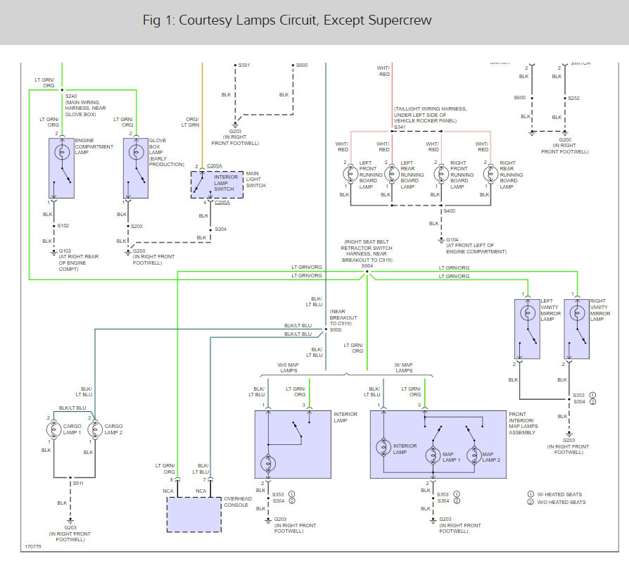
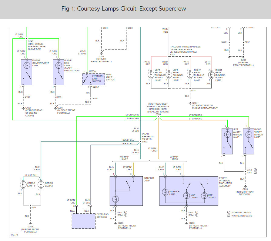
My dome lights wont work with doors open or with switch on dase my map lights work but my cargo lights wont come on either I hear a cliking noies on dash when doors are closed and I turn on manual switch but no lights when you leave keys in or lights on and open door the door chime works am I just missing something easy here or is it something major it is a 2005 ford f350 crew cab xl drw 4x4 6.0 any help would be great




