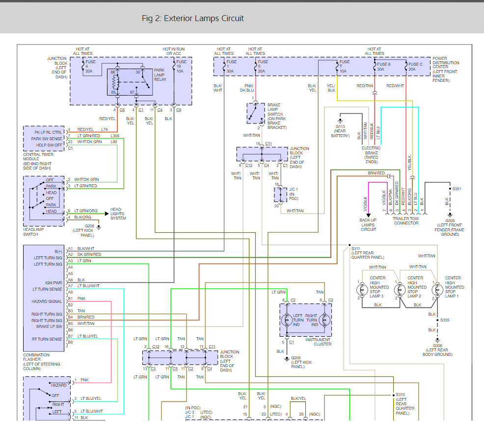
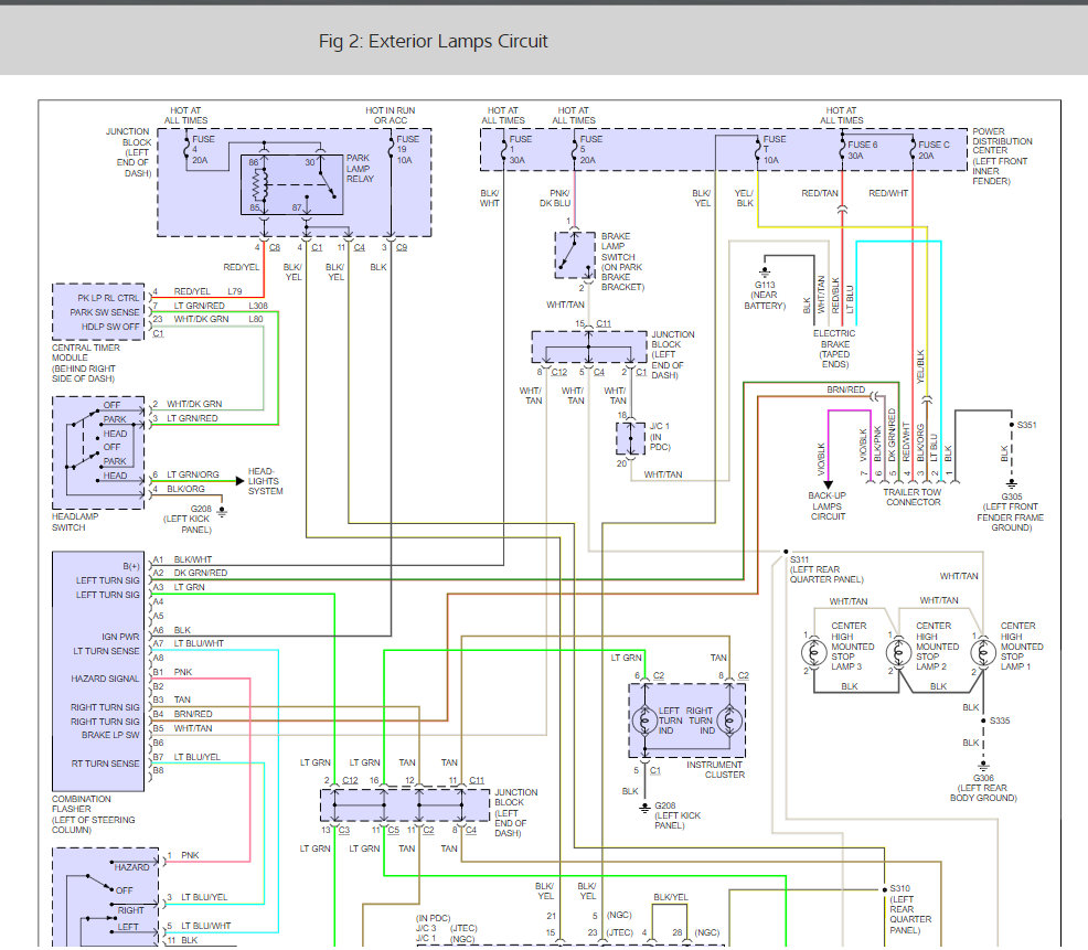
Sunday, September 1st, 2013 AT 5:37 PM
I have an 03 Dodge Durango 5.9 and my brake lights went out, I have tail lights but no brake lights. I checked all the fuses and there's no fuse for the brake lights. I replaced the brake light switch on the brake pedal and still nothing. Is there any other brake light switch anywhere? Or how can I fix it?












