Brake lights went out

Tiny
PETE57
  • MEMBER
  • 1 POST
  • 2001 DODGE DURANGO
  • V8
  • 2WD
  • AUTOMATIC
  • 143,567 MILES
Brake lights wont work, brake light swithc has been replaced, fuses checked. Running lights and turn signal lights work fine. Im stuck!
Was this
answer
helpful?
Yes
No
Saturday, October 19th, 2019 AT 10:35 AM (Merged)
Tiny
RASMATAZ
  • MECHANIC
  • 75,992 POSTS
Top center brake light do they come on?

If fuse no.5 20 is okay and pink and dark blue wire at the brake switch has power and the top lights come on. The white and tan wire for the bottom brake lights is open between splice 311 at left rear quarter panel and the bulb socket


https://www.2carpros.com/forum/automotive_pictures/12900_brake_lights_1.jpg

Was this
answer
helpful?
Yes
No
+2
Saturday, October 19th, 2019 AT 10:35 AM (Merged)
Tiny
SOJJOHNSEN
  • MEMBER
  • 2 POSTS
  • 2001 DODGE DURANGO
  • 0.5L
  • V8
  • AUTOMATIC
  • 192,000 MILES
Fuses. Etc. Test out good. No brake lights. Help.
Was this
answer
helpful?
Yes
No
Saturday, October 19th, 2019 AT 10:35 AM (Merged)
Tiny
JACOBANDNICKOLAS
  • MECHANIC
  • 110,194 POSTS
If the fuses are good, check to make sure there is power to the brake light switch on the top of the brake pedal. If there is power present, depress the pedal and check if there is power out of the switch. If there isn't, suspect an issue with switch adjustment or a bad switch.
Was this
answer
helpful?
Yes
No
Saturday, October 19th, 2019 AT 10:35 AM (Merged)
Tiny
SOJJOHNSEN
  • MEMBER
  • 2 POSTS
Thanks for responding. This is the one last thing I'm checking and we'll go from there. Several u haul trailers used and this time they killed brake lights only.

PS. What if anything does the left turn signal have anything to do with brake sigbal. Saw something stage about this in one article but can't find it again?

Stand by regarding switch but maybe there is something I need to know concerning turn signal interrupting braking.
Was this
answer
helpful?
Yes
No
Saturday, October 19th, 2019 AT 10:35 AM (Merged)
Tiny
JACOBANDNICKOLAS
  • MECHANIC
  • 110,194 POSTS
Let me know what you find.
Was this
answer
helpful?
Yes
No
Saturday, October 19th, 2019 AT 10:35 AM (Merged)
Tiny
SHOECOP
  • MEMBER
  • 1 POST
  • 2003 DODGE DURANGO
  • V8
  • 2WD
  • AUTOMATIC
  • 97,000 MILES
The brake lights do not work. I checked all fuses-both boxes, none are marked brakes-but all fuses are good. The bulbs are good, I replaced the switch by the brake pedal.

The tail light, turn signals and four ways all work.

I do not know what else it could be.

Thanks, Paul
Was this
answer
helpful?
Yes
No
Saturday, October 19th, 2019 AT 10:35 AM (Merged)
Tiny
DOCFIXIT
  • MECHANIC
  • 18,828 POSTS
Hello,

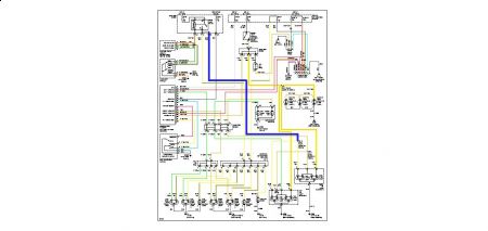
You must be losing power somewhere it is a straight shot from the switch to the bulbs. Here is a guide to show you how to test for power and the brake light wiring diagram below. See if you are getting power at the switch. Also test through the combination flasher.

https://www.2carpros.com/articles/how-to-use-a-test-light-circuit-tester

Check out the diagrams (below). Let us know what happens and please upload pictures or videos of the problem.

Cheers
Was this
answer
helpful?
Yes
No
Saturday, October 19th, 2019 AT 10:35 AM (Merged)
Tiny
HLACEFIELD
  • MEMBER
  • 1 POST
I had this problem as well. The brake light switch was bad. They must have gotten a defective one.
Was this
answer
helpful?
Yes
No
Saturday, October 19th, 2019 AT 10:35 AM (Merged)
Tiny
DWINGLER
  • MEMBER
  • 1 POST
  • 1999 DODGE DURANGO
  • V8
  • 4WD
  • AUTOMATIC
  • 13,000 MILES
I have a 1999 Dodge Durango. All three brake lights are out. Fuse is good, bulbs are brand new. Thought it might be the brake switch or the speed sensor.
Was this
answer
helpful?
Yes
No
Saturday, October 19th, 2019 AT 10:36 AM (Merged)
Tiny
JACOBANDNICKOLAS
  • MECHANIC
  • 110,194 POSTS
My first guess would be the brake light switch. It is located at the top of the brake pedal (under the dash). Check to make sure it is properly adjusted and check it for continunity to make sure power is going through it.

Let me know what you find.
Was this
answer
helpful?
Yes
No
Saturday, October 19th, 2019 AT 10:36 AM (Merged)
Tiny
BRYAN MAUGHAN
  • MEMBER
  • 2 POSTS
  • 1998 DODGE DURANGO
  • 5.4L
  • V8
  • 4WD
  • 182,759 MILES
No parking lights at all. Replaced headlight switch twice, used meter on all fuses. Checked all grounds. What is it? Please help. Desperate in Wenatchee.
Was this
answer
helpful?
Yes
No
Saturday, October 19th, 2019 AT 10:36 AM (Merged)
Tiny
BRYAN MAUGHAN
  • MEMBER
  • 2 POSTS
All interior lights work also.
Was this
answer
helpful?
Yes
No
Saturday, October 19th, 2019 AT 10:36 AM (Merged)
Tiny
CARADIODOC
  • MECHANIC
  • 34,485 POSTS
Do the dash lights work? Does the radio's display dim when you turn on the running lights? When you replaced the head light switch, did you notice if any terminals on the switch or in the connector were black or burned?
Was this
answer
helpful?
Yes
No
Saturday, October 19th, 2019 AT 10:36 AM (Merged)
Tiny
HERBHAM
  • MEMBER
  • 1 POST
  • 2002 DODGE DURANGO
  • V8
  • 4WD
  • AUTOMATIC
  • 90,000 MILES
My left rear brake lights do not work. When the brake pedal is depressed the right light comes on but the left does night. When the head lights are on the rear lights come on both sides. The bulb was replaced but did not fix the problem. I even took the bulb from the left and put it in the right and vice versa and the left still did not come on but the right continued to come on so I know it's not the bulb.
Was this
answer
helpful?
Yes
No
Saturday, October 19th, 2019 AT 10:36 AM (Merged)
Tiny
RASMATAZ
  • MECHANIC
  • 75,992 POSTS
Hi herbham, Welcome to 2carpros and TY for the donation

Inspect and test splice S311 at left rear quarter panel if connections is good there, the white and tan from this splice is open to the left brake bulb socket
Was this
answer
helpful?
Yes
No
-1
Saturday, October 19th, 2019 AT 10:36 AM (Merged)
Tiny
RFAULK1
  • MEMBER
  • 2 POSTS
  • 2002 DODGE DURANGO
  • 65,000 MILES
Brake lights fail. Tail lights work, hazards work, turn signals work, the brake lights are the only thing that won't.

Bulbs are good. Fuses are good. Replaced switch twice to rule out human error. What's next?
Was this
answer
helpful?
Yes
No
Saturday, October 19th, 2019 AT 10:37 AM (Merged)
Tiny
JDL
  • MECHANIC
  • 16,098 POSTS
Does the high-mount brake lite work? If none of the brake lites work, check voltage to and from brake switch. Pink wire with dark blue tracer is voltage to the brake switch. That is a fused circuit. When the brake switch is activated, the white wire with tan tracer becomes hot and carries voltage to brake lamps. The brake switch should be activated by the brake pedal arm.
Was this
answer
helpful?
Yes
No
Saturday, October 19th, 2019 AT 10:37 AM (Merged)
Tiny
RFAULK1
  • MEMBER
  • 2 POSTS
The high-mount doesn't work either. My husband tested the voltage to the white wire today and stated that no power is getting to it. Also says there is continuity between port 1 and port 2. I'm not sure what any of that means.

Thank you for replying by the way.
Was this
answer
helpful?
Yes
No
Saturday, October 19th, 2019 AT 10:37 AM (Merged)
Tiny
JDL
  • MECHANIC
  • 16,098 POSTS
What about the pink wire with dark blue tracer? If the white wire isn't hot with the brakes applied, check the pink wire with blue tracer for voltage. If one wire is hot and the other isn't suspect the brake switch.
Was this
answer
helpful?
Yes
No
Saturday, October 19th, 2019 AT 10:37 AM (Merged)

Please login or register to post a reply.