Wednesday, April 22nd, 2015 AT 10:39 AM
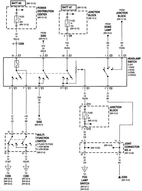
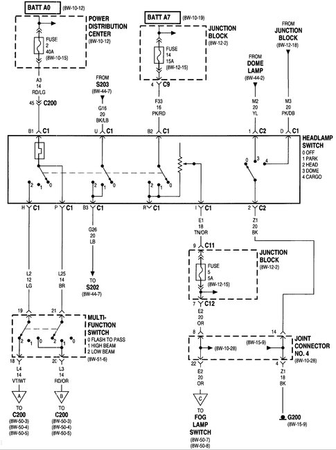
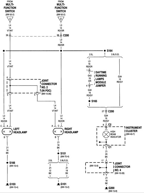
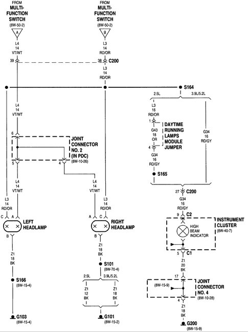
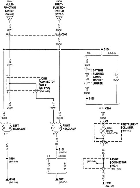
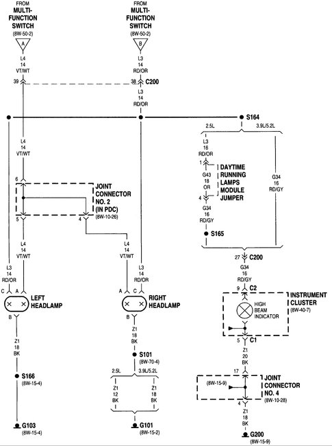
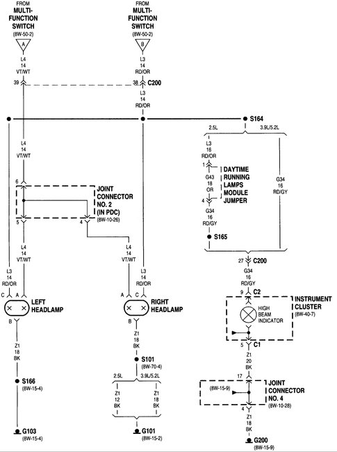
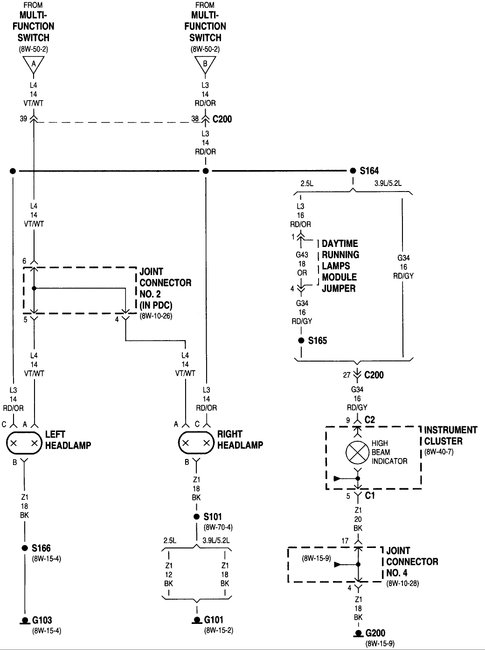
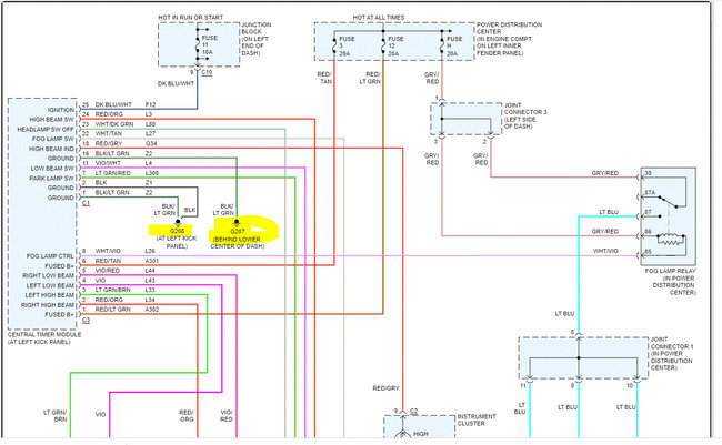
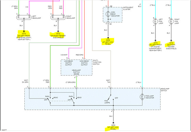
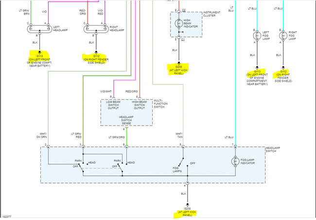
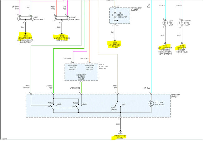
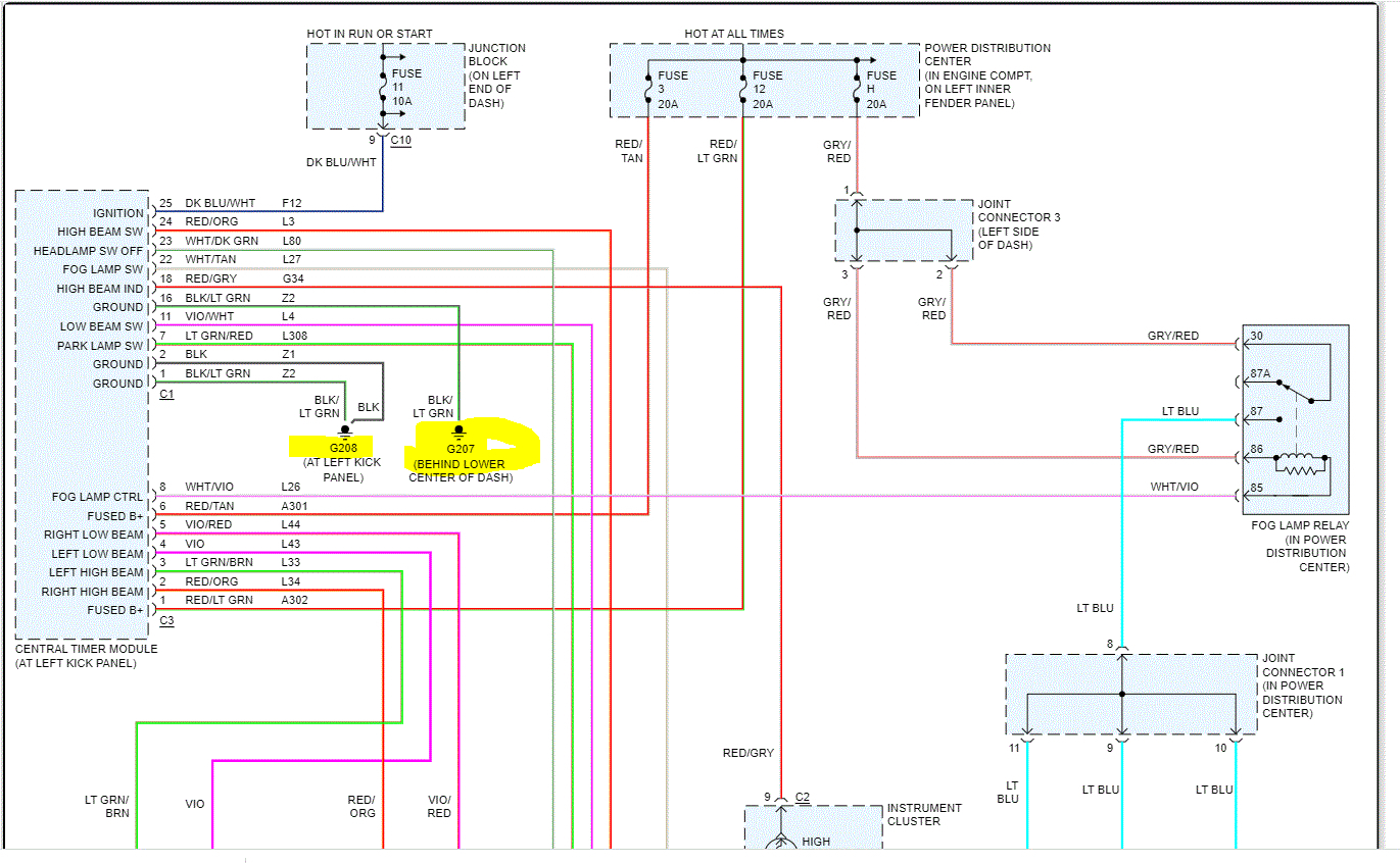
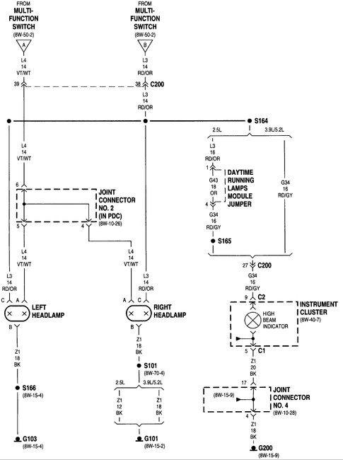
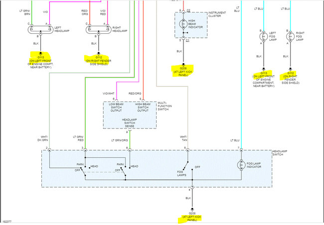
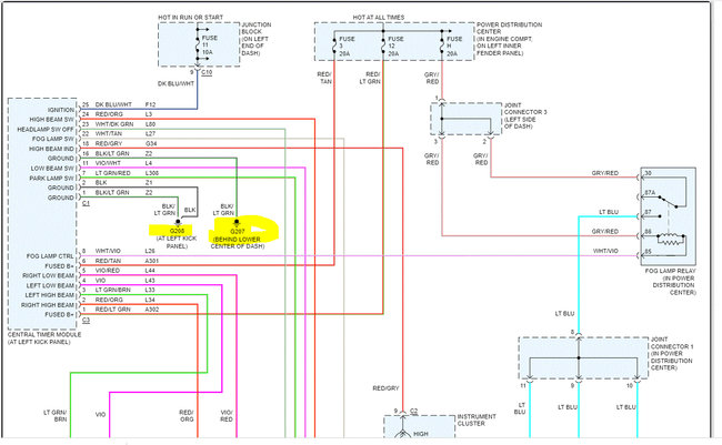
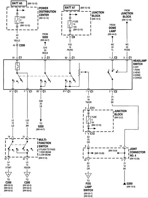
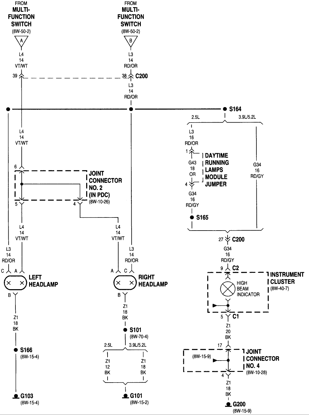
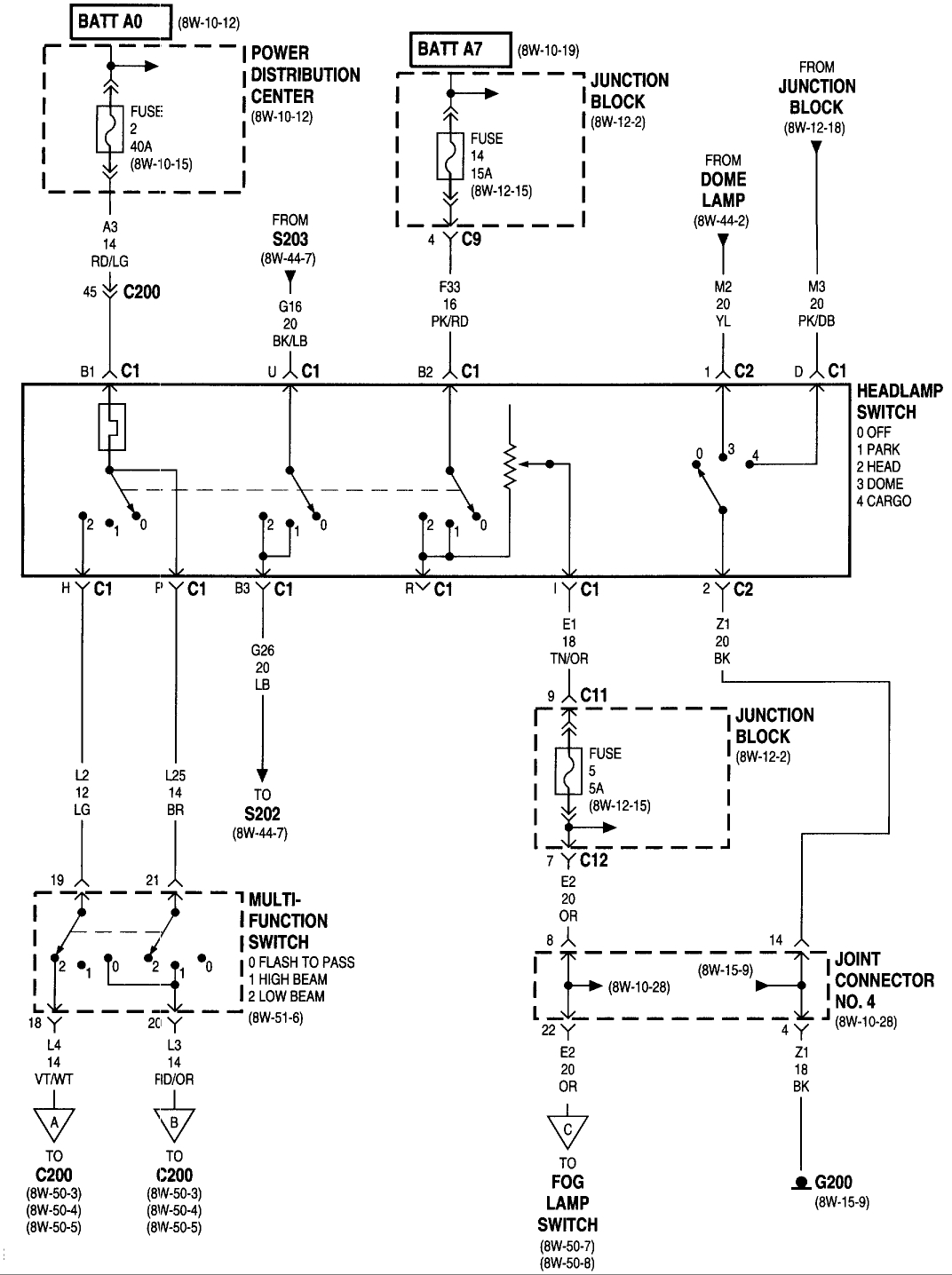
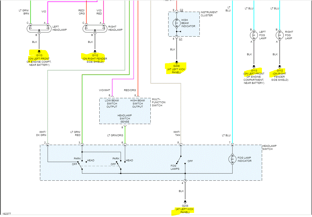
When the ignition is on both headlights are on when I turn the light switch to on the drivers light goes out, I have both high beams but no low beam, I have switched bulbs from left to right to check for power and that is not the problem, I have light tested the connection and with the ignition on there is power and when the switch is turned to the on position no power at all could it be the switch or the relay? Thanks Rob










