Headlights wont come on?

Tiny
ANONYMOUS
  • MEMBER
  • 1997 DODGE DAKOTA
  • 183,000 MILES
So I bought the truck used everything worked great now my head lights wont come on I fueses are good highbeams work if I jam the stick but after about a hour or so they turn off and on then stay onn for. A min then repeats idk what the problem is help please
Friday, January 18th, 2013 AT 1:05 PM

30 Replies

Tiny
JDL
  • MECHANIC
  • 16,098 POSTS
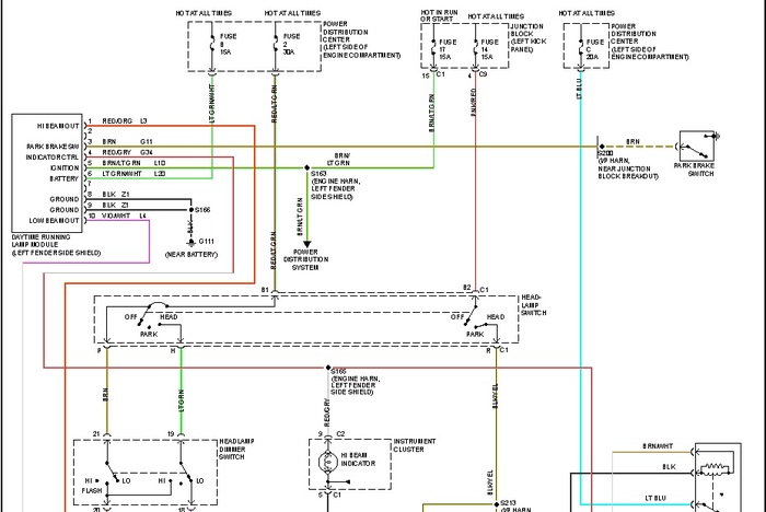
Maybe a problem dimmer/multi-function switch? Did you test for voltage, anywhere?
Was this
answer
helpful?
Yes
No
+3
Friday, June 26th, 2020 AT 12:20 PM
Tiny
JDL
  • MECHANIC
  • 16,098 POSTS
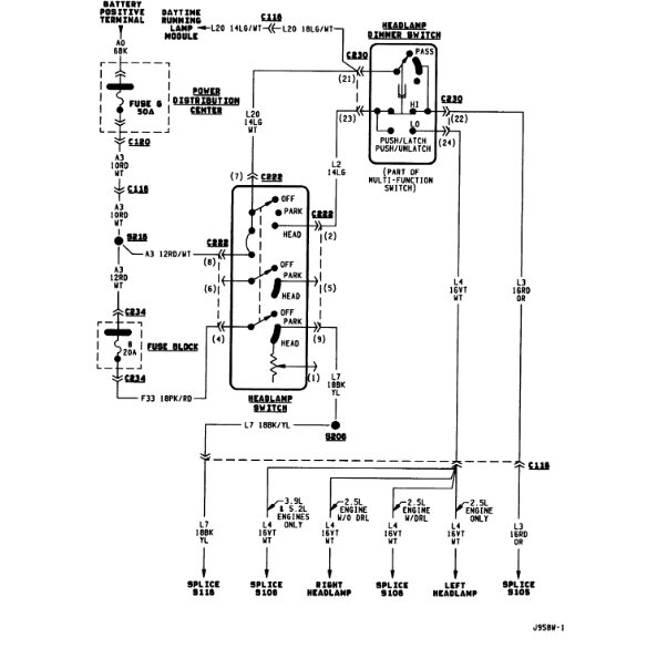
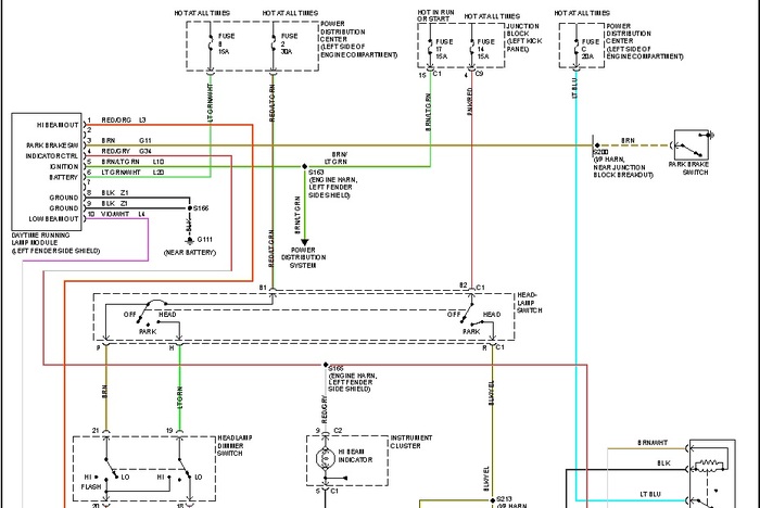
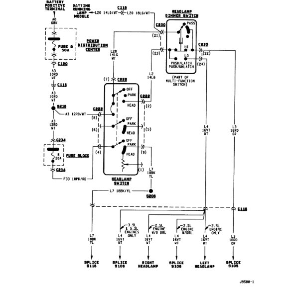
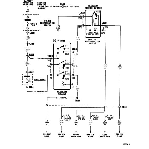
Just to add, if you fool with the steering column, disarm the air-bag first. Another thought is the headlamp switch, there is circuit breaker in the headlamp switch. Note the voltage wires in the diagram, check for voltage when problem is ongoing.
Was this
answer
helpful?
Yes
No
Friday, June 26th, 2020 AT 12:20 PM
Tiny
JDL
  • MECHANIC
  • 16,098 POSTS
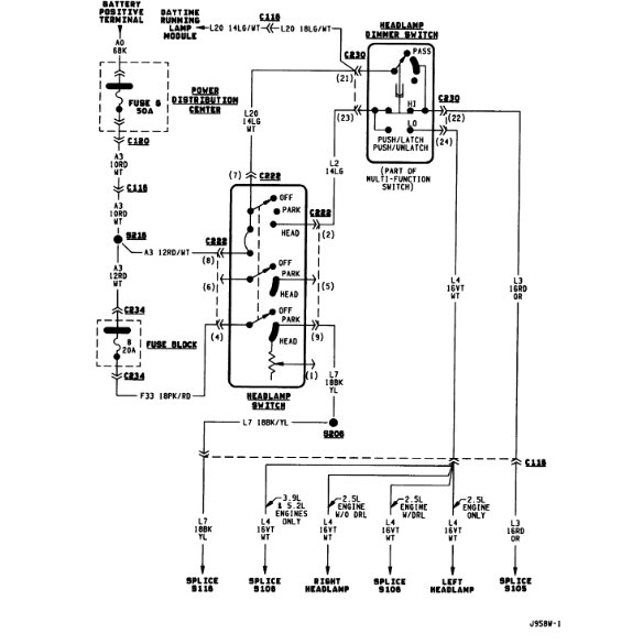
Sorry wrong diagram.
Was this
answer
helpful?
Yes
No
+1
Friday, June 26th, 2020 AT 12:20 PM
Tiny
KOTABOB
  • MEMBER
  • 1 POST
  • 1997 DODGE DAKOTA
  • 5.2L
  • V8
  • 4WD
  • AUTOMATIC
  • 180 MILES
Hi, My headlights have stopped working. I have checked all my fuses and relays and all seem fine. I installed a new headlight switch and a new multifunction switch and still no low beam lights. If I pull the high beams back the high beams come on but they go off when I let the switch go so they do not stay on. I also noticed when the high beams go on the fog lights go off but the fog lights and all other lights work fine aside from when the high beam is turned on. I hear the Dakota lights run off the computer but also hear that wasn't the case for the 1997 model so I'm unsure on that. If it is the computer and I get an aftermarket how do I get it working correctly for my Dakota? Any help or advice would be greatly appreciated!
Was this
answer
helpful?
Yes
No
-1
Sunday, August 30th, 2020 AT 10:21 AM (Merged)
Tiny
CARADIODOC
  • MECHANIC
  • 34,489 POSTS
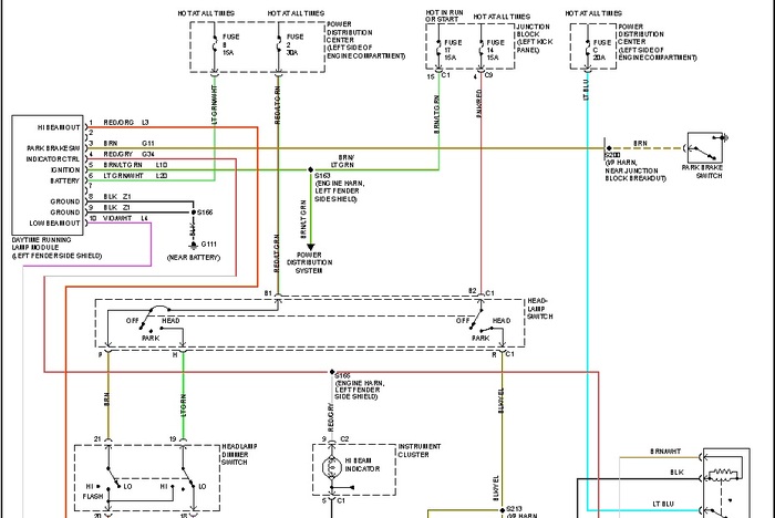
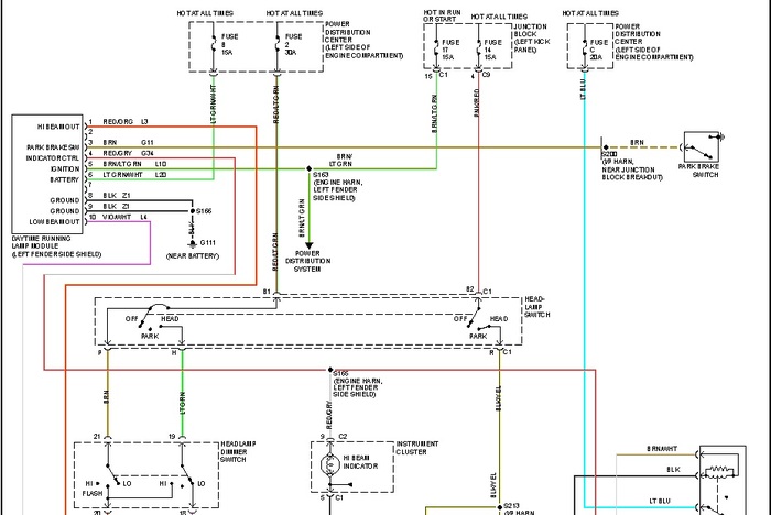
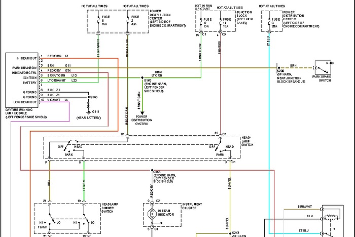
Yes, the insane engineers have seen fit to hang an unnecessary, unreliable, expensive computer onto every conceivable system, but luckily your truck still has a common sense and simple circuit. The "flash-to-pass" is on a separate part of the headlight switch. If the high beams work normally, the headlight switch is okay. Since the flash-to-pass function works, we know the 30 amp fuse has to be okay too.

If the high beams work properly, (not the flash-to-pass function), go to the next paragraph. If the low and high beams do not work, go to the headlight switch or the dimmer switch and check for voltage on the light green wire. You should find 12 volts there with the headlight switch turned on.

If you have voltage coming out of the headlight switch, check on the red/orange and violet/white wires at the multi-function switch. One or the other should have 12 volts when you activate the dimmer switch. Let me know what you find missing.
Was this
answer
helpful?
Yes
No
Sunday, August 30th, 2020 AT 10:21 AM (Merged)
Tiny
ROYHOLLAWAY
  • MEMBER
  • 1 POST
  • 1995 DODGE DAKOTA
1995 Dodge Dakota

my headlights arent working I tried replacing the bulbs and I checked the small fuses in the truck and nothings working
Was this
answer
helpful?
Yes
No
Sunday, August 30th, 2020 AT 10:21 AM (Merged)
Tiny
JACOBANDNICKOLAS
  • MECHANIC
  • 110,194 POSTS
Are the parking lights, rear lights, license plate lights working? Have you checked the headlight socket for power? Have you checked the switch itself?
Was this
answer
helpful?
Yes
No
+1
Sunday, August 30th, 2020 AT 10:21 AM (Merged)
Tiny
TONY1995
  • MEMBER
  • 5 POSTS
  • 1995 DODGE DAKOTA
  • 3.9L
  • V6
  • 4WD
  • AUTOMATIC
  • 120,000 MILES
The headlights in my vehicle went out. I could use the high beams if I pulled back on the dimmer lever on the steering column. I replaced the switch and the low beams worked however the parking lights would flash for about ten seconds or so if you opened the doors or when you shut the vehicle off.

I got up this morning and the truck won’t start it seems like something drained the battery overnight. This is the only vehicle that I have so I need help, please.
Was this
answer
helpful?
Yes
No
Sunday, August 30th, 2020 AT 10:21 AM (Merged)
Tiny
ASEMASTER6371
  • MECHANIC
  • 52,796 POSTS
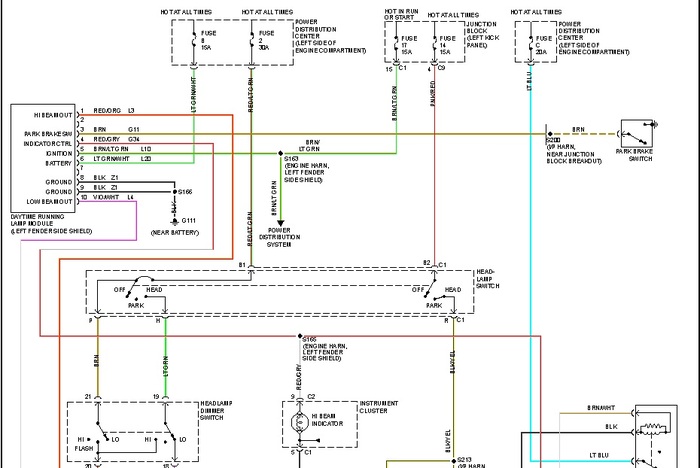
Good morning,

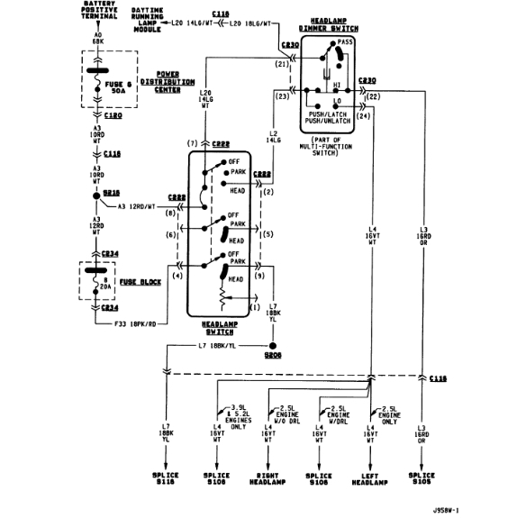
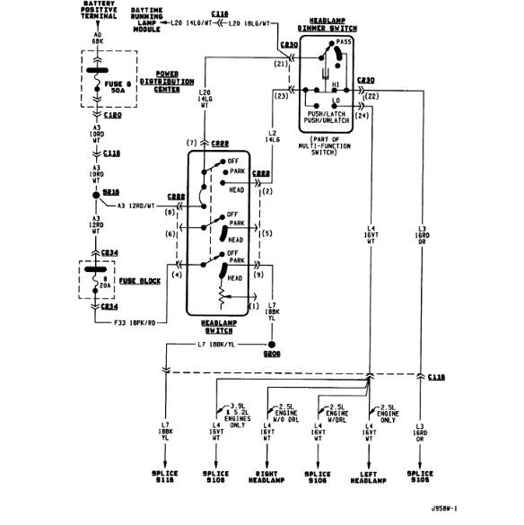
I attached a wire diagram of the headlight switch. You need to verify power coming out of the switch for the headlights and park lights in the on position.

https://www.2carpros.com/articles/how-to-check-wiring

if all outputs are good, you have a wiring issue to the lights.

As far as the dead battery, it sounds like you have a parasitic draw test done to see what has caused the battery to drain.

https://www.2carpros.com/articles/car-battery-dead-overnight

Roy
Was this
answer
helpful?
Yes
No
Sunday, August 30th, 2020 AT 10:21 AM (Merged)
Tiny
TONY1995
  • MEMBER
  • 5 POSTS
I checked now and all the lights come on but when you turn the key nothing happens, however you do hear a clicking noise coming from the dash.
Was this
answer
helpful?
Yes
No
Sunday, August 30th, 2020 AT 10:21 AM (Merged)
Tiny
ASEMASTER6371
  • MECHANIC
  • 52,796 POSTS
Are we talking about a new issue?

What are the results of the lights issue?

Roy
Was this
answer
helpful?
Yes
No
Sunday, August 30th, 2020 AT 10:21 AM (Merged)
Tiny
TONY1995
  • MEMBER
  • 5 POSTS
Yes, after replacing the headlight switch yesterday everything worked. A new issue came up which was the parking lights would flash after you shut the truck off or opened and closed the doors.

This morning the lights all still work but whenever you turn the key the truck does nothing. It makes no noise but the gauges all light up.

I’m lost.
Was this
answer
helpful?
Yes
No
Sunday, August 30th, 2020 AT 10:21 AM (Merged)
Tiny
ASEMASTER6371
  • MECHANIC
  • 52,796 POSTS
Do you have an alarm system in the truck? That would explain the lights flashing on and off.

Did you check the battery voltage? Use a voltmeter and check the voltage.

Roy
Was this
answer
helpful?
Yes
No
Sunday, August 30th, 2020 AT 10:21 AM (Merged)
Tiny
SHEILA HOLMES
  • MEMBER
  • 1 POST
  • 1993 DODGE DAKOTA
  • 174,000 MILES
Headlights, brake lights, horn not working. I already replaced the switch.
Was this
answer
helpful?
Yes
No
Sunday, August 30th, 2020 AT 10:21 AM (Merged)
Tiny
CARADIODOC
  • MECHANIC
  • 34,489 POSTS
Those are three different switches. With multiple non-working systems, start by checking the large fuses in the under-hood fuse box. You need to list the engine size and transmission type so I can look up the correct wiring diagram.
Was this
answer
helpful?
Yes
No
+3
Sunday, August 30th, 2020 AT 10:21 AM (Merged)
Tiny
TONY1995
  • MEMBER
  • 5 POSTS
There is no alarm system according to the previous owner and the voltage was around 13. The guy that just checked it said and it stayed strong under a load.
Was this
answer
helpful?
Yes
No
Sunday, August 30th, 2020 AT 10:21 AM (Merged)
Tiny
ASEMASTER6371
  • MECHANIC
  • 52,796 POSTS
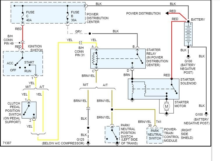
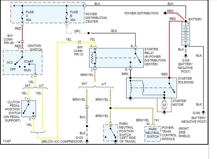
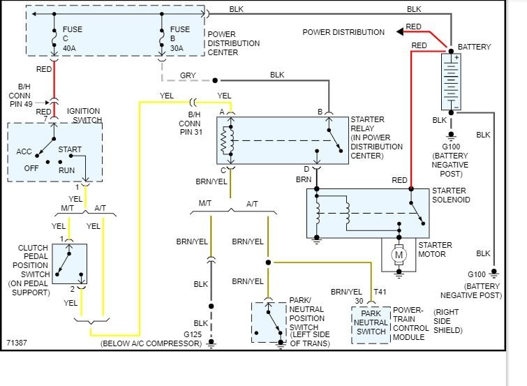
Okay, then we need to look at the starting system.

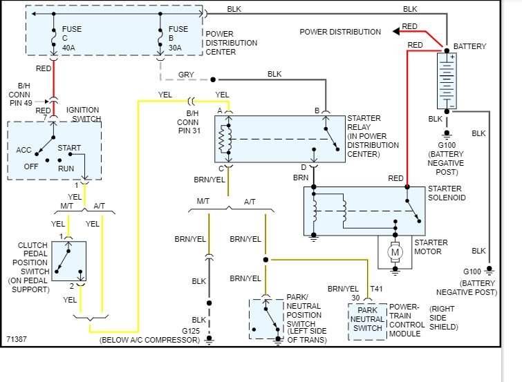
Remove the relay and test for power with the key on. Terminal 30 should have power.

Then turn the ignition to start and terminal 85 should have power as well.

Roy
Was this
answer
helpful?
Yes
No
+1
Sunday, August 30th, 2020 AT 10:21 AM (Merged)
Tiny
TONY1995
  • MEMBER
  • 5 POSTS
I eventually found a Viper black box up in the dash above and behind the fuse box. I don’t know what it is for but it apparently had a loose connection because after messing with the plug ins the truck started and has continued to start.

Does anybody know what this box might be for? I’m thinking that I would like to find someone who can remove it.
Was this
answer
helpful?
Yes
No
Sunday, August 30th, 2020 AT 10:21 AM (Merged)
Tiny
ASEMASTER6371
  • MECHANIC
  • 52,796 POSTS
Viper is a brand of an alarm system.

Any place that installs alarm systems can remove it for you.

Roy
Was this
answer
helpful?
Yes
No
Sunday, August 30th, 2020 AT 10:21 AM (Merged)
Tiny
BUBBAJUNKIN
  • MEMBER
  • 2 POSTS
  • 1992 DODGE DAKOTA
  • 271,000 MILES
While driving at night headlights will sometimes just go out. They come back on when I turn the headlight switch off and back on quickly. It seems to happen when high beams are on and after driving for 15-30 minutes. I thought it was the new bulbs I put in (Sylvania Xtravision) so put regular bulbs back in. But no, it still happens. Could this be a relay or the cartridge fuse? About a year ago I gave someone a jump for his dead battery and have had electrical problems since then.
Alternator, blower motor and now this. Could jumping another car do this? I know it's an old vehicle, but otherwise in good shape.
Thank you,
Kevin
Was this
answer
helpful?
Yes
No
+1
Sunday, August 30th, 2020 AT 10:21 AM (Merged)

Please login or register to post a reply.